Thank you for visiting nature.com. You are using a browser version with limited support for CSS. To obtain
the best experience, we recommend you use a more up to date browser (or turn off compatibility mode in
Internet Explorer). In the meantime, to ensure continued support, we are displaying the site without styles
and JavaScript.
An assessment of links between anthropogenic climate change and the impacts of recent regional climate trends on human and natural systems shows that many of these impacts can now be attributed to the effects of global warming.
Optimized infrared hyperspectral imaging can now detect methane gradients on a sub-m2 scale. This can facilitate remote assessment of methane sources and sinks to improve understanding of the cycling of this important greenhouse gas.
The US aviation sector is the world’s largest single air transportation system. Modelling shows that fuel burn strategies could reduce emissions from narrow-body passenger aircraft by 2% per kilometre travelled, at zero marginal cost.
An analysis of the distribution of deforestation in Mato Grosso, Brazil, suggests that policies and incentives to protect carbon stocks should focus on large privately owned farms and ranches, where most of the remaining forests are located.
Breaking away from the utopian assumption that the international community will agree on a single emissions allocation scheme, this study assesses approaches to setting country-level mitigation targets in line with the 2 °C goal.
Research utilizing C isotopes to partition ecosystem respiration sources in a subarctic warming experiment shows that old soil contributions increased with soil temperature but that carbon losses were modulated by plant responses to warming.
Satellite measurements of chlorophyll are used to infer phytoplankton biomass changes and the relationship to sea surface temperature. This study shows that chlorophyll changes can be light-driven so the temperature–biomass relationship may not hold in the future.
The IPCC summaries written for policymakers are meant to communicate findings to a wide audience. Textual analysis shows that these reports continue to have low readability, in contrast with media coverage.
Increases in temperature extremes are of major concern for agricultural production. However, this study identifies a connection between agricultural intensification and less extreme summer temperatures over the agriculturally dominated US Midwest.
Investigation of multiple stressors on a subantarctic diatom reveals the importance of considering individual and interactive effects. Experiments show that temperature and iron enrichment enhance growth and help overcome nutrient depletion.
Most of the greenhouse gas emissions embedded in China’s exports come from provinces with carbon-intensive energy mixes. Reducing the carbon intensity of production in these regions is a targeted means of addressing the climate–trade dilemma.
Coastal flood risk is strongly influenced by sea-level rise and changes in tropical cyclone activity, but these factors are usually considered independently. Research now accounts for their joint contribution to coastal flood hazard for the US East Coast over the 21st century.
The IPCC is widely accepted as an authoritative voice representing knowledge on climate change. A network analysis shows that authorship of a key report remains UK- and US-centric, however, with a handful of disciplines dominating input.
Clean energy can provide different health and environmental benefits depending on location. Modelling shows that renewable energy and energy-saving projects could deliver annual benefits of up to US$210 million across six locations in the USA.
Modelling reveals that Dubai in the Persian Gulf region, Tampa in Florida, and Cairns in Australia are at risk of extreme tropical cyclones—‘grey swan’ events—capable of inducing surge impact beyond anything experienced in the historical record.
Simulations show that massive removal of CO2 from the atmosphere through geoengineering will not eliminate the long-term consequences of anthropogenic CO2 emissions in the marine environment.
A survey of 119 countries shows that education is the strongest predictor of climate change awareness around the world. The results suggest that improving understanding of local impacts is vital for public engagement.
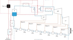
Integrating solar thermal systems into power plants can be done with minimal modifications. Statistical analysis shows that such a strategy is more economic than installing carbon-capture and compression equipment to reduce greenhouse-gas emissions.
Pink salmon start life in fresh water before moving to the sea. This study shows that CO2-induced acidification due to climate change detrimentally affects salmon physiology and behaviour in fresh water and shortly following seawater entry.
Shifts in the growth rate of a model green alga cultured in the presence of one or a combination of up to eight environmental drivers can generally be explained by the response to a single dominant driver, such as pH or temperature.