Thank you for visiting nature.com. You are using a browser version with limited support for CSS. To obtain
the best experience, we recommend you use a more up to date browser (or turn off compatibility mode in
Internet Explorer). In the meantime, to ensure continued support, we are displaying the site without styles
and JavaScript.
Macromolecules are very large molecules created by the polymerization of smaller subunits. Clusters are large aggregates of atomic or molecular subunits, which are classified according to the nature of the forces holding them together. For example, there can be van der Waals or metallic clusters.
Diffraction-before-destruction of ultrashort X-ray pulses can visualize non-equilibrium processes at the nanoscale with sub-femtosecond precision. Here, the authors demonstrate how the brightness and the spatial resolution of such snapshots can be substantially increased despite ionization.
Native-nanoBleach, a single-molecule imaging technique with a spatial resolution of ~10 nm, quantifies the oligomeric distribution of membrane proteins directly from native membranes at endogenous expression levels with their proximal native membrane environment using amphipathic copolymer nanodiscs.
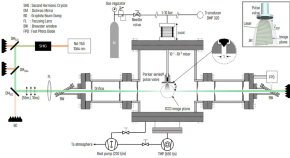
The initial steps of the ion solvation process are observed for the solvation of a single sodium ion in liquid helium, opening possibilities for benchmarking theoretical descriptions of ion solvation.
When molecular model systems, such as polycyclic aromatic hydrocarbons, are ionized by ultrashort extreme ultraviolet pulses, their relaxation path proceeds via electron–phonon scattering, linking molecules to typical solid-state matter behaviour.