Abstract
Due to the use of multi winding high-frequency isolation transformers in the three port isolated bidirectional DC–DC converter to achieve port isolation and power transmission, there is a power coupling problem between each port. This article proposes a Model Prediction Control (MPC) strategy to address this issue. Considering the control objectives for each port of the Triple Active Bridge (TAB) DC–DC converter, a discrete predictive model of the TAB converter is established based on phase-shifting modulation and average model. The MPC problem is solved optimally and a predictive controller is designed with control accuracy to achieve decoupling control effect between each port. And the traditional single voltage closed-loop control, diagonal matrix decoupling control, and model predictive control proposed in this paper are compared through simulation. Finally, a TAB converter experimental platform is built based on the DSP control chip TMS320F28335. The experimental results are verified the effectiveness and superiority of the proposed method, as well as its faster dynamic characteristics and power decoupling ability between each port.
Similar content being viewed by others
Introduction
With the development of renewable energy, power electronic converters suitable for AC/DC hybrid distribution networks are receiving increasing research and attention. The three-port isolated bidirectional DC–DC converter has attracted much attention due to its convenient energy conversion, port isolation, low cost, high power density, and high efficiency, and has become one of the key research hotspots in new energy generation technology.
In a DC power grid, the simultaneous connection of different types of DC loads and distributed power sources can lead to diversified DC bus voltage levels. In this case, using multiple two-port DC–DC converters for voltage level transformation can achieve interconnection of the transmission system1. However, the two-port DC–DC converter has some problems such as inability to concentrate control, multiple energy transformations, and low energy utilization efficiency2. While multi-port DC–DC converters have many advantages such as centralized control, fewer energy transformations, higher energy utilization, fewer maintenance costs and energy losses, and higher system reliability and operational efficiency. Therefore, using a single multi port DC converter to replace multiple two-port DC converters has important significance and broad application prospects3,4. Figure 1 shows a DC microgrid structure using three-port DC–DC converters, which enables centralized control of different devices and facilitates energy management in the microgrid.
The three-port isolated bidirectional DC–DC converter based on a Triple Active Bridge (TAB), mainly composed of an isolated three-winding transformer and three full bridge units is shown in Fig. 2. In reference5, this topology was first proposed and applied to fuel cell/energy storage battery hybrid system. Since its inception, TAB converters have been mainly applied in fields of renewable energy generation and storage systems6,7,8,9, electric vehicles10, and uninterruptible power supplies11. In reference12, researchers used small signal analysis to add a feedforward decoupling matrix in control, achieving proportional integral (PI) decoupling control. However, the decoupling matrix changes in real-time with the operating conditions of the circuit13, and only achieves well control effects near the steady-state decoupling point14. The control effect is poor when the decoupling matrix changes. In reference14, a calculation method of decoupling matrix based on neural network for TAB converters was proposed. After obtaining decoupling matrices for different operating conditions, control parameters are provided using lookup tables to improve the performance of decoupling control. However, it requires offline calculation of decoupling matrix parameters and additional storage, making the implementation more complex. In reference15, an LC Series Resonant network was added to the full bridge to reduce the coupling of power for each port through hardware decoupling, but it has certain limitations on the operating range of the converter. In reference16, a control method based on decoupled power flow management was introduced, which eliminates power coupling between each port by introducing a diagonal matrix decoupling network to achieve more accurate and efficient power control. Although this method provides an effective power flow control mechanism in theory, it faces certain limitations in practical applications when using the lookup table method to sample high-frequency AC currents.
Model predictive control is a type of control strategy based on the mathematical model of the controlled object17. In recent years, model predictive control has been increasingly applied to DC–DC converters18,19,20,21,22,23,24. In literature18,19, an average value model for Dual Active Bridge (DAB) DC–DC converters was established and the deadbeat predictive control was adopted, which can improve the response speed of the converter to input voltage and load transients. Reference20 focuses on the design of a model predictive and PI control strategy for DAB converters. Model predictive control is used to improve dynamic performance, while PI control is used to eliminate static errors. In reference21, model predictive control was applied to interleaved parallel bidirectional DC–DC converters in electric vehicles and an optimization algorithm based on particle swarm optimization was proposed. This optimization algorithm can balance the energy flow between AC and DC subnets, ensure the safe and reliable operation of the power transmission system, and has better dynamic and static performance than PI control. In reference22, researchers studied the situation where multiple DAB converters are connected in parallel to output high power. Model predictive control was used to solve the problem of unbalanced transmission power when multiple converters are connected in parallel, while greatly improving the response speed of the converters to voltage jumps or load transients. In reference23, model predictive control was applied to a grid connected three-level bidirectional DC–DC converter for photovoltaic systems, and simulation results showed that the overshoot control of DC bus voltage was within 0.25%. In reference24, traditional dual closed-loop control and model predictive control were used to control cascaded bidirectional DC–DC converters. The experimental results showed that compared with dual closed-loop control, model predictive control can effectively suppress voltage disturbances on the DC bus, reducing dynamic response time by 0.3 s, and overshoot by 6.25%.
Compared with traditional PI control and other control techniques, model predictive control has a faster dynamic response speed and is suitable for nonlinear multi input multi output control objects including TAB converters. The performance comparison between model predictive control and other control techniques is shown in Table 1.
This article mainly focuses on the software decoupling method of TAB converters, proposing a kind of MPC decoupling control strategy. Based on the mathematical model of TAB converter, a multi control objective predictive model is derived, and a time-domain rolling optimization process and feedback correction are designed. A predictive controller is designed with the control accuracy of the predictive model. Then, MATLAB/Simulink is used to compare traditional single voltage closed-loop control, diagonal matrix decoupling control, and model predictive control. Finally, a TAB prototype is built to conduct experimental verification of the research content.
Mathematical modeling of TAB converter
Equivalent circuit and phase shift modulation of TAB converter
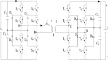
The schematic diagram is shown in Fig. 2. In the figure, \(V_{1}\), \(V_{2}\), and \(V_{3}\) are the average voltages of the three ports; \(L_{1}\), \(L_{2}\), and \(L_{3}\) are the power transmission inductance of the three ports; \(iL_{1}\), \(iL_{2}\), and \(iL_{3}\) are the currents flowing through the three inductors; \(S_{1} \sim S_{4}\), \(S_{5} \sim S_{8}\), and \(S_{9} \sim S_{12}\) are the switch tubes of the three ports; the number of turns of the three windings of the transformer is \(n_{1}\), \(n_{2}\), and \(n_{3}\); \(V_{AB}\), \(V_{CD}\), and \(V_{EF}\) are the midpoint voltages of the bridge arms of the three ports; \(C_{1}\), \(C_{2}\), and \(C_{3}\) are the capacitor of the three ports, which play a role in supporting voltages of the ports and filtering.
The core component of a TAB converter is a high-frequency isolation transformer, which is often studied using the equivalent circuit of the transformer. Two equivalent circuits of the three winding transformer converted to port 1 is shown in Fig. 3, where the original equivalent circuit of TAB is shown in Fig. 3a. Due to the meaningless effect of the excitation inductance of the excitation branch on the transmission power, the influence of the excitation branch can be directly ignored. The simplified model yields a Y-shaped equivalent circuit as shown in Fig. 3b.
In the Y-type equivalent circuit, \(V^{\prime}_{CD}\), and \(V^{\prime}_{EF}\) are the square wave voltages converted from ports 2 and 3 to port 1. Analogously, \(i_{2}^{\prime }\), \(i_{3}^{\prime }\) and \(L_{2}^{\prime }\), \(L_{3}^{\prime }\) are the inductance current and equivalent inductance converted from ports 2 and 3 to port 1. The conversion relationship between each variable is:
The ideal waveforms of square wave voltage and inductor current for each port are shown in Fig. 4. Assuming that the converter has been operating in a stable state, \(L_{1} = L_{2}^{\prime } = L_{3}^{\prime }\), and \(t_{0} \sim t_{12}\) is one switching cycle for analysis.
The TAB converter typically adopts phase-shifting modulation strategy. In its three H-full bridge structures, all switching devices have the same and fixed driving signal frequency \(f_{s}\). Within one switching cycle, the conduction time of all switching devices is the same, and the conduction and turn off times are all \(T_{s}\)/2. The driving signals of the upper and lower switching tubes of the same bridge arm are reversed while the driving signals of the diagonal switching tubes on the same H-bridge are in phase. In Fig. 4, the voltages at each winding port of the transformer in the TAB converter are square wave voltages with a duty cycle of 50%. In this figure,\(D_{12}\) is the phase shift duty cycle between ports 1 and 2, which is the phase difference with the square wave voltage \(V_{AB}\) and \(V_{CD}\). Similarly,\(D_{13}\) represents the phase difference between square wave voltage \(V_{AB}\) and \(V_{EF}\). The relationship between phase shift angle and phase shift duty cycle are \(\varphi_{12} = \pi D_{12}\) and \(\varphi_{13} = \pi D_{13}\), and the range of values for phase shift duty cycle is − 0.5 ~ 0.5.
Power transmission characteristics of TAB converter
In order to facilitate the analysis and understand the mechanism and characteristics of power transmission between each ports, convert the Y-type modle to the △-type modle, as shown in Fig. 5.
The expression for its equivalent inductance \(L_{12}\), \(L_{13}\), and \(L_{23}\) is:
Defining the power output from port 1 as the specified positive direction, and the absorbed power from Port 2 and Port 3 as the specified positive direction. \(P_{12}\) indicates the magnitude of power transmission from port 1 to port 2, and the same procedure may be adapted to obtain \(P_{13}\) and \(P_{23}\). The direction of the power flow in TAB converter is shown in Fig. 6.
The total power \(P_{1}\), \(P_{2}\), and \(P_{3}\) transmitted by each port can be obtained as follows:
Ports 2 and 3 are coupled to each other due to the presence of phase-shifting duty cycle \(D_{23}\), the change of which can cause changes in the working state of the switching transistors of ports 2 and 3, thereby affecting their current and voltage waveforms. Therefore, even if we only adjust the phase shift duty cycle of one port, it will still have an impact on the current and voltage of the other port, leading to the coupling effect between port 2 and port 3. \(P_{23}\) is the coupling power between these two ports.
After obtaining the power of the TAB converter, the idealized average current value of the port \(I_{dc1}\), \(I_{dc2}\), and \(I_{dc3}\) can be expressed as follows:
The state-space average model of TAB
The equivalent circuit of the average value model of TAB converter is shown in Fig. 7. Since port 1 of the converter is connected to a DC voltage source, the converted values of the voltage of the stabilizing capacitors \(V_{2}^{\prime }\) and \(V_{3}^{\prime }\) at ports 2 and 3 are selected as the state variables. By monitoring and controlling the voltage of these two ports, the stability and performance of the system can be better controlled. The expression of \(I_{dc1}\), \(I_{dc2}\), and \(I_{dc3}\) are shown in Eq. (4). \(I_{o2}\) and \(I_{o3}\) are the instantaneous values of the load currents for port 2 and port 3.
According to the equivalent circuit of the average value model shown in Fig. 7 and the selected state variables \(V_{2}^{\prime }\) and \(V_{3}^{\prime }\), the state space equation of the TAB converter can be given by:
In MPC, it is necessary to convert the mathematical model of the continuous time control object into a discrete-time model for implementation in digital control systems. Therefore, the forward Euler method is used to discretize Eq. (5), as shown in Eq. (6).
The state space equations of the TAB converter shown in Eqs. (5) and (6) indicate that the TAB converter is a multi-input and multi-output nonlinear coupled system. Additional decoupling links are required when designing controllers, which increases the computational complexity of the control and affects the dynamic performance of the system to some extent. To address this issue, this paper proposes model predictive control, which improves the dynamic performance of the port while implementing decoupling control of the TAB converter port.
Model predictive control
MPC is a type of control strategy based on the mathematical model of the control object. Predictive controller design usually includes several steps, such as establishing a predictive model, time-domain rolling optimization and feedback correction.
Establishment of prediction model
The state equation of the discretized TAB converter is shown in Eq. (7):
Considering that the TAB converter should have voltage control of the two ports, and in order to simplify the prediction model, assuming that the equivalent inductances of three branches are equal (\(L = L_{12} = L_{13} = L_{23}\)), a prediction model for voltage control of the two ports can be expressed as follows:
Time-domain rolling optimization
After the establishment of the predictive model, the next step is to determine the control objective, which is controlling the voltage of port 2 and port 3, and converting it into a multi-objective optimization cost function. This cost function not only considers the control objective of the system, but also comprehensively considers the performance indicators and constraints of the system, in order to guide the optimization process of the controller. The cost function is constructed as follows:
Among them, \(V_{2ref}\) and \(V_{3ref}\) are the target values for the voltage of ports 2 and 3. The basic process of time-domain rolling optimization is to calculate the control variable u(k + 1) that minimizes the cost function within a finite time range of N switching cycles based on the converter state variables \(x(k)\) and control variables \(u(k)\) during the k-th switching cycle, as the control variable for the next switching cycle. This article chooses N = 1 to predict the length of the time domain, so that the dynamic changes of the system can be fully considered within this time range, meanwhile avoiding excessive complexity in computation.
In order to minimize the cost function and ensure that the phase shift duty cycle is within a reasonable range, an MPC problem including range constraints on phase shift duty cycle can be constructed, as shown in Eq. (12). In MPC problems, in addition to considering minimizing the cost function, it is also necessary to ensure that state variables and control variables in the system satisfy a series of constraints.
This problem belongs to nonlinear programming problems, which includes minimizing the cost function and constraining the range of phase shift duty cycle, and is solved by constructing KKT conditions. The KKT condition is a set of conditions that must be satisfied for the optimal solution, including the gradient of the objective function, the gradient of the constraint function, and the Lagrange multiplier. By constructing these conditions into a system of equations and solving the system, the state variables and control variables corresponding to the optimal solution can be found, thereby achieving optimal control of the TAB converter. Firstly, construct the Lagrangian function as follows:
The corresponding KKT conditions are:
Among them, μj is the KKT multiplier (j = 1, 2, 3, 4). Solving Eq. (13) can obtain a nonlinear system of equations regarding \(D_{12}\) and \(D_{13}\).
The relationship between \(D_{12}\) and \(D_{13}\) can be further derived using solving tools of nonlinear equations as follows:
Feedback correction
In practical applications, it is necessary to comprehensively consider the impact of measurement errors on control accuracy. In order to eliminate the error between actual output and target output, PI control is added to improve the accuracy and stability of MPC. The overall control block diagram is shown in Fig. 8.
Firstly, the voltage error is obtained through voltage reference value and voltage feedback value, and PI control is added into control loop. The regained voltages \(V_{2ref}\) and V3ref are separately compared with the the feedback voltage. The differences are respectively sent to \(C_{2} f_{2}\) and \(C_{3} f_{3}\) for amplification. And then the load current is added to the control loop in the form of feedforward. This control strategy helps to improve the dynamic response speed of the system and enables it to reach a stable state faster. Finally, \(I_{o2} (k)\) and \(I_{o3} (k)\) are obtained, which are used to solve Eq. (14) and obtain the final phase shift duty cycle as the control variables for the next switching cycle, achieving independent voltage control of the two ports.
Simulation results and analysis
In order to verify the optimization and control effect of the model predictive control strategy for the TAB converter, a circuit model of the TAB converter is built in MATLAB/Simulink to compare the power decoupling function and dynamic performance of traditional single voltage closed-loop control, diagonal matrix decoupling control, and MPC. The three control methods use the same simulation parameters of circuit model, as shown in Table 2.
The load resistance of port 2 sudden change
In the experiment that suddenly increases the load resistance of port 2, the input voltage of port 1 is set to 60 V, the reference voltage of port 2 is set to 24 V, and the reference voltage of port 3 is set to 48 V. At 0.05 s, the load resistance of port 2 is stepped from 10 to 12 Ω. Observe the voltages and currents of port 2 and port 3 under three different control methods.
As shown in Fig. 9, under traditional single voltage closed-loop control, the dynamic response time of the TAB converter is relatively long, which is about 35 ms, and there is severe power coupling between ports 2 and 3. When the load resistance of port 2 suddenly increases at 0.05 s, not only does the voltage RMS of port 2 fluctuate with an instantaneous amplitude of about 0.7 V, but also due to the influence of power coupling, the voltage RMS and current RMS of port 3 also respectively produce instantaneous disturbances of about 0.6 V and 0.03 A. Compared with traditional PI control, the dynamic response speed of diagonal matrix decoupling control has not improved, which is still about 35 ms, and the voltage RMS at port 2 also fluctuates with an instantaneous amplitude of about 0.4 V. However, it effectively weakens the power coupling between ports 2 and 3, the voltage RMS and current RMS instantaneous fluctuations of port 3 are very small, which are 0.2 V and 0.0125 A. Under MPC, the dynamic response time of the TAB converter is less than 1 ms, and the voltage RMS instantaneous fluctuation amplitude of port 2 is very small, which is only 0.126 V and can be almost ignored. Moreover, the voltage and current of port 3 remain stable and unaffected. It can be clearly observed that the power decoupling effect of MPC is better than that of diagonal matrix decoupling control, indicating its superiority in improving dynamic response performance and decoupling effect.
The dynamic response times and the amplitude of voltage and current fluctuations for each method when the load resistance of port 2 suddenly increases as shown in Table 3.
In order to verify the rationality of the control method, the experiment that suddenly decreases the load resistance of port 2 is necessary to conduct. At 0.15 s, restore the load resistance of port 2 from 12 to 10 Ω, and still observe the voltages and currents of port 2 and port 3 under three different control methods.
The conclusion of Fig. 10 is similar to Fig. 9. Both traditional PI control and diagonal matrix decoupling control have slower dynamic response speeds which are 25 ms and 20 ms respectively. Under traditional PI control, when the load resistance of port 2 suddenly decreases, the voltage RMS instantaneous fluctuation of port 2 is about 0.7 V, at the same time, the voltage RMS and current RMS of port 3 respectively produce instantaneous disturbances of about 0.8 V and 0.05 A; In diagonal matrix decoupling control, the voltage RMS and current RMS instantaneous fluctuations at port 3 are very small, which are about 0.2 V and 0.013 A. The dynamic response time of the TAB converter under MPC is less than 1 ms, and the voltage and current at port 3 are always in a stable state, greatly improving dynamic control performance of the TAB converter between each port.
The dynamic response times and the amplitude of voltage and current fluctuations for each method when the load resistance of port 2 suddenly decreases as shown in Table 4.
The load resistance of port 3 sudden change
At 0.1 s, reduce the load resistance of port 3 from 22 to 19 Ω, and observe the voltages and currents of port 2 and port 3 under three different control methods.
As shown in Fig. 11, under traditional single voltage closed-loop control, the voltage RMS instantaneous fluctuation of port 3 is about 1 V. Meanwhile, port 2 is affected by power coupling, so the voltage and current RMS instantaneous fluctuations are about 0.7 V and 0.07 A. Compared with traditional PI control, the dynamic response speed of diagonal matrix decoupling control has not improved, which is still about 20 ms. Though the voltage RMS of port 3 also instantaneous fluctuates about 0.6 V, it effectively weakens the power coupling between port 2 and port 3 and the voltage RMS and current RMS instantaneous fluctuations of port 2 are very small, which are 0.25 V and 0.025 A. Under MPC, the dynamic response time of the TAB converter is less than 1 ms, and the voltage RMS instantaneous fluctuation amplitude of port 3 is very small and almost negligible. Moreover, the voltage and current of port 2 remain stable and unaffected. It can be clearly observed that the power decoupling effect of model predictive control is better than that of diagonal matrix decoupling control, indicating its superiority in improving dynamic response performance and decoupling effect.
The dynamic response times and the amplitude of voltage and current fluctuations for each method when the load resistance of port 3 suddenly decreases as shown in Table 5.
The experiment that suddenly imcreases the load resistance of port 3 is also necessary to conduct. At 0.2 s, restore the load resistance of port 3 from 19 to 22 Ω, and still observe the voltages and currents of port 2 and port 3 under three different control methods.
The conclusion of Fig. 12 is similar to Fig. 11. Both traditional PI control and diagonal matrix decoupling control have slower dynamic response speeds. Under traditional PI control, when the load resistance of port 3 suddenly increases, the voltage RMS instantaneous fluctuation of port 2 is about 0.7 V; In diagonal matrix decoupling control, the voltage RMS instantaneous fluctuation of port 3 is about 0.6 V and the voltage RMS and current RMS instantaneous fluctuations of port 2 are very small, which are 0.25 V and 0.03 A. Through MPC, the dynamic response time of the TAB converter is reduced to less than 1 ms. Even there is a sudden change of the load resistance at port 3, the voltage and current at port 2 remain stable and not affected by interference.
The dynamic response times and the amplitude of voltage and current fluctuations for each method when the load resistance of port 3 suddenly increases as shown in Table 6.
The impact of load sudden changes on the converter HF AC links currents during transients
As shown in Fig. 13, when the load suddenly increases, the HF AC links current of port 1 and port 2 suddenly decrease, while the HF AC links current of port 3 suddenly increases. When the load suddenly decreases, the HF AC links current of port 1 and port 2 suddenly increase, while the HF AC links current of port 3 suddenly decreases.
The simulation of MPC system in changes of model parameters
The modified model parameters are shown in Table 7.
As shown in Fig. 14, when \(L_{1}\), \(L_{2}\), and \(L_{3}\) increase, the steady-state values of voltage and current at ports 2 and 3 all decrease. Though the load resistance of port 3 sudden decrease, due to MPC and PI closed-loop control, the voltage and current at ports 2 and 3 ultimately maintain stability, which proved the effectiveness of MPC strategy.
Experimental verification
To verify the feasibility and control effectiveness of the proposed model predictive control strategy based on TAB converter, this paper builds a TAB prototype based on the TMS320F28335 processor for experimental verification and result analysis. The main control chip of the DSP control core board uses TMS320F28335, which is a 32-bit floating-point arithmetic chip with a main frequency of up to 150MHz. It supports high-speed ADC sampling and PWM output. Its 16 ADC sampling channels can provide high-precision sampling of various input signals, and 6 out of 18 PWM output channels are more accurate, which can meet the application scenarios with higher requirements for output waveforms. In addition, the chip also supports SCI and CAN communication interfaces, which are suitable for applications that require high-performance control. It is an ideal choice for the control system in this article. The highest sampling frequency of the oscilloscope used in the experiment is 5 GS/s. All experiments were conducted under standard laboratory conditions. The experimental prototype is shown in Fig. 15, and the prototype parameters are shown in Table 8.
In order to verify the rationality of the control method better, the loads of port 2 and port 3 are alternately changed. Therefore, the experimental testing conditions are set as follows: increase the load resistance of port 2 from 10 to 12 Ω at 0.05 s, then reduce the load resistance of port 3 from 22 to 19 Ω at 0.1 s. After that, restore the load resistance of port 2 from 12 to 10 Ω at 0.15 s, and then restore the load resistance of port 3 from 19 to 22 Ω at 0.2 s. The experimental waveforms describing the dynamic process of output voltages and currents are compared under three different control methods.
Figure 16 shows the experimental waveform of alternating load switching between port 2 and port 3 under traditional single voltage closed-loop control. Figure 16a shows a sudden increase one the load resistance of port 2 at 0.05 s. From the experimental results, it can be seen that the dynamic response time of the system is relatively long, requiring 35 ms to reach a stable state. Moreover, during the load shedding process, it not only affects the voltage RMS of port 2 itself, generating an instantaneous fluctuation which is about 0.7 V, but also affects port 3, indicating strong power coupling between port 2 and port 3. The voltage RMS and current RMS of port 3 exhibit instantaneous disturbances which are about 0.6 V and 0.03 A. The experimental results in Fig. 16b show that when the load resistance on port 3 suddenly decreases, the response time of the converter is about 25 ms, which reflects the longer time required for the system to reach a new stable state after the load changes. In addition, the voltage RMS and current RMS of port 2 generate instantaneous disturbances which are approximately 0.7 V and 0.07 A. This indicates that although the load change only occurs at port 3, the output of port 2 is also significantly affected due to power coupling within the system. Figure 16c shows that when the load on port 2 is suddenly reduced at 0.15 s, the dynamic response time is still very long, which is about 25 ms. Not only does the voltage RMS on port 2 fluctuate with an instantaneous amplitude which is about 0.7 V, but port 3 also generates instantaneous disturbances which are about 0.8 V and 0.05 A in voltage RMS and current RMS. Figure 16d shows a sudden increase on the load of port 3 at 0.2 s, resulting in a dynamic response time which is approximately 25 ms for the converter. At the same time, the voltage RMS of port 3 instantaneously fluctuates approximately 1.1 V, while the voltage RMS and current RMS also experience instantaneous disturbances of approximately 0.7 V and 0.07 A. The summary of experimental results shows that the dynamic response performance of traditional single voltage closed-loop control is poor, and there is also a serious power coupling problem, which is consistent with the simulation results.
Figure 17 shows the experimental waveform of alternating load switching between port 2 and port 3 under diagonal matrix decoupling control. It can be seen from the figure that diagonal matrix decoupling control can effectively weaken the power coupling between port 2 and port 3. Figure 17a shows a sudden increase on the load resistance of port 2 at 0.05 s. Compared to traditional single voltage closed-loop control, the dynamic response time under diagonal matrix decoupling control has not improved, which is about 35 ms. The voltage RMS on port 2 also fluctuates with an instantaneous amplitude which is about 0.4 V, but it effectively weakens the power coupling between ports 2 and 3 and the voltage RMS and current RMS instantaneous fluctuations on port 3 are 0.2 V and 0.125 A. Figure 17b shows the sudden reduction of the load on port 3 at 0.1 s. Under this control, the dynamic response time of the TAB converter is about 20 ms, and the voltage RMS of port 3 also fluctuates with an instantaneous amplitude which is about 0.6 V. However, the voltage RMS and current RMS instantaneous fluctuations of port 2 are very small, which are 0.25 V and 0.025 A. Figure 17c shows that when the load on port 2 is suddenly reduced at 0.15 s, the dynamic response time of the TAB converter is about 20 ms, and the voltage RMS on port 2 also fluctuates with an instantaneous amplitude of about 0.4 V. However, the voltage RMS and current RMS instantaneous fluctuations on port 3 are very small, which are 0.2 V and 0.013 A. The experimental data in Fig. 17d shows that when the load on port 3 suddenly increases, the dynamic response time of the system is about 24 ms, and the voltage RMS instantaneous fluctuation of port 3 is about 0.6 V. The voltage and current RMS instantaneous fluctuations of port 2 during load shedding are very small, which are 0.25 V and 0.03 A. This result indicates that diagonal matrix decoupling control effectively weakens the power coupling between ports 2 and 3, allowing each port to operate independently with minimal mutual influence. The summary of experimental results shows that the dynamic response performance of diagonal matrix decoupling control is still very poor, but it effectively weakens the power coupling problem between each port.
Figure 18 shows the experimental waveform under MPC. It can be seen from the figure that MPC can greatly improve the dynamic response speed of the converter. Figure 18a shows a sudden increase on the load resistance of port 2 at 0.05 s. Figure 18b shows a sudden decrease on the load resistance of port 3 at 0.1 s. Figure 18c shows a sudden decrease on the load resistance of port 2 at 0.15 s. And Fig. 18d shows a sudden increase on the load resistance of port 3 at 0.2 s. It can be observed from the figure that the dynamic response time of the TAB converter in all four dynamic processes are less than 1ms, and the voltage RMS instantaneous fluctuation of the load shedding port is only about 0.1 V. Moreover, the other ports are never affected, and their voltage and current remain stable.
The summary of experimental results shows that traditional single voltage closed-loop control has serious coupling problems. Diagonal matrix decoupling control can effectively weaken power coupling, but the dynamic responses of these two methods are poor. The model predictive decoupling control strategy proposed in this paper can effectively decouple the power of each port, minimizing the impact between each port. This indicates that even when multiple ports work simultaneously, the independence between each port can be maintained, and the stability and reliability of the system can also be improved. And through real-time model prediction and control optimization, MPC can quickly respond to changes in the working state of the system and optimize its dynamic performance.
Conclusions
This article proposes a MPC strategy according to the power coupling problem and dynamic characteristics of TAB converters between each port. PI control is added to this strategy, and the voltage loop adopts current feedforward control. Its phase shift duty cycle is calculated offline. To sum up, MPC strategy has many advantages such as simple control structure and low computational complexity. Compared with traditional single voltage closed-loop control strategy and diagonal matrix decoupling control strategy, the experimental results show that the method proposed in this paper can not only avoid the power coupling problem of the TAB converter, but also achieve fast dynamic response between each port.
Data availability
All data generated or analysed during this study are included in this published article [and its supplementary information files].
References
Suo, Z. W., Li, G. Y., Chi, Y. N. & Wang, W. S. Multi-port DC substation for offshore wind farm integration and its master-slave control. Autom. Electric Power Syst. 39, 16–23. https://doi.org/10.7500/AEPS20140305008 (2015).
Zeng, J. H., He, Z. C., Sun, Z. F. & Zhang, B. L. Research review on multiport converter topology in micro power grid. Distrib. Energy Resources 2, 1–7. https://doi.org/10.16513/j.cnki.10-1427/tk.2017.06.001 (2017).
Affam, A. & Buwig, Y. M. A review of multiple input DC-DC converter topologies linked with hybrid electric vehicles and renewable energy systems. Renew. Sustain. Energy Rev. https://doi.org/10.1016/j.rser.2020.110186 (2021).
Tang, G. F., Luo, X. & Wei, X. G. Multi-terminal HVDC and DC-grid Technology. Chin. Soc. Electr. Eng. 33, 8. https://doi.org/10.13343/j.0258-8013.pcsee.2013 (2013).
Michon, M., Duarte, J. L. & Herdnix, M. A three-port bi-directional converter for hybrid fuel cell systems. In IEEE Annual Power Electronics Specialists Conference, Aachen, Germany, 4736–4742, https://doi.org/10.1109/PESC.2004.1354836 (2004).
Tao, H. M., Kotsopoulos, A. & Duarte, J. L. Transformer-coupled multiport ZVS bidirectional DC-DC converter with wide input range. IEEE Trans. Power Electron. 23, 771–781. https://doi.org/10.1109/TPEL.2007.915129 (2008).
Zhao, C. H., Round, S. D. & Kolar, J. W. An isolated three-port bidirectional DC-DC converter with decoupled power flow management. IEEE Trans. Power Electron. 23, 2443–2453. https://doi.org/10.1109/TPEL.2008.2002056 (2008).
Wang, Y. F., Han, F. Q. & Yang, L. A three-port bidirectional multi-element resonant converter with decoupled power flow management for hybrid energy storage systems. IEEE Access. 6, 61331–61341. https://doi.org/10.1109/ACCESS.2018.2872683 (2018).
Phattanasak, M., Gavagsaz-Ghoachani, R. & Martin, J. Control of a hybrid energy source comprising a fuel cell and two storage devices using isolated three-port bidirectional DC-DC converters. IEEE Trans. Ind. Appl. 51, 491–497. https://doi.org/10.1109/EVER.2013.6521535 (2015).
Kim, S. Y., Song, H. & Nam, K. Idling port isolation control of three-port bidirectional converter for Evs. IEEE Trans. Power Electron. 27, 2495–2506. https://doi.org/10.1109/TPEL.2011.2172225 (2012).
Zhao, C. H. & Kolar, J. W. A novel three-phase three-port UPS employing a single high-frequency isolation transformer. In IEEE Annual Power Electronics Specialists Conference, Aachen, Germany, 4135–4141, https://doi.org/10.1109/PESC.2004.1354730 (2004).
Zhao, C. H., Round, S. D. & Kolar, J. W. An isolated three-port bidirectional DC-DC converter with decoupled power flow management. IEEE Trans. Power Electron. 23(5), 2443–2453. https://doi.org/10.1109/TPEL.2008.2002056 (2008).
Chen, Y. N., Wang, P., Li, H. R., et al. Power flow control in multi-active-bridge converters: Theories and applications. In 2019 IEEE Applied Power Electronics Conference and Exposition (APEC). Anaheim, CA, USA: IEEE, 2019: 1500–1507. https://doi.org/10.1109/APEC.2019.8722122.
Song, J. K., Peng, G. Y., Wang, X. M. & Nian, X. Decoupling control strategy of three-port DC-DC converter based on neural network. Adv. Technol. Electr. Eng. Energy. 38, 20–26. https://doi.org/10.12067/ATEEE1806020 (2018).
Yang, X., Wang, W. & Wang, P. B. Decoupling method of series resonance based three-port DC/DC converter. Power Syst. Technol. 41, 478–485. https://doi.org/10.13335/j.1000-3673.pst.2016.0749 (2017).
Zhao, C., Round, S. D. & Kolar, J. W. An isolated three-port bidirectional DC-DC converter with decoupled power flow management. IEEE Trans. Power Electron. 23, 2443–2453 (2008).
Cortes, P. et al. Predictive control in power electronics and drives. IEEE Trans. Ind. Electron. 55(12), 4312–4324 (2008).
An, F., Song, W. S. & Yang, K. X. Model predictive control and power balance scheme of dual-active-bridge DC-DC converters in power electronic transformer. Proc. CSEE 38(13), 3921–3929 (2018).
An, F. et al. Improved dynamic performance of dual active bridge DC-DC converters using MPC scheme. IET Power Electron. 11(11), 1756–1765 (2018).
Bai, H., Mi, C. W., Chong, W., et al. The dynamic model and hybrid phase-shift control of a dual-active-bridge converter. In Annual Conference of IEEE Industrial Electronics, Orlando, USA, 2008: 2840–2845.
Xiao, Z. M., Chen, Q. H. & Zhang, L. Y. Constrained model predictive control for bidirectional DC-DC converter of electric vehicles. Trans. China Electrotechn. Soc. 33(S2), 489–498. https://doi.org/10.19595/j.cnki.1000-6753.tces.L80683 (2018).
An, F., Song, W. S., Yu, B. & Yang, K. X. Model predictive control with power self-balancing of the output parallel DAB DC–DC converters in power electronic traction transformer. IEEE J. Emerg. Sel. Top. Power Electron. 6(4), 1665–1675 (2018).
Mei, Y., Li, X. Q. & Qi, Y. Y. Model predictive control method for three-level bi-directional DC-DC Converter. Electric Drive 46(02), 36–39. https://doi.org/10.19457/j.1001-2095.2016.02.008 (2016).
Mei, Y., Li, X. Q. & Huang, W. C. Model predictive control method for cascaded bi-directional DC-DC converter. J. Electr. Eng. 12(03), 10–15 (2017).
Funding
National Nature Science Foundation of China (Grant Number: 52167004). Ningxia Hui Autonomous Region Intelligent Equipment and Precision Testing Technology Research and Application Innovation Team (Team Number: 2022BSB03104). Postgraduate Innovation Project of North Minzu University (YCX23127).
Author information
Authors and Affiliations
Contributions
Conceptualization, J.W. and X.Q.; methodology, J.W. and X.Q.; software, R.W. and L.L.; validation, X.Q., L.L. and H.Q.; formal analysis, X.Q.; investigation, L.L.; resources, J.W.; data curation, X.Q.; writing—original draft preparation, X.Q.; writing—review and editing, J.W.; visualization, L.L.; supervision, J.W.; project administration, J.W.; funding acquisition, J.W. All authors have read and agreed to the published version of the manuscript.
Corresponding author
Ethics declarations
Competing interests
The authors declare no competing interests.
Additional information
Publisher’s note
Springer Nature remains neutral with regard to jurisdictional claims in published maps and institutional affiliations.
Rights and permissions
Open Access This article is licensed under a Creative Commons Attribution-NonCommercial-NoDerivatives 4.0 International License, which permits any non-commercial use, sharing, distribution and reproduction in any medium or format, as long as you give appropriate credit to the original author(s) and the source, provide a link to the Creative Commons licence, and indicate if you modified the licensed material. You do not have permission under this licence to share adapted material derived from this article or parts of it. The images or other third party material in this article are included in the article’s Creative Commons licence, unless indicated otherwise in a credit line to the material. If material is not included in the article’s Creative Commons licence and your intended use is not permitted by statutory regulation or exceeds the permitted use, you will need to obtain permission directly from the copyright holder. To view a copy of this licence, visit http://creativecommons.org/licenses/by-nc-nd/4.0/.
About this article
Cite this article
Wang, J., Qiao, X., Li, L. et al. Decoupling control strategy of three-port DC–DC converter based on model prediction. Sci Rep 14, 26478 (2024). https://doi.org/10.1038/s41598-024-74814-6
Received:
Accepted:
Published:
Version of record:
DOI: https://doi.org/10.1038/s41598-024-74814-6




















