Abstract
This paper proposes an adaptive output feedback full state constrain (FSC) controller based on the adaptive neural disturbance observer (ANDO) for a nonlinear electro-hydraulic system (NEHS) with unmodeled dynamics. The Barrier Lyapunov Functions (BLFs) are utilized to ensure that all states of the system are specified within the constraints, and the approximation ability of radial basis function neural networks (RBFNNs) is used to cope with the unknown nonlinear functions. An adaptive neural compensation disturbance observer is elaborated to estimate the compound disturbance and oil leakage fault, effectively addressing these negative effects. Subsequently, observer-based output feedback command filter scheme is developed to diminish the explosion of complexity in the taking derivative procedure and obtain high precise tracking performance. The convergence of tracking errors into a small region around the equilibrium is demonstrated by the Lyapunov stability theory. Ultimately, simulation, experiment, and comparative studies are provided to further validate the effectiveness of the proposed control approach.
Similar content being viewed by others
Introduction
Over the past decades, the nonlinear electro-hydraulic systems (NEHS) have been widely integrated and play a crucial role in manufacturing industry application. This is due to their high-power density characteristic, versatility, and reliability. Several traditional applications include agricultural machines1, industrial manipulators2, mechanical excavators3, flight control systems4, hydraulic hybrid vehicle5, and other fields6,7. However, the NEHSs often exhibit strong nonlinearity, uncertainty, external perturbations, and faults which pose significant challenges8,9. These issues considerably impact system stability and impair tracking control performance. As modern control theory advances, an increasing number of control algorithms have been developed to improve NEHS performance in overcoming these challenges.
Various control strategies for nonlinear system have been applied to NEHSs such as PID, backstepping control (BSC), sliding mode control and its variants, optimal robust control, feedback linearization, intelligent control technique, and so on10,11. As a structural design strategy, backstepping control involves establishing intermediate virtual control laws at each step for the first n − 1 subsystems, with the final control law designed in the last step, this method commonly adopted in NEHSs12. In13,14, an integrated controller uses the advantages of RBFNN and backstepping approach was investigated for the NEHSs. Deng et al.15,16 incorporated robust integral of the sign of the error feedback into the adaptive backstepping design for NEHS, enabling high-performance tracking without the need for velocity measurement. Nonetheless, the backstepping control approach faces the ‘‘explosion of complexity (EXC)’’ issue, caused by the repeated time derivatives of the virtual control law, particularly in NEHSs with third- or fourth-order dynamics. To tackle the above problem, the command-filtered control (CFC), known as a variant of the backstepping technique, has been introduced. Specifically, the command filter is used to compute the virtual’s derivative whilst the compensation error signal is designed to decrease error caused by the command filters17,18. Different from modified backstepping control, the integration of CFC with RBFNN for NEHSs to handle unknown system dynamics and the EXC problem remains an open area of research in the development of advanced control methods.
In theoretical aspects, full states constraint (FSC)-based controller, often addressed in high-accuracy tracking, ensures that the continuous output states remain within predefined bounded sets. Several studies have explored FSC19,20,21,22. To ensure that system variables adhere to predetermined constraints, a prescribed performance function (PPF) is developed to guarantee the constraint of tracking errors, while a barrier Lyapunov function (BLF) is employed to constrain the system’s output state23,24. However, fewer results are available on FSC for tracking control of NEHSs. The authors in25 suggested a BLF-based backstepping control to handle the constant asymmetric constraints for the NEHS. The improved BLF with time-varying constraint-based BSC was applied to the electro-hydraulic active suspension system26. Xu et al. introduced a combined BLF and PPF-based backstepping control to address both system output constraints and the desired boundaries of tracking errors27. Additionally, an enhanced BLF incorporating both system states and errors was proposed to reduce the conservatism of the control approach, enabling symmetric and asymmetric tracking error constraints in typical NEHSs28. Nevertheless, the application of BLF-based CFC-NN for achieving FSC in NEHSs under compound perturbations and oil leakage faults has been scarcely addressed in practical perspectives.
To handle the adverse effects of external perturbations and oil leakage faults, disturbance observer (DO)-based control scheme is an effective tool. Numerous observers have been introduced in recent years. For example, nonlinear disturbance observer29,30, extended sliding mode observer31, extended state observer32,33, adaptive observer34, time delay estimation35, exact disturbance estimators36, are synthesized for the NEHSs to approximate the compound disturbance. The estimated value obtained from DO will be compensated, then, reducing the influence of the compound disturbance. In29,31, high-gain DO-based command filtered backstepping control schemes were deployed to address unknown external disturbances in the nonlinear system. The adaptive DO-based CFC schemes with exact estimation performance were employed to handle the matched and mismatched disturbances in34. In30,32,33,35, the authors applied disturbance attenuation to estimate the lumped disturbance, including external perturbation and the bias fault. and enhance the ability of controllers. However, the DOs in previous works were designed based on the full knowledge of the nonlinear system model. Developing a disturbance observer (DO) for systems with unknown dynamics requires further investigation.
In this article, the above-mentioned problems are tackled. An ANDO-based adaptive command-filter with FSC (ANDO-CFC-FSC) tracking control approach is designed for the NEHSs in both theoretical and practical perspectives. To perform the presented control strategy, the mathematical model of a NEHS is first formulated. In the control design, the BLF is applied to constraint the output system state avoiding the violation. In addition, the RBFNN is combined with the command filter control scheme, in which the RBFNN is used to handle unknown system dynamics whilst the CFC is developed to attenuate the EXC problem. Moreover, an adaptive neural disturbance compensator is synthesized to estimate and compensate for compound disturbance, oil leakage fault, and NN approximation error. Theoretical result implies that the proposed ANDO-CFC-FSC guarantee specified performance tracking non-violating the predefined time-varying constraints and system stability. In comparison with the existing articles, the main innovations of this study can be presented as follows:
1) For the first time, this article presents the ANDO-CFC-FSC strategy for NEHS to address compound disturbances, unknown nonlinear functions, and internal oil leakage faults, making it more suitable for real-world applications.
2) The integration of the radian bias function neural networks with disturbance observer approach is developed to completely weaken the influences of the oil leakage fault and unknown system dynamics in the NEHS.
3) Compared with previous works analyzed in26,28,35, the suggested FTC strategy based on the composite CFC and BLF technique, is implemented to enrich the high-precision tracking performance with FSC, less complex computation against faults and uncertainty. Additionally, the effectiveness of the proposed ANDO-CFC-FSC method is demonstrated through both simulation and experimental analysis.
The rest of this paper is organized as follows: A problem description of the NEHS is formulated in Sect. "Preliminaries and system description". The proposed ANDO-CFC-FSC is given in Sect. "Controller design". Section "Simulation results" provides the simulation verification whilst the experimental setup and results are exhibited in Sect. "Experimental setup and results". Finally, Sect. "Conclusion" concludes the article and highlights future directions for research.
Preliminaries and system description
The sketch of the NEHS with oil leakage faults is illustrated in Fig. 1. The NEHS contains a double rod cylinder, a servo valve, a hydraulic pump, a relief valve, an oil tank, and measurement system.
The dynamic equations, known as, Newton’s second law, pressure dynamics, and load flow rate, are formulated as follows13,15:
where zp, M, and K describe the piston’s displacement, inertia load mass, and viscous damping coefficient; \(d( \bullet )\)defines the disturbance terms, for instance, external load, nonlinear friction; Ps, P0, and PL = Pa – Pb represent, in turn, the supply pressure, return pressure, and the load pressure, with Pa, Pb being the pressure of the left and right chambers; kt is a servo-valve’s proportional gain, and sign(•) is the standard signum function; βe and A are the Bulk elastic modulus and an effective area of cylinder; RL, rL and Vc are the load flow rate, the internal leakage and a controlled volume of the cylinder, respectively. The time-varying deviation model, RLi, accounts for uncertainties, lumped modeling errors, and other factors.
The internal oil leakage of the double cylinder including the oil leakage fault can be represented as follows18,30:
where C0 and Cf define the nominal coefficient and the time-varying internal oil leakage fault (ILF). Cf with time profiles is formulated by
where T0, α, and Cf0 denote, in turn, the unknown time that a fault occurs, the unknown fault evolution rate, and the oil leakage fault coefficient.
Choosing\({\mathbf{z}}={[{z_1},{z_2},{z_3}]^T} \triangleq {[{z_p},{\dot {z}_p},\frac{{A{P_L}}}{M}]^T}\) as the state variables. From Eq. (1) to (3), the NEHS with actuator faults can be established as follows:
where.
\({f_2}= - \frac{K}{M}{z_2},{d_1}=\frac{d}{M},{f_3}= - \frac{{4{\beta _e}{C_0}}}{{{V_c}}}{z_3} - \frac{{4{\beta _e}{A^2}}}{{M{V_c}}}{z_2},\)
\({\varphi _3} = \frac{{4A{\beta _e}{k_t}}}{{M{V_c}}}\sqrt {{P_s} - \frac{M}{A}{z_3}sign\left( u \right)} ,{d_2} = \frac{{4A{\beta _e}}}{{M{V_c}}}{R_{Li}} - {\varphi _3}\frac{{4A{\beta _e}{C_f}}}{{M{V_c}}}\sqrt {\left| {{P_L}} \right|} sign\left( {{P_L}} \right).\)
Lemma 1
29: There exists any constant Θ ∈ R, satisfying |Θ| < 1; the following inequality is invoked:
Lemma 2
37: For any unknown nonlinear function fi(t), RBFNNs are deployed to approximate these unknown functions as follows:
where Wi, εi, and φi are, in turn, the ideal weight, the approximation error, and Gaussian function.
where zin defines the input vector of NN, j = 1, …, N, N denotes the number of the basic functions; ωj and bj represent the center and width of the Gaussian function.
The estimated value of fi can be calculated by
where\({\tilde {f}_i},{\tilde {W}_i},\,\,and\,\,{\hat {W}_i}\) define the approximation error of nonlinear function fi, the NN weight estimation error, and the estimated value of the ideal weight of the RBFNN, respectively.
According to Lemma 2, system in Eq. (4) can be re-expressed as follows:
where ζ1 = d1 + ε2 and ζ2 = d2 + ε3 are lumped disturbances.
Assumption 1
a) The desired trajectory z1d and its time derivative \({\dot {z}_{1d}}\) are bounded.
-
b)
For NEHSs, the values Pa, Pb, and |PL| is sufficiently lower than Ps.
-
c)
The matched and mismatched disturbances ζ1, ζ2 and their first-order derivative \({\dot {\zeta }_1},{\dot {\zeta }_2}\) are bounded by \(\left| {{\zeta _i}} \right| \leqslant {d_{im}},\left| {{{\dot {\zeta }}_i}} \right| \leqslant {\zeta _{im}};i=1,2\), where dim, ζim, > 0. This assumption is reasonable in both practical engineering applications and existing research studies7,23,28.
Remark 1
In this research, the control objective is to design an adaptive neural disturbance observer (ANDO)-based CFC and full state constraints strategy for the plant (9) such that the actual position z1 well follows the reference trajectory z1d to a predefined bounded zone, despite the lumped disturbances and actuator faults.
Controller design
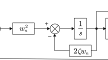
The schematic diagram of the proposed controller is displayed in Fig. 2. In this subsection, an output feedback anti-oil leakage fault controller using filter-based backstepping techniques and disturbance observer for the trajectory tracking control of the NEHS is investigated. Firstly, an ANDO is developed for observing the total lumped disturbance of the NEHS (9). Then, the updated weight law of RBFNN is adopted. Next, combining an asymmetric-time varying barrier function with the estimated disturbance values, the command-filter tracking controller will be designed.
The tracking error states are given as follows:
where αi and \(z_{{i - 1}}^{v}\) denote the filtered signal and the virtual control law, respectively. By utilizing a first-order filter, the filter-based backstepping techniques is defined as follows:
where \({\tau _i}>0;{\alpha _i}\left( 0 \right)=z_{{i - 1}}^{v}\left( 0 \right)\).
Defining vi = ei – ψi are the compensated tracking error, its dynamics can be formulated as follows:
where ψi(0) = 0, bi1 > 0. In case of i = 3, define \({\dot {\psi }_3}= - {b_{31}}{\psi _3},\)b31 > 0.
To obtain the predefined bounded states, a transformation of error coordinates is defined by
where µi.a. and µib are positive constants. Hence, − µi.a. < vi < µib. hi = 1 when vi ≥ 0 and hi = 1 when vi < 0. In addition, the control gain λi for the propose of time-varying barriers are selected as follows:
Step 1: The time derivative of v1 can be represented as follows:
The virtual control law \(z_{1}^{v}\)can be formulated as follows:
where 0 < β < 1, b12 > 0.
The time varying asymmetric barrier Lyapunov function candidate V1 is selected as follows:
According to (13), V1 can be rewritten as follows:
Taking derivative of V1, noting (13) and (15), one obtains:
where \({\sigma _i}=\frac{{{h_i}}}{{\mu _{{ib}}^{2} - v_{i}^{2}}}+\frac{{1 - {h_i}}}{{\mu _{{ia}}^{2} - v_{i}^{2}}},i=1,2,3\).
Applying Young’s inequality: \({v_1}{v_2}{\sigma _1} \leqslant \frac{{{\sigma _1}v_{1}^{2}}}{2}+\frac{{{\sigma _1}v_{2}^{2}}}{2}\) and noting (14), Eq. (19) can be transformed into:
Step 2
Take the derivative of v2 with respect to time, one yields.
The virtual control law \({v_1}{v_2}{\sigma _1} \leqslant \frac{{{\sigma _1}v_{1}^{2}}}{2}+\frac{{{\sigma _1}v_{2}^{2}}}{2}\)\(z_{2}^{v}\) is designed as follows:
where \({\hat {\zeta }_1}\) denotes the estimated value of ζ1, b21,b22 > 0.
The ANDOs integrating neural network for compound disturbance ζi, i = 1, 2, are formulated as follows:
where Di > 0 defines the observer gain, z4 = ϕ3u, pi denotes the internal variable.
The observation disturbance errors are \({\tilde {\zeta }_i}={\zeta _i} - {\hat {\zeta }_i},i=1,2\). Differentiating \({\tilde {\zeta }_i}\) with respect to time, one yields:
The weight update law of RBFNN can be adopted as follows:
where ηi > 0 defines the learning rate of NN.
The time varying asymmetric barrier Lyapunov function candidate V2 is adopted as follows:
The time derivative of V2 is computed as follows:
Applying Young’s inequality, one yields:
Substituting inequalities (20) and (28) into (27), and noting (14), Eq. (27) can be transformed into:
Step 3
Take the derivative of v3 with respect to time, one obtains.
The actual control law u of suggested controller is derived as follows:
where b31,b32 > 0.
The time varying asymmetric barrier Lyapunov function candidate V3 is adopted as follows:
The first derivative of V3 is computed as follows:
Applying Young’s inequality, one yields:
Substituting inequalities (29) and (34) into (33), and noting (14), Eq. (33) can be transformed into:
Theorem 1
For the NEHS (9), following to Assumption 1, the virtual control law (16), (22), the final control law (31), the error compensation mechanisms (12), the adaptive neural disturbance observer (23) integrated the NN adaptation law (25), guarantee that all signals, for instance, tracking errors, compensation error signal, observation disturbance errors, neural network approximation error, of the controlled system are bounded within certain time.
Proof
Based on ABLFs V1, V2, and V3 in the design procedure, a Lyapunov function is considered as follows:
Its description for the time derivative can be expressed as follows:
According to Lemma 1, we have
Inserting inequalities (38) into (37), (37) becomes
where.
\(\begin{gathered} \chi =\hbox{min} \left( {2{\lambda _{\hbox{min} }}\left( {{b_{i1}}} \right),{\lambda _{\hbox{min} }}\left( {{\eta _j} - {D_{j - 1}}} \right),{\lambda _{\hbox{min} }}\left( {{D_l} - 2} \right)} \right),i=1,2,3,j=2,3,l=1,2 \hfill \\ \Gamma =\sum\limits_{{i=2}}^{3} {\left( {\frac{{{\eta _i}}}{2}{{\left\| {{W_i}} \right\|}^2}} \right)} +\sum\limits_{{i=1}}^{2} {\left( {\frac{{\zeta _{{im}}^{2}}}{2}} \right)} \hfill \\ \end{gathered}\)
Then, (39) can be presented as follows:
From (40), it is concluded that variables γ1, γ2, γ3, \({\tilde {W}_2},{\tilde {W}_3},{\tilde {\zeta }_1},{\tilde {\zeta }_2}\)are bounded. Furthermore, based Lemma 1, the inequalities |γi| < 1, i = 1, 2, 3 is satisfied, it implies that − µi.a. < vi < µib hold. Subsequently, the tracking error ei will come to a small region around the equilibrium when ψi is bounded according to38. Hence, the proof of Theorem 1 has been completed.
Simulation results
Simulation settings
To examine the enhanced efficiency of the proposed ANDO-CFC with FSC methodology, simulation and experiment studies are performed for the NEHS under faults, and uncertainty by utilizing MATLAB/Simulink (R2022a version). The target trajectory is conducted as follows:
The element values of the NEHS are presented in Table 135.
To evaluate the superiority and feasibility of the suggested ANDO-CFC with FSC method in the numerical simulation and experiments. Three control strategies are given as comparison methods.
BSCTDE: This is the strategy suggested in our previous paper based on backstepping control integrated time delay estimation. The control law is designed as follows25:
ACFCNN with FSC: This is the strategy based on command-filter control integrated the NN approximator and BLF. The control law is designed by the virtual control law (16), (22), the final control law (31), the error compensation mechanisms (12), and the NN adaptation law (25).
The proposed controller is ANDO-CFC with FSC that is presented in this paper. The proposed controller and relevant controller’s parameters are cautiously regulated and displayed in Table 2.
To assess the improve performance of the suggested methodology under unknown nonlinear function and disturbance, and oil leakage fault conditions, the mismatched disturbance condition is added from 10 to 20s. The matched disturbances are conducted from 0 to 15s. Then, the oil leakage fault condition is performed from 15 to 30s. Three performance indicators are quantitatively evaluated the effectiveness of ANDO-CFC with FSC as follows: (1) the integral of square error (ISE), (2) the maximal deviation of tracking error (MDE), and (3) Standard deviation of tracking error (SDE). The computation methods for ISE, MDE, and SDE are described as follows:
where N defines the number of the sampled signals, χ denotes the average tracking error.
Statistical analyses of ISE, SDE, and MAE provide valuable insights into several aspects of the proposed ANDO-CFC with FSC. These indices offer quantitative measures to assess the system’s stability, evaluate control accuracy, and determine its ability to manage disturbances and interferences. When these indices are low, it reveals that the tracking error is smaller, the control qualification is better. Through the analysis of ISE, MDE and SDE, researchers can gain a comprehensive understanding of the control performance of ANDO-CFC with FSC under varying conditions.
Simulation evaluation
In this part, the disturbance ζ1(t) is introduced as a square waveform with an amplitude of 2, which is relatively significant, strengthening the credibility of the simulation study. For the ILF, the ILF coefficient used in simulation is 1.5 × 10-8. The simulation results, shown in Figs. 3, 4, 5, 6 and 7, include the actual and target positions, position tracking errors, and control action signals. Figure 3 demonstrates that the system states remain within the time-varying constraints, and all three control approaches successfully stabilize the output position to the reference values. However, Fig. 4 reveals that the proposed ANDO-CFC with FSC controller achieves the smallest tracking error compared to the other controllers in the presence of matched disturbances (0 to 15s), mismatched disturbance (10 to 20s), and ILF (15 to 30s). Especially, the tracking errors of ACFCNN and BSCTDE have a significant change when the ILF occurs. This is because the ACFCNN controller lacks disturbance compensation, while the BSCTDE cannot adapt to or learn from model uncertainties. The combination of ANDO, RBFNN, and CFC techniques in the proposed methodology ensures significantly enhanced performance compared to the other two controllers. Figure 5 shows that the control effort signals in all three scenarios remain continuous. These control signals vary significantly depending on the different operating conditions.
Figure 6 illustrates the compound disturbances, ζ1(t) and ζ2(t), showing that the proposed ANDO demonstrates resilient performance, as the original disturbances ζi(t) (i = 1, 2) closely match their estimations. This estimated disturbance is fed into the main controller, enabling the proposed method to effectively suppress time-varying disturbances. From the perspective of disturbance estimation, the results further validate the necessity of ANDO. Meanwhile, the weight update law of the RBFNN, shown in Fig. 7, highlights its convergence in approximating the unknown nonlinear function. As a result, the ANDO-CFC-FSC controller achieves precise tracking and superior performance.
Furthermore, the three performance indicators of three controllers are shown in Fig. 8. We can observe from Fig. 8, the ISE indicators are 0.5745, 0.3328, and 0.0921 whilst the MAE indicators are 1.3093, 0.8238, and 0.2291 for the BSCTDE, ACFCNN, and proposed controller, respectively. These indicator values show that the ISE, SDE, and MDE of the proposed ANDO-CFC-FSC strategy are lower than those of the other two strategies under various conditions, providing better accuracy and more stable performance.
Experimental setup and results
The actual electro-hydraulic system platform illustrated by the block diagram in Fig. 1 is depicted in Fig. 9. This testbench comprises a host industrial computer integrated MATLAB/Simulink, a national instruments PCI-6014 multifunction data acquisition device, interface card, a position sensor, two pressure sensors, and a servo valve. The proposed control algorithm is embedded in a PCI-6014 card with a sampling rate of 200 Hz for the NEHS. In addition, the hydraulic pump is driven by a 3.7-kW induction motor, and a relief valve is employed to regulate the NEHS pressure. The double-rod cylinder is deployed to perform target motion. The detailed values of the real NEHS are recorded in Table 1. The aim of the experimental study is to examine the tracking ability of the actual position output in relation to the target trajectory signal of the NEHS, considering disturbances, unknown nonlinear functions, and oil leakage faults, by implementing the proposed ANDO-CFC-FSC strategy.
To assess the performance of the proposed ANDO-CFC-FSC strategy, the target trajectory in (41) is applied for displacement control of the NEHS. In the experiment, the actual output position and load pressure of the asymmetric cylinder are recorded using installed position and pressure sensors. The velocity is measured using a second-order exact differentiation method. The experimental results, shown in Figs. 10, 11, 12 and 13, verify the enhanced performance of the proposed strategy. According to the results in Fig. 10, the actual output position of the NEHS precisely tracks the target trajectory over 30 s. Additionally, the state variable z1 adhered to the predefined time-varying constraint. The tracking errors of the three controllers are illustrated in Fig. 11. The ACFCNN shows sensitivity to the oil leakage fault after 27 s due to its lack of disturbance compensation. The BSCTDE demonstrates more robustness compared to the ACFCNN; however, improved performance is achieved when the proposed ANDO-CFC-FSC algorithm is applied to the NEHS. The control efforts of the three control algorithms are shown in Fig. 12, confirming the smooth behavior and significant adjustments made to handle the effects of disturbances and the oil leakage fault.
In addition, Fig. 13 confirms the ability of the ANDO to observe compound disturbances, approximation errors, and oil leakage faults. Meanwhile, the weight update laws of the neural network (NN) adaptively adjust to address the unknown dynamic problem, as shown in Fig. 14. These results demonstrate the crucial role of the ANDO in the proposed control scheme. In Fig. 15, the ISE, SDE and MDE indicator values for the proposed method, ACFCNN, and BSCTDE are 0.4206, 0.4197 and 0.8168 mm, 1.5795, 1.5786 and 4.2687 mm, 0.7417, 0.7379 and 1.8206 mm, respectively. Compared to the BSCTDE and ACFCNN algorithms, the ANDO-CFC-FSC strategy produces less position tracking error, with ISE and MDE improvements of 73.37%, 67.07% and 80.86%, 43.29%, 43.12%, and 55.13%, respectively. Clearly, the ANDO-CFC-FSC approach provides better tracking accuracy.
According to the comparative simulation and experimental results, the proposed ANDO-CFC-FSC could reveal the outperform tracking performance when it was applied to the mathematical model and actual NEHS.
Conclusion
A novel adaptive neural disturbance observer-based command-filter with full state constraints method is proposed for electro-hydraulic systems under the compound disturbance, oil leakage fault, and unknown nonlinear function. From the mathematical point of view, the adaptive neural disturbance observer requires less system dynamics information. The barrier-Lyapunov functions are applied to achieve predefined output state performance. The FSC and the disturbance estimations are fed by the BLF and ANDO at the same time to the command-filter control scheme. Numerical simulation and experiments have validated the high accuracy, preassigned performance control, and robustness of the proposed strategy. Considering the insufficiency of the NEHS models, future work will be dedicated to enhance the effectiveness of this algorithm with the predefined performance of system state and tracking errors in the presence of sensor faults.
Data availability
The datasets used and/or analysed during the current study available from the corresponding author on reasonable request.
References
Shen, W., Yao, D., Shen, C. & Li, H. Finite-Time Fault-Tolerant Control for Swashplate of Integrated Hydraulic Transformer with Uncertain Mismatched Interference. IEEE Trans. Industr. Electron. 70 (6), 6347–6355 (2023).
Truong, H. V. A. & Chung, W. K. Sliding-Mode-based output feedback neural Network Control for Electro-Hydraulic Actuator Subject to Unknown Dynamics and uncertainties. IEEE Trans. Syst. Man. Cybernetics: Syst. 54 (12), 7884–7896 (2024).
Huo, D., Chen, J., Zhang, H., Shi, Y. & Wang, T. Intelligent prediction for digging load of hydraulic excavators based on RBF neural network, Measurement, vol. 206, (2023).
Liu, J., Yao, J. & Deng, W. Nonlinear robust adaptive control of Electro-hydrostatic actuators with continuous friction compensation. Int. J. Control Autom. Syst. 22 (4), 1225–1237 (2024).
Eckert, J. J., Barbosa, T. P., Silva, F. L., Roso, V. R. & Silva, L. C. A. and L. A. R. Da Silva, Optimum fuzzy logic controller applied to a hybrid hydraulic vehicle to minimize fuel consumption and emissions. Expert Syst. Appl., 207, (2022).
Guo, X., Wang, H. & Liu, H. Adaptive sliding mode control with disturbance estimation for hydraulic actuator systems and application to rock drilling jumbo. Appl. Math. Model. 136, 115637 (2024).
Liu, K. F., Jin, T., Shang, Z. T. & Wang, H. Neural adaptive dynamic surface control of an electro-hydraulic loading system for rail grinders, Nonlinear Dynamics, vol. 112, pp. 14191–14213, (2024).
Phan, V. D., Trinh, H. A. & Ahn, K. K. Backstepping Control of an Electro-Hydraulic Actuator using Kalman Filter, presented at the 2023 26th International Conference on Mechatronics Technology (ICMT), (2023).
Van Du, K. K. A. Phan, Disturbance Observer-based Adaptive FaultTolerant Control of an Electro-Hydraulic Actuator with Output Constraint, The 13th Asian Control Conference (ASCC 2022), Jeju Island, Korea, May 4–7, (2022).
Xu, B., Shen, J., Liu, S., Su, Q. & Zhang, J. Research and Development of Electro-hydraulic Control Valves Oriented to industry 4.0: a review. Chin. J. Mech. Eng., 33, 1, (2020).
Truong, H. V. A., Phan, V. D., Tran, D. T. & Ahn, K. K. A novel observer-based neural-network finite-time output control for high-order uncertain nonlinear systems. Appl. Math. Comput., 475, (2024).
Phan, V. D., Vo, C. P. & Ahn, K. K. Adaptive neural tracking control for flexible joint robot including hydraulic actuator dynamics with disturbance observer. Int. J. Robust Nonlinear Control. 34 (13), 8744–8767 (2024).
Phan, V. D., Vo, C. P., Dao, H. V. & Ahn, K. K. Robust Fault-Tolerant Control of an Electro-Hydraulic Actuator with a Novel Nonlinear unknown Input Observer. IEEE Access. 9, 30750–30760 (2021).
Ba, D. X., Ahn, K. K., Truong, D. Q. & Park, H. G. Integrated model-based backstepping control for an electro-hydraulic system. Int. J. Precis. Eng. Manuf. 17 (5), 565–577 (2016).
Deng, W. & Yao, J. Extended-State-Observer-based adaptive control of Electrohydraulic Servomechanisms without Velocity Measurement. IEEE/ASME Trans. Mechatron. 25 (3), 1151–1161 (2020).
Yao, J., Deng, W. & Jiao, Z. Adaptive control of Hydraulic Systems with Asymptotic Tracking. IEEE Trans. Autom. Sci. Eng. 14 (3), 1524–1531 (2017).
Phan, V. D., Trinh, H. A. & Ahn, K. K. Finite-Time Command Filtered Control for Oxygen-Excess Ratio of Proton Exchange Membrane Fuel Cell Systems with Prescribed Performance, Mathematics, vol. 11, no. 4, (2023).
Phan, V. D., Truong, H. V. A. & Ahn, K. K. Actuator failure compensation-based command filtered control of electro-hydraulic system with position constraint. ISA Trans. 134, 561–572 (Mar 2023).
Xu, Z., Sun, C., Hu, X., Liu, Q. & Yao, J. Barrier Lyapunov function-based adaptive output feedback prescribed Performance Controller for Hydraulic systems with uncertainties Compensation. IEEE Trans. Industr. Electron. 70 (12), 12500–12510 (2023).
Helian, B., Chen, Z. & Yao, B. Constrained Motion Control of an Electro-hydraulic actuator under multiple time-varying constraints. IEEE Trans. Industr. Inf. 19 (12), 11878–11888 (2023).
Wei Liu, H. Z., Wang, Y., Xu, S., Ju, H. & Park Finite-time fuzzy preassigned-performance control for Nonlinear Systems Subject to Asymmetric State-constraints based on Command Filter. IEEE Trans. Syst. Man. Cybernetics: Syst. 54 (11), 6733–6742 (2024).
Liu, M. & Zhang, W. Disturbance observer-based adaptive fuzzy control for pure-feedback systems with deferred output constraints. Nonlinear Dyn. 113, 1401–1418 (2025).
Xu, Z., Liu, Q. & Yao, J. Funnel function-based adaptive prescribed performance output feedback control of hydraulic systems with disturbance observers. ISA Trans. 136, 701–714 (May 2023).
Du Phan, V., Ho, P., Sy & Ahn, K. K. Disturbance attenuation-based global integral sliding Mode Control of an Electro-Hydraulic System with prescribed performance. IEEE Access. 12, 105108–105118 (2024).
Won, D., Kim, W., Shin, D. & Chung, C. C. High-Gain Disturbance Observer-based Backstepping Control with output tracking error constraint for Electro-Hydraulic systems. IEEE Trans. Control Syst. Technol. 23 (2), 787–795 (2015).
Diao, S., Zhao, X., Zhao, D., Dong, Z. & Qin, Y. Active suspension hierarchical control with parameter uncertainty and external disturbance of electro-hydraulic actuators. Appl. Math. Model. 134, 50–70 (2024).
Xu, Z., Deng, W., Shen, H. & Yao, J. Extended-State-Observer-based adaptive prescribed performance control for Hydraulic Systems with full-state constraints. IEEE/ASME Trans. Mechatron. 27 (6), 5615–5625 (2022).
Wan, Y. & Gao, X. Extended-state-observer-based output feedback control for hydraulic systems with performance constraint. Nonlinear Dyn. 112, 18333–18355 (2024).
Yang, G., Wang, H., Chen, J. & Zhang, H. Command filtered robust control of nonlinear systems with full-state time-varying constraints and disturbances rejection, Nonlinear Dynamics, vol. 101, no. 4, pp. 2325–2342, (2020).
Phan, V. D. & Ahn, K. K. Optimized-based Fault-Tolerant Control of an Electro-Hydraulic System with disturbance rejection, Applied Sciences, 12, 18, (2022).
Nguyen, M. H., Dao, H. V. & Ahn, K. K. Extended sliding mode observer-based high‐accuracy motion control for uncertain electro‐hydraulic systems. Int. J. Robust Nonlinear Control. 33 (2), 1351–1370 (2022).
Phan, V. D. & Ahn, K. K. Fault-tolerant control for an electro-hydraulic servo system with sensor fault compensation and disturbance rejection, Nonlinear Dynamics, vol. 111, pp. 10131–10146, (2023).
Xu, Z., Xie, N., Shen, H., Hu, X. & Liu, Q. Extended state observer-based adaptive prescribed performance control for a class of nonlinear systems with full-state constraints and uncertainties, Nonlinear Dynamics, vol. 105, no. 1, pp. 345–358, (2021).
Yang, G., Wang, H. & Chen, J. Disturbance compensation based asymptotic tracking control for nonlinear systems with mismatched modeling uncertainties. Int. J. Robust Nonlinear Control. 31 (8), 2993–3010 (2021).
Phan, V. D., Vo, C. P., Dao, H. V. & Ahn, K. K. Actuator Fault-Tolerant Control for an Electro-Hydraulic actuator using Time Delay Estimation and Feedback Linearization. IEEE Access. 9, 107111–107123 (2021).
Yang, G. & Cui, L. Asymptotic Tracking Control for Mismatched Uncertain Systems with Active Disturbance Rejection, Mathematics, vol. 12, no. 3, (2024).
Yang, G. & Yao, J. Multilayer neurocontrol of high-order uncertain nonlinear systems with active disturbance rejection. Int. J. Robust Nonlinear Control. 34 (4), 2972–2987 (2024).
Li, J., Ji, R., Liang, X., Ge, S. S. & Yan, H. Command Filter-based adaptive fuzzy finite-time output Feedback Control of Nonlinear Electrohydraulic Servo System. IEEE Trans. Instrum. Meas. 71, 3529410 (2022).
Acknowledgements
The authors would like to thank editors and anonymous reviewers for their detailed comments which helped to improve the quality of the paper. This work was supported by “Regional Innovation Strategy (RIS)” through the National Research Foundation of Korea (NRF) funded by the Ministry of Education (MOE) (2021RIS-003).
Author information
Authors and Affiliations
Contributions
Van Du Phan performed the investigation, and methodology, built and validated the NEHS model through simulation and experiment, and wrote the original manuscript. Hoai Vu Anh Truong verified the suggested control strategy and analyzed the methodology by using MATLAB simulation. Van Chuong Le and Sy Phuong Ho supported the NEHS model and methodology in MATLAB simulations and checked the manuscript. Kyoung Kwan Ahn was the supervisors providing funding and administrating the project, and he reviewed and edited the manuscript. All authors have read and agreed to the published version of the manuscript.
Corresponding author
Ethics declarations
Competing interests
The authors declare no competing interests.
Additional information
Publisher’s note
Springer Nature remains neutral with regard to jurisdictional claims in published maps and institutional affiliations.
Rights and permissions
Open Access This article is licensed under a Creative Commons Attribution-NonCommercial-NoDerivatives 4.0 International License, which permits any non-commercial use, sharing, distribution and reproduction in any medium or format, as long as you give appropriate credit to the original author(s) and the source, provide a link to the Creative Commons licence, and indicate if you modified the licensed material. You do not have permission under this licence to share adapted material derived from this article or parts of it. The images or other third party material in this article are included in the article’s Creative Commons licence, unless indicated otherwise in a credit line to the material. If material is not included in the article’s Creative Commons licence and your intended use is not permitted by statutory regulation or exceeds the permitted use, you will need to obtain permission directly from the copyright holder. To view a copy of this licence, visit http://creativecommons.org/licenses/by-nc-nd/4.0/.
About this article
Cite this article
Phan, V.D., Truong, H., Le, V.C. et al. Adaptive neural observer-based output feedback anti-actuator fault control of a nonlinear electro-hydraulic system with full state constraints. Sci Rep 15, 3044 (2025). https://doi.org/10.1038/s41598-025-86583-x
Received:
Accepted:
Published:
Version of record:
DOI: https://doi.org/10.1038/s41598-025-86583-x
Keywords
This article is cited by
-
Appointed time tracking control for marine surface vessels using the novel integral barrier function
Scientific Reports (2025)

















