Table 1 Archaeological wood sample information and preservation status evaluation
Sample information | Preservation status | Microscopic structure photos (transverse section, radial section and section) | Tree species |
|---|---|---|---|
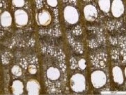
East chamber, bottom floor, coffin No. 2, pit wall side of the chamber. | Moderate degradation |
| Zelkova sp. Ulmaceae |
East chamber, bottom floor, coffin No. 120, top. | Severe degradation |
| Zelkova sp. Ulmaceae |
East chamber, bottom floor, coffin No. 119, top. | Severe degradation |
| Zelkova sp. Ulmaceae |
East chamber, bottom floor, coffin No. 119, sole. | Moderate degradation |
| Zelkova sp. Ulmaceae |
East chamber, bottom floor, coffin No. 120, sole. | Moderate degradation |
| Zelkova sp. Ulmaceae |














