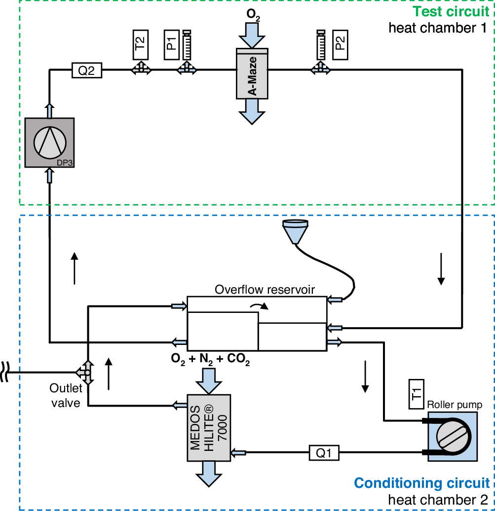
Fig. 2: Schematic of the test setup.

Top: test circuit in heat chamber 1 with the A-Maze-Ox driven by a DP3 rotary pump (MEDOS Medizintechnik AG, Heilbronn, Germany); bottom: conditioning circuit in heat chamber 2 for resetting blood inlet values with a MEDOS HILITE® 7000 oxygenator (MEDOS Medizintechnik AG, Heilbronn, Germany) driven by a roller pump; P1-2: pressure sensors, T1-2: temperature sensors, Q1-2: volume flow sensors.