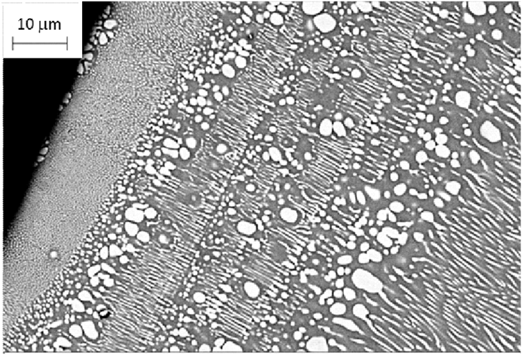
Fig. 15 | npj Microgravity