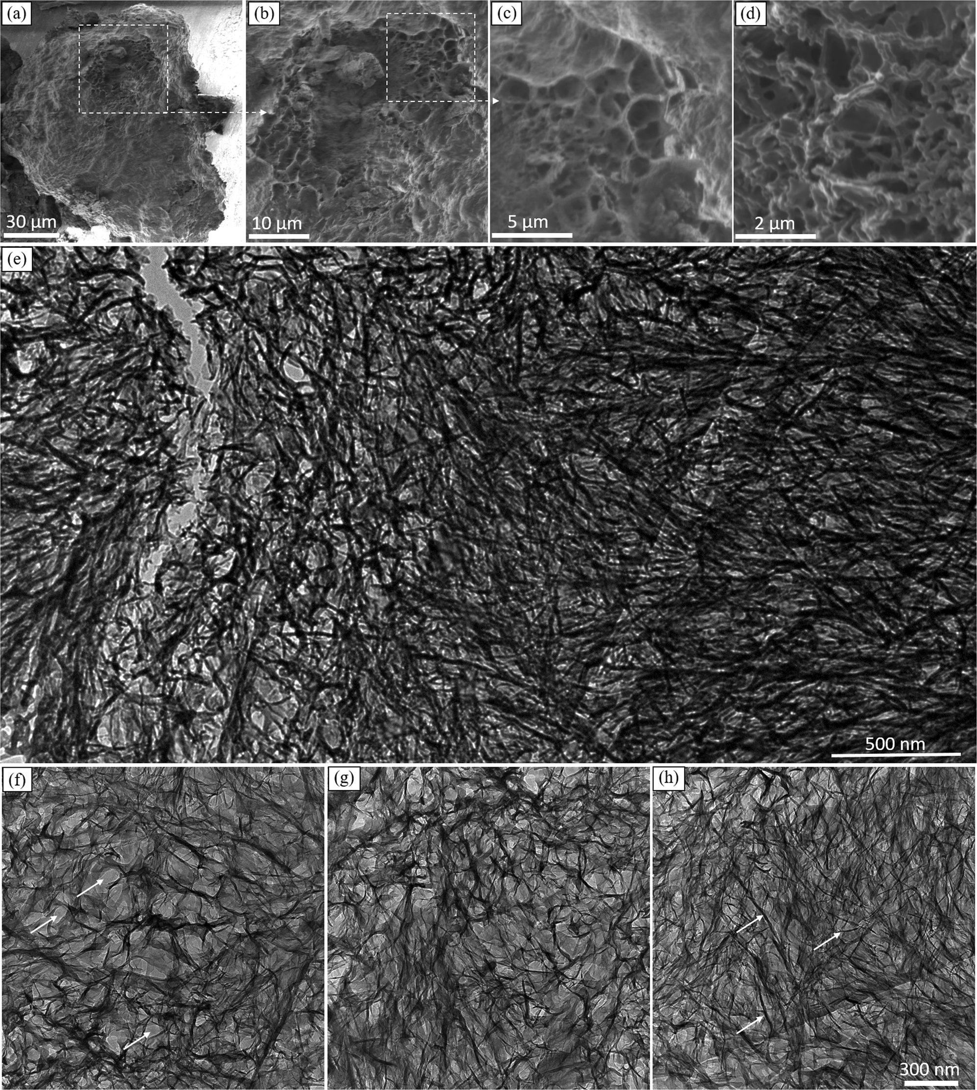
Fig. 1: SEM and BF-TEM images of the corroded CJ8 glass powder (tleach = 7291 days, T = 90 °C, pH@90 = 9).

a A low-magnification SEM image of a corroded CJ8 particle. b, c Magnified images of the regions indicated by the rectangles highlighting the presence of a porous microstructure. d A magnified image from a different particle to show the typical microstructures observed in the SEM images. e A low- magnification TEM image to give an overview of the C–S–H gel formed upon corrosion, and f–h higher- magnification images in different regions of the gel layer highlighting the porosity and the interconnected ligaments/fibrils with low, medium and high fibril density in going from left to right. The arrows in (f) indicate the typical pores and the arrows in (h) indicate the typical ligaments. Image defocus (df) ~4 µm under focus for (e) and ~2 µm under focus for f–h. The scale marker in (h) also applies to (f) and (g).