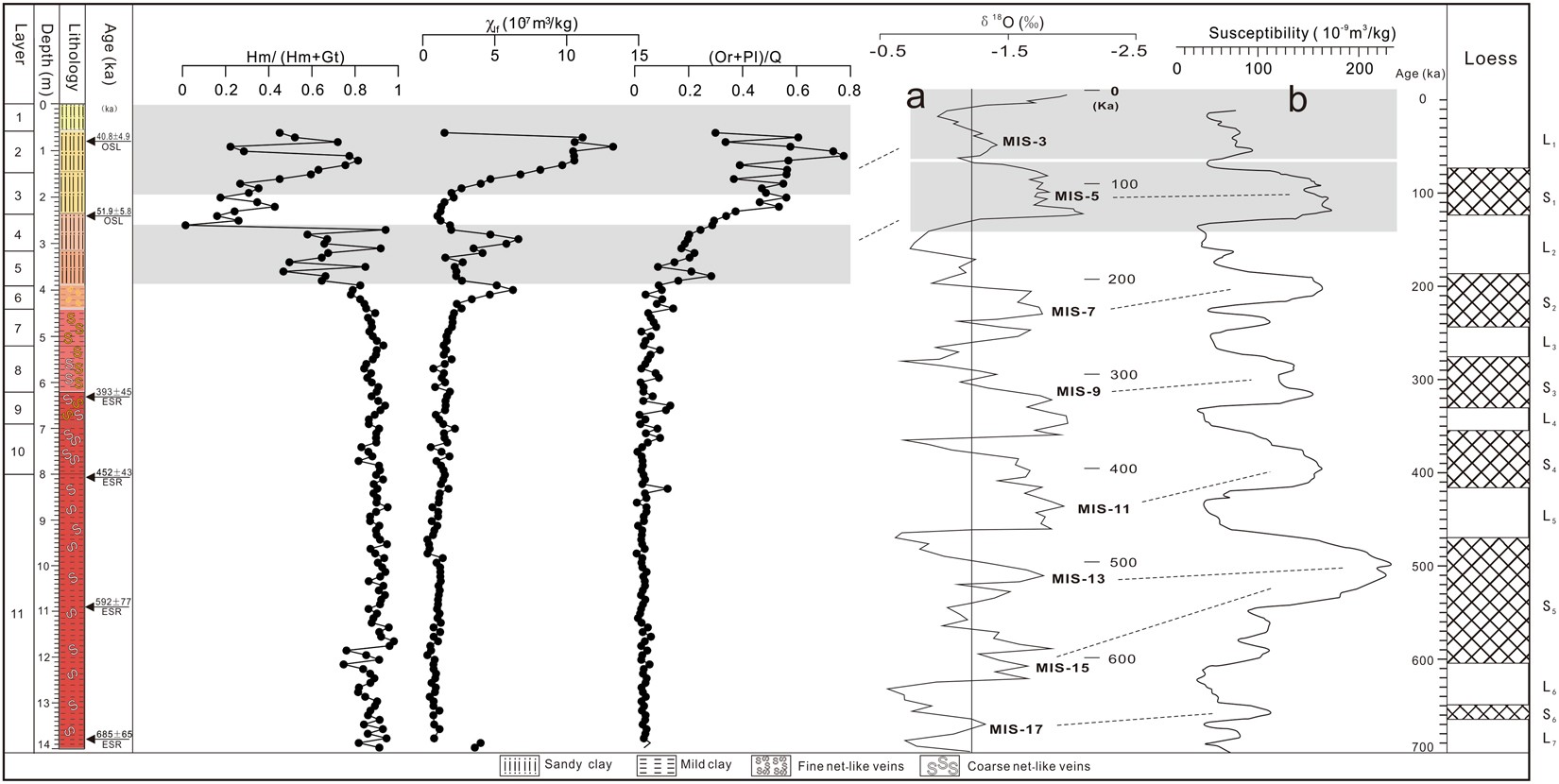
Figure 8

Comparison of proxies for Jiujiang red earth section with (a) δ18O records of the equatorial Pacific Core V28-238 (Shackleton and Opdyke, 1973) and (b) magnetic susceptibility from northern Chinese loess-paleosol sections (an average of data from Luochuan and Xifeng; Kukla et al.56). Ke Yin created this figure using Grapher 9 and CorelDRAW14.