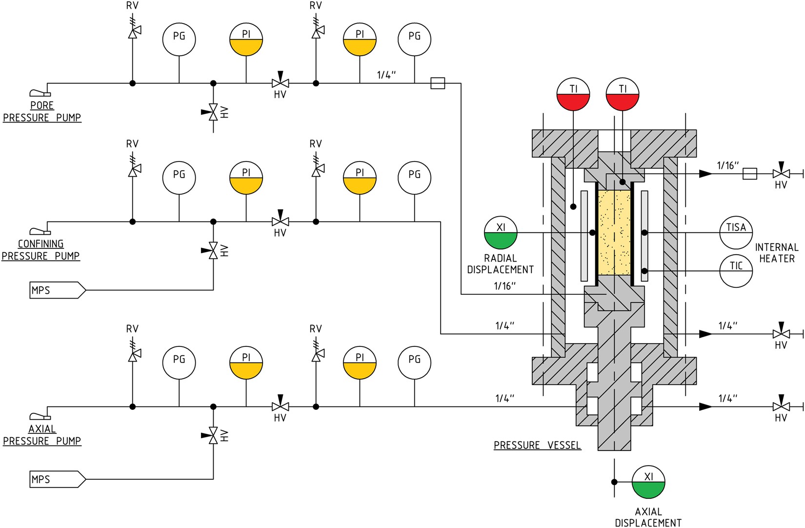
Figure 7
From: Rock Physical Controls on Production-induced Compaction in the Groningen Field

Schematic drawing of a set-up used to perform pore pressure depletion testing using 1′′ diameter samples. The vessels used for testing 1.5′′ diameter samples are similar in design, with the only difference that the axial loading piston is sized to 1.5′′ diameter. The pressure vessel is capable of heating up to 120 °C. The axial pressure (Sax), confining pressure (Srad) and pore pressures (Pp), can be applied up to 110 MPa. Abbreviations used are RV = Relief Valve, HV = Hand Valve, MPS = Mobile Pressurization System, PG = Pressure Gauge, PI = Pressure Indicator, TI = Temperature Indicator, XI = Displacement Indicator, TISA = Temperature Indicator Switch Alarm, TIC = Temperature Indicator Controller.