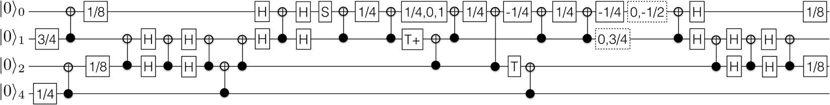
Figure 4

Quantum circuit diagram for the complete quantum artificial life protocol. Squares with a continuous line denote the phase values of u3 gate, while squares with a dashed line denote the phase values of u2 gate, both in units of π. When possible we reduce the expression to the value of θ and avoid writing the additional phases.