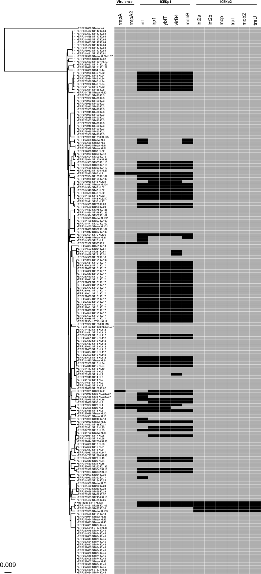
Figure 2

ICEKp2 was recognised in three UK isolates sequenced in two previous studies and appears restricted to closely related sequence types. The core genome phylogenetic tree was generated for 196 K. pneumoniae isolates (from studies described in24,25, as described in Table S2). The sequence type (ST) and capsule synthesis loci (KL) of all isolates is shown including study strain HS11286. The occurrence and co-occurrence of ICEKp1 and ICEKp2 (marker genes) are shown in the heat map to the right (black = present, grey = absent). The virulence associated genes rmpA and rmpA2 were also included in the analysis to determine their correlation with the presence/absence of ICEKp1 and ICEKp2. The scale bar shown at the bottom left represents the average number of substitution per site. The scale bar shown at the bottom left represents the average number of substitutions per site.