Figure 3
From: Modeling and analysis of long booster clustered launch-vehicle

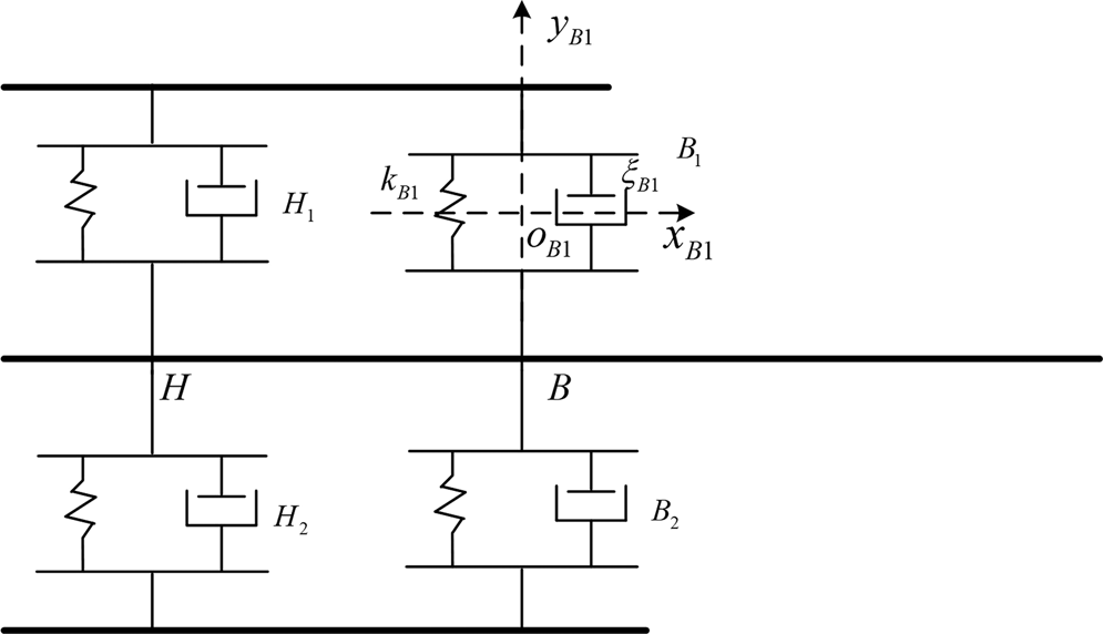
The multi-beam model when considering the connection between core and boosters.
From: Modeling and analysis of long booster clustered launch-vehicle

The multi-beam model when considering the connection between core and boosters.