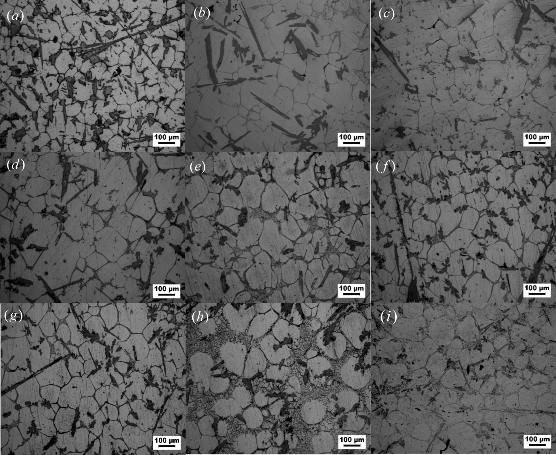
Figure 1
From: Roles of the semisolid heating on the microstructure of a hypereutectic Al–Fe–Cu alloy

Microstructure of Al–Fe–Cu alloy quenched water after semisolid heating for different temperatures and times. (a) At 620 °C for 5 min, (b) at 630 °C for 5 min, (c) at 640 °C for 5 min, (d) at 620 °C for 30 min, (e) at 630 °C for 30 min, (f) at 640 °C for 30 min, (g) at 620 °C for 60 min, (h) at 630 °C for 60 min, (i) at 640 °C for 60 min.