Figure 5
From: Control system research in wave compensation based on particle swarm optimization

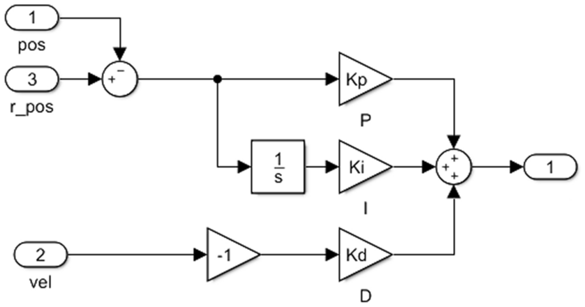
Diagram of PID controller Simulink of wave compensation platform.
From: Control system research in wave compensation based on particle swarm optimization

Diagram of PID controller Simulink of wave compensation platform.