Figure 13

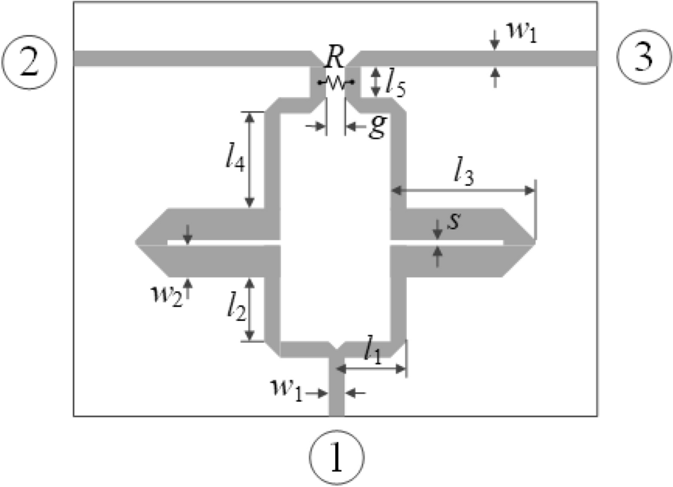
Dual-band equal split power divider57; circuit topology; port marked with numbers in circles. Lumped resistor denoted as R.

Dual-band equal split power divider57; circuit topology; port marked with numbers in circles. Lumped resistor denoted as R.