Figure 10
From: Distribution of cracks in an anchored cavern under blast load based on cohesive elements

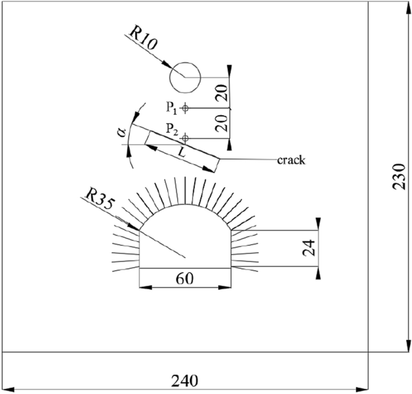
Fracture setting diagram (unit: cm).
From: Distribution of cracks in an anchored cavern under blast load based on cohesive elements

Fracture setting diagram (unit: cm).