Figure 3

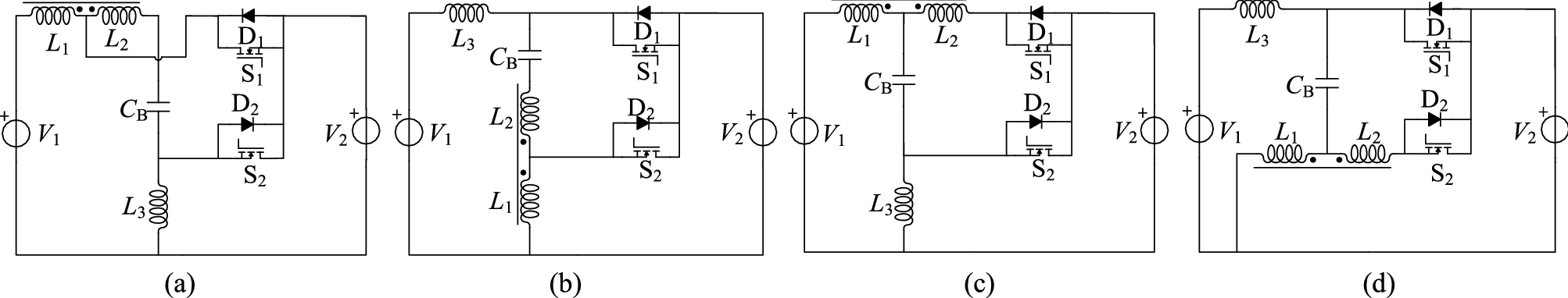
Bidirectional high-gain Cuk circuits are formed by the reverse-direction coupling, (a) S1-tap, (b) S2-tap, (c) CB-tap 1, (d) CB-tap 2.

Bidirectional high-gain Cuk circuits are formed by the reverse-direction coupling, (a) S1-tap, (b) S2-tap, (c) CB-tap 1, (d) CB-tap 2.