Figure 2
From: Effect of DFIG control parameters on small signal stability in power systems

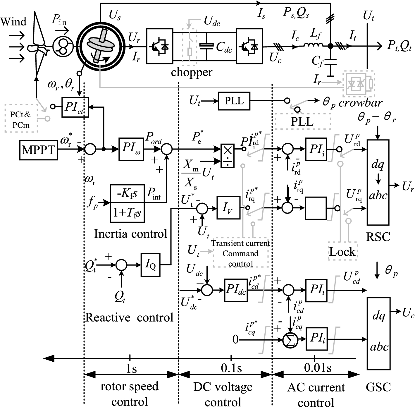
Typical control strategy and multi-scale division for doubly-fed wind turbines.
From: Effect of DFIG control parameters on small signal stability in power systems

Typical control strategy and multi-scale division for doubly-fed wind turbines.