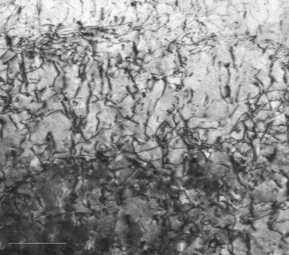
Figure 4

Transmission electron microscope image of shock-compressed iron within the probe depth of the XFEL pulse. The scale bar is 200 nm in length. This image shows high density dislocations, which is the trace of plastic deformation. The estimated dislocation density is of the order of 1015 m−2, while the initial density is of the order of 1012 m−2.