Figure 3
From: A Ka-band one-dimensional beam scanning leaky-wave antenna based on liquid crystal

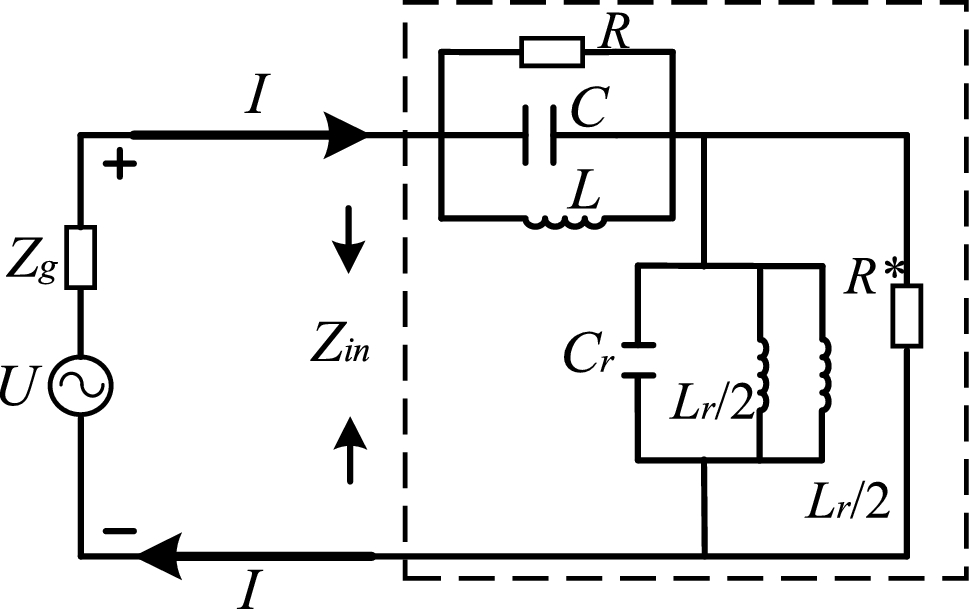
Equivalent circuit diagram of antenna structure.
From: A Ka-band one-dimensional beam scanning leaky-wave antenna based on liquid crystal

Equivalent circuit diagram of antenna structure.