Table 3 Parametrized mathematical models of system components.
Components | Diagram or equivalent circuit | Equations | Refs | Parameters | |
|---|---|---|---|---|---|
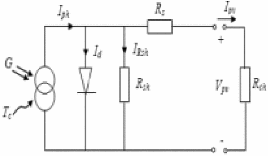
PV generator | \({\text{I}}_{{{\text{pv}}}} = {\text{ n}}_{{\text{p}}} \cdot {\text{I}}_{{{\text{ph}}}} - {\text{n}}_{{\text{s}}} \cdot {\text{I}}_{{{\text{sat}}}} \left( {{\text{e}}^{{\frac{{{\text{q}}\left( {{\text{V}}_{{{\text{pv}}}} + {\text{R}}_{{\text{s}}} \cdot {\text{I}}_{{{\text{pv}}}} } \right)}}{{{\text{n}}_{{\text{s}}} \cdot {\text{A}} \cdot {\text{K}} \cdot {\text{T}}_{{\text{j}}} }}}} - 1} \right) - {\text{I}}_{{{\text{sh}}}}\) | PPV | 80 Wp | ||
Impp | 4.58 A | ||||
Vmpp | 17.5 V | ||||
Isc | 4.95A | ||||
Voc | 21.9 V | ||||
αsc | 3.00 mA/°C | ||||
βoc | − 150.00 V/°C | ||||
Wind turbine | \(\left\{ {\begin{array}{*{20}l} {{\text{P}}_{{{\text{Tb}}}} = \left( {1/2} \right) \cdot {\text{C}}_{{\text{p}}} \cdot {\uprho } \cdot {\uppi } \cdot {\text{R}}_{{{\text{Tb}}}}^{2} \cdot {\text{V}}_{{{\text{wind}}}}^{3} } \hfill \\ {{\text{P}}_{{{\text{Tb}} - {\text{opt}}}} = \left( {1/2} \right) \cdot {\text{C}}_{{{\text{pmax}}}} \left( {{\uplambda }_{{{\text{opt}}}} } \right) \cdot {\uprho } \cdot {\uppi } \cdot {\text{R}}_{{{\text{Tb}}}}^{2} \cdot {\text{V}}_{{{\text{wind}}}}^{3} } \hfill \\ \end{array} } \right.\) \(\left\{ {\begin{array}{*{20}c} {{\text{T}}_{{{\text{Tb}}}} = \left( {1/2} \right).{\text{C}}_{{\text{p}}} .{\uprho }.{\uppi }.{\text{R}}_{{{\text{Tb}}}}^{5} .\frac{{{\upomega }_{{{\text{Tb}}}}^{2} }}{{{\uplambda }_{{}}^{3} }}} \\ {{\text{T}}_{{{\text{Tb}} - {\text{opt}}}} = \left( {1/2} \right).{\text{C}}_{{{\text{p}} - {\text{opt}}}} .{\uprho }.{\uppi }.{\text{R}}_{{{\text{Tb}}}}^{5} .\frac{{{\upomega }_{{{\text{Tb}}}}^{2} }}{{{\uplambda }_{{{\text{opt}}}}^{3} }}} \\ \end{array} } \right.\) \({\text{J}} \cdot \left( {{\text{d}}\upomega _{{{\text{Tb}}}} /{\text{dt}}} \right) = {\text{T}}_{{{\text{Tb}}}} - {\text{T}}_{{{\text{em}}}} - {\text{f}} \cdot\upomega _{{{\text{Tb}}}}\) | Blades | 03 | ||
λopt | 8.1 | ||||
Cp | 0.48 | ||||
Vw-Rated | 12.5 m/s | ||||
Vw-cut-in | 3.4 m/s | ||||
RTb | 1.05 m | ||||
PMSG | \(\left\{ {\begin{array}{*{20}c} {{\text{V}}_{{{\text{sd}}}} = {\text{R}}_{{{\text{st}}}} {\text{I}}_{{{\text{sd}}}} + {\text{L}}_{{\text{d}}} \left( {\frac{{{\text{dI}}_{{{\text{sd}}}} }}{{{\text{dt}}}}} \right) - {\text{L}}_{{\text{q}}} {\omega I}_{{{\text{sq}}}} } \\ {{\text{V}}_{{{\text{sq}}}} = {\text{R}}_{{{\text{st}}}} {\text{I}}_{{{\text{sq}}}} + {\text{L}}_{{\text{q}}} \left( {{\text{dI}}_{{{\text{sq}}}} /{\text{dt}}} \right) + {\text{L}}_{{\text{d}}} {\omega I}_{{{\text{sd}}}} + {\Phi }_{{\text{f}}} {\upomega }} \\ {{\upomega } = {\text{P}}\Omega } \\ \end{array} } \right.\) \({\text{T}}_{{{\text{em}}}} = \left( {3/2} \right)\left[ {{\Phi }_{{\text{f}}} .{\text{I}}_{{{\text{sq}}}} + \left( {{\text{L}}_{{\text{d}}} - {\text{L}}_{{\text{q}}} } \right).{\text{I}}_{{{\text{sd}}}} .{\text{I}}_{{{\text{sq}}}} } \right]\) | PN | 900 W | ||
\({\text{R}}_{{\text{S}}}\) | 0.49 Ω | ||||
\({\text{L}}_{{\text{S}}}\) | 0.0016 H | ||||
P | 5 | ||||
\({\Phi }_{{\text{f}}}\) | 0.148 Wb | ||||
RTb | 1.05 m | ||||
J | 0.016 kg/m2 | ||||
Batteries |
| \(\left\{ {\begin{array}{*{20}c} {{\text{V}}_{{{\text{Batt}}}} = {\text{E}}_{0} - {\text{R}}_{{{\text{Batt}}}} .{\text{I}}_{{{\text{Batt}}}} - {\text{k}}.\smallint \left( {\frac{{{\text{I}}_{{{\text{Batt}}}} }}{{\text{Q}}}} \right).{\text{dt}}} \\ {{\text{SOC}} = 1 - \frac{{{\text{I}}_{{{\text{Batt}}}} .{\text{t}}}}{{{\text{C}}_{{{\text{Batt}}}} }}} \\ \end{array} } \right.\) | VBatt | 12 V | |
CBatt | 100 Ah | ||||
RBatt | 0.795 Ω | ||||
XBatt | 0.07 Ω | ||||
CBatt | 44.96 mF | ||||
Supercapacities |
| \(\left\{ {\begin{array}{*{20}c} {{\text{U}}_{{{\text{sc}}}} = {\text{N}}_{{{\text{sc}} - {\text{s}}}} .{\text{V}}_{{{\text{sc}}}} = {\text{N}}_{{{\text{sc}} - {\text{s}}}} .\left( {{\text{V}}_{1} + {\text{R}}_{1} .{\text{I}}_{{{\text{sc}}}} } \right)} \\ { = {\text{N}}_{{{\text{sc}} - {\text{s}}}} .\left( {{\text{V}}_{1} + {\text{R}}_{1} .\frac{{{\text{i}}_{{{\text{sc}}}} }}{{{\text{N}}_{{{\text{sc}} - {\text{p}}}} }}} \right)} \\ \end{array} } \right.\) \({\text{V}}_{2} = \frac{1}{{{\text{C}}_{2} }}\smallint {\text{i}}_{2} \left( {\text{t}} \right).{\text{dt}}\frac{1}{{{\text{C}}_{2} }}\smallint \frac{1}{{{\text{R}}_{2} }}\left( {{\text{v}}_{1} - {\text{v}}_{2} } \right).{\text{dt}}\) \({\text{Q}}_{2} = \smallint {\text{i}}_{2} \left( {\text{t}} \right).{\text{dt}}\) \({\text{i}}_{1} = {\text{i}}_{{{\text{sc}}}} - {\text{i}}_{2}\) | CN | 165 F | |
ESRDC | 60 m Ω | ||||
IRDC | 100A | ||||
VN | 48 V | ||||
Esc | 53 Wh | ||||
Vmax | 51 V | ||||
Imax | 1900 A | ||||
Vseries | 750 V | ||||
Ccells | 3000 F | ||||
Esc-cell | 3.0 Wh | ||||
Ncells | 18 | ||||




