Figure 9
From: Design and field experiment of Codonopsis pilosula film covering transplanter

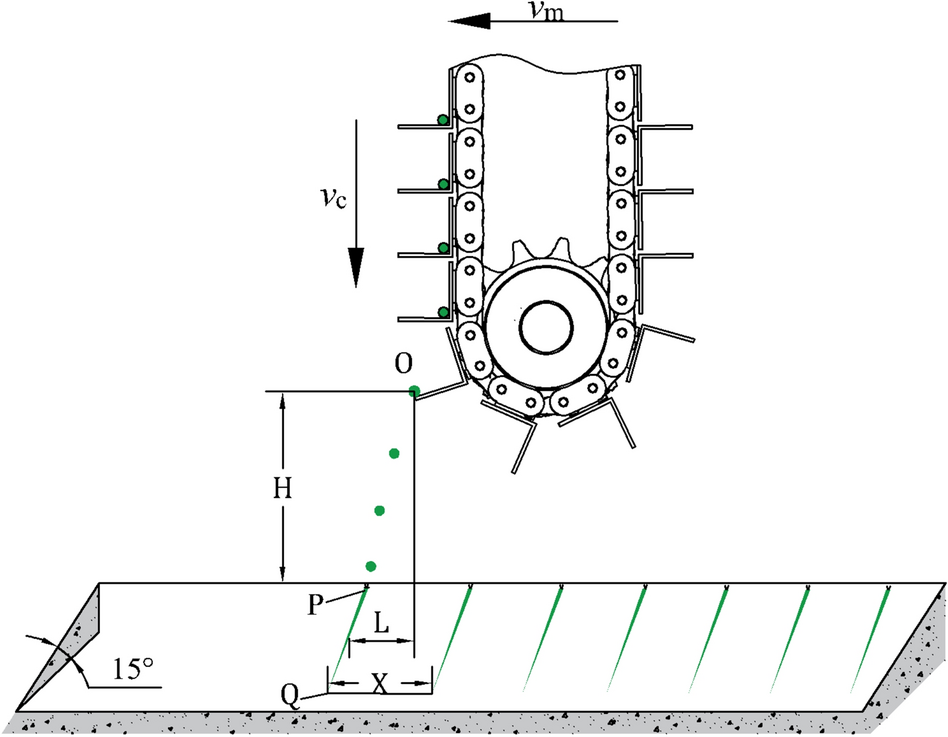
Schematic of seedling deployment process.
From: Design and field experiment of Codonopsis pilosula film covering transplanter

Schematic of seedling deployment process.