Fig. 2
From: Improved terminal sliding mode control based on MPC for LIM applied to linear metro

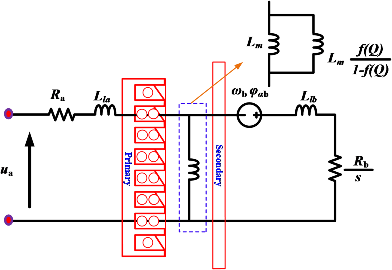
The equivalent circuit of the LIM under αβ-axis frame.
From: Improved terminal sliding mode control based on MPC for LIM applied to linear metro

The equivalent circuit of the LIM under αβ-axis frame.