Fig. 16
From: JUHCCR-v1: a database for hand-drawn electrical and electronics circuit component recognition

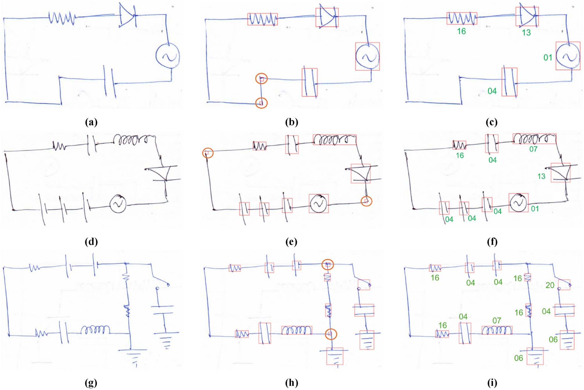
Results (successful cases) on recognition of circuit components present in a whole circuit diagram. (a), (d), and (g): original circuit diagrams. (b), (e), and (h): detected circuit components using the technique by Bhattacharya et al.47. (c), (f), and (i): recognized circuit component information i.e., the predicted class number (see Fig. 2) for all detected components. The green colored text indicates successful recognition.