Fig. 21
From: Research on mechanical properties of a new type of composite floor slab with split joint

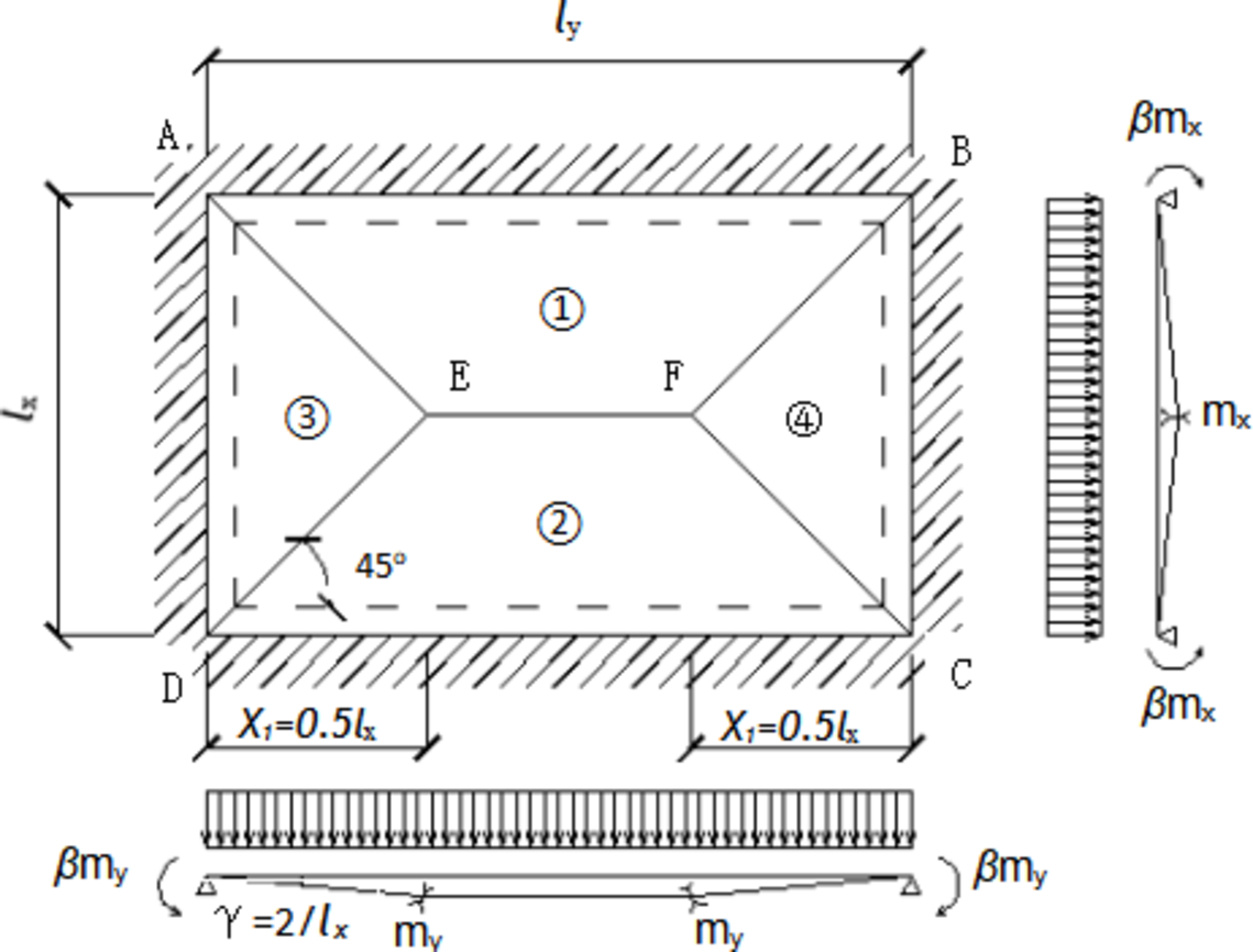
The stress diagram of simply supported composite slab.
From: Research on mechanical properties of a new type of composite floor slab with split joint

The stress diagram of simply supported composite slab.