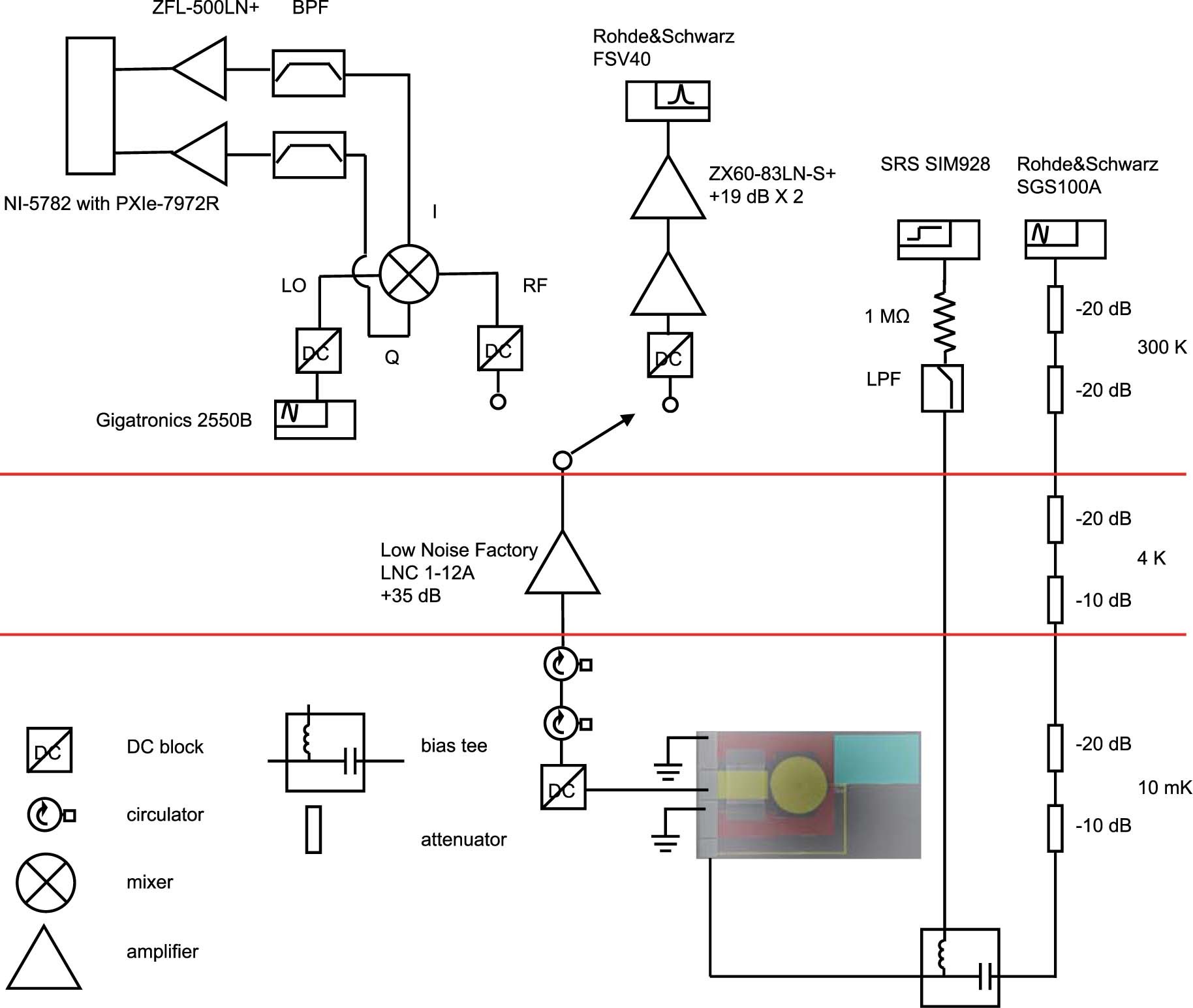
Extended Data Fig. 2: Schematic experimental setup.

The output of the source is channeled either to the heterodyne setup (left position of the switch) or to the spectrum analyzer (right position of the switch). The millikelvin bias tee is used to combine the direct bias current with the possible injection tone. When the switch is at the left position, we do not use the isolators in between the source and the first amplifier, but a 3-dB attenuator instead. Some components of minor importance are not shown for the sake of clarity.