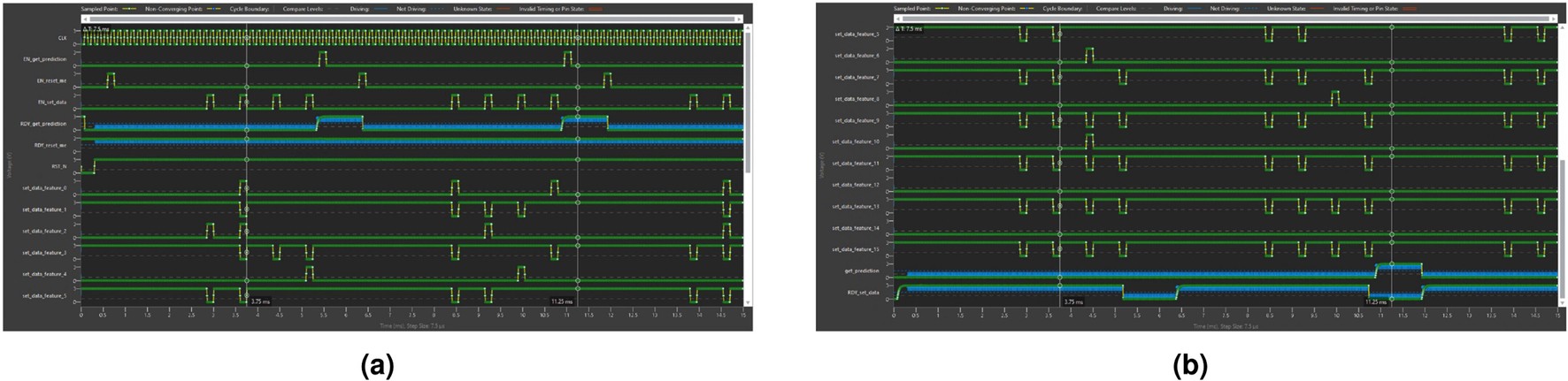
Extended Data Fig. 5: Waveforms capture the test outputs on a specific number of input-test vectors for the XGBoost FlexIC.
From: Low-cost and efficient prediction hardware for tabular data using tiny classifier circuits

a,b, The test outputs were compared to the expected output shown in blue.