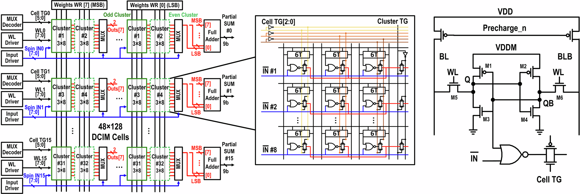
Fig. 5: Detailed circuit diagram of the 48×128 DCIM array.

All MSB and LSB are grouped together, allowing easier control of noise application to specific bits via VDDM. Each cell TG signal is shared across 8 rows within the same cluster block. The spin IN signal, generated based on the spin states, is shared across 48 columns. The DCIM bitcell consists of a 6T SRAM bitcell, a 4T NOR gate and a 2T TG.