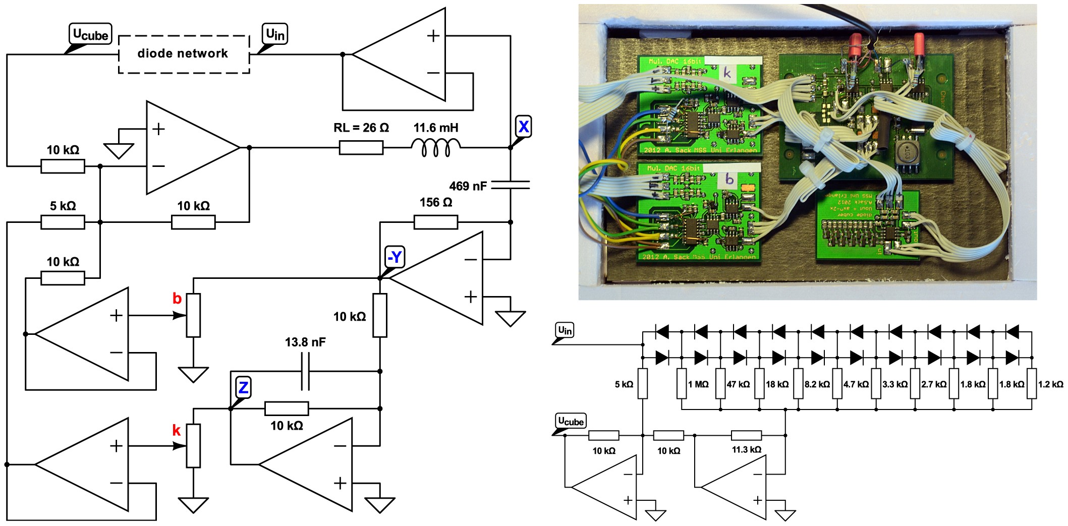
Figure 1

Schematic representation and a photograph of the circuit used to produce the discontinuous spiral shown in Fig. [3](a).
The flow governing this circuit is defined by Eq. (2). Note how parameters b and k are tuned and the definitions of the dynamical variables x, y, z used in Eq. (2). Also shown is the “diode network” inside the dashed box seen in diagram on the left. Measurements are robust against variations of the nominal parameter values.