Thank you for visiting nature.com. You are using a browser version with limited support for CSS. To obtain
the best experience, we recommend you use a more up to date browser (or turn off compatibility mode in
Internet Explorer). In the meantime, to ensure continued support, we are displaying the site without styles
and JavaScript.
Focus
Heterogeneity engineering in metallic materials
Heterogeneous microstructure engineering has become a powerful strategy for optimizing performance of metallic alloys. In this Focus, we highlight recent advances in metallic alloys, with an emphasis on approaches that exploit microstructural heterogeneity.
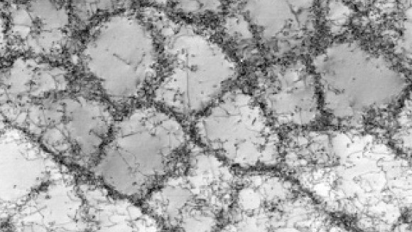
A martensitic medium-entropy alloy surpasses the long-standing strength–ductility ceiling of conventional ultrahigh-strength steels. The strengthening without sacrificing ductility originates from Mo–B–C interface complexes that stabilize small-angle grain boundaries.
Fatigue-induced failures remain a critical challenge to the performance and reliability of metals and alloys due to their inherently complex and unpredictable nature. This Perspective highlights emerging frontiers in fatigue research, including key mechanistic insights, material designs for improving fatigue resistance and advances in fabrication, characterization and modelling techniques.
Heterostructured materials can exhibit superior performance compared with their homogeneous counterparts. This Perspective discusses the fundamental effects of heterostructural features, methods for evaluating these effects and practical considerations for guiding the design of heterostructured materials.
The non-equilibrium processing conditions inherent to additive manufacturing produce metals with unique microstructures and mechanical properties that are often unattainable through conventional routes. This Review provides an overview of distinctive mechanical behaviours and deformation mechanisms that arise from these characteristic microstructures, and discusses critical needs and emerging opportunities for alloy design and processing control to achieve exceptional mechanical properties in additively manufactured metals.
Guided by density functional theory, a commercially viable refractory alloy is developed, which exhibits excellent room-temperature ductility and strength, and high strength at elevated temperatures.
A martensitic alloy with a tensile strength exceeding 3 GPa and a fracture elongation of 5.13% is developed. These mechanical properties arise from interface complexes interacting with dense dislocation networks, which is a mechanism shown to be applicable to other compositions.