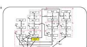
The binomial method, and similar approximations, are often used for numerical simulations of population models in mathematical epidemiology and ecology. The authors study the binomial method to approximate a stochastic dynamic and compare it with an unbiased Gillespie method for stochastic simulation deriving insights on optimal discretization schemes for the binomial method and provide corresponding rules that would indicate if binomial or unbiased solution methods are more efficient.
- Javier Aguilar
- José J. Ramasco
- Raúl Toral