Abstract
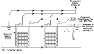
Individually ventilated cage systems have become the method of choice for housing rodents. The author describes the various options for cage ventilation, from using supply and exhaust fans to directly connecting the racks to the building ventilation system.
This is a preview of subscription content, access via your institution
Access options






Similar content being viewed by others
References
Lehner, N. Initiatives in organization, staffing and work methods that cut operating costs and raise service quality. Presentation at the Tradeline Conference for Animal Research Facilities, San Diego, CA, August 7, 2000.
Clough, G., Wallace, J., Gamble, M.R., Merryweather, E.R. & Bailey, E. A positive, individually ventilated caging system: a local barrier system to protect both animals and personnel. Lab. Anim. 29, 139–151 (1995).
Renström, A. Björing, G. & Höglund, A.U. Evaluation of individually ventilated cage systems for laboratory rodents: occupational health aspects. Lab. Anim. 35, 42–50 (2001).
Institute of Laboratory Animal Research, National Research Council. Guide for the Care and Use of Laboratory Animals Ch. 4 (National Academy Press, Washington, DC, 1996).
Bilecki, B. Integrating ventilated caging equipment with facility HVAC and monitoring systems. Lab Anim. (NY) (Suppl.) 42–47 (2001).
Author information
Authors and Affiliations
Corresponding author
Rights and permissions
About this article
Cite this article
Stakutis, R. Cage Rack Ventilation Options for Laboratory Animal Facilities. Lab Anim 32, 47–52 (2003). https://doi.org/10.1038/laban0903-47
Received:
Accepted:
Issue date:
DOI: https://doi.org/10.1038/laban0903-47


