Skip to main content

Thank you for visiting nature.com. You are using a browser version with limited support for CSS. To obtain the best experience, we recommend you use a more up to date browser (or turn off compatibility mode in Internet Explorer). In the meantime, to ensure continued support, we are displaying the site without styles and JavaScript.

Advertisement

Scientific Reports
  • View all journals
  • Search
  • Log in
  • Content Explore content
  • About the journal
  • Publish with us
  • Sign up for alerts
  • RSS feed
  1. nature
  2. scientific reports
  3. articles
  4. article
  5. figure
Figure 9 | Scientific Reports

Figure 9

From: Research and engineering application of layout optimization for lockbolt structures in railway wagons considering multidimensional failure modes based on MSNSGA-III

Figure 9

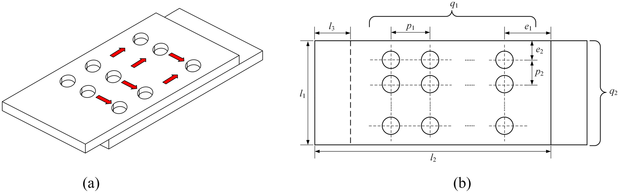
Parametric model.

Back to article page

Explore content

  • Research articles
  • News & Comment
  • Collections
  • Subjects
  • Follow us on Facebook
  • Follow us on Twitter
  • Sign up for alerts
  • RSS feed

About the journal

  • About Scientific Reports
  • Contact
  • Journal policies
  • Guide to referees
  • Calls for Papers
  • Editor's Choice
  • Journal highlights
  • Open Access Fees and Funding

Publish with us

  • For authors
  • Language editing services
  • Open access funding
  • Submit manuscript

Search

Advanced search

Quick links

  • Explore articles by subject
  • Find a job
  • Guide to authors
  • Editorial policies

Scientific Reports (Sci Rep)

ISSN 2045-2322 (online)

nature.com sitemap

About Nature Portfolio

  • About us
  • Press releases
  • Press office
  • Contact us

Discover content

  • Journals A-Z
  • Articles by subject
  • protocols.io
  • Nature Index

Publishing policies

  • Nature portfolio policies
  • Open access

Author & Researcher services

  • Reprints & permissions
  • Research data
  • Language editing
  • Scientific editing
  • Nature Masterclasses
  • Research Solutions

Libraries & institutions

  • Librarian service & tools
  • Librarian portal
  • Open research
  • Recommend to library

Advertising & partnerships

  • Advertising
  • Partnerships & Services
  • Media kits
  • Branded content

Professional development

  • Nature Awards
  • Nature Careers
  • Nature Conferences

Regional websites

  • Nature Africa
  • Nature China
  • Nature India
  • Nature Japan
  • Nature Middle East
  • Privacy Policy
  • Use of cookies
  • Legal notice
  • Accessibility statement
  • Terms & Conditions
  • Your US state privacy rights
Springer Nature

© 2026 Springer Nature Limited