Abstract
This article proposes a polarization-insensitive compact Metamaterial (MM) energy harvester that can be used seamlessly in the S-band and C-band frequencies. It is important to focus on the limitations of many current designs of harvesters, which need to be overcome. The existing devices are large and often operate in a single frequency band, while their Energy Harvesting (EH) efficiency is low. The proposed harvester solves these problems using smart technology, using a rectangle strip with two gaps, each containing 50 Ω resistors for efficient energy collecting. Also, four hexagonal ring resonators are embedded into the cross-dumbbell configuration, connecting them with strip lines. Smaller rectangular rings surround these hexagonal rings, each with gaps labelled g1–g4. Despite its sophisticated design, the size of this harvester is (10 × 10) mm2 only. This harvester operates at frequencies of 3.5 GHz and 5.5 GHz, demonstrating remarkable absorption responses across varying polarizations and incident angles in both transverse electric (TE) and transverse magnetic (TM) modes. The simulation results indicated impressive energy harvesting efficiencies of 97% at 3.5 GHz and 98% at 5.5 GHz. In addition, experiments in an anechoic chamber with a 3 × 3 array (30 × 30) mm2 were used to confirm the efficiencies empirically. The simulated and measured results showed a strong correlation, confirming the reliability of the proposed design. The proposed MM harvester is distinguished by its high efficiency, polarization-insensitive behaviour, and compactness, making it very promising for many applications in EH.
Similar content being viewed by others
Introduction
One of the most significant developments that have revolutionized communication is the invention of wireless communication, where connectivity can be done without the need to have physical cables linking the communicating media. As a consequence, Wireless Sensor Networks (WSNs) are formed by interconnected systems that collect and utilize sensor resources without the need for cables to monitor and collect data from their surroundings. WSNs provide numerous advantages, although they encounter diverse obstacles restricting their efficiency and utilization. The primary obstacle is the sensor nodes’ insufficient power supply due to the limited available energy. Energy harvesting (EH) will be employed to help settle the issue mentioned above. EH collects and converts naturally occurring energy into electrical power, which can then be used to operate sensors. Undoubtedly, EH reduces the heavy need on conventional battery-powered sources for processes with a limited lifespan, allowing them to self-generate and have a longer lifespan. Various techniques have been developed to extract energy from the surrounding space, including solar, kinetic, thermal, and Radio Frequency (RF)sources.
Nevertheless, Metamaterials (MMs) have emerged as a highly promising and cutting-edge answer to these challenges. MMs are manufactured substances that exhibit unique Electromagnetic (EM) properties but are not found naturally. The MMs possess characteristics such as a negative dielectric constant and permeability1. These properties arise from the possibility of synthesizing resonant elements much smaller than the wavelength of the radiation they interact with2. Within the domain of EH, MMs can be designed and constructed to collect and effectively alter EM waves, particularly RF impulses. This method entails the conversion of collected waves into electrical energy to supply power to WSNs. Scientists are investigating the distinct characteristics of MMs to create EH devices that are both extremely efficient and compact. These devices are designed to extract energy from surrounding RF sources, such as Wi-Fi signals and cellular networks. This technology offers considerable promise to address the energy constraints of WSNs, enabling their extensive use in fields such as environmental monitoring and intelligent infrastructure. The uses of MMs go beyond EH. They are used in sensors3 for detecting minute environmental changes in camouflage4,5 and the creation of invisibility cloaks6 that can bend light around objects and efficient absorbers7,8 for capturing and converting EM energy. Specifically, for EH9,10,11,12, MM’s unique properties make them ideal for converting ambient energy into usable forms.
Recent studies have emphasized the significant capacity of MMs in EH applications. Using a tilted split ring multiband Metamaterial (MM), the researchers in13 presented an absorber with dimensions of 35 mm × 35 mm × 1.67 mm. For maximum efficiency, the absorption device was engineered to operate within the LTE2600, WiFi2450, and LTE2350 frequency bands. The absorber was developed using a high-frequency simulator. Three resonances were identified at 2.35 GHz, 2.45 GHz, and 2.6 GHz, with the corresponding return loss values measured at each frequency. In a previous study14, researchers proposed an energy collector utilizing MM. Their layout includes resonator gaps filled with resistive loads and metallic loop resonators. The concept was demonstrated using an electromagnetic energy-harvesting cell incorporating a split-ring resonator (SRR). A wide-band multiple-frequency energy harvester was suggested in15. Using metallic split rings and hollow cylinders, the proposed design achieves an astounding efficiency of 97.3% at 2.45 GHz. The authors showcased impressive efficiency rates of up to 90% across various frequencies. In16, the author introduced piezoelectric EH technology using acoustic MM, emphasizing improvements in sound energy density and conversion efficiency through experimental and simulation methods. An electromechanical model was developed to predict and optimize the system accurately. The model was validated experimentally and showed good agreement. The maximum power harvested theoretically is 3.09 mW, as determined by the optimal resistance and inductance for achieving peak efficiency. The model facilitates subsequent design and optimization in the field of sound EH. The authors of17 designed a metasurface (MS) operating at two frequencies, 2.4 GHz and 5.4 GHz, to enable efficient EM EH. Their circular split-ring resonator, mounted on a low-loss substrate with an air layer, enabled them to achieve a metasurface (MS) unit cell efficiency of 97% at 2.4 GHz and 94% at 5.4 GHz. The MS utilized a single harvesting port, simplifying the design of the power network. The efficiency and suitability of a 5 × 5-unit cell MS harvester for various microwave applications, such as EH and wireless power transfer (WPT), were confirmed through experimental validation. The authors of18 demonstrated that ground-backed complementary split-ring resonator (G-CSRR) arrays are highly effective for Electromagnetic Energy Harvesting (EM-EH). They emphasized the arrays’ enhanced bandwidth and better power conversion compared to earlier approaches. A correlation between the array periodicity and the resonance frequency of G-CSRR cells was identified through numerical full-wave analysis. Both the computational study and laboratory testing demonstrated that the G-CSRR array achieved an efficiency of 92%. In19, a pixelated unit cell operating at 2.45 and 6 GHz was proposed as a polarization-independent EM energy harvester. Topology optimization and pixelization techniques were employed to obtain a high EH efficiency at these frequencies, while symmetry was employed to maintain polarization insensitivity. The authors in20 proposed an MM structure consisting of spiral ring-shaped unit cells to extract energy from EM waves. By integrating 400 Ω lumped resistances, this device attained an absorption ratio that exceeded 90%. The spiral ring form and the precise arrangement of the unit cells optimize the structure’s capacity to efficiently collect and convert EM energy, making it an ideal alternative for EH applications. The authors have proposed a triple-band MS absorber in20 that harvests RF energy. The absorber was designed using a meta-atom structure composed of metallic patches in the shape of crosses and slotted squares arranged in three layers. The design consisted of a total of 9 × 9 meta-atoms. This absorber could function in both S- and C-bands, with resonance frequencies specifically at 3.06, 3.9, and 5.97 GHz. The experiment exhibited near-total absorption at several incident angles, and the findings closely corresponded to the calculations. The absorber exhibited a high E-HE, reaching 94.4% and 84% at frequencies of 3.07 and 5.97 GHz, respectively. A three-dimensional (3D) Metamaterial Absorber (MMA) with resistive sheets including metals was presented by the authors in21. Over a wide frequency range, the MMA shows polarization-insensitive absorption properties. Metallic split-ring resonators (SRRs) exhibit enhanced absorption due to resistive and metal losses. Inserting a resistive film into the gap enhanced the absorption of twelve SRRs by inducing circular currents. By calculating EH efficiencies using half-power bandwidth (HPBW), the study found a dual-band half-power absorption characteristic under different situations. In addition, reference22 presented an MM array that enables wideband EM-EH and WPT. The device exhibited polarization insensitivity and functioned efficiently over a broad frequency spectrum, ranging from 6.2 to 21.4 GHz. In addition, it demonstrated outstanding efficiency. In Reference23, the authors examined the challenges and potential advancements in using mechanical and acoustic MM for EH and sensing purposes. The authors of24 developed a high-efficiency RF EH system using a combination of MPA and Schottky diodes. By utilizing Fabry–Perot (FP) cavity resonance, the MPA-based rectenna efficiently converted RF waves into DC power, thereby improving energy absorption. Incorporating FP resonance, especially at low intensities, resulted in increased voltage and Q-factor across Schottky diodes, leading to improved rectification efficiency. A ground-plane-equipped split-ring resonator (SRR) was suggested for EH in25. This design featured a low-profile build, offering high efficiency across different illumination angles and compatibility with metallic surfaces. The authors designed and fabricated a unit cell that operates at 5.8 GHz. Both numerical simulations and experimental findings showcased the effective conversion of incident EM wave power into a resistive load via the complementary split-ring resonator. The researchers in reference26 have developed an MS energy harvester that effectively converts the EM energy of any polarization into usable power. A strong correlation between simulation and experimental data was demonstrated in laboratory tests using a 9 × 9 array at 2.45 GHz. The authors of the reference27 have developed a polarization-insensitive, wide-angle modular MM array specifically designed to capture energy at three different frequencies. The experimental results obtained from a 7 × 7 array demonstrated a high level of agreement with simulations, providing strong evidence for the array’s practical usefulness in real-world scenarios.
Considerable advancements have been made in the field of EM-EH through the utilization of MM. It is crucial to recognize the restrictions and limitations of existing designs. Some designs presented in13,17,18,21,25,]27 are bigger, which can be problematic in situations where size is an important factor to consider. Due to the fact that numerous existing designs are restricted to single-frequency bands, the capacity to extract energy from a wider range of electromagnetic waves is also reduced14,15,18,25,26.
This study introduces a compact dual-band metamaterial-based energy harvester with exceptional absorption efficiency, achieving 99.9% at both 3.5 GHz and 5.5 GHz. Simulations and experimental data validate the harvester’s ability to capture electromagnetic energy across different incident angles. The Energy Harvesting Efficiency (EH-E) at normal incidence is 95% at 3.5 GHz and 94.8% at 4.9 GHz. This advanced harvester outperforms previous designs in several critical areas, making it highly applicable for practical use.
Unit cell design
Several essential stages and elements exist in synthesizing the MM unit cell for EH. The proposed unit cell includes a rectangular strip with two gaps, each with a 50 Ω resistor EH. The design also consists of four hexagonal ring resonators in the cross-dumbbell configuration, each linked to the strip lines. The hexagonal ring resonators have small rectangular ring resonators around them, and each of these rings includes gaps referred to as g1–g4. The whole unit cell is designed to be integrated within an area of 10 × 10 mm2, making it optimal for integration and utilization in various arrangements. The arrangement of the geometric elements, e.g., hexagonal ring resonators and small rectangular ring resonators around them, results from our design that supports multiple resonance frequencies on this MM. As the basic building blocks, the hexagonal ring resonators excite sharp resonance at certain frequencies and facilitate full angle and polarization-insensitive characteristics. The small rectangular ring resonators around them are made to tweak the EM response, especially in terms of coupling effects and bandwidth control. This complex structure results in more flexibility regarding the target multiband frequency response while ensuring high compactness and EH-E. To mitigate energy dissipation and enhance the EH-E, a Rogers 5880 substrate is selected. Its permittivity (ε) and loss tangent (δ) are 2.2 and 0.0009, respectively, and its thickness is 1.575 mm. Annealed copper, having a conductivity of 5.8 × 10⁷ S/m and a thickness of 0.035 mm, renowned for its exceptional conductivity and reliability in electronic applications, is utilized in constructing the resonators. These materials guarantee optimal unit cell performance while preserving its durability and efficiency. The design process involves precise fabrication and alignment of the resonators and strips to achieve the desired EM properties and optimal performance in EH applications. Figure 1 depicts the 3-D perspective of the proposed MM unit cell, while Fig. 2 illustrates the front and back views. The detailed geometrical description of the proposed MM unit cell is presented in Table 1.
3-D view of the proposed MM unit cell.
MM unit cell (a) Front-view (b) Back-View.
Furthermore, selecting the appropriate boundary conditions is the key factor in simulating the unit cells. Since the unit cells are anisotropic and the microstrip feed line excites the antenna, the “Open (add space)” condition is applied along the Z-axis. The extra space is half the length of the longer or equal side from the substrate surface. In our design, with a 10 mm substrate length, 1.575 mm substrate thickness, and 0.035 mm copper thickness, the total distance between the excited ports is 11.61 mm.
Parametric study of the proposed unit cell
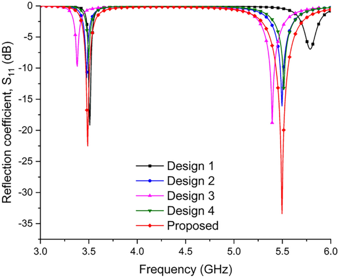
It is essential to conduct a parametric study when selecting the top-layer structure for the MM harvester. This study allows for a systematic examination and fine-tuning of the design parameters. This method identifies the most suitable design that effectively resonates at the desired frequencies and enhances the absorption of EM waves, thereby enhancing EH-E. As depicted in Fig. 3, five designs were evaluated, and their reflection coefficients, \({\text{S}}_{11}\) in (dB), were examined, as illustrated in Fig. 4. Design 1 showcased two distinct peaks at 3.5 GHz and 5.7 GHz, with magnitudes measuring − 18 dB and − 6 dB, respectively. Design 2 exhibited two peaks at 3.4 and 5.34 GHz, with magnitudes of − 11 dB and − 15 dB, respectively. Design 3 exhibited peaks at 3.3 and 5.3 GHz, with magnitudes of − 9 dB and − 18 dB, respectively. Design 4 produced nearly identical results, with only slightly changing the resonance frequencies. The final proposed design demonstrated two peaks at 3.5 and 5.5 GHz with higher magnitudes of − 22 dB and − 33 dB, respectively.
Parametric analysis of the proposed unit cell.
Reflection coefficient, \({S}_{11}\), in (dB) for different designs of the proposed unit cell.
This study comprehensively analyzed the \({\text{S}}_{11}\) of various Rogers materials, including RO4835, RO400C, RO4350B, and RT5880, to evaluate their suitability for EH applications, as illustrated in Fig. 5. The \({\text{S}}_{11}\) is crucial in determining the power reflected from the material surface, affecting EH’s efficiency. The simulation results of the S parameters were extracted using CST within the 3–6 GHz frequency range. According to our findings, Rogers RT5880 demonstrated the most favourable \({\text{S}}_{11}\) among the evaluated materials. In particular, the ultra-low loss tangent (0.0009) and stable dielectric constant (2.20) of RT5880 resulted in substantially lower reflection losses. RT5880 is an optimal candidate for high-frequency EH applications due to its minimal energy dissipation and efficient transmission, which these properties enable. Conversely, RO4835, RO400C, and RO4350B exhibited relatively low reflection coefficients. Table 2 displays the properties of the various substrate materials.
Reflection coefficient, \({S}_{11}\), in (dB) for different substrate materials.
Equivalent circuit model of the proposed unit cell
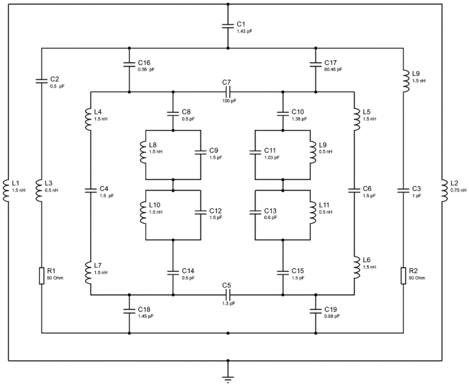
The unit cell’s EM behaviour is replicated in an Advanced Design System (ADS) using lumped elements such as inductors, capacitors, and resistors. This model is essential because it simplifies the analysis, enabling a better understanding and optimization of the unit cell’s performance without relying solely on complex full-wave simulations. Figure 6 illustrates the sequential equivalent circuit model of the proposed MM unit cell. Figure 7 presents the comprehensive equivalent circuit model of the proposed MM unit cell. The RLC elements were determined using the tuning function in ADS. This process involved iteratively adjusting the R, L, and C values to match the S-parameters of the equivalent circuit with those of the metamaterial structure, ensuring accurate resonance behaviour and performance characteristics. Figure 8 shows the CST and ADS \({\text{S}}_{11}\), revealing a significant correlation between the results.
sequential equivalent circuit model of the proposed MM unit cell.
Equivalent circuit model of the proposed unit cell created in ADS.
\({S}_{11}\) for both the CST and ADS simulators.
Comprehensive analysis of scattering parameters \({\mathbf{S}}_{11}\) and \({\mathbf{S}}_{21}\) in unit cell and array structures
In general, several models may be used to study the different attributes of MMs. For this purpose, we decided to use the Finite Integration Technique (FIT), which is relatively conventional, and we executed the simulation part using the CST simulation software. Thus, using FIT to analyze the proposed design, it was possible to determine the \({\text{S}}_{11}\) and \({\text{S}}_{21}\) coefficients and the return and insertion losses. Waveguide ports 1 and 2 emitted EM waves while the boundary conditions of the two-axis setup were set to guide the EM field in the X and Y directions. As it was spread, these waves were polarized by engaging with the magnetic (H-field) and the electric (E-field) fields. Perfect electric and magnetic conductors correspondingly positioned at the Y- and X-axes. Our model employed a perfect magnetic conductor (PMC) to replicate a surface with optimal magnetic field reflection conditions. When subjected to an electric field, the observed behaviour exhibits characteristics like a perfect electric conductor (PEC). Upon interaction with the PMC boundary, EM waves undergo reflection with an inverted phase, resulting in a 180-degree phase shift.
Consequently, the magnetic component of the wave passes through without reflection. PMC boundary conditions must be used on the y-axis when one needs to control the reflections in the simulation. A frequency domain solver was used to model ideal conditions for free space. The proposed structure has an LC circuit whereby the resonator strip is the inductor, and the split gap is the capacitor. Thus, increasing or decreasing the split gap and changing the length of the metallic component allows for capacitance and inductance control, thereby providing the applied EM properties. This experiment uses a microwave frequency range of 3–6 GHz. The following equations compute the \({\text{S}}_{11}\) and \({\text{S}}_{21}\), respectively28.
where d is the slab thickness, k0 denotes the wave number of the incident wave in free space, and n is the refractive index. The impedance, denoted as \({\text{z}}\), can be calculated using the following equation.
Figure 9 displays the S parameters. The proposed structure exhibits resonance at two distinct frequencies, specifically 3.5 GHz and 5.5 GHz. The \({\text{S}}_{11}\) values at these frequencies are − 22 dB and − 33 dB, respectively. \({\text{S}}_{21}\) exhibits values of − 0.6 dB and − 0.2 dB.
Reflection coefficient, \({S}_{11}\), and \({S}_{21}\) in (dB) vs frequency.
Figure 10 illustrates the three-dimensional representation of the 3 × 3 array configuration. Furthermore, the \({\text{S}}_{11}\) and \({\text{S}}_{21}\) values of the 3 × 3 array structure were calculated and contrasted with the unit cell findings, as illustrated in Fig. 11. The findings demonstrate a significant correlation between the variables. Thus, this strong correlation of the Scattering parameters between the unit cell and the array structure in EH systems leads to ways such as energy capture optimization, impedance matching, enhanced bandwidth performance, reduction of losses and improved efficiency, predictable performance effects, flexibility, scalability, and finally, system design simplifications. All these aspects, in combination, enable the enhancement of EH in the form of usable electrical power via optimization of the receipt rate and conversion of the distributed energy within the environment.
3-D view of 3 × 3 array structure.
Comparison of the S parameters of the unit cell and 3 × 3 array structure.
Surface current, electric field (E-field), and magnetic field (H-field) of the proposed unit cell
To better understand the MM’s properties, it is essential to analyze its surface current and the E-field and H-field. Maxwell’s equations sufficiently elucidate the correlation among the E-field, H-field, and surface current of the proposed MM. The surface current is the electric current generated in response to the incoming electromagnetic field (EMF). The EMF is generated by a varying magnetic field produced by the surface current. The equations provided below can mathematically represent the E-field and H-field.
Figure 12 illustrates the surface current distribution of the proposed MM unit cell at resonance frequencies of 3.5 and 5.5 GHz. The differing behaviours at 3.5 GHz and 5.5 GHz are due to the excitation of distinct resonant modes, influenced by the structure’s geometry and the incident electromagnetic wave. At 3.5 GHz, a lower-order mode is excited, with surface current concentrated primarily in the larger outer rectangular resonator, as the wavelength matches the resonator’s size. In contrast, at 5.5 GHz, a higher-order mode is excited, allowing the shorter wavelength to interact with both the outer resonator and the smaller hexagonal rings, resulting in more distributed current across the unit cell. The anti-parallel current flow observed at both frequencies is characteristic of these resonant modes, driven by phase differences in the electric and magnetic fields. This multi-modal behavior allows efficient energy absorption and operation across different frequency bands.
Surface current distribution at (a) 3.5 GHz and (b) 5.5 GHz.
Additionally, the current passing through the resistive loads demonstrates significant magnitude, leading to nearly perfect absorption at both frequencies. This absorption directly results from the resonant behaviour and the specific geometrical arrangement of the metamaterial unit cell, allowing efficient energy dissipation in the resistive elements.
Figures 13 and 14 display the E-field and H-field distributions at 3.5 and 5.5 GHz frequencies. The differences in These distributions stem from the excitation of distinct resonant modes and the geometry of the metamaterial. At 3.5 GHz, the longer wavelength excites a fundamental mode, concentrating the E-field in the outer rectangular resonator, while the hexagonal resonators exhibit lower field intensity due to weaker coupling. The H-field also concentrates on the outer resonator. At 5.5 GHz, higher-order modes are excited, redistributing the E-field across both resonators but with a stronger concentration near the resistive load in the outer resonator, facilitating efficient energy dissipation. The outer resonator’s dominant role in guiding electromagnetic energy at both frequencies ensures nearly perfect absorption, particularly with the resistive load positioned for optimal energy dissipation.
E-field distribution at (a) 3.5 GHz and (b) 5.5 GHz.
H-field distribution at (a) 3.5 GHz and (b) 5.5 GHz.
Results and discussion
Practical validation of the proposed unit cell design
The Vector Network Analyzer (VNA) was utilized to quantify the S characteristics of the proposed MM unit cell. Before commencing work, the VNA underwent calibration using the Agilent N4694-60,001 calibration kit model. The VNA was equipped with two coaxial wires, one for transmitting and the other for receiving. We chose two distinct waveguides designed for the frequency range of 3–6 GHz. The coaxial cables were linked to the waveguides. Finally, the fabricated unit cell was sandwiched between the waveguides. The \({\text{S}}_{11}\). has been calculated. The findings were recorded in PRN format and then brought into Excel and Origin for the purpose of making graphs. In Fig. 15a, we can see the 3 × 3 array structure and manufactured unit cell, and in Fig. 15b, we can see the VNA measurement setup. Figure 16 shows the \({\text{S}}_{11}\) parameters that were measured and those that were simulated.
(a) Fabricated unit cell and 3 × 3 array configuration , (b) Measurement setup of the vector network analyzer (VNA).
Simulated and measured reflection coefficients, \({S}_{11}\), in (dB).
The Figure unequivocally illustrates a substantial correlation between the simulated and measured outcomes. Several reasons contribute to the slight variation, including calibration inaccuracies, waveguide attenuation, and fabrication defects in the individual cell.
Measurement of absorption efficiency for the proposed design
In MMs, unity absorption plays a crucial role in EH. It ensures that all incident energy is absorbed instead of reflected or transmitted. Optimizing the EH process dramatically improves efficiency and effectiveness by maximizing the energy available for conversion into usable forms. The MM’s ability to achieve near-total absorption enhances its capacity to capture and utilize energy from diverse sources. This makes the technology more practical and powerful for real-world applications. The below equation is used to determine the absorption and reflection coefficients29.
The frequency-dependent reflection and transmission values are denoted as \(\text{R}\left(\upomega \right)\) and \(\text{T}\left(\upomega \right),\) respectively. Where \(\text{R}\left(\upomega \right)={\left|{\text{S}}_{11}\left(\upomega \right)\right|}^{2}\) and \(\text{T}\left(\upomega \right)= {\left|{\text{S}}_{21}\left(\upomega \right)\right|}^{2}\). In the resonance frequency region, minimizing both reflection and transmission is necessary. Due to the copper’s coating on the reverse side, the transmission coefficient of the proposed structure is zero. One such way to express Eq. (7) is:
The proposed MM unit cell’s absorption (A) and reflection (R) coefficients have been measured using the above equations, as shown in Fig. 17. The 3.5 and 5.5 GHz resonance frequencies exhibit a remarkable absorption rate of 99.9%, approaching unity. Conversely, Fig. 17 illustrates that the reflection at these frequencies is quantified as 0%.
The proposed MM unit cell’s absorption and reflection in (%).
To ensure consistent and optimal performance in energy harvesting, the metamaterial (MM) unit cell and its array structure must exhibit identical absorption responses. When the absorption characteristics of both the unit cell and the array align, the array can uniformly absorb incident energy across its entire surface. The uniformity of the array structure maximizes energy conversion efficiency by ensuring that every part contributes equally to the harvesting process. This prevents losses and enhances the overall performance of the system.
In this work, a 3 × 3 array structure is selected. Opting for a 3 × 3 array configuration for EH provides numerous benefits. Firstly, it offers an optimal size sufficient to capture substantial amounts of energy yet still feasible to fabricate and integrate into larger systems. Furthermore, a 3 × 3 arrangement enables ample contact among unit cells, augmenting total absorption efficiency through collective phenomena. Moreover, this size is frequently considered the most suitable for experimental validation, as it effectively showcases the array’s performance without being excessively intricate or demanding regarding resources. The equilibrium of elements in a 3 × 3 array renders it a highly efficient and feasible option for energy-collecting purposes. Figure 18 displays the absorption responses for the unit cell and array structure. The Figure demonstrates a strong correlation between the responses, indicating that the array structure efficiently absorbs incident energy evenly throughout its entire surface.
Absorption of proposed MM unit cell and 3 × 3 array structure.
The proposed design’s absorptivity is carefully analyzed for different Transverse Electric (TE) and Transverse Magnetic (TM) modes to ensure the material is optimized for a wide range of polarizations and incoming wave circumstances. This directly results in the enhanced effectiveness and efficiency of EH applications.
In this study, the absorptivity of the proposed structure is measured for different TE and TM modes, as shown in Figs. 19 and 20, respectively. The polarization angle (ϕ) is kept fixed at 0°. In TE mode, the electric field (E-field) is kept perpendicular while the magnetic field (H-field) and wave propagation vector are rotated by an angle (\(\uptheta )\).
Absorption responses at different incident angles in TE polarization mode.
Absorption responses at different incident angles in TM polarization mode.
In contrast, in TM mode, the H-field is kept perpendicular while the E-field and wave propagation vector are rotated by an angle (\(\uptheta ).\) The incident angle (\(\uptheta )\) was kept from 0 to 75° with the step size of 15°. The absorption responses from 0 to 45°, as shown in Figs. 19 and 20, were almost identical to those at 0°. However, as the angle of incidence increased to 60 and 75°, a notable reduction in absorption was observed, along with a shift in the resonance point.
Ensuring polarization insensitivity in MM energy harvesters is essential as it enables them to capture energy from EM waves of any polarization effectively, hence maximizing the amount of harvested energy irrespective of the direction of the waves. The polarization-insensitive behaviour of MM’s energy harvesters improves their efficiency, adaptability, and dependability, making them more practical and useful for real-world applications. The absorption responses of the proposed MM device are evaluated over various polarization angles ranging from 0 to 75°, with a step size of 15°, as depicted in Fig. 21. The absorption responses exhibit uniformity across different polarization angles at both resonance frequencies.
Absorption responses at different polarizations angle.
Evaluating the energy harvesting efficiency (EH-E) of the proposed design
The simulated EH-E of the proposed MM device was calculated in the CST with the help of the equation below14:
\({\text{P}}_{\text{out}}\) shows the power harvested by the MM device. In CST, there are two methods to determine the output power (\({\text{P}}_{\text{out}}\)), of the MM. The first method involves integrating the power density over the surface where power is collected. The second method consists of finding the power absorbed at the ports. In this study, we choose the second method for determining the (\({\text{P}}_{\text{out}}\)). \({\text{P}}_{\text{in}}\) can be calculated using the equation below:
where \(\text{S}\) is the power density, and \(\text{A}\) is the effective area of the harvester. The CST can determine the power density through field monitors. After calculating the values for \({\text{P}}_{\text{out}}\) and \({\text{P}}_{\text{in}}\), they were then used in Eq. (9) to perform the EH-E calculations. Figure 22 shows that the simulated EH-E is 97% at 3.5 GHz and 98% at 5.5 GHz.
Simulated efficiency of the 3 × 3 array structure.
Figure 23 presents the simulated results of the dissipated power on the load, copper, and dielectric substrate of the metamaterial (MM) harvester for various incident angles in transverse electric (TE) modes. The Figure shows minimal dissipation within the copper and substrate, with only approximately 6% and 10%, respectively. The illustration effectively demonstrates the significant amount of power transferred to the loads. The MM harvester operates with an efficiency of 98% at a normal incident angle (0°). In addition, the study demonstrates high performance, even when the angle of incidence is 30°. However, at an incident angle of 60°, there is a noticeable drop in efficiency.
Simulated efficiency for various incident angle TE mode.
Efficiency for different resistive loads
The simulated efficiency is calculated for different resistive loads ranging from 50 to 200 Ω. As shown in Fig. 24, the resistive load of 50 Ω yielded the highest efficiency compared to the other higher values. A lower resistive load allows for more effective energy transfer, minimizing energy dissipation as heat. Higher resistive loads, on the other hand, tend to dampen the resonator’s response, reducing the overall energy harvesting potential.
Efficiency as a function of frequency for various resistive loads.
Validating the energy harvesting efficiency (EH-E) of a 3 × 3 array in an anechoic chamber
The EH-E of the fabricated 3 × 3 MM array harvester was tested in a controlled environment, specifically an anechoic chamber. The measurement of the EH-E involved using different components, including signal generators, adaptors, Horn antenna, and spectrum analyzers. The array is positioned at an optimal distance (R) from the transmitter antenna. Optimal positioning was essential to achieve maximum harvesting efficiency. The distance can be calculated using Eq. (11) 30.
The aperture area of the antenna is represented by \(\text{D}\), while the wavelength is denoted by \(\uplambda\). Figure 25 presents the schematic diagram of the experimental setup, while Fig. 26 shows the actual setup conducted in an anechoic chamber.
Schematic representation of the 3 × 3 array efficiency measurement in the anechoic chamber.
Actual measuring setup of the 3 × 3 array efficiency measurement in the anechoic chamber.
Furthermore, the EH-E in percentage was calculated using Eq. (12) 31.
The overall power supplied to the loads is denoted by \({\sum \text{P}}_{\text{Load}}\), while the power incident on the array structure surface is represented by \({\text{P}}_{\text{Incident}}\).
The voltage across the resistance of each collector is represented by \({\text{V}}_{\text{i}}\), is calculated using \({\text{R}}_{\text{i}}\). \(\text{N}\) indicates the overall quantity of cross-dipole elements. The equation for \({\text{P}}_{\text{Incident}}\) can be defined more precisely as follows:
The transmitting antenna’s power is denoted as \({\text{P}}_{\text{t}}\), whereas its gain is represented as \({\text{G}}_{\text{t}}\). \(\text{A}\) represents the functional surface area of the array structure.
Figure 27 displays the efficiency of the proposed harvester, both in simulation and through actual measurements. The efficiency measured at 3.5 GHz is 95%, while at 5.5 GHz it is 94.8%. The slight variation between the simulated and measured efficiencies can be attributed to fabrication complexities, measurement port losses, and calibration errors. Nevertheless, the simulated and measured efficiencies appear to be nearly identical. Table 3 compares the proposed work and other work in the same area. The proposed harvester demonstrates superior harvesting efficiency when compared to the previous work cited in18,22,27,32,33. While some studies, such as32,34, may be smaller than the proposed work, their efficiencies are significantly lower.
Simulated and measured harvesting efficiency of 3 × 3 array structure.
In contrast, the proposed harvester combines optimal size with unprecedented efficiency, outperforming state-of-the-art designs in all-around EH metrics and especially critical functionalities like multiband frequency coverage (capability), polarization independence & wide-angle reception. As cited in32,34, compact designs are limited to operating within a specific frequency band or narrow tuning range over several bands. This limitation affects their global nominal efficiency since they cannot collect and transform energy as efficiently as the design because this latter covers a broader frequency domain.
The polarization insensitivity and a broad range of incident angles in EH are other features that the proposed harvester has added compared to other works. Because the designs in18,22,27,32,33 are not as adaptable, they result in decreased efficiency for changing angles and polarizations that arise more frequently when radio links move to real-world applications. Hence, the presented harvester surpasses the efficiency that dominant designs have used. Due to improved functional versatility, it is more suitable for a wide range of EH environments.
Conclusion
A compact and polarization-insensitive MM energy harvester is proposed in this work. The harvester is designed with copper strips on Roger 5880 substrate and has an overall dimension of (10 × 10) mm2. The harvester can operate at two resonance frequencies: 3.5 GHz and 5.5 GHz. The absorption responses were recorded for various polarization and incident angles for the TE and TM modes. The proposed MM devices demonstrated a remarkable simulated harvesting efficiency of 97% and 98% at 3.5 and 5.5 GHz, respectively. The proposed harvester results were confirmed by fabricating an MM unit cell and a 3 × 3 array structure. The unit cell underwent testing using a VNA to measure the \({\text{S}}_{11}\) and \({\text{S}}_{21}\). The EH-E of the 3 × 3 array was measured in the anechoic chamber. The efficiency measurements were 95% at 3.5 GHz and 94.8% at 5.5 GHz. There was a strong correlation between the simulated and measured efficiency. The proposed harvester’s efficiency, polarization insensitivity, and compact size make it a promising option for EH applications.
Data availability
The data supporting this study’s findings are available from the corresponding author upon reasonable request.
References
Cao, Y., Ruan, C., Chen, K. & Zhang, X. Research on a high-sensitivity asymmetric metamaterial structure and its application as microwave sensor. Sci. Rep. 12(1), 1–20. https://doi.org/10.1038/s41598-022-05255-2 (2022).
Paul, L. C. et al. Design and performance exploration of a DGS metamaterial MPA by etching four dual isosceles triangular defects on the ground plane. Int. Conf. Comput. Commun. Chem. Mater. Electron. Eng. https://doi.org/10.1109/IC4ME2.2018.8465670 (2018).
Bakir, M., Karaaslan, M., Dincer, F., Akgol, O. & Sabah, C. Electromagnetic energy harvesting and density sensor application based on perfect metamaterial absorber. Int. J. Mod. Phys. B 30, 1650133. https://doi.org/10.1142/S0217979216501332 (2016).
Zhang, T. et al. Asymmetric electric field distribution enhanced hierarchical metamaterials for radar-infrared compatible camouflage. J. Mater. Sci. Technol. 146, 10–18. https://doi.org/10.1016/j.jmst.2022.10.043 (2023).
Quan, C. et al. High-temperature resistant broadband infrared stealth metamaterial absorber. Opt. Laser Technol. 156, 108579. https://doi.org/10.1016/j.optlastec.2022.108579 (2022).
Bağmancı, M. et al. Broadband multi-layered stepped cone shaped metamaterial absorber for energy harvesting and stealth applications. Eng. Reports https://doi.org/10.1002/eng2.12903 (2024).
Li, Z., Cheng, Y., Luo, H., Chen, F. & Li, X. Dual-band tunable terahertz perfect absorber based on all-dielectric InSb resonator structure for sensing application. J. Alloys Compd. 925, 166617. https://doi.org/10.1016/j.jallcom.2022.166617 (2022).
Jiang, L. et al. A high-quality-factor ultra-narrowband perfect metamaterial absorber based on monolayer molybdenum disulfide. Chin. Phys. B https://doi.org/10.1088/1674-1056/ac1e11 (2022).
Ullah, N. et al. A compact-sized four-band metamaterial-based perfect absorber for electromagnetic energy harvesting applications. Opt. Laser Technol. 168, 109836. https://doi.org/10.1016/j.optlastec.2023.109836 (2023).
Ullah, N. et al. An efficient, compact, wide-angle, wide-band, and polarization-insensitive metamaterial electromagnetic energy harvester. Alexandria Eng. J. 82(October), 377–388. https://doi.org/10.1016/j.aej.2023.10.015 (2023).
Ullah, N. et al. A compact complementary split ring resonator ( CSRR ) based perfect metamaterial absorber for energy harvesting applications. Eng. Sci. Technol. an Int. J. 45, 101473. https://doi.org/10.1016/j.jestch.2023.101473 (2023).
Ullah, N. et al. Compact dual-band metamaterial absorber: Enhancing electromagnetic energy harvesting with polarization-insensitive and wide-angle capabilities. Opt. Laser Technol. 175, 110829. https://doi.org/10.1016/j.optlastec.2024.110829 (2024).
Evangeline Persis, G. P., John Paul, J., Bella Mary, T. & Catherine Joy, R. A compact tilted split ring multiband metamaterial absorber for energy harvesting applications. Mater. Today Proc. 56, 368–372. https://doi.org/10.1016/j.matpr.2022.01.206 (2022).
Ramahi, O. M., Almoneef, T. S., Alshareef, M. & Boybay, M. S. Metamaterial particles for electromagnetic energy harvesting. Appl. Phys. Lett. https://doi.org/10.1063/1.4764054 (2012).
Duan, X., Chen, X., Zhou, Y., Zhou, L. & Hao, S. Wideband metamaterial electromagnetic energy harvester with high capture efficiency and wide incident angle. IEEE Antennas Wirel. Propag. Lett. 17(9), 1617–1621. https://doi.org/10.1109/LAWP.2018.2858195 (2018).
Xiao, H. et al. Metamaterial based piezoelectric acoustic energy harvesting: Electromechanical coupled modeling and experimental validation. Mech. Syst. Signal Process. 185, 109808. https://doi.org/10.1016/j.ymssp.2022.109808 (2023).
Amer, A. A. G. et al. Dual-band, wide-angle, and high-capture efficiency metasurface for electromagnetic energy harvesting. Nanomaterials 13(13), 1–16. https://doi.org/10.3390/nano13132015 (2023).
Alavikia, B., Almoneef, T. S. & Ramahi, O. M. Complementary split ring resonator arrays for electromagnetic energy harvesting. Appl. Phys. Lett. 107(3), 1–6. https://doi.org/10.1063/1.4927238 (2015).
Ghaderi, B., Nayyeri, V., Soleimani, M. & Ramahi, O. M. Pixelated metasurface for dual-band and multi-polarization electromagnetic energy harvesting. Sci. Rep. 8(1), 1–13. https://doi.org/10.1038/s41598-018-31661-6 (2018).
Agrahari, R. et al. Triple-band metasurface absorber for RF energy harvesting applications. Microw. Opt. Technol. Lett. 65(8), 2252–2261. https://doi.org/10.1002/mop.33728 (2023).
Xiao, Z., Lv, F., Li, W., Zou, H. & Li, C. A three-dimensional ultra-broadband and polarization insensitive metamaterial absorber and application for electromagnetic energy harvesting. Waves Random Complex Med. 31(6), 2168–2176. https://doi.org/10.1080/17455030.2020.1733705 (2021).
Zhong, H. T., Yang, X. X., Song, X. T., Guo, Z. Y. & Yu, F. Wideband metamaterial array with polarization-independent and wide incident angle for harvesting ambient electromagnetic energy and wireless power transfer. Appl. Phys. Lett. https://doi.org/10.1063/1.4986320 (2017).
Lee, G., Lee, S. J., Rho, J. & Kim, M. Acoustic and mechanical metamaterials for energy harvesting and self-powered sensing applications. Mater. Today Energy 37, 101387. https://doi.org/10.1016/j.mtener.2023.101387 (2023).
Fowler, C., Silva, S., Thapa, G. & Zhou, J. High efficiency ambient RF energy harvesting by a metamaterial perfect absorber. Opt. Mater. Express 12(3), 1242. https://doi.org/10.1364/ome.449494 (2022).
Alavikia, B., Almoneef, T. S. & Ramahi, O. M. Electromagnetic energy harvesting using complementary split-ring resonators. Appl. Phys. Lett. https://doi.org/10.1063/1.4873587 (2014).
Ghaderi, B., Nayyeri, V., Soleimani, M. & Ramahi, O. M. Multi-polarisation electromagnetic energy harvesting with high efficiency. IET Microwaves, Antennas Propag. 12(15), 2271–2275. https://doi.org/10.1049/iet-map.2018.5011 (2018).
Zhong, H. T., Yang, X. X., Tan, C. & Yu, K. Triple-band polarization-insensitive and wide-angle metamaterial array for electromagnetic energy harvesting. Appl. Phys. Lett. 109(25), 1–5. https://doi.org/10.1063/1.4973282 (2016).
Chen, X., Grzegorczyk, T. M., Wu, B. I., Pacheco, J. & Kong, J. A. Robust method to retrieve the constitutive effective parameters of metamaterials. Phys. Rev. E Stat. Phys. Plasmas Fluids Relat. Interdiscip. Top 70(1), 7. https://doi.org/10.1103/PhysRevE.70.016608 (2004).
Bağmancı, M. et al. Broadband multi-layered stepped cone shaped metamaterial absorber for energy harvesting and stealth applications. Eng. Rep. https://doi.org/10.1002/eng2.12903 (2024).
Balanis, C. A. Antenna theory analysis and design 3rd edn, 34 (Wiley, 2005).
Ashoor, A. Z. & Ramahi, O. M. Polarization-independent cross-dipole energy harvesting surface. IEEE Trans. Microw. Theory Tech. 67(3), 1130–1137. https://doi.org/10.1109/TMTT.2018.2885754 (2019).
Zhang, X., Liu, H. & Li, L. Tri-band miniaturized wide-angle and polarization-insensitive metasurface for ambient energy harvesting. Appl. Phys. Lett. https://doi.org/10.1063/1.4999327 (2017).
Hu, W. et al. Low-cost air gap metasurface structure for high absorption efficiency energy harvesting. Int. J. Antennas Propag. https://doi.org/10.1155/2019/1727619 (2019).
El Badawe, M., Albishi, A. & Ramahi, O. M. Polarization independent dual-band RF energy harvester. IET Conf. Publ. 2018(CP741), 23–25. https://doi.org/10.1049/cp.2018.0695 (2018).
Ahmed, A., Amer, G., Sapuan, S. Z. & Adel, Y. I. Efficient metasurface for electromagnetic energy harvesting with high capture efficiency and a wide range of incident angles. J. Electromagn. Waves Appl. https://doi.org/10.1080/09205071.2022.2128898 (2022).
El Badawe, M., Almoneef, T. S. & Ramahi, O. M. A metasurface for conversion of electromagnetic radiation to DC. AIP Adv. https://doi.org/10.1063/1.4978321 (2017).
Ghaneizadeh, A., Mafinezhad, K. & Joodaki, M. Design and fabrication of a 2D-isotropic flexible ultra-thin metasurface for ambient electromagnetic energy harvesting. AIP Adv. https://doi.org/10.1063/1.5083876 (2019).
Almoneef, T. S., Erkmen, F. & Ramahi, O. M. Harvesting the energy of multi-polarized electromagnetic waves. Sci. Rep. 7(1), 1–14. https://doi.org/10.1038/s41598-017-15298-5 (2017).
Acknowledgements
The authors would like to acknowledge the Telekom Malaysia Research & Development grant, RDTC 221039, MMUE/220015, TM, Malaysia.
Funding
This work is supported and funded by a Telekom Malaysia Research & Development grant, RDTC 221039, MMUE/220015, TM, Malaysia.
Author information
Authors and Affiliations
Contributions
N.U: Writing—original draft, Methodology, Investigation, Conceptualization. M.T.I: Visualization, Resources, Project administration, Data curation. A.H: Supervision, Formal analysis, validation. M.A.K: Writing—review & editing H.A: Investigation, Validation. M.S.S: Writing—review & editing, Funding acquisition. M.S.I: Supervision, Software, Project administration, Funding acquisition.
Corresponding authors
Ethics declarations
Competing interests
The authors declare no competing interests.
Additional information
Publisher’s note
Springer Nature remains neutral with regard to jurisdictional claims in published maps and institutional affiliations.
Rights and permissions
Open Access This article is licensed under a Creative Commons Attribution-NonCommercial-NoDerivatives 4.0 International License, which permits any non-commercial use, sharing, distribution and reproduction in any medium or format, as long as you give appropriate credit to the original author(s) and the source, provide a link to the Creative Commons licence, and indicate if you modified the licensed material. You do not have permission under this licence to share adapted material derived from this article or parts of it. The images or other third party material in this article are included in the article’s Creative Commons licence, unless indicated otherwise in a credit line to the material. If material is not included in the article’s Creative Commons licence and your intended use is not permitted by statutory regulation or exceeds the permitted use, you will need to obtain permission directly from the copyright holder. To view a copy of this licence, visit http://creativecommons.org/licenses/by-nc-nd/4.0/.
About this article
Cite this article
Ullah, N., Islam, M.T., Hoque, A. et al. High-efficient, polarization-insensitive, wide-angle, compact metamaterial energy harvester for S-band and C-band applications. Sci Rep 14, 24841 (2024). https://doi.org/10.1038/s41598-024-75970-5
Received:
Accepted:
Published:
Version of record:
DOI: https://doi.org/10.1038/s41598-024-75970-5





























