Fig. 5
From: Elevator fault diagnosis based on digital twin and PINNs-e-RGCN

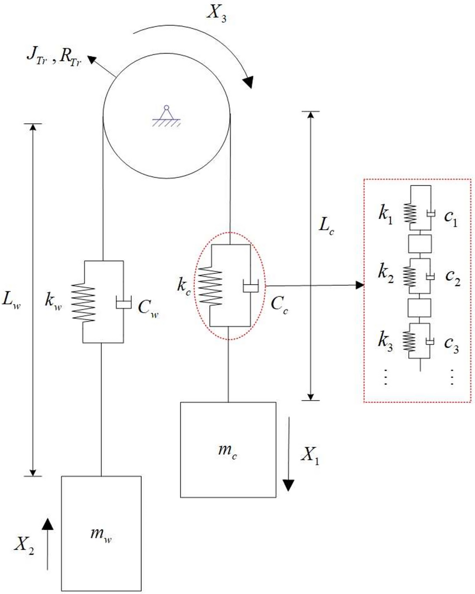
Mechanical model of vertical vibration in 3 degrees of freedom for 1:1 traction elevator.
From: Elevator fault diagnosis based on digital twin and PINNs-e-RGCN

Mechanical model of vertical vibration in 3 degrees of freedom for 1:1 traction elevator.