Abstract
The rapid development of urbanization has led to a continuous rise in number of elevators. This has led to elevator failures from time to time. At present, although there are some studies on elevator fault diagnosis, they are more or less limited by the lack of data to make the research more superficial. For such complex special equipment as elevator, it is difficult to obtain reliable and sufficient data to train the fault diagnosis model. To address this issue, this paper first establishes a numerical model of vertical vibration for elevators with three degrees of freedom. The obtained motion equations are then used as constraints to acquire simulated vibration data through PINNs. Next, the proposed e-RGCN is employed for elevator fault diagnosis. Finally, experimental validation shows that the fault diagnosis accuracy with the participation of digital twins exceeds 90%, and the accuracy of the proposed model reaches 96.61%, significantly higher than that of other comparative models.
Similar content being viewed by others
Introduction
Elevators are essential for convenient vertical transportation in tall buildings. Research indicates that urban areas now accommodate 55% of the global population. As urbanization advances swiftly, the proliferation of elevators also increases1. In response to the severe challenges of elevator safety management, various regions have established comprehensive emergency response platforms for elevators. They have implemented telephone hotlines or call systems and assembled professional response teams, providing crucial support for the rapid and proper handling of elevator safety incidents2,3. However, As the number of elevators continues to rise and existing equipment ages, the phenomenon of abnormal elevator vibration has become more and more common4. The imbalance between the number of responders and the number of elevators. As well as the accumulation of professional experience is not enough to meet the needs of the rapidly growing number of elevator abnormalities, etc. have come to the fore. Therefore, there is an urgent need to research and implement new intelligent processing technologies for elevators5,6.
However, most of the technical work is somewhat hampered, mainly because real elevators are rarely connected to virtual models, which results in the inability to effectively utilize the large amount of operational data generated by real elevators. In the current era of Cyber-Physical Systems (CPS) development, the focus on virtual environments and the seamless integration of physical and virtual spaces are essential for enhancing elevator fault diagnosis7. In this context, it is crucial to introduce digital models of devices and their data in virtual space to accurately depict the behavior of real entities. Although some potential applications have been explored8,9, there are still prominent shared challenges to achieving integration between physical and virtual spaces. There are several issues, including: (1) Establishing high-fidelity digital models to provide a comprehensive description of the equipment; (2) Establishing interactions between the equipment and the digital models to seamlessly support fault diagnosis; (3) Integrating data from both physical and virtual spaces to generate precise fault information10.
With the rapid advancement of technologies like the Internet, artificial intelligence, and digital twins, these advancements are gradually becoming valuable opportunities in elevator fault diagnosis11. Digital twin technology enables the digital representation of real-world scenarios. By perceiving and analyzing scene elements and constructing models, it achieves bidirectional real-time mapping between physical entities and virtual models. Supported by simulation verification, it aids in extrapolating trends in real-world scenario changes. It also demonstrates significant application advantages in remote monitoring, state monitoring, and control optimization of specialized equipment12,13,14. In order to solve the problems of inaccurate features and slow convergence of traditional brake performance prediction models for elevators, GAO P et al.15 proposed the prediction and evaluation of elevator braking performance based on digital twin. By deploying sensors to monitor the multidimensional data of the elevator and using intelligent gateways for real-time dynamic data collection, they built a high-fidelity model of the elevator. This approach achieves bidirectional mapping and dynamic interaction between the physical entity of the elevator and its digital twin. WANG J et al.16 propose a digital twin reference model for fault diagnosis of rotating machinery. And the construction demands of the digital twin model were discussed. A model correction scheme based on parameter sensitivity analysis is proposed to increase the adaptability of the digital twin model.
Although there have been some studies on digital twins for elevators, the definition of digital twins remains somewhat ambiguous. Currently, the research on digital twins is just in its infancy, with few studies exploring the integration of elevator fault mechanisms with digital twins. However, combining fault numerical models with fault diagnosis methods can create a comprehensive digital twin model. This makes establishing a digital twin model for elevators the feasible direction to pursue.
There is already a foundation for numerical modeling of elevators. PENG Q et al.17 proposed an analytical model of elevator vibration and established a numerical model of vertical vibration of elevator with three degrees of freedom. The characteristics of the three-degree-of-freedom system were analyzed, and the intrinsic frequency and vibration mode of the system were obtained. And the free vibration equations and forced vibration equations were obtained through the analysis, and finally the theoretical solution of the system was found; TIAN Z et al.18 studied the dynamic modeling and numerical solution of a typical elevator system, and comprehensively described the dynamics of elevator car, frame, traction system and tension system.
Current research on elevator fault diagnosis is still mainly focused on the use of real elevator data. QIU C et al.4 proposed an elevator fault diagnosis method based on Recursive Feature Elimination (RFE)-SMOTE-Tomek and IAO-XGBoost to address the sample imbalance and hyper-parameter rectification problems of the XGBoost model. This research can better predict potential faults and take preventive maintenance measures so as to extend the service life of elevators and improve their reliability; ZHAO M et al.19 proposed and developed a deep residual contraction network model inspired by the residual blocks in the deep learning model ResNet. This model aims to enhance the learning capability of high-noise vibration signal features in elevators and was used for fault diagnosis using data; Mishra et al.20 applied deep learning to predict elevator faults based on time-series data from elevator operations. They used neural networks to extract features from the time-series vibration data of elevators for their research.
The goal of digital twins is certainly to enhance the accuracy of elevator fault diagnosis. While numerical simulation methods have achieved significant success, their further development faces numerous challenges and limitations21. Considering the limited availability of fault data for elevators and the advantages of digital twins, this paper introduces Physics-Informed Neural Networks (PINNs) to construct a digital twin model for elevator fault diagnosis.
Physically-informed neural networks bridge the gap between artificial neural networks and physical systems by introducing the system’s control equations into the loss function of the artificial neural network as an additional criterion22,23. This approach allows for the construction of digital twin models that adhere to physical laws. The history of PINNs can be traced back to the end of the last century24,25. Psichogios et al.25,26 proposed a hybrid learning approach that integrates physical laws (such as mass balance or energy balance) into the network architecture. The results indicate that compared to standard “black-box” machine learning methods, this hybrid approach incorporating physical information can achieve better generalization and extrapolation capabilities. Lagaris et al.26 successfully solved the problem of solving different partial differential equations (PDE)/orthogonal differential equations (ODE) considering initial/boundary conditions. In this article, the first option is that they try to modify the structural design of the PINNs to satisfy hard initial/boundary conditions, and the other option is to try to implement the output from the neural network to satisfy the partial differential equations/ordinary differential equations. Recently, Raissi et al.27 applied PINNs to solve the PDE directly. They added the loss values on the initial/boundary conditions and the residuals on the PDE to the loss function of the neural network. The core of PINNs is the incorporation of a priori information, such as known laws of physics and partial differential equations/ordinary differential equations, into the neural network. In this way, the output produced by the network can be constrained by the laws of physics. Compared to traditional data-driven approaches, PINNs can successfully mitigate the overfitting problem and can maintain robustness with small amounts of data or even imperfect data28. Its potential for solving both positive and inverse problems has been successfully demonstrated. So far, this method has been applied to various research areas, including fluid mechanics29,30 and solid mechanics31. An advantage of PINNs is their ability to remain versatile as the structural characteristics of the system change, which is especially critical in the control and diagnosis of damaged systems32,33. Haghighat has developed an advanced neural network application programming interface (API), SciANN, to facilitate PINNs applications. The main advantage of SciANN is the possibility of defining the derivatives of the variables in physical equations34,35. Jagtap et al.36 introduced Conservative Physical Information Neural Networks (cPINNs) for nonlinear conservation laws. Kharazmi et al.37 introduced the Petrov-Galerkin formulation in PINNs and proposed variational physics-informed neural networks (VPNNs). By generalizing to hp-Variational Physics-Informed Neural Networks (hp-VPNNs), they extended this work to achieve a combination of global approximation and local learning.
Currently, most PINNs methods are primarily used to solve PDE or ODE. Given these issues, this paper combines PINNs with Graph Convolutional Networks (GCN) to construct a digital twin elevator fault diagnosis model. Below are the key technologies of this paper:
-
(1)
A four-dimensional digital twin model framework is proposed, which can more effectively represent digital twin systems compared to traditional frameworks. This framework is used to construct a digital twin system for elevator fault diagnosis, providing a visual demonstration of the entire system.
-
(2)
To address the issue of insufficient elevator fault vibration data, a three-degree-of-freedom vertical vibration dynamics model for elevators was constructed using actual data. By integrating physical information through Physics-Informed Neural Networks (PINNs), a dataset combining real and simulated fault vibrations was developed. Experimental validation confirmed the feasibility of the constructed dataset.
-
(3)
The e-RGCN (Epsilon Recurrent Network-Graph Convolutional Network) fault diagnosis algorithm is proposed, introducing an \(\epsilon\)-constraint to enhance the algorithm’s robustness and fault tolerance. The innovation of this algorithm lies in the seamless integration of recurrent networks with graph convolutional networks, utilizing the \(\epsilon\)-constraint to process vibration data graphically.
This paper is structured as follows: Section 1 introduces the relevant background knowledge and current research status. Section 2 primarily discusses the theoretical foundations of building digital twins. Section 3 presents the construction methods for the digital twin system of elevator fault diagnosis. Section 4 details the feasibility and accuracy validation of the fault diagnosis system through related experiments. Section 5 concludes with a summary and discusses future research directions and shortcomings.
Theoretical background
Physically-informed neural networks
PINNs are a class of neural networks that can be used to solve supervised learning tasks proposed in 2019 by a team at Brown University27. Compared to traditional data-driven Artificial Neural Networks (ANNs)38, PINNs not only possesses the capability to learn the distribution patterns of data samples but also utilizes mathematical equations expressing physical laws to guide the model. This enhancement allows PINNs to better utilize physics-based knowledge to improve its predictive and classification abilities39. A typical PINNs composition is shown schematically in Fig. 1.
Neural Network Layer: The neural network layer is a key component of PINNs, used to establish nonlinear or linear relationships. Typically, a neural network layer comprises input, hidden, and output layers. The input layer receives input data and physical parameters, while the hidden and output layers learn the relationships between input data and physical equations40.
Physics-Informed Layer: The physics-informed layer is another key component of PINNs, used to embed physical equations into the neural network. This layer typically includes PDE or ODE along with their corresponding boundary conditions (BC) and initial conditions (IC). These elements constrain the neural network’s output to satisfy the requirements of the physical equations41.
Loss Function: The loss function of PINNs typically consists of two parts. One part measures the discrepancy between the neural network’s output and the true values, and the other part measures the discrepancy between the neural network’s output and the residuals of the physical equations. By minimizing the loss function, the model can simultaneously optimize the fitting accuracy of the neural network and the satisfaction of the physical equations.
The basic principle of PINNs is to apply the approximation capabilities of neural networks to solve physical equations. By using backpropagation, the gradients of the loss function with respect to the network parameters can be computed from the neural network’s output. Then, optimization algorithms such as gradient descent can be used to adjust the network parameters, making the neural network’s output gradually approach the true values and meet the requirements of the physical equations42.
Graph convolutional neural network
In fault diagnosis of elevators, mining the relationship between data is an indispensable means of fault diagnosis. Monitoring the relationship between signals and modeling is one of the most effective diagnostic methods. However, fault data is loosely structured and cannot form structured information data, which makes many deep learning models ineffective43,44. GCN as a neural network can be used to generate graphical models by introducing correlation graphs to obtain relationships between data, which can structurally model the data and improve the performance of the models43,44,45.
Parallel to the idea of CNN, the essence of graph convolution is to define a filter on the spectral domain of the graph46, It follows from the convolution theorem:
Where x and y are vertex-domain signals, \(U^Tx\) is the graphical Fourier transform of point feature x, \(\odot\) denotes the Hadamard product, \(*_G\) denotes the graph convolution, and \(U^Ty\) is called the spectral domain graph filter. Let \(U^Ty\)=[\(\theta _0\),\(\theta _1\),...,\(\theta _(n-1)\)], \(g_\theta\)=diag([\(\theta _0\),\(\theta _1\),...,\(\theta _(n-1)\) ]),then:
Where \(g_\theta\) is the graph convolution kernel, this combines the graph Fourier transform and graph convolution. But there are some fatal flaws: requires feature decomposition, high complexity of \(o(n^2)\), and nonlocalization in the node domain. To overcome these drawbacks, the Defferrar et al.47 utilize Chebyshev polynomials to approximate \(g_\theta\), viz:
The graph convolution of Chebyshev network (ChebyNet) can be obtained defined as:
In Eq. (4): \(\tilde{L}=\frac{2L}{\lambda _max}-I_n\) is the rescaled eigenvalue, \(\lambda _max\) is the maximum eigenvalue of L, K is the order of the Chebyshev polynomial, \(\beta\) is the coefficients of the Chebyshev polynomial, \(T_k(\tilde{L})\) is the Chebyshev polynomial, and the Kth-order Chebyshev whose expression is:
By approximating the Chebyshev polynomials, the feature decomposition is avoided, the complexity is reduced from \(o(n^2)\) to o(E), and it is localized in the vertex domain.
Kipf et al.48 mad \(\lambda _max=2\), K = 2, \(\beta _0=\beta _1=1\), and proposed GCN, as:
Normalizing \(I_n+D^{-\frac{1}{2}}AD^{\frac{1}{2}}\) to \(\tilde{D}^{-\frac{1}{2}}\tilde{A}\tilde{D}^{\frac{1}{2}}\), where \(\tilde{A}=A+I_n\) ,yields the following expression for the GCN layer:
Where \(\hat{A}=\tilde{D}^{-\frac{1}{2}}\tilde{A}\tilde{D}^{\frac{1}{2}}\) , \(X \in \mathbb {R}^{n \times f_{in}}\) is the node input feature matrix, \(W \in \mathbb {R}^{f_{in} \times f_{out}}\) is the learnable graph filter parameter matrix, \(Z \in \mathbb {R}^{n \times f_{out}}\) is the output feature matrix after one layer of graph convolution. The GCN is illustrated in Fig. 2. As shown, the essence of the GCN lies in aggregating the features of neighboring nodes. By leveraging the relationships between nodes, GCN enable graph learning, which can be used for tasks such as node classification and graph classification
Methods
In this paper, we propose a method for building an elevator fault diagnosis system based on digital twin PINNs-e-RGCN. PINNs-e-RGCN represents two interconnected network models. The main task of the PINNs as a generator is to predict the vibration data of the elevator. The e-RGCN as a discriminator receives the predicted values from the PINNs as well as the actual values obtained from the measurements to further diagnose the actual type of elevator faults. Traditional elevator fault diagnosis usually relies on manual inspection and experience, which may be subjective and inaccurate. In contrast, digital twin systems integrate physical models, deep learning algorithms, real-time and historical data to monitor the operational status of elevators in real time and quickly diagnose faults that occur. By establishing a digital twin model of elevators, it becomes feasible to simulate their real-time operation and derive simulated operational data. This approach not only describes the real-time operation of actual elevators but also establishes a virtual connection to facilitate timely diagnosis of faults. Moreover, it can even proactively identify potential faults and anomalies before they occur. To summarize, the elevator digital twin model can not only improve the accuracy and efficient of elevator fault diagnosis, but also realize preventive maintenance, reduce maintenance cost, and improve the safety of elevators. The overall technical workflow is shown in Fig. 3. The following sections will provide a detailed explanation of the implementation process of the entire technical workflow.
Four-dimensional model of elevator digital twin fault diagnosis
The elevator digital twin fault diagnosis system is essentially an integrated system comprising physical models, virtual models, interactive data, diagnostic algorithms, software platforms, and other components. Building upon this foundation, this paper proposes a four-dimensional model for the elevator digital twin fault diagnosis system. This model includes of physical space, virtual space, interactive space, and service space. The framework of this model is constructed as shown in Eq. (8):
where PS denotes physical space, VS denotes virtual space, IS denotes interaction space, and SS denotes service space. According to Eq. (8), the framework of the elevator is shown in Fig. 4.
PS is the basis of the EDTM , which is a collection of physical entities involved in the operation of the elevator digital twin troubleshooting system. These entities are responsible for activities such as collection and measurement, thereby providing physical dimension data and operational data of the elevator. As shown in Eq. (9):
where \(PE_K\) denotes the physical entities in the physical space, mainly including various parts of the elevator and various types of sensors.
VS is a digital portrayal and description of PS, which is intended to be highly similar to PS, while providing visualization and interaction capabilities for the service. As shown in Eq. (10)):
Where \(VE_K\) denote a virtual entity in the virtual space, which corresponds one-to-one with \(PE_K\) in the physical space. In the VS of EDTM, the VE is a dynamically running geometric model that is continuously updated as real-time twin data are generated, thus enabling synchronization with the entity elevators in PS.
IS is the bridge between PS, VS and SS to realize the data exchange among them. As shown in Eq. (11):
Where TD denotes twin data and PL denotes platform. TD is the core driver for the operation of the digital twin geometry model of the elevator, as shown in Eq. (12):
In the formula, \(TD_{VE}\) indicates the virtual entity data, which is mainly the geometry-related data of the digital model, including the geometric dimension data involved in 3D modeling and the vibration data obtained from measurements, etc.; \(TD_{VK}\) indicates the physical entity data, which mainly includes the rated data of the elevator parts and the geometric information data. \(TD_{SS}\) represents the relevant data in the service space, such as the model data of Computer Aided Design (CAD), the model data constructed by SolidWorks, the elevator vibration simulation data derived according to the algorithm, and the elevator fault diagnosis result data derived according to the neural network.
The PL provides tools and third-party libraries for supporting services, mainly for modeling, visualization, interaction, measurement and measurement data processing. For example, modeling of PS is accomplished using SolidWorks software. The geometric design of the virtual entity of the elevator is created with 3DMax. Visualization and interactive handling of three-dimensional data and models are executed using Python in conjunction with Unity3D. Application visualization, namely Graphical User Interface (GUI) design, is implemented using Unity3D. The accelerometer selected for vibration measurement is a mature product available on the market. Based on the development tools it provides, it can be quickly and conveniently connected to development software to perform measurement and control functions. Measurement data processing primarily relies on algorithms provided by Python.
SS provides elevator fault diagnosis techniques to build up a digital twin geometric model for fault diagnosis during elevator operation. This is shown in Eq. (13):
Where, \(S_c\) indicates elevator operation data monitoring, \(S_m\) indicates elevator fault warning report, \(S_p\) indicates elevator fault diagnosis, \(S_d\) indicates elevator simulation fault data generation.
Vertical numerical model of the elevator
Based on the discussion in 3.1, this section utilizes data collected by PS from various elevator components to construct a numerical model capable of simulating the real operational conditions of the elevator in the vertical direction. Through this constructed numerical model, simulated vibration data in the vertical direction of the elevator can be obtained from \(TD_{SS}\), thereby achieving functions \(S_p\) and \(S_d\).
In common traction elevators, the traction ratio is typically 1:1 or 1:2. It is rare to find elevators with ratios like 1:3 or 1:4. Drawing from real-world elevators and simplifying calculations appropriately, this paper constructs a numerical model for a 1:1 traction elevator in the vertical direction. To streamline the study, this paper focuses solely on investigating vertical vibration status of the elevator.
Elevator is a complex mechatronic device. For analysis and calculation purposes, this study makes the following basic assumptions about the elevator system:
-
(1)
Assume that every wire rope of the elevator remains under uniform tension at all times;
-
(2)
Assume that multiple wire ropes can be considered as a single rope, which has a cross-sectional area equal to the sum of the cross-sectional areas of the wire ropes;
-
(3)
Assume that the wire rope deformation in accordance with Hooke’s law and its elastic modulus along the entire wire rope length along to remain constant;
-
(4)
The elasticity between the substrate and the tractor is not taken into account;
-
(5)
To regard the car and the distribution weight as rigid bodies, and to regard the traction sheave and the tension sheave as rigid pulleys;
-
(6)
Neglecting the elasticity and mass of the wire rope in close contact with the traction sheave and tension sheave.
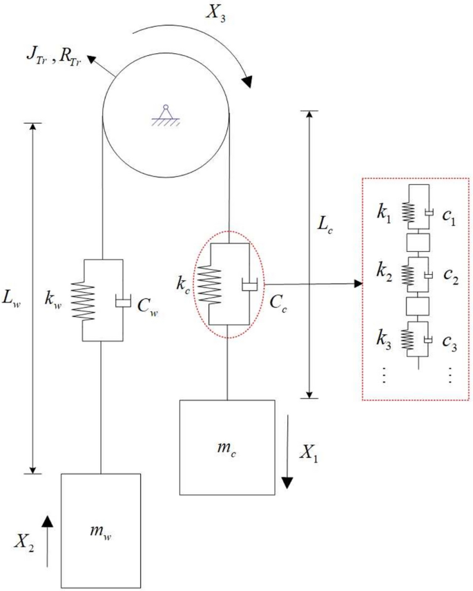
To simplify the study and align with real-world elevator research, the elevators studied in this paper do not include compensation ropes (or chains). By comparing the compensation rope to the weight of the car, the weight of the elevator rope can be represented as the weight of the car using Rayleigh’s principle. As a result, the traction and hoisting system of the elevator can be simplified to a 3 degrees of freedom mechanical system consisting of the car, counterweight and traction sheave. This is shown in Fig. 5.
For the 1:1 elevator vertical vibration mechanical model shown in Fig. 5, the following inertia parameters, elastic parameters and damping parameters are mainly composed:
\(m_c\)–Equivalent mass of car and load car;
\(m_w\)–Counterweight quality;
\(k_c,c_c\)–Equivalent stiffness and damping of the wire rope between the car and traction sheave;
\(k_w,c_w\)–Equivalent stiffness and damping of the wire rope between the counterweight and traction sheave;
\(L_c\)–The length of the wire rope between car and traction sheave; the length of the wire rope between t counterweight and traction sheave;
\(L_w\)–The length of the wire rope between counterweight and traction sheave;
\(X_1,X_2,X_3\)–Car vibration line displacement, counterweight vibration line displacement, traction sheave vibration angle displacement;
\(J_{Tr},R_{Tr}\)–The moment of inertia of the sheave and the radius of the rope groove of the sheave.
According to the 3 degree of freedom vertical vibration mechanics model of elevator developed in Fig. 5, assume that all displacements are positive upward and angular displacements are positive counterclockwise. The dynamic equations of the system are established based on the Lagrange equation:
T–Kinetic energy of the system;
U–Potential energy of the system;
D–System dissipation factor;
x–Generalized displacement (or angular displacement);
\(\dot{x}\)–Generalized velocity (or angular velocity);
Q –Generalized force (excitation force or excitation moment).
Where
For \(x_1\) , we have
Since the car is only influenced by the tension of the wire rope in the vertical direction and gravity, above results are substituted into the Eq. (14), we can get
For \(x_2\) , we have
The elevator counterweight is only influenced by the vertical direction of the wire rope tension and gravity, above results are substituted into the Eq. (14), you can get
For \(x_3\) , we have
The inertial force of the system during the start-braking phase of the elevator is used as an excitation source, and the excitation force can be represented as follows:
Equations (19), (21), and (23) constitute the differential equations of motion, which can be expressed in matrix form as follows:
Where,
Where M is the system mass matrix, C is the system damping matrix, K is the system stiffness matrix, and F is the excitation force matrix; \(\ddot{x}\), \(\dot{x}\),x denote the acceleration, velocity and displacement of the system, respectively.
PINNs-e-RGCN elevator fault diagnosis methodology
Ultimately, the entire fault diagnostic system should always be able to correctly and quickly diagnose the faults that have occurred in the elevator. The PINNs-e-RGCN algorithm not only enables real-time fault diagnosis of elevators but also achieves accurate results with minimal data, thereby fulfilling the functions of \(s_m\) and \(s_p\) in SS.
To facilitate the integration of physical information, two interrelated network models are designed to construct the fault diagnosis model. The primary task of the PINNs as a generator is to predict the vibration data of the elevator and output it to the e-RGCN. Then, the e-RGCN acts as a discriminator, receiving the predicted values from PINNs and the actual measured values to further diagnose the actual fault types of the elevator. Through these two networks, the elevator’s fault status and fault types can be accurately diagnosed. This method effectively integrates physical knowledge with data-driven models, enhancing accuracy and efficiency of elevator fault diagnosis.
The following is the detailed description of the elevator fault diagnosis construction process of the PINNs-e-RGCN model.
Improved PINNs
Physical neural networks include neural networks that merge physical information into their framework. The method uses known physical principles to define loss functions for optimization purposes.In this study, our goal is to use Physics-Informed Neural Networks (PINNs) to obtain simulated vibration responses. Due to the high cost and difficulty of conducting experiments, it is challenging to collect fault data for elevators. In the section “Vertical Numerical Model of the Elevator,” we established a three-degree-of-freedom vertical vibration dynamics model and derived the equations of motion for the elevator during normal operation. The coefficients of the equations of motion include various parameters of the elevator, such as mass (M), damping (C), stiffness (K), and external force (F). Through the inverse operation of PINNs we obtained the stiffness parameters under the corresponding faults, and the corresponding stiffness parameters were brought into the equations of motion to obtain the equations of motion under the corresponding faults. By incorporating the corresponding equations of motion as constraints into the loss function, PINNs can generate simulated fault vibration data with only a small amount of actual data. The physical loss terms of the PINNs model in this paper include boundary loss, initial value loss, and residual loss of the physical equation. Due to the complexity of the elevator’s vibration dynamics equations, it is challenging to obtain accurate prediction results if the physical loss and network loss are weighted equally. Therefore, this paper introduces a parameter \(\lambda\) into the overall loss function as a physical information regulator to adjust the proportion of physical information in the total loss function, thereby achieving more accurate prediction results. Figure 6 shows the schematic diagram of the improved PINNs model in this paper.
(1) Loss function
The loss function of the PINNs model in this paper consists of two parts: one part is the loss of the neural network \(loss_{nn}=loss_m\) as shown in Eqs. (26) and (27). And the other part is the loss of the physical information \(loss_{phy}=loss_d+loss_b+loss_r\) as shown in Eq. (28), (29) and (30).
Where \(loss_{nn}\) is the loss of the network; \(loss_d\) is the residual of the ordinary differential equation; \(n_d\) and \(n_m\) are the number of sampled data, \(||\cdot ||^2\) denotes the operator of the mean square error (MSE); \(\hat{y}(t_i)\) denotes the predicted value of the neural network and \(y(t_i)\) denotes the actual measured value.
The boundary conditions and initial value conditions for PINNs are as
Where \(t_0\) is initial time; \(t_i\) is any arbitrary time.
Then,
Where \(loss_b\) is loss of the initial value; \(loss_r\) is loss of the boundary; \(n_b\) and \(n_r\) are the number of sampled data, \(||\cdot ||^2\) denotes the operator of the MSE; \(\hat{y}(\cdot )\) denotes the predicted value of the neural network and \(y(\cdot )\) denotes the actual measured value.
Finally, the sum loss function for the improved PINNs model is obtained by summing the two parts of the loss:
\(\lambda\) is the physical information regulator, and as \(\lambda\) increases, the PINNs can conform more to the physical information constraints. The impact of the \(\lambda\) value on the results will be detailed in the experimental section.
(2) Reactivation optimization algorithm
For solving complex differential equations such as the elevator vibration mechanics equations, solving them using PINNs is an optimal process of minimizing a loss function. when using an optimization algorithm with a line search and a convergence criterion, we can predict locally optimal solutions. There are many times when we can take the local optimal solution as the resulting exact solution, but there are also times when the local optimal solution we obtain may be highly biased. In order to avoid large deviations in the solution, we propose a reactivation technique for reactivating the optimization algorithm to go back to the optimal solution. The core idea of the algorithm is to suitably loosen the line search condition of the optimization algorithm after its convergence.
The PINNs in this paper use an Adma optimizer that includes strong Wolfe. In the kth iteration, find the step size \(\alpha _k\) that meets the following conditions
function value reduction condition:
Strong curvature condition:
where \(p_k\) is the search direction, \(c_1\) and \(c_1(0<c_1<c_2<1)\) are constants for the strong Wolfe condition. If no \(\alpha _k\) is found to satisfy the equation start of the kth, the optimization is stopped.
In order to restart the optimization process, the \(\beta\) constant is introduced so that the amplification factor is slightly greater than zero, given by the following Eq. (34):
Equation (34) is used in place of Eqs. (32) and (33) will be used only during the first iteration of reactivation. This lets \(f(x_k+\alpha _kp_k)\) be slightly larger than \(f(x_k)\), making it easier to find \(\alpha _k\) that satisfies Eq. (34). Once the reactivation optimization algorithm is found, it continues to use the standard strong Wolfe conditions, i.e., Eqs. (32) and (33). The reactivation algorithm pseudo-code is shown in Algorithm 1.
The advantage of the reactivation algorithm is the ability to be used repeatedly in a problem. In Algorithm 1, \(\gamma\) is a coefficient used to estimate the effectiveness of the reactivation algorithm. If the value of the loss changes less than \(\gamma\) between two consecutive reactivations , the optimization algorithm is no longer able to reactivate efficiently and the optimization process stops.
(3) Activation function
PINNs is used to solve different partial differential equations with different activation functions having different performance. The tanh function is one of the most commonly used activation functions in many PINNs. This is due to the good continuity and differentiability of the tanh function, which is very important when dealing with the solution of the vibration equation and its derivatives. In this paper, the solutions to the vibration equations are periodic and the vibration response, which is the superposition of a number of harmonics of different frequencies, can be expressed using Fourier series. Therefore, in this paper, we choose to use the sinusoidal function as the activation function instead of the tanh. This is done to better take into account the periodic characteristics of the vibration equation solutions and their derivatives, and to be able to more accurately characterize the periodic variations during the vibration equation solving process.
e-RGCN
Because it is challenging to manually define fault types for elevator issues like abnormal vibrations and bouncing solely from a data perspective, simple rules are insufficient to determine the fault state. Therefore, this paper proposes e-RGCN (Ensemble Recurrent Neural-Graph Convolutional Network) for fault diagnosis. e-RGCN is a fault diagnosis algorithm that combines Recurrent Neural Networks (RNN) and GCN. e-RGCN is a fault diagnosis algorithm that combines RNN and GCN. The algorithm sets a recursive radius through which the association graph is constructed, and then the GCN is able to efficiently identify elevator fault states through the constructed association graph. By integrating multiple models, the e-RGCN is able to excel in handling elevator fault diagnosis tasks, providing more accurate and reliable diagnosis results.
(1) Construction of correlation graphs
RNN is one of the methods of analyzing time series by complex networks. Recurrent networks are an intuitive method of converting temporal sequences into graphs using the regressive nature in mechanical systems. Unlike traditional time series analysis that focuses more on the sample sequence, recurrent network analysis focuses more on the spatial topology of the samples and the relationship between the samples.
Building a graph requires determining the association between the center vertex M and the remaining vectors. They are considered relevant only if the following conditions are met \(d(M_i,M_J)<\epsilon\) , where \(d(\cdot )\) is the Euclidean paradigm number, and \(\epsilon\) is the recursive radius. Two vertices are recurrent pairs only when the condition is satisfied. In addition, the topology of all samples can be obtained by performing pairwise operations on all vectors. The structure of the network is encoded in the form of a recursive matrix as shown in Eqs. (35) and (36).
Where \(\Theta\) is Heaviside function,
Where \(||\cdot ||\) is the Euclidean norm.
The adjacency matrix of a graph can be constructed from the recurrence matrix:
Where \(\delta _{i,j}\) is the Kronecker function, which is given by
With the resulting adjacency matrix we are able to obtain a graph of the vibration signal. Figure 7 illustrates the process of constructing the graph.
(2) Construction of the e-RGCN fault diagnosis network
The e-RGCN classification network proposed in this paper consists of two GCN layers, one fully connected layer and activation function. The GCN layer extracts graph features from the association graph, and the fully connected layer is used as a classifier for elevator fault diagnosis.
The loss function of the e-RGCN model indicates how well the predicted labels match the actual labels.
Where,
Where N is the sample size;C is the number of categories; \(y_{ij}\) is the probability of the jth category in the true label of the ith sample; \(\hat{y}_{ij}\) is the probability of the jth category in the true label of the ith sample.
The e-RGCN model adopts Adam optimizer and introduces the minibatch algorithm to overcome the problem of unstable algorithm due to different samples. Meanwhile, in order to avoid the phenomenon of overfitting caused by adjacency matrix A during the GCN training process, this paper introduces Drop Edge to solve this problem. In the e-RGCN training process, the multilayer GCN mixes the features of the node and its neighbors, and even if an edge is deleted, the information about the node can still be obtained from its neighbors. Drop Edge randomly deletes some edges in the original graph, which increases the generalization of the network. Drop Edge Randomly Deleted Edges
Where A is the input of the GCN; \(A^{\prime}\) is the graph structure after randomly selecting some edges.
For those graphs with X-node features, the output of the layer 1 GCN is the feature vector learned by the layer 1 graph convolutional layer
Where \(W^{(0)}\) is the weight matrix of the 1st graph convolution layer; \(Relu(\cdot )\) is the activation function of the convolutional layer of the 1st layer of the graph.
The final feature vector is obtained by putting the feature vector learned by the GCN in layer 1 into layer 2:
Finally, the learned node features are input to the fully connected layer for classification to get the prediction results:
Where \(softmax(\cdot )\) is the classification function; \(FC(\cdot )\)is the fully connected layer output.
Based on the above steps the e-RGCN model can be constructed as shown in Fig. 8.
Elevator digital twin platform
Based on the digital twin construction method of elevator fault diagnosis system, the digital twin platform for elevator fault diagnosis is constructed. We send the collected operation data of the real-world elevator to the database by 5G network, and Unity3D then reads the operation data from the database to display it to the monitoring platform. The main interface of the elevator digital twin platform and the fault warning interface are shown in Fig. 9.
The location of the elevators that have been networked in the region is displayed in the middle figure, and clicking on the elevator at the location you want to view will lead you to the monitoring interface of that elevator. The status monitoring part is connected to the mobile device to realize real-time monitoring of the status of the real elevator. Users can observe the operation of a real elevator while sitting in front of the designed system. The equipment fault warning interface displays the real-time operation status of the elevator, and alarms will be generated when the elevator is checked for an abnormality. Through the real-time signal data collected for elevator fault diagnosis, the equipment fault analysis interface will analyze the data of the time period in which the abnormality occurs and diagnose the specific type of fault.
Experimental
This paper takes the elevator of a school building as an example for research. The building has six floors, and the elevator’s maximum lifting height is 21 meters. The elevator consists of components such as the traction machine, car, landing doors, and counterweight. Elevator sensors include not only acceleration sensors installed on the roof of the car, temperature sensors (detecting the temperature inside the main body), leveling/base sensors (sensing the stopping of the elevator, the direction of operation, and the state), atmospheric pressure sensors (detecting barometric pressure/altitude), and door magnetic sensors (detecting opening and closing of the door), but also sensors such as infrared sensors (detecting the presence or absence of a human being), and temperature and humidity sensors (detecting the car’s comfort), etc. The vibration signals of the elevator were collected by an accelerometer installed in the car-top box at a frequency of 50 Hz. Remote data acquisition was achieved through TCP/IP communication protocol, while the sensor, elevator, and gateway were connected via a serial connection. Modbus and RS485 protocols were used for data communication. Compared to normal signals, the collected elevator fault signals are significantly fewer in number. Therefore, this paper selects several representative faults for analysis, namely acuteness car vibration, start-stop vibration, and jump vibration.
The details of data description, model training and model validation, and results analysis are described in detail next.
Data description
The effectiveness of the created PINNs-e-RGCN algorithm is evaluated by the dataset acquired by the accelerometer sensor in Fig. 10d as well as the dataset derived from the improved PINNs simulation. The dataset consists of normal vibration data and abnormal vibration data. The real elevator, virtual elevator car and roof are shown in Fig. 10a–c, and the basic parameters of the elevator are shown in Table 2. According to the number of data, this paper selects three categories of fault information from the abnormal vibration data for the fault diagnosis experiments. For the faulty vibration data, there are three categories: jump vibration, start-stop vibration, and acuteness vibration. In the data preprocessing stage, 40 sets of data are extracted from each of the four datasets for experiments, and these 40 sets of data are divided into faulty parts and normal parts with a step size of 300. The training set and test set are divided in the ratio of 3:1, and the specific data are shown in Table 1.
Model verification
To validate the effectiveness of the digital twin model. First, the real-world elevator fault vibration data is collected using sensors. Then, the inverse computation of PINNs is applied to derive the corresponding fault dynamic equations. Finally, the improved PINNs are used to obtain the simulated vibration data. This approach ultimately provided simulated vibration data that not only fits the measured data but also complies with physical laws.
As shown in the (a)–(d) data in Fig. 11 by feeding real-time inputs from the accelerometer into the simulation digital twin model, errors are minimized to achieve the most accurate updates of the digital twin model. (a)–(d) represent data for normal elevator vibration, jump vibration, start-stop vibration, and acuteness vibration, respectively. The figure illustrates the comparison between actual measurements and simulated results for these four types of data. Compared with the measured data, it can be seen that the simulated digital twin data clearly shows the key features of the actual fault condition.
In addition, for a more detailed evaluation, t-SNE was used to visualize the relationship between the simulated and raw data49. As shown in Fig. 12, the fault diagnosis results were obtained from the trained digital twin model. In experiment (a), the data consisted of a 1:1 mixture of simulated and real data within the digital twin. From the scatter plot, it can be observed that the network demonstrates high accuracy in distinguishing fault types. This suggests that training the network with a combination of simulated and real data helps improve its classification performance. (b) Experiment in which real data is used for fault diagnosis. Evidently, the network exhibits good classification performance in this case as well. In experiment (c), the data consists of digital twin simulated data in a 1:3 ratio with real data. From the classification scatterplot, it is concluded that the network still has a better classification performance in this training condition, but the classification is slightly degraded compared to the (a) and (b) experiments. In experiment (d), all data are generated by the digital twin model. From the scatter plot, it can be deduced that the network’s classification performance significantly deteriorates under these conditions. This indicates that a network trained solely on simulated data may not adequately adapt to the task of identifying fault types in real-world scenarios.
Figure 13 shows the effect of the digital twin on the fault diagnosis results. The results improve when the digital twin model is used for fault diagnosis. The diagnostic accuracy without the digital twin model is generally below 90%. The accuracy of the digital twin model can be more than 90%.
The experimental results demonstrate that digital twin systems improve the accuracy of fault diagnosis. Although achieving excellent results in fault diagnosis without using simulated data, this article only selected scenarios with abundant data for three types of faults. Insufficient data support exists for more diverse elevator fault scenarios, significantly highlighting the importance of digital twin models. The advantage of the digital twin model is that it can combine the respective advantages of analog and real data. Simulated data can help the network learn a wider and more diverse range of failure modes and characteristics, which improves the generalization ability and robustness of the model. On the other hand, real data provides information that is closer to the actual scenarios, which helps the network to better adapt to the real environment. Therefore, utilizing elevator digital twin simulation models for fault diagnosis is a promising and practical approach. It can to some extent balance the relationship between data availability and training effectiveness, addressing the shortage of elevator fault datasets. This provides a more reliable and feasible solution for fault diagnosis tasks.
Analysis of results
Exploring the impact of lambda on prediction results
As previously known the loss function of PINNs consists of two parts respectively physical loss and network loss, as shown in Fig. 14 the loss function of Improved PINNs for the training set.
In the previously mentioned Eq. (31), \(\lambda\) is used as a regulator of the physical information. It is through the introduction of \(\lambda\) that the PINNs can accurately estimate the output of the equation. By introducing physical information into the loss function, \(\lambda\) plays an essential role in the fusion of physical information in the final loss function. As \(\lambda\) increases, the output of the PINNs becomes progressively more dependent on the constraints of the physical equations, while decreasing \(\lambda\) makes the actual measurements more able to influence the output. If the value of \(\lambda\) is set to 0, then the entire loss function does not contain the physical information term and becomes a traditional ANN. then the network relies only on data from the training period50.
Figure 15 shows the variation of the predicted simulated data for different values of \(\lambda\). Figures (a)–(d) are for \(\lambda\)=0, \(\lambda\)=4, \(\lambda\)=8, and \(\lambda\)=1. Figure (a) is the extreme case mentioned above where the PINNs turns into a traditional ANN, and it is clear from Figure (a) that the ANN does not represent a reliable estimate for the long term. From Figures (b) to (d), it can be seen that overall, PINNs can reflect the trends of real data, and the predictive results of PINNs become more accurate as the value of \(\lambda\) increases. The ANN can also accurately reflect the real data within a short period of time after training, however, the difference will become bigger and bigger with time, and this phenomenon will be more obvious in the case of using smaller \(\lambda\). Theoretically analyzing this is due to the fact that by increasing \(\lambda\), it will make the output of the PINNs gradually depend on the constraints of physical information. However, as for electromechanical systems like elevators, a larger \(\lambda\) value does not necessarily result in data that better matches the actual elevator conditions. In other words, the value of \(\lambda\) helps PINNs adjust their predictive results based on the measurement data and physical equations.
Exploring the effect of epsilon on diagnostic outcomes
In e-RGCN, the effect of choosing different \(\epsilon\) on the network is very significant. the input of GCN is a graph structure, where the edges between nodes represent their relationship or similarity. By choosing different \(\epsilon\) to construct the graph, we are actually defining which nodes should be considered as “neighbors”, which directly affects the performance of the GCN.
When \(\epsilon\) is small: only nodes that are very close to each other are connected, resulting in a sparse graph. In this case, each node has fewer neighbors and the overall density of the graph is lower. This may lead to insufficient propagation of information through the graph, thus affecting the learning effectiveness of the GCN; the tendency is to capture more localized structural information, as only nodes that are very close to each other are considered neighbors. This is useful for capturing local patterns, but may ignore global structure; the graph may be too sparse, resulting in a model that has difficulty learning effective features and poor generalization.
When the value of \(\epsilon\) is large: more nodes are connected to form a denser graph. Although this increases the number of neighbors for each node, it may introduce noise as some less relevant nodes are also connected; there is a greater tendency to capture global information as more nodes are connected together, which helps to capture global patterns but may blur local details; and the graph may be too dense, introducing a lot of noise and leading to overfitting of the model, with similarly poorer generalization ability.
So selecting the right \(\epsilon\) is crucial for this paper. In this paper, different \(\epsilon\) are selected to conduct experiments to determine the most suitable value of \(\epsilon\). Through calculations, we determined that when the total number of samples is around 160, the experimental accuracy is optimal. Beyond 160, there is no significant improvement in accuracy, but the computational time increases significantly. The relationship between sample size and experimental accuracy is shown in Table 3. Therefore, this study selected 40 groups of data for each of the 4 categories for the experiment. The values of \(\epsilon\) are taken as 1, 2, 3 and 4, respectively, as shown in Fig. 16a-d as the schematic of the confusion matrix under different values of \(\epsilon\). Figure 17 shows a schematic diagram of the adjacency matrix and the undirected graph at the corresponding values of \(\epsilon\).
Through analysis of the confusion matrix, it was determined that the optimal value of \(\epsilon\) is between 2 and 4. Further detailed classification calculations identified the most suitable \(\epsilon\) value as 3.2. Figure 18a shows the confusion matrix of the model at this value, while (b) displays the line plots for accuracy, recall, precision, and F1 score.
Experimental Comparison
In this paper, comparative experiments will be conducted to evaluate the effectiveness of the designed e-RGCN model in the task of elevator fault diagnosis and compare it with several other deep learning methods. These models include LeNet-551 , ResNet52 , DGCN53 , Graph Attention Network (GAT)54, Sparse Convolutional Networks(SGCN)55 and GraphSAGE. The first 2 models are graph-free structures and the last 4 models are graph-structured. The models were trained using uniform training and had the same initialization conditions. Each set of experiments was repeated 7 times to ensure validity, and the results of the various methods are summarized in Table 4, and the test results are shown in Fig. 19.
As can be seen from the results, the two graph-free approaches, LeNet-5 and ResNet, do not perform very well in the experiments. Because these two models do not take into account the structural features of the graph, they rely exclusively on data-driven methods for training. The limitations of the training data result in models that do not utilize their full potential and are prone to overfitting. This may lead to poor performance of the model in recognizing fault information, thus affecting its overall performance. The other methods mentioned above and e-RGCN are based on graph structures. GCN understands the dependencies between time series by analyzing the topology of the graph, enabling them to learn and extract node features and capture crucial information between edges. Therefore, the latter model is superior to the first two models. The reason why the e-RGCN model in this paper outperforms other GCN models is that we emphasize the method of constructing high-quality fault sample graphs, which directly affects the quality of data and the performance of the final model. With e-RGCN, we successfully construct high-quality fault sample graphs, which effectively improves the recognition of faults by structural feature blocks. Our method shows significant stability in experiments, which further validates its effectiveness in fault diagnosis tasks.
Conclusions
In this paper, we proposed an elevator fault diagnosis method based on digital twins and PINNs-e-RGCN. In addition, an elevator fault diagnosis system platform based on digital twin is established. The accuracy and practicality of the fault diagnosis system is confirmed by experimental validation. The elevator fault diagnosis based on digital twin model is realized. The main conclusions are as follows:
-
(1)
Digital twin technology combined with sensor data collection enables real-time visual monitoring of elevator operating conditions. This innovation makes the process of monitoring the safe operation of elevators efficient and reliable. Through the digital twin model, operators can accurately obtain the operating conditions and performance data of elevator components, monitor the elevator’s operation in real time and make timely fault prediction and diagnosis. This not only improves the operational efficiency and safety of elevators, but also greatly reduces maintenance costs and downtime, bringing new possibilities and prospects for the digital transformation of the elevator industry.
-
(2)
A method of PINNs-e-RGCN is proposed to collect, diagnose and analyze the real-time vibration of the elevator under the running state, and make a judgment on the state of the elevator. The PINNs-e-RGCN model achieves 96.61% accuracy in fault classification, while the fault classification accuracy of the rest of the models is smaller than PINNs-e-RGCN. It fully reflects that the PINNs-e-RGCN model is characterized by less required data and high accuracy.
-
(3)
Compared to conventional systems, this system is able to handle given tasks quickly and efficiently with high application versatility. There are a lot of elevator data, and this paper only uses vibration data for research. So more data types (such as electrical signals, image data, etc.) will be introduced afterwards. Achieve the continuous improvement and optimization of the system service function.
Data availability
The datasets generated and/or analysed during the current study are not publicly available but are available from the corresponding author on reasonable request.
References
Ge, M., Du, R., Zhang, G. & Xu, Y. Fault diagnosis using support vector machine with an application in sheet metal stamping operations. Mech. Syst. Signal Process. 18, 143–159 (2004).
Liu, L. et al. Elevator fault prediction and early warning method based on ernie pre-training. In 2023 2nd Conference on Fully Actuated System Theory and Applications (CFASTA), 449–454 (IEEE, 2023).
Wan, Z. et al. Diagnosis of elevator faults with ls-svm based on optimization by k-cv. J. Electrical Comput. Eng. 2015, 935038 (2015).
Qiu, C., Zhang, L., Li, M., Zhang, P. & Zheng, X. Elevator fault diagnosis method based on iao-xgboost under unbalanced samples. Appl. Sci. 13, 10968 (2023).
Liu, C., Zhou, S., Liu, X. & Chen, C. The elevator fault diagnosis method based on sequential probability ratio test (sprt). Automation Control Intell. Syst. 9, 50–55 (2017).
Srivastava, S. et al. A review on application of artificial intelligence in mechanical engineering. Machine Learning Techniques and Industry Applications 29–46 (2024).
Tao, F., Zhang, H. & Zhang, C. Advancements and challenges of digital twins in industry. Nat. Comput. Sci. 4, 169–177 (2024).
Lee, J., Bagheri, B. & Kao, H.-A. A cyber-physical systems architecture for industry 4.0-based manufacturing systems. Manufacturing Lett. 3, 18–23 (2015).
Zhang, F., Zhang, K., Xie, G., Ba, D. & Jiang, A. A review of fault prediction methods for high speed elevator brakes for service safety. In International Workshop of Advanced Manufacturing and Automation, 522–528 (Springer, 2024).
Tao, F., Zhang, M., Liu, Y. & Nee, A. Y. Digital twin driven prognostics and health management for complex equipment. CIRP Ann. 67, 169–172 (2018).
Ferrari, A. & Willcox, K. Digital twins in mechanical and aerospace engineering. Nat. Comput. Sci. 4, 178–183 (2024).
Soori, M., Arezoo, B. & Dastres, R. Digital twin for smart manufacturing, a review. Sustainable Manufacturing and Service Economics 100017 (2023).
Su, S. et al. Digital twin and its potential applications in construction industry: State-of-art review and a conceptual framework. Adv. Eng. Inform. 57, 102030 (2023).
Yao, J.-F., Yang, Y., Wang, X.-C. & Zhang, X.-P. Systematic review of digital twin technology and applications. Visual Comput. Industry Biomed. Art 6, 10 (2023).
Gao, P., Zhao, S. & Zheng, Y. Failure prediction of coal mine equipment braking system based on digital twin models. Processes 12, 837 (2024).
Wang, J., Ye, L., Gao, R. X., Li, C. & Zhang, L. Digital twin for rotating machinery fault diagnosis in smart manufacturing. Int. J. Prod. Res. 57, 3920–3934 (2019).
Peng, Q. et al. Study on theoretical model and test method of vertical vibration of elevator traction system. Math. Probl. Eng. 2020, 8518024 (2020).
Tian, Z., He, H. & Zhou, Y. Modeling and numerical computation of the longitudinal non-linear dynamics of high-speed elevators. Appl. Sci. 14, 1821 (2024).
Zhao, M., Zhong, S., Fu, X., Tang, B. & Pecht, M. Deep residual shrinkage networks for fault diagnosis. IEEE Trans. Industr. Inf. 16, 4681–4690 (2019).
Mishra, K. M. & Huhtala, K. J. Fault detection of elevator systems using multilayer perceptron neural network. In 2019 24th IEEE International Conference on Emerging Technologies and Factory Automation (ETFA), 904–909 (IEEE, 2019).
Sharma, P., Chung, W. T., Akoush, B. & Ihme, M. A review of physics-informed machine learning in fluid mechanics. Energies 16, 2343 (2023).
Raissi, M. Deep hidden physics models: Deep learning of nonlinear partial differential equations. J. Mach. Learn. Res. 19, 1–24 (2018).
Raissi, M., Perdikaris, P. & Karniadakis, G. E. Physics informed deep learning (part i): Data-driven solutions of nonlinear partial differential equations. arXiv preprint[SPACE]arXiv:1711.10561 (2017).
Lee, H. & Kang, I. S. Neural algorithm for solving differential equations. J. Comput. Phys. 91, 110–131 (1990).
Psichogios, D. C. & Ungar, L. H. A hybrid neural network-first principles approach to process modeling. AIChE J. 38, 1499–1511 (1992).
Lagaris, I. E., Likas, A. & Fotiadis, D. I. Artificial neural networks for solving ordinary and partial differential equations. IEEE Trans. Neural Networks 9, 987–1000 (1998).
Raissi, M., Perdikaris, P. & Karniadakis, G. E. Physics-informed neural networks: A deep learning framework for solving forward and inverse problems involving nonlinear partial differential equations. J. Comput. Phys. 378, 686–707 (2019).
Zhang, R., Liu, Y. & Sun, H. Physics-informed multi-lstm networks for metamodeling of nonlinear structures. Comput. Methods Appl. Mech. Eng. 369, 113226 (2020).
Jin, X., Cai, S., Li, H. & Karniadakis, G. E. Nsfnets (navier-stokes flow nets): Physics-informed neural networks for the incompressible navier-stokes equations. J. Comput. Phys. 426, 109951 (2021).
Jiang, C. et al. An interpretable framework of data-driven turbulence modeling using deep neural networks. Physics of Fluids33 (2021).
Haghighat, E., Raissi, M., Moure, A., Gomez, H. & Juanes, R. A physics-informed deep learning framework for inversion and surrogate modeling in solid mechanics. Comput. Methods Appl. Mech. Eng. 379, 113741 (2021).
Eftekhar Azam, S., Rageh, A. & Linzell, D. Damage detection in structural systems utilizing artificial neural networks and proper orthogonal decomposition. Struct. Control. Health Monit. 26, e2288 (2019).
Jain, J. & Kundra, T. Model based online diagnosis of unbalance and transverse fatigue crack in rotor systems. Mech. Res. Commun. 31, 557–568 (2004).
Haghighat, E. & Juanes, R. Sciann: A keras/tensorflow wrapper for scientific computations and physics-informed deep learning using artificial neural networks. Comput. Methods Appl. Mech. Eng. 373, 113552 (2021).
Haghighat, E., Raissi, M., Moure, A., Gomez, H. & Juanes, R. A deep learning framework for solution and discovery in solid mechanics. arXiv preprint[SPACE]arXiv:2003.02751 (2020).
Jagtap, A. D., Kharazmi, E. & Karniadakis, G. E. Conservative physics-informed neural networks on discrete domains for conservation laws: Applications to forward and inverse problems. Comput. Methods Appl. Mech. Eng. 365, 113028 (2020).
Kharazmi, E., Zhang, Z. & Karniadakis, G. E. Variational physics-informed neural networks for solving partial differential equations. arXiv preprint[SPACE]arXiv:1912.00873 (2019).
Agatonovic-Kustrin, S. & Beresford, R. Basic concepts of artificial neural network (ann) modeling and its application in pharmaceutical research. J. Pharm. Biomed. Anal. 22, 717–727 (2000).
Chen, X.-X., Zhang, P. & Yin, Z.-Y. Physics-informed neural network solver for numerical analysis in geoengineering. Georisk: Assessment and Management of Risk for Engineered Systems and Geohazards18, 33–51 (2024).
Qin, Y., Liu, H., Wang, Y. & Mao, Y. Inverse physics-informed neural networks for digital twin-based bearing fault diagnosis under imbalanced samples. Knowl.-Based Syst. 292, 111641 (2024).
He, G., Zhao, Y. & Yan, C. Mflp-pinn: A physics-informed neural network for multiaxial fatigue life prediction. European J. Mechanics-A/Solids 98, 104889 (2023).
Han, C., Zhang, J., Tu, Z. & Ma, T. Pinn-afp: A novel cs curve estimation method for asphalt mixtures fatigue prediction based on physics-informed neural network. Constr. Build. Mater. 415, 135070 (2024).
Wang, Z., Zhou, J., Du, W., Lei, Y. & Wang, J. Bearing fault diagnosis method based on adaptive maximum cyclostationarity blind deconvolution. Mech. Syst. Signal Process. 162, 108018 (2022).
Zhao, H. et al. Intelligent diagnosis using continuous wavelet transform and gauss convolutional deep belief network. IEEE Trans. Reliab. 72, 692–702 (2022).
Miao, J., Wang, J. & Miao, Q. An enhanced multifeature fusion method for rotating component fault diagnosis in different working conditions. IEEE Trans. Reliab. 70, 1611–1620 (2021).
Yang, W., Zhang, J., Cai, J. & Xu, Z. Hybridnet: Integrating gcn and cnn for skeleton-based action recognition. Appl. Intell. 53, 574–585 (2023).
Defferrard, M., Bresson, X. & Vandergheynst, P. Convolutional neural networks on graphs with fast localized spectral filtering. Advances in neural information processing systems29 (2016).
Kipf, T. N. & Welling, M. Semi-supervised classification with graph convolutional networks. arXiv preprint[SPACE]arXiv:1609.02907 (2016).
Poličar, P. G. & Zupan, B. Visualizing high-dimensional temporal data using direction-aware t-sne. arXiv preprint[SPACE]arXiv:2403.19040 (2024).
Bento, M. E. C. Load margin assessment of power systems using physics-informed neural network with optimized parameters. Energies 17, 1562 (2024).
Srinivasarao, G. et al. Cloud-based lenet-5 cnn for mri brain tumor diagnosis and recognition. Traitement du Signal40 (2023).
Hou, S., Lian, A. & Chu, Y. Bearing fault diagnosis method using the joint feature extraction of transformer and resnet. Meas. Sci. Technol. 34, 075108 (2023).
Chen, C., Yuan, Y. & Zhao, F. Intelligent compound fault diagnosis of roller bearings based on deep graph convolutional network. Sensors 23, 8489 (2023).
Meng, Z., Zhu, J., Cao, S., Li, P. & Xu, C. Bearing fault diagnosis under multi-sensor fusion based on modal analysis and graph attention network. IEEE Transactions on Instrumentation and Measurement (2023).
Pu, H., Zhang, K. & An, Y. Restricted sparse networks for rolling bearing fault diagnosis. IEEE Trans. Industr. Inf. 19, 11139–11149 (2023).
Funding
The “Pioneer” and “Leading Goose” R&D Program of Zhejiang Province, China (No. 2023C01022). The LingYan Planning Project of Zhejiang Province, China (No. 2023C01215). The Science and Technology Key Research Planning Project of HuZhou city, China (NO.2022ZD2019).
Author information
Authors and Affiliations
Contributions
Q.W. designed the study, reviewed and revised the manuscript, approved the final manuscript as submitted, and received funding for the project.G.X. Collected data, conducted the study, measured and analyzed the L.C. analyzed and discussed the results and drafted and revised the manuscript.J.L. collected data and conducted the study. collected the data and conducted the study.P.W. and Y.G. collected the data, reviewed and revised the manuscript, and approved the final manuscript as submitted. All authors approved the final manuscript as submitted and agreed to be responsible for all aspects of the work.
Corresponding author
Ethics declarations
Competing interests
The authors declare no competing financial interests. Correspondence and requests for materials should be addressed to J.L.
Additional information
Publisher’s note
Springer Nature remains neutral with regard to jurisdictional claims in published maps and institutional affiliations.
Rights and permissions
Open Access This article is licensed under a Creative Commons Attribution-NonCommercial-NoDerivatives 4.0 International License, which permits any non-commercial use, sharing, distribution and reproduction in any medium or format, as long as you give appropriate credit to the original author(s) and the source, provide a link to the Creative Commons licence, and indicate if you modified the licensed material. You do not have permission under this licence to share adapted material derived from this article or parts of it. The images or other third party material in this article are included in the article’s Creative Commons licence, unless indicated otherwise in a credit line to the material. If material is not included in the article’s Creative Commons licence and your intended use is not permitted by statutory regulation or exceeds the permitted use, you will need to obtain permission directly from the copyright holder. To view a copy of this licence, visit http://creativecommons.org/licenses/by-nc-nd/4.0/.
About this article
Cite this article
Wang, Q., Chen, L., Xiao, G. et al. Elevator fault diagnosis based on digital twin and PINNs-e-RGCN. Sci Rep 14, 30713 (2024). https://doi.org/10.1038/s41598-024-78784-7
Received:
Accepted:
Published:
Version of record:
DOI: https://doi.org/10.1038/s41598-024-78784-7
Keywords
This article is cited by
-
Robotics industry automation-assisted an effective Hs-fuzzy and LD-TS-LSTM-based timely defect identification in CNC mill industry
The International Journal of Advanced Manufacturing Technology (2026)
-
Failure prediction-based fault-tolerant resource management techniques in cloud computing
Computing (2026)
-
SAL-YOLO-DeepSeek: a lightweight real-time detection and LLM-driven decision framework for intelligent escalator safety monitoring
Scientific Reports (2025)
-
Bearing fault diagnosis for variable operating conditions based on KAN convolution and dual branch fusion attention
Scientific Reports (2025)
-
Adaptive neural network based leader-following consensus control for a class of second-order nonlinear multi-agent systems
Scientific Reports (2025)






















