Abstract
Graphene oxide (GO) has achieved significant progress in the material behaviour of cement-based materials. However, research on its structural behaviour in high-strength lightweight concrete (HSLWC) structures is limited, which restricts its engineering applications. This study focused on investigating the effects of low contents of GO on the shear behaviour of HSLWC beams. A total of four HSLWC beams with GO contents of 0, 0.01, 0.03 and 0.05% (by weight of cement) were designed to observe failure modes, load‒deformation curves, shear capacities, crack behaviour and load‒strain curves under four-point loading by a 300 kN servo loading device. The results revealed that all the beams exhibited shear compression failure. GO improved the shear capacity of the HSLWC beams, and this strengthening effect increased with increase in GO content. When the content of GO was 0.05%, the ultimate load of the beam reached a maximum, which was 39.2% greater than that of the control beam. GO can endow the HSLWC beams with a certain degree of ductility. In addition, a modified JGJ 12-2006 model was proposed to predict the shear capacity of HSLWC beams containing different GO contents on the basis of a comparison of typical models. This study can provide exploratory engineering practice for evaluating and designing GO-reinforced HSLWC structures.
Similar content being viewed by others
Introduction
With the rapid development of the economy and the continuous acceleration of urbanisation, modern buildings are gradually developing in super high-rise, large-span, and prefabricated directions1. Inevitably, normal weight concrete (NWC) cannot meet the urgent needs of modern building development because of its limitations in strength, self-weight, poor toughness, and susceptibility to cracking. In response to this trend, the demand for high-strength lightweight concrete (HSLWC) has increased to meet special environmental and load conditions. Compared with NWC, HSLWC can reduce the weight of cement by up to 20% without affecting the required strength, thus contributing to saving raw materials and transportation costs2. Furthermore, HSLWC can achieve significant specific strength3. These advantages promote strong market competitiveness in large buildings with soft soil foundations, low structural dead loads, and high strength requirements. Lee et al. produced HSLWC with a dry density of 1875–1995 kg/m3 and a strength of 50–60 MPa using local raw materials as aggregates and confirmed that the compressive strength under full water curing and natural air drying conditions is equivalent, indicating that the HSLWC is not sensitive to construction without curing conditions4. Tandiroglu designed three kinds of HSLWC with different water-cement ratios using local raw material perlite as coarse aggregate5. When the water-cement ratio is 0.5, the density of the HSLWC is 1816–1875 kg/m3, and the compressive strength is 63–80 MPa. In addition, perlite provides the HSLWC with good thermal insulation.
In China, a large amount of shale waste has been generated due to soil excavation in the past few decades. If not utilised, it not only occupies land and consumes resources but also has adverse effects on the environment. Fortunately, shale waste is considered one of the ideal raw materials for preparing high-strength shale ceramsite (SC) and shale pottery sand (SPS)6. With improvements in the technological level and production process, SC and SPS, as raw materials for the preparation of HSLWC, have achieved large-scale production. Replacing crushed stone with SC not only solves the problem of “self-weight” of concrete to obtain excellent structural behaviour characteristics but also benefits the sustainable development of the environment and society7,8. Consequently, extensive research has been conducted to investigate the structural behaviour of HSLWC beams fabricated with SC as the aggregate9,10,11,12.
The compressive strength and elastic modulus of lightweight aggregates are typically inferior to those of normal weight aggregates, which subsequently impact the stiffness and serviceability of the components13,14. Inevitably, the structural behaviour characteristics of HSLWC are weaker than those of NWC. Xiang et al. reported that HSLWC beams, as load-bearing members, exhibit more pronounced brittleness and more sudden failure when subjected to shear failure11. Ismail et al. investigated the effects of lightweight slag aggregates with different replacement rates on beam bending behaviour15. The results indicated that the ultimate energy absorption capacity decreases as the replacement ratio increases. To compensate for these shortcomings, various types of fibre materials16, such as steel fibres, polyester fibres, and carbon fibres, have been employed to increase the structural behaviour of concrete17,18. Kang et al. confirmed that steel fibre-reinforced LWAC beams are greater than NWC beams19. Moreover, Altun et al. reported that steel fibres can prevent the formation and growth of cracks, thereby improving the ductility and bearing capacity of lightweight concrete beams20. Ababneh et al. verified that polyester fibres can significantly increase the shear capacity and reduce the crack width of LWAC beams, thereby encouraging designers to increase stirrup spacing in structural designs21. Awad et al. reported that a single type of fibre can enhance the performance of concrete and that the reinforcement effect is significantly weaker than that of hybrid fibres. Experimental results have shown that hybrid fibres composed of polypropylene fibres (replacing 0.45% by weight of cement) and steel fibres (replacing 7% by weight of cement) increase the shear strength of beams by 18%22. Hong et al. compared the flexural behaviour of carbon nanotube (CNT)-reinforced HSLWC beams and LWAC beams. CNTs can enable HSLWC beams to obtain a better ductility index because of the bridging effect of the nanocrystal structure23.
The fibres at the macroscopic, mesoscopic, and micrometre scales cannot reduce the formation and growth of microcracks fundamentally. Konsta-Gdoutos et al. confirmed that incorporating nanomaterials into cement-based materials can suppress nanoscale and microscale cracks24. Only nanoscale fibres can improve the overall performance of concrete through chemical reactions or crystal morphology adjustments to obtain self-healing concrete25. Graphene oxide (GO) is considered an ideal nanomaterial for improving the performance of cement-based materials26,27,28. GO is a nanomaterial with a sheet-like structure that not only better densifies pores and fills cracks but also effectively modulates the crystal morphology through a templating effect29,30. Statistics indicate that GO can notably enhance the mechanical properties of various cement-based materials28. Nevertheless, a comparison of these studies revealed significant differences in the growth patterns of the mechanical properties for cement paste, mortar, and concrete, as well as the optimal content of GO added, which may be related to the raw materials, mix proportions, etc31,32. In addition, adding a low content of GO can also refine pores, thereby significantly improving their permeability and durability, such as chloride ion penetration resistance33, sulphate attack resistance34, freezing‒thawing resistance35, and carbonation resistance36.
On the basis of the above, significant progress has been made in the use of GO to enhance the material properties of cement, mortar, and NWC. However, research on HSLWC using SC as aggregates remains limited. To this end, the research team has investigated the effects of GO additions ranging from 0 to 0.08% on the workability mechanical properties, durability, and microstructure of HSLWC37,38,39. The results show that GO can reorganise the original amorphous crystal morphology to form a more ordered and regular flower-like crystal morphology. As the content of GO increased, the material properties first strengthened, followed by weakening. When the content of GO was 0.05%, the material properties were optimal. At present, there are few reports on GO-reinforced LWC beams. To further explore structural behaviour and realise engineering applications, this study focused on investigating the effects of low contents (≤ 0.05%) of GO on the shear behaviour of HSLWC beams without stirrups. Four HSLWC beams with different GO contents were designed to observe failure modes, load‒deformation curves, shear capacities, crack behaviour and load‒strain curves under four-point loading.
Materials and methods
Materials
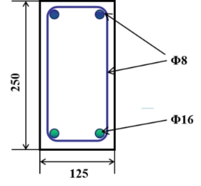
P·O 42.5R ordinary Portland cement was selected as the binder, with a 28-day compressive strength and apparent density of 47.4 MPa and 3080 kg/m3, respectively. The SC used in this study has a density grade of 800, with a maximum particle size of 19.1 mm. Its bulk density, apparent density, and cylinder pressure strength were 835 kg/m3, 1425 kg/m3, and 5.2 MPa, respectively. The SPS used in this study has a density grade of 700, with a particle size range of 0–4.75 mm. Its bulk density, apparent density, and fineness modulus were 974 kg/m3, 1638 kg/m3, and 2.96, respectively. Fly ash (FA), as a substitute for cement, was selected as Grade I, with an apparent density and fineness of 2.21 kg/m3 and 9.02%, respectively. A polycarboxylate superplasticizer (PS), with a water reduction rate of up to 12%, was employed to not only improve workability but also disperse GO. All the beams were reinforced with HRB400 grade ordinary steel bars with a standard yield strength of 400 N/mm2. The load-bearing steel bars at the bottom of the beams were set at Ф16, whereas those at the top were set at Ф8.
The GO used in this study was characterised as a dark brown, high-purity powder featuring an oxygen content of 33.4%, which was produced by Suzhou Tanfeng Graphene Technology Co., LTD in China. GO has varying solubilities in different liquids due to its inherent hydrophilicity, with a critical point of solubility stability in various solvents40. Specifically, excessive GO can cause agglomeration in alkaline environments. According to previous studies on the mechanical properties and carbonation of GO in HSLWC37,38, uniform dispersion of GO can be achieved through the dispersion method using an ultrasonic dispersion instrument (KQ-250E) with 2% PS as the active agent shown in Fig. 1. However, when the content of GO exceeds 0.05%, aggregation occurs due to excessive amounts. Consequently, the range of GO addition in this study was set at 0–0.05% (by weight of cement).
The specific preparation process of GO solution.
Test samples
Considering the optimal amount of GO, four groups of HSLWC test beams (numbered BGO-0, BGO-1, BGO-3 and BGO-5) were designed according to the mix proportion of the LC60 HSLWC. BGO-0 was the control group, where the content of GO was set to 0. The contents of GO in the other three groups were 0.01, 0.03 and 0.05%, respectively. The mix proportions and 28-day compressive strengths of the beams are shown in Table 1.
All the beams were designed with a unified size of 1800 × 125 × 250 mm3. The thickness of the concrete cover for all the beams was designed to be 25 mm in accordance with the standard requirements. The load-bearing steel bars at the bottom of the beams were set at Ф16, whereas those at the top were set at Ф8. Hence, the longitudinal reinforcement ratio for all the beams was set to 0.32. In addition, the stirrups with Ф8 were designed only at the support points and the loading points to avoid local cracking of the beam caused by load impact. The cross-sectional and longitudinal sections of the beam are shown in Figs. 2, 3, respectively. A shear-span ratio was1.67 for all the beams. The reinforcement ratios of all the beams were calculated to meet the standard GB 50010-2010.
Cross-section of the reinforced HSLWC beam (mm).
Longitudinal section of the reinforced HSLWC beam (mm).
On the basis of the design parameters of all the beams, beams numbered BGO-0, BGO-1, BGO-3, and BGO-5 were cast to investigate the effects of different contents of GO on the shear behaviour of the reinforced HSLWC beams. The preparation process of the beam included (a) assembly of the mould, (b) binding of the steel skeleton, (c) pouring of the HSLWC, and (d) curing of the beams, as shown in Fig. 4.
Preparation process of the HSLWC beams.
Test methods
A 300 kN servo loading device (YAW-300B) in the High Performance Concrete Laboratory of Xichang University, which uses a four-point loading method, was used in this study. The loading procedure was carried out according to the Chinese standard GB/T 50152 - 2012. This loading device can accurately record each level of load. The strain at points A, B, C, and D on the critical section was obtained using a strain collection instrument (YW-3300), and the deformation of the span was collected via a dial gauge (NTC-200). The device is shown in Fig. 5. A 100 × 50 mm2 orthogonal grid drawn on the sides of the beam was used for observing and recording the crack development. At both ends of the loading experimental platform, one end of hinged support and the other end of fixed support were used as constraint, meeting the constraint conditions of a simple beam.
Loading device for the reinforced HSLWC beam.
In accordance with GB/T 50152-2012, the monotonic continuous graded loading method with load control was adopted in this study, and the loading process was divided into two stages: (1) Preloading: To ensure good contact between the experimental instrument and various parts of the sample, the test beam was preloaded before formal loading. The beam was loaded to 10 kN at a preset reasonable speed to check whether the testing device was working properly. (2) Formal loading: Before the beam cracked, the loading speed was 5 kN/min, the load at each level was 15 kN, and the holding time was 5 min. The mid-span deformation and strain of key sections under each level of load were recorded, and the crack development was recorded via the crack width testing device, as shown in Fig. 6.
The crack width testing device (accurate to 0.01 mm).
Results and discussion
Failure mode
The shear failure modes of reinforced concrete beams are categorised into diagonal compression failure, shear compression failure, and diagonal tension failure on the basis of the shear‒span ratio41. In this study, all the beams exhibited shear compression failure due to their consistent shear‒span ratio of 1.67. The crack development during shear compression failure is shown in Fig. 7 and can be roughly divided into three stages: (1) As the load increased, minor vertical cracks formed in the tensile region of the pure bending section at the mid-span. These vertical bending cracks grew upwards with increasing load, and the number of cracks continued to increase, indicating a trend of diffusion towards the shear span zone. The load observed during the loading process for the first vertical bending crack in the pure bending section was defined as the normal section cracking load (Pw), as shown in Fig. 8a. (2) With increasing load, vertical cracks appeared at the bottom of the shear span near the loading points at both ends of the beam and continued to increase towards the constraint position. The vertical cracks near the restraint extended upwards continually to form bending shear diagonal cracks. At this point, the development of vertical cracks in the tension zone begins to slow, with some even displaying a state of stagnation. The load recorded during the first appearance of a diagonal crack in the shear span area of the test beam was termed the diagonal section cracking load (Pr), as shown in Fig. 8b. (3) The diagonal cracks extended towards the loading point and ultimately formed a main diagonal crack between the loading point and the support, which was defined as the critical diagonal crack. Critical diagonal cracks can lead to the loss of shear bearing capacity and the formation of destructive diagonal cracks in beams. The load at the time of the occurrence of destructive diagonal cracks was defined as the ultimate shear load (Pcu), as shown in Fig. 8b. Chen et al. reported that LWAC beams with a shear‒span ratio of 2.0, produced by SC as the aggregate, also exhibited similar shear compression failure characteristics10.
Crack development during shear compression failure.
Cracks in the pure bending and shear span sections.
Adding different contents of GO can cause reinforced HSLWC beams to exhibit unique failure modes. The test results of each beam during loading are described below.
(a) BGO-0
Figure 9a displays the failure pattern of the beam without GO (BGO-0). At the initial stage of loading, beam BGO-0 was in the elastic deformation stage. When loaded to 16.3 kN, the initial bending crack, measuring 67 mm in length and 0.09 mm in width, emerged at the lower edge of the beam span, indicating that beam BGO-0 begins to enter the plastic deformation stage. When the load continued to reach 33.3 kN, the first diagonal crack, measuring 113 mm in length and 0.11 mm in width, appeared in the shear span section on the left side of the beam, gradually developing into a critical diagonal crack. As the load increased, the number of bending cracks in the pure bending section continued to increase, and the length slowly extended upwards to stop at 1/3–1/2 of the beam height, with a small change in width. When the final load reached 123.3 kN, the critical diagonal crack on the left side of the beam developed into a failure diagonal crack with a maximum width of 1.98 mm from the vicinity of the upper loading point to the vicinity of the lower support.
(b) BGO-1
Figure 9b displays the failure pattern of the beam with a GO content of 0.01%. When loaded to 20.9 kN, the first bending crack, measuring 58 mm in length and 0.13 mm in width, developed at the lower edge of the beam span. The concrete in the pure bending section cracked, and subsequently, the bending cracks extended to both sides. When the load continued to reach 39.8 kN, the first diagonal crack, measuring 98 mm in length and 0.07 mm in width, appeared in the shear span section on the left side of the beam. Moreover, a diagonal crack with a length of 107 mm and a width of 0.09 mm appeared in the shear span section on the right side of the beam. The bending cracks in the pure bending section continued to increase, slowly extending upwards in length and stopping at 1/2 of the beam height. The diagonal cracks continued to extend towards the support and loading points, resulting in the appearance of multiple parallel diagonal cracks. When loaded to 140.4 kN, the diagonal crack extended to the support and near the loading point, ultimately forming a failure diagonal crack with a maximum width of 1.63 mm.
(c) BGO-3
Figure 9c displays the failure pattern of the beam with a GO content of 0.03%. When loaded to 25.5 kN, the first bending crack, measuring 44 mm in length and 0.07 mm in width, emerged at the lower edge of the beam span. The concrete in the pure bending section cracked, and subsequently, the bending cracks extended to both sides. When the load continued to reach 46.5 kN, a diagonal crack, measuring 84 mm in length and 0.06 mm in width, appeared in the shear span section on the left side of the beam. Moreover, a diagonal crack with a length of 93 mm and a width of 0.05 mm appeared in the shear span section on the right side of the beam. When the load reached 157.3 kN, a failure diagonal crack with a maximum width of 1.39 mm formed.
(d) BGO-5
Figure 9d displays the failure pattern of the beam with a GO content of 0.05%. When loaded to 26.6 kN, the first bending crack, measuring 46 mm in length and 0.05 mm in width, developed at the lower edge of the beam span. When the load continued to reach 48.9 kN, a diagonal crack, measuring 98 mm in length and 0.04 mm in width, appeared in the shear span section on the right side of the beam. Moreover, a diagonal crack with a length of 92 mm and a width of 0.03 mm appeared in the shear span section on the right side of the beam. When load was increased to 171.6 kN, a failure diagonal crack with a maximum width of 1.23 mm formed.
Failure modes of reinforced HSLWC beams with different GO contents: (a) BGO-0; (b) BGO-1; (c) BGO-3; (d) BGO-5.
Load‒deflection curves
The load‒deflection curves of all the beams are shown in Fig. 10, where a higher content of GO translates to a greater load-bearing capacity. Lee reported that higher-strength LWAC endows beams without shear reinforcement with higher bearing capacity42. Essentially, adding more GO within the optimal content can increase the strength of the HSLWC even more43. The beam without GO (BGO-0) was considered the control beam, which can withstand an ultimate load of 123.3 kN and a corresponding deformation of 8.1 mm. After the ultimate load, the load deformation curve of beam BGO-0 sharply decreased, indicating that beam BGO-0 rapidly fails to withstand the load. The ultimate load for beam BGO-1 was 140.4 kN, with a deflection of approximately 8.6 mm, which was approximately 13.9% greater than the ultimate load of the control beam (BGO-0). Near the peak, the load deformation curve of beam BGO-1 was smoother than that of beam BGO-0, fully demonstrating that GO can enhance the resistance of concrete beams during the yield stage. The ultimate load for beam BGO-3 was 157.3 kN, with a deflection of approximately 9.5 mm, and the ultimate load for beam BGO-5 was 171.6 kN, with a deflection of approximately 9.8 mm. Furthermore, beams BGO-3 and BGO-5 have similar behaviours to those of beam BGO-1, although they have approximately 27.6% and 39.2% higher ultimate loads than the control beam (BGO-0), respectively. After the ultimate load, the beams containing GO (BGO-1, BGO-3, and BGO-5) exhibited varying degrees of toughness compared with the beams without GO (BGO-0).
Wight et al. reported that the basic principle for designing reinforced concrete components is to ensure that the minimum size and minimum reinforcement ratio meet the requirements44. If the bending bearing design was reasonable, the bending failure was usually gradual. However, if shear failure occurs, the failure mode is sudden and brittle. Therefore, bent steel bars and stirrups are often used to resist this failure in engineering45. Beam BGO-0 experienced brittle failure without the design of bent steel bars and stirrups. Al-Allaf et al. reported that the shear failure of LWAC components is nonductile, which may lead to structural collapse46. Although SC is inherently a brittle material, Chen et al. confirmed that the shear performance of SC concrete beams made of high-strength steel bars meets the standard requirements10. In addition, Guo et al. reported that GO can enhance the internal adhesion of concrete47. Good adhesion was beneficial in preventing crack propagation when the beam was subjected to shear force, thereby improving the shear resistance.
Load deflection curves of all the beams.
The ultimate loads of all the beams with the respective deflections are shown in Fig. 11. The ultimate load of the beam increased as the content of GO increased from 0 to 0.05%. Similarly, the corresponding deformation also increased. This finding provides additional evidence that the HSLWC beam with a high content of GO exhibited significantly better shear performance than did BGO-0. Lee reported that higher grade LWAC can provide beams with higher shear bearing capacity and respective deflections, thereby providing reserves for resisting shear failure42.
Ultimate loads of all the beams with the corresponding deflections.
Shear capacities
By describing the entire shear failure process of the beams, there are three critical loads: the normal section cracking load (Pw), the diagonal section cracking load (Pr), and the ultimate load (Pcu). The critical load values of all the beams are shown in Fig. 12. The control beam (BGO-0) has the lowest shear capacity among all the beams. For the beam without GO (BGO-0), the loads Pw and Pr accounted for approximately 13 and 27% of the load Pcu, respectively. Li conducted an experimental study on the shear performance of 8 reinforced coal gangue concrete beams with oblique Sect48. The experimental results indicate that these two ratios are approximately 8–13 and 26–31%, respectively. For beams with GO (BGO-1, BGO-3, and BGO-5), the loads Pw and Pr accounted for approximately 15–16 and 28–30% of the load Pcu, respectively. In addition, these critical loads increased increase in GO content. These results indicate that GO can improve the bending resistance of the pure bending section and the shear resistance of the shear span section. In a study of the shear resistance of reinforced concrete beams reinforced with bamboo fibres, the two ratios were 9–16 and 27–33%49.
The critical loads of all the beams with different GO contents.
Currently, several typical models from different countries, such as JGJ 12-2006, ACI 318 -11 and EC 2, have been established to better evaluate the shear bearing capacity of LWC beams without web reinforcement. The details are listed in Table 2.
Table 3 presents a comparison between typical model predictions and experimental results. Overall, the prediction results of all the typical models underestimated the shear bearing capacity, especially the ACI 318 -11 model and EC 2 model, which indicates that these design codes are biased towards safety. For the beam without GO (BGO-0), the predicted values of the JGJ 12-2006 model were close to the experimental values. However, the enhancing effect of GO resulted in the predicted values of beams with GO (BGO-1, BGO-3, and BGO-5) gradually underestimating the experimental values.
To further improve the prediction accuracy, the modified JGJ 12-2006 model can be established. Obviously, the improvement in shear bearing capacity is primarily due to the increase in GO content, so the GO content factor (α, %) can be introduced to modify the model. The fitting relationship between α and Pcu/P’cu was found to have a good correlation, as shown in Eq. (4), with a correlation coefficient of 0.94. Therefore, the modified JGJ 12-2006 model is shown in Eq. (5). Table 4 lists the predicted values and relative errors of the modified JGJ 12-2006 model, indicating that the modified model has high prediction accuracy.
Crack behaviour
The maximum diagonal crack width of the shear span section after each stage of loading measured via crack width measuring equipment is shown in Fig. 13. For the control beam BGO-0, no diagonal cracks appeared in the shear span section before loading the diagonal section cracking load. Similar characteristics were also observed in the other beams. As the loading continued, these diagonal cracks gradually extended from the support point to the loading point, accompanied by an increase in width. The progression of diagonal cracks in all the beams can be categorised into two stages: (1) Stable development stage. During this stage, the width of the diagonal crack increased almost linearly with the load after its formation. The slope of the diagonal crack width development curve clearly decreases with increasing GO content, indicating that GO can inhibit diagonal crack growth. (2) Rapid development stage. When the load reached closer to the ultimate load, the width of the diagonal crack rapidly increased. The development of beam BGO-0 exhibited the worst performance among them. For beam BGO-0, the crack width increased from 0.78 to 2.63 mm when the load increased from 105 to 135 kN. This finding also provides additional evidence that the failure mode of beam BGO-0 is brittle failure. Owing to the ability of GO to improve ductility53,54, the development of diagonal cracks in beams containing GO (BGO-1, BGO-3, and BGO-5) is more gradual than that in the control beam (BGO-0). In addition, a higher content of GO can achieve better ductility, resulting in a smoother crack width development curve. Under the same level of loading, the crack width of the diagonal crack decreases with increase in GO content. The diagonal crack widths of BGO-0, BGO-1, BGO-3, and BGO-5 under the ultimate load state were 2.63, 1.78, 1.48, and 1.23 mm, respectively.
Generally, the crack width of reinforced concrete components is influenced by external factors such as load, temperature, and constraints, as well as internal factors such as raw materials, mix proportions, and component dimensions55. Currently, there is no universal rule regarding crack width limitations. Nevertheless, some valuable conclusions have been obtained. Lee investigated the development of crack width in LWAC beams made of OPBC under service load conditions. The results indicated that the diagonal crack width of all the beams was in the range of 0.17–0.27 mm when the service load reached 60 kN42. In this study, the diagonal section crack width of all the beams ranged from 0.09 to 0.31 mm when the service load reached 60 kN.
Development of crack width for all beams.
Load-strain curves
Figure 14 shows the strains at all the measuring points for all the beams under different load levels. Points A (B) and C (D) exhibited similar patterns of strain due to their symmetrical positions. Compared with point C(D), point A(B) was closer to the centre of the diagonal crack, resulting in greater strain. All the measuring points exhibit a consistent pattern: Before loading to Pw, the pure bending section of the beam was in the elastic stage, the concrete in the shear span section had not yet participated in the work, and the strain at all the measuring points was close to 0. The strain curve is approximated as a horizontal straight line in the initial stage. In addition, the strain curve of the beams containing higher levels of GO had a longer horizontal straight segment, indicating that GO can better suppress cracking in diagonal sections. When the load increased from Pw to Pr, the bending crack extended from the middle to both sides, and the concrete in the shear span section generated shear strain, resulting in a steady increase in strain at the measuring point. During this process, the strain curve slowly accelerated. When the load increased to Pr, the diagonal section of the concrete cracked, and the strain increased rapidly. During this process, the strain curve rapidly accelerated. When Pcu was reached, the strain at all measuring points exceeded 4000. The strain curve in this study was similar to the diagonal section strain curve of a bamboo fibre-reinforced concrete beam49. However, the reinforcing effect of GO was weaker than that of bamboo fibres.
The strains at all measuring points of all the beams.
Conclusion
Considering the addition of GO in the optimal content range, the shear behaviour of the reinforced HSLWC beams was investigated, and the conclusions are as follows:
-
1.
GO can increase the normal section cracking load, the diagonal section cracking load, and the ultimate load of all beams during shear compression failure, and this strengthening effect is strengthened with increasing GO. Finally, the ultimate load of beam BGO-5 increased by 39.2% compared with that of beam BGO-0.
-
2.
GO can cause the load deformation curve to form a short horizontal curve after reaching the peak, indicating that GO can endow the beam with a certain degree of ductility. In addition, this conclusion could be confirmed from the concrete strain curve of the diagonal Sect.
-
3.
All the typical models tend to underestimate the shear bearing capacity of HSLWC beams containing GO. A modified JGJ 12-2006 model has been proven to have higher prediction accuracy.
-
4.
Owing to the ability of GO to increase ductility, the development of diagonal cracks in beams containing GO is more gradual than that in the control beams. In addition, the load‒strain curves show that GO can inhibit the cracking of the oblique section to a certain extent.
Data availability
All data generated or analyzed during this study are included in this paper.
References
Bai, Z. & Zhu, E. Development report of the next generation of civil engineering. E3S Web Conf. 272, 01018 (2021).
Junaid, M. F., Rehman, Z. U. & Kuruc, M. Lightweight concrete from a perspective of sustainable reuse of waste byproducts. Constr. Build. Mater. 319, 126061 (2022).
Evangelista, A. C. J. & Tam, V. W. Y. Properties of high-strength lightweight concrete using manufactured aggregate. Proc. Inst. Civil Eng. Constr. Mater. 173, 157–169 (2020).
Lee, J. C., Shafigh, P., Mahmud, H. & Aslam, M. Effect of substitution of normal weight coarse aggregate with oil-palm-boiler clinker on properties ofconcrete. JSM 46, 645–653 (2017).
Tandiroglu, A. Temperature-dependent thermal conductivity of high strength lightweight raw perlite aggregate concrete. Int. J. Thermophys. 31, 1195–1211 (2010).
Fan, L. F., Wang, H. & Zhong, W. L. Development of lightweight aggregate geopolymer concrete with shale ceramsite. Ceram. Int. S0272884223001293 https://doi.org/10.1016/j.ceramint.2023.01.127 (2023).
Zhang, X. et al. The axial compressive behavior of stone-lightweight aggregate concrete-filled steel tubular stub columns. Constr. Build. Mater. 298, 123815 (2021).
Zhu, H., Fu, Z., Wang, Y. & Zhang, N. Study on splitting tensile strength of interface between the full lightweight ceramsite concrete and ordinary concrete. Case Stud. Constr. Mater. 18, e01829 (2023).
Zhang, Y. et al. Shear behavior of reinforced glazed hollow bead insulation concrete beams. Constr. Build. Mater. 174, 81–95 (2018).
Chen, M., Li, Z., Wu, J. & Wang, J. Shear behaviour and diagonal crack checking of shale ceramsite lightweight aggregate concrete beams with high-strength steel bars. Constr. Build. Mater. 249, 118730 (2020).
Xiang, Z., Zhou, J., Niu, J., Feng, X. & Wang, J. Study on shear behavior of high-performance polypropylene fiber-reinforced lightweight aggregate concrete beams. Case Stud. Constr. Mater. 17, e01594 (2022).
Li, S., Chen, W. & Zhang, Y. Flexural behavior of precast, prestressed, lightweight aggregate concrete-conventional concrete composite beams. Constr. Build. Mater. 274, 121926 (2021).
Cui, H. Z., Lo, T. Y., Memon, S. A. & Xu, W. Effect of lightweight aggregates on the mechanical properties and brittleness of lightweight aggregate concrete. Constr. Build. Mater. 35, 149–158 (2012).
Chi, J. M., Huang, R., Yang, C. C. & Chang, J. J. Effect of aggregate properties on the strength and stiffness of lightweight concrete. Cem. Concre. Compos. 25, 197–205 (2003).
Ismail, M. K., Hassan, A. A. A., AbdelAleem, B. H. & El-Dakhakhni, W. Flexural behavior and cracking of lightweight RC beams containing coarse and fine slag aggregates. Structures 47, 1005–1019 (2023).
Zhang, B. et al. Flexural durability of BFRP bars reinforced geopolymer-based coral aggregate concrete beams conditioned in marine environments. J. Build. Eng. 94, 109959 (2024).
Basha, A., Tayeh, B. A., Maglad, A. M. & Mansour, W. Feasibility of improving shear performance of RC pile caps using various internal reinforcement configurations: tests and finite element modelling. Eng. Struct. 289, 116340 (2023).
Mansour, W. Experimental and numerical evaluations of the shear performance of recycled aggregate RC beams strengthened using CFRP sheets. Eng. Struct. (2024).
Kang, T. H. K., Kim, W., Kwak, Y. K. & Hong, S. G. Shear testing of steel fiber-reinforced lightweight concrete beams without web reinforcement. SJ 108, 553–561 (2011).
Altun, F. & Aktaş, B. Investigation of reinforced concrete beams behavior of steel fiber added lightweight concrete. Constr. Build. Mater. 38, 575–581 (2013).
Ababneh, A., Al-Rousan, R., Alhassan, M. & Alqadami, M. Influence of synthetic fibers on the shear behavior of lightweight concrete beams. Adv. Struct. Eng. 20, 1671–1683 (2017).
Awad, A. et al. Effect of hybrid-fiber- reinforcement on the shear behavior of high-strength-concrete beams. Front. Mater. 9, 1088554 (2023).
Hong, S. H., Choi, J. S., Yoo, S. J. & Yoon, Y. S. Structural benefits of using carbon nanotube reinforced high-strength lightweight concrete beams. Dev. Built Environ. 16, 100234 (2023).
Konsta-Gdoutos, M. S., Metaxa, Z. S. & Shah, S. P. Multi-scale mechanical and fracture characteristics and early-age strain capacity of high performance carbon nanotube/cement nanocomposites. Cem. Concre. Compos. 32, 110–115 (2010).
Huseien, G. F., Shah, K. W. & Sam, A. R. M. Sustainability of nanomaterials based self-healing concrete: an all-inclusive insight. J. Build. Eng. 23, 155–171 (2019).
Zhao, L. et al. An intensive review on the role of graphene oxide in cement-based materials. Constr. Build. Mater. 241, 117939 (2020).
Akarsh, P. K., Shrinidhi, D., Marathe, S. & Bhat, A. K. Graphene oxide as nano-material in developing sustainable concrete – A brief review. Mater. Today Proc. 60, 234–246 (2022).
Xu, Y. et al. A holistic review of cement composites reinforced with graphene oxide. Constr. Build. Mater. 171, 291–302 (2018).
Lv, S., Liu, J., Sun, T., Ma, Y. & Zhou, Q. Effect of GO nanosheets on shapes of cement hydration crystals and their formation process. Constr. Build. Mater. 64, 231–239 (2014).
Lv, S., Ma, Y., Qiu, C. & Zhou, Q. Regulation of GO on cement hydration crystals and its toughening effect. Mag. Concre. Res. 65, 1246–1254 (2013).
Gong, K. et al. Reinforcing effects of graphene oxide on portland cement paste. J. Mater. Civ. Eng. 27, A4014010 (2015).
Wang, Y., Yang, J. & Ouyang, D. Effect of graphene oxide on mechanical properties of cement mortar and its strengthening mechanism. Materials 12, 3753 (2019).
Yu, L. & Wu, R. Using graphene oxide to improve the properties of ultra-high-performance concrete with fine recycled aggregate. Constr. Build. Mater. 259, 120657 (2020).
Xu, Y. & Fan, Y. Effects of graphene oxide dispersion on salt-freezing resistance of concrete. Adv. Mater. Sci. Eng. 1–9 (2020). (2020).
Chu, H. et al. Effect of graphene oxide on mechanical properties and durability of ultra-high-performance concrete prepared from recycled sand. Nanomaterials 10, 1718 (2020).
Mohammed, A., Sanjayan, J. G., Nazari, A. & Al-Saadi, N. T. K. The role of graphene oxide in limited long-term carbonation of cement-based matrix. Constr. Build. Mater. 168, 858–866 (2018).
Hong, X., Lee, J. C., Chu, M. Y., Li, L. & Zhou, Z. Carbonation of shale ceramsite high-strength lightweight concrete incorporating graphene oxide. IOP Conf. Ser. Earth Environ. Sci. 1303, 012002 (2024).
Hong, X., Lee, J. C. & Qian, B. Mechanical properties and microstructure of high-strength lightweight concrete incorporating graphene oxide. Nanomaterials 12, 833 (2022).
Hong, X. et al. Effect of graphene oxide on the mechanical properties and durability of high-strength lightweight concrete containing shale ceramsite. Materials 16, 2756 (2023).
Ahmad, H., Fan, M. & Hui, D. Graphene oxide incorporated functional materials: a review. Compos. Part. B Eng. 145, 270–280 (2018).
Gao, C., Jiang, H., Zhang, G., Chen, L. & Hu, Y. Novel calculation method for the shear capacity of a UHPC beam with and without web reinforcement. Materials 16, 6915 (2023).
Lee, J. C. Engineering Properties and Shear Behaviour of High Strength Lightweight Aggregate Concrete Incorporating Oil- plam-boiler Clinker (University of Malaysia, 2018).
Lu, L. & Ouyang, D. Properties of cement mortar and ultra-high strength concrete incorporating graphene oxide nanosheets. Nanomaterials 7, 187 (2017).
Wight, J. & MacGregor, J. Reinforced Concrete: Mechanics and Design (Prentice Hall Upper Saddle River, 2016).
Amin, A. & Foster, S. J. Shear strength of steel fibre reinforced concrete beams with stirrups. Eng. Struct. 111, 323–332 (2016).
Al-Allaf, M. H., Weekes, L. & Augusthus-Nelson, L. Shear behaviour of lightweight concrete beams strengthened with CFRP composite. Mag. Concre. Res. 71, 949–964 (2019).
Guo, K., Yang, Y. Z., Zhou, J. H. & Wu, X. Y. Study on flexural behavior of graphene oxide recycled concrete beams. IOP Conf. Ser. Mater. Sci. Eng. 1242, 012017 (2022).
Li, X. Experimental Study on Oblique Section Shear Behavior of Reinforced coal Gangue Concrete Beams (Xi’an University of Architecture and Technology, 2019).
Ma, H. Research on Shear Performance of Bamboo fiber Reinforced Steel wire mesh and BFRP bars Concrete Beams (Sichuan Agricultural University, 2022).
JGJ 12-2006. Technical specification for lightweight aggregate concrete structure. (2006).
ACI 318 – 11, Building code requirements for structural concrete and commentary. (2011).
Eurocode2 1992-2. Design of concrete structures. (2001).
Reddy, P. V. R. K. & Prasad, D. R. Investigation on the impact of graphene oxide on microstructure and mechanical behaviour of concrete. J. Build. Rehabil. 7, 30 (2022).
Chuah, S., Pan, Z., Sanjayan, J. G., Wang, C. M. & Duan, W. H. Nano reinforced cement and concrete composites and new perspective from graphene oxide. Constr. Build. Mater. 73, 113–124 (2014).
Golewski, G. L. The Phenomenon of cracking in cement concretes and reinforced concrete structures: the mechanism of cracks formation, causes of their initiation, types and places of occurrence, and methods of detection—A review. Buildings 13, 765 (2023).
Acknowledgements
This research is supported by the Doctoral Research Project of Xichang University (YBZ202144).
Author information
Authors and Affiliations
Contributions
X.H.: Writing-review & editing, Resources, Conceptualization, Data curation, Formal analysis, Investigation, Methodology, Validation, Visualization, Writing-original draft.J. L.: Conceptualization, Investigation, Methodology, Resources, Supervision, Validation, Visualization.B.Q.: Supervision.Mingdong Yu: Formal analysis, Supervision.Q.L.: Conceptualization, Data curation.Panli You: Writing-review & editing.
Corresponding author
Ethics declarations
Competing interests
The authors declare no competing interests.
Additional information
Publisher’s note
Springer Nature remains neutral with regard to jurisdictional claims in published maps and institutional affiliations.
Rights and permissions
Open Access This article is licensed under a Creative Commons Attribution-NonCommercial-NoDerivatives 4.0 International License, which permits any non-commercial use, sharing, distribution and reproduction in any medium or format, as long as you give appropriate credit to the original author(s) and the source, provide a link to the Creative Commons licence, and indicate if you modified the licensed material. You do not have permission under this licence to share adapted material derived from this article or parts of it. The images or other third party material in this article are included in the article’s Creative Commons licence, unless indicated otherwise in a credit line to the material. If material is not included in the article’s Creative Commons licence and your intended use is not permitted by statutory regulation or exceeds the permitted use, you will need to obtain permission directly from the copyright holder. To view a copy of this licence, visit http://creativecommons.org/licenses/by-nc-nd/4.0/.
About this article
Cite this article
Hong, X., Lee, J.C., Qian, B. et al. Experimental study on the shear behaviour of high-strength lightweight concrete beams incorporating graphene oxide. Sci Rep 14, 28199 (2024). https://doi.org/10.1038/s41598-024-79819-9
Received:
Accepted:
Published:
Version of record:
DOI: https://doi.org/10.1038/s41598-024-79819-9
Keywords
This article is cited by
-
Experimental investigation of the effect of engineered nanographene on the flexure and shear behavior of reinforced concrete beams
Journal of Engineering and Applied Science (2025)
















