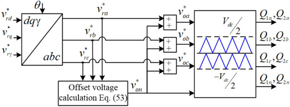
Fig. 6 | Scientific Reports