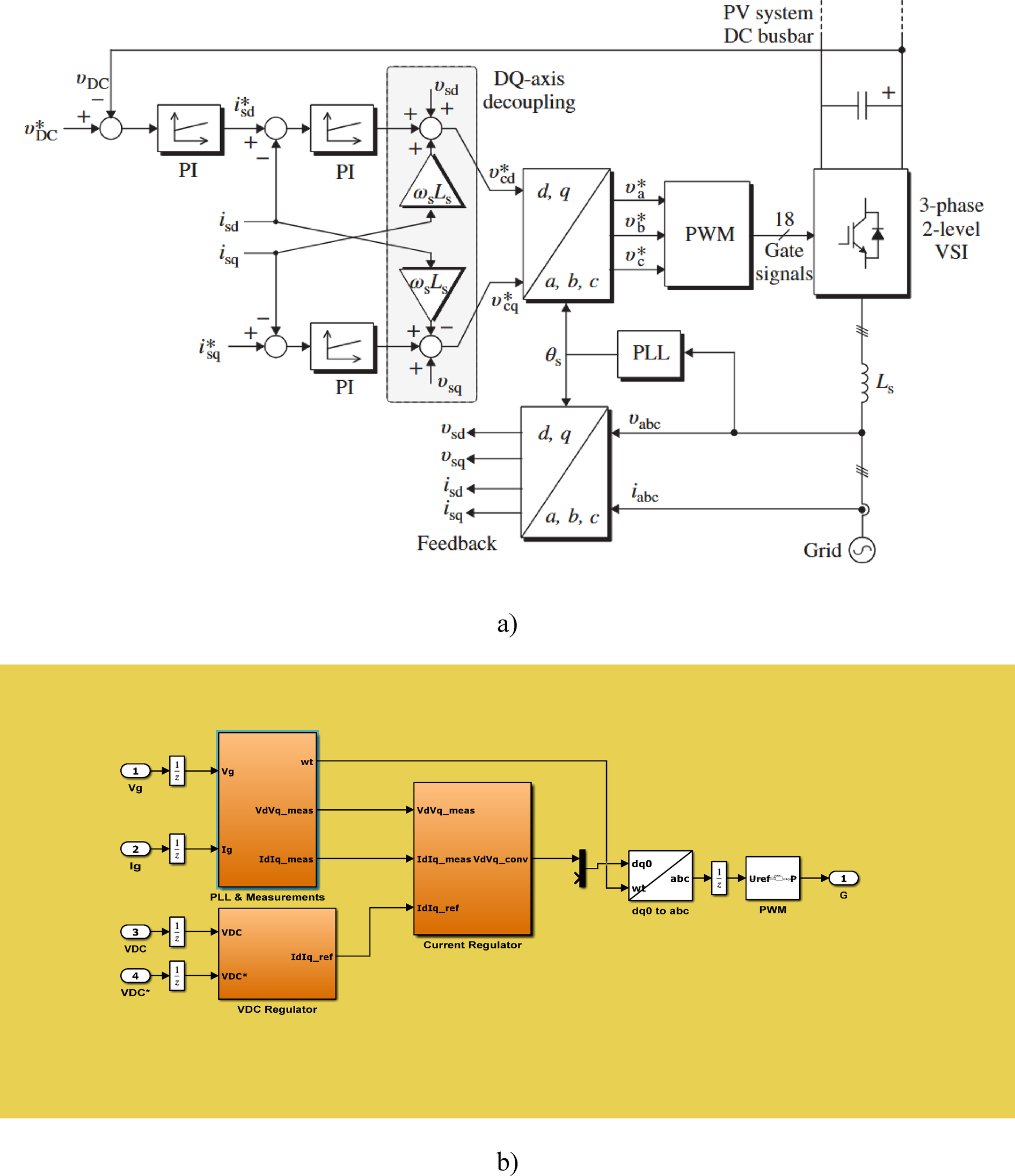
Fig. 15

VOC control structure of the three-phase grid-connected converter: (a) Block diagram of the VOC control system using PI regulators and (b) Simulink implementation of the VOC controller.

VOC control structure of the three-phase grid-connected converter: (a) Block diagram of the VOC control system using PI regulators and (b) Simulink implementation of the VOC controller.