Abstract
In this paper, we present a compact three-dimensional hemispherical reconfigurable antenna system designed for 5G networks operating around 3.6 GHz. The proposed architecture combines a four-element Vivaldi antenna array with a passive \(4\times 4\) Butler matrix to enable electronically switchable beams in three main directions: upward, rightward, and backward. Beam steering is achieved through a simple PIN diode switching network, eliminating the need for active phase control. Experimental measurements and full-wave simulations confirm consistent directivity and wide angular coverage, with an elevation coverage of approximately \(115^\circ\) in the upper hemisphere and an azimuthal coverage of about \(227^\circ\) in the XY-plane. These results underscore the system’s suitability for dynamic wireless communication environments.
Similar content being viewed by others
Introduction
In the evolving landscape of wireless communication, reconfigurable antennas are gaining significant traction due to their ability to adapt radiation characteristics such as pattern, frequency, and polarization in real time1,2,3. This adaptability is particularly valuable in the Sub-6 GHz band allocated for 5G, where changing propagation environments and user demands require responsive and efficient antenna systems. Reconfigurable antennas achieve this flexibility by integrating tunable components such as PIN diodes, RF switches, varactors, or MEMS4,5,6,7,8. Among the various configurations, Vivaldi antennas offer wideband performance and directional radiation within a compact form factor. Their smooth exponential taper and planar geometry make them an excellent baseline for structural modifications. This inherent flexibility allows the integration of multiple radiating slots within a single platform, enabling reconfigurable behavior while maintaining broadband performance. In this work, a conventional Vivaldi antenna is chosen as the foundation to implement a compact reconfigurable design with three radiation directions, reducing the number of separate antennas required. When equipped with switching components such as PIN diodes, these antennas can dynamically adjust their radiation angles, enabling multidirectional beam control without mechanical movement.
For predefined beam generation, passive beamforming networks such as Butler matrices are often employed. These networks, composed of hybrid couplers, fixed phase shifters, and crossovers, distribute signals to array elements with precise phase relationships, allowing consistent and orthogonal beam outputs9,10,11,12,13,14,15,16,17,18,19.
In this study, we present a hemispherical beamforming antenna design that leverages the strengths of both Vivaldi arrays and Butler matrices. The system supports three electronically controlled beam directions through a minimalist PIN diode configuration, offering simplicity and agility. Unlike conventional planar beam-switching schemes, the proposed structure enables hemispherical coverage, making it suitable for 5G base stations, terminals, and adaptive MIMO configurations.
Active antenna design and configuration
Reconfigurable vivaldi antenna design
In this study, the reference antenna is a tapered slot antenna (TSA) with a single fixed beam direction, as illustrated in Fig. 1a . To make this structure reconfigurable, a sequence of design modifications was progressively applied, as shown in Fig. 1a to 1g . These include the introduction of a microstrip-to-slotline transition for feeding (Fig. 1b ), and the reshaping of the outer edges into an elliptical taper to enhance current radiation (Fig. 1c ). Additional symmetric tapered slots are then integrated on both sides of the main radiator to enable pattern reconfigurability (Fig. 1d and 1e ). Circular control zones are introduced at the base of each side slot (Fig. 1f ) to allow current steering via electronic switching. Finally, the geometry is optimized to ensure efficient radiation around 3.6 GHz, completing the reconfigurable antenna design (Fig. 1g ).
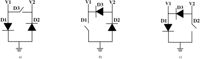
The final structure adopts a wideband tapered-slot Vivaldi configuration, fabricated on a Rogers 5880 substrate (\(\varepsilon _r = 2.2\), \(\tan \delta = 2 \times 10^{-3}\)), with a smooth quarter-circle microstrip-to-slotline transition on the rear side. The radiating element consists of two symmetric tapered slots on the top layer, while the feed line and matching structure are printed on the bottom. Directional radiation is enabled by three PIN diodes (MA4AGP907) strategically placed along the slots and labeled D1, D2, and D3 as shown in Fig. 2.
The antenna’s operating principle relies on controlling the current distribution by toggling the diode states (activated or deactivated). Depending on which diodes are turned on, the current is directed toward specific radiating slots, thereby steering the beam in one of three distinct directions. Table 1 summarizes the configuration of the MA4AGP907 PIN diodes (D1, D2, and D3) for each reconfiguration state. For instance, in State 1, activating D1 and D2 while deactivating D3 concentrates the current into the central slot, producing a broadside beam. In contrast, combinations involving D3 redirect the energy toward the lateral radiators, enabling leftward or rightward beam orientations.
To implement this switching behavior, a minimalist control circuit is used. Only two DC control voltages, V1 and V2, are required to manage the three states, due to the series configuration of the diodes (Fig. 2). Table 2 provides the voltage conditions and values corresponding to each beam state. Figure 3 illustrates the equivalent diode activation circuits for the three states, highlighting the current paths resulting from each voltage combination. This configuration allows for dynamic beam switching without mechanical movement and ensures compactness, simplicity, and consistent performance.
To ensure reliable operation, current-limiting resistors (100 \(\Omega\)) and RF chokes (220 nH inductors) are added to the bias network (Fig. 2). The radiation response of the antenna remains stable across the 2–5 GHz range, with \(S_{11}\) staying below \(-10\) dB (Fig. 5).
Return loss simulations reveal strong impedance matching in all states, with a particularly pronounced resonance near 4 GHz in State 1.
The antenna exhibits a wide impedance bandwidth extending from 3 GHz to 5 GHz, corresponding to approximately one octave, with \(S_{11}\) remaining below \(-10\) dB across all reconfiguration modes. This wide bandwidth ensures stable operation over the entire target band. Beam directions for the three switching states are as follows:
State 1: \(\theta = 0^\circ\) in the XZ plane (broadside)
State 2: \(\theta = +90^\circ\) (rightward)
State 3: \(\theta = -90^\circ\) (leftward)
The antenna maintains a linear polarization across the entire operating band. The electric field is oriented in the XZ-plane for all three switching states, as confirmed by far-field simulations. This stable polarization behavior supports consistent radiation characteristics under reconfiguration.
According to the MA4AGP907 datasheet 20, the forward current of each diode should not exceed 15 mA. In the proposed design, each PIN diode is biased with a current of approximately 10 mA and a forward voltage of about 1.33 V. Taking into account the series 100 \(\Omega\) current-limiting resistor, the total DC power consumption per active diode is estimated at 23.3 mW. Since only two diodes are activated in any given state, the overall power consumption of the switching network remains below 47 mW, which is well within the diode’s maximum power rating of 50 mW.
An overview of the diode-based reconfiguration states is provided in Table 1.
To further illustrate the antenna’s reconfigurable behavior, the simulated surface current distribution for each operating state is presented in Fig. 4. In State 1, the current is concentrated along the central tapered slot, resulting in a broadside radiation pattern. In State 2, the current is redirected toward the right-side slot, producing a beam steered to \(+90^\circ\), while in State 3, the current flows predominantly through the left-side slot, steering the beam toward \(-90^\circ\). These field distributions confirm that the activation of different diode combinations effectively controls the current paths, enabling dynamic and directional beam switching without mechanical movement.
Figure 6 presents the simulated \(E_{\theta }\) radiation pattern at 3.5 GHz, showing the complementary angular coverage resulting from the three antenna states.
The antenna exhibits a gain of approximately 4.7dBi across all three reconfiguration states. As shown in Fig. 7, the total radiation efficiency remains above 85% across the 3–5 GHz frequency range for all three reconfiguration states. State 1 exhibits the highest efficiency, reaching up to 97% near 4 GHz. State 2 shows slightly lower performance, with a gradual decline beyond 3.5 GHz. State 3 maintains relatively stable efficiency around 90%. These results confirm that the antenna maintains good radiation performance under all switching conditions, ensuring reliable operation across the targeted frequency band.
Table 3 summarizes the main design specifications of the proposed reconfigurable antenna. These include operating frequency range, acceptable return loss, switching modes, and targeted performance in terms of gain and directivity.
Fabrication and integration
The prototype was fabricated using precision milling techniques. A matched 50-\(\Omega\) microstrip feed (2.75 mm wide) is connected to an open radial stub with a 5.1 mm radius, which enhances bandwidth and minimizes reflections. Instead of a conventional quarter-wavelength stub, a circular slot etched at the feed point is employed to broaden the impedance bandwidth. A 2.3 mm radius via is also incorporated for fine impedance tuning. Figure 8 presents the fabricated design, with the top view showing the three slot positions and diode layout, and the bottom view revealing the matching network. This configuration allows efficient beam switching while maintaining compact integration.
To enable controlled beamforming, a 4\(\times\)4 Butler matrix is integrated with the antenna array. This passive network comprises key components: 90\(\phantom{0}^\circ\) hybrid couplers, fixed 45\(\phantom{0}^\circ\) phase shifters, and crossovers. These elements are arranged to create predetermined phase relationships across the output ports when a single input port is excited. The matrix is designed to feed the four-element Vivaldi array in a manner that directs the main beam toward specific angular positions. Each input port corresponds to a unique phase combination, producing steerable beams with orthogonal separation.
Excitation configurations and their corresponding beam directions are as follows:
State 1 (input P1): \(\theta = -18^\circ\) to \(+18^\circ\) (Z-direction plane, \(\varphi = 90^\circ\))
State 2 (input P2): beams toward azimuthal angles near \(\varphi = 168^\circ\), \(198^\circ\), and \(228^\circ\)
State 3 (input P3): beam reorients to opposite side, enabling \(180^\circ\) switching
Figure 9 through 11 illustrate the internal topology of the Butler matrix and its full integration with the Vivaldi array. This setup ensures consistent amplitude and phase distribution to support the three reconfigurable modes with minimal complexity.
Simulation results
Full-wave electromagnetic simulations were performed using CST Microwave Studio to evaluate the system’s radiation behavior under the three operational states.
Each simulation included the antenna array, the Butler matrix, and the biasing circuitry with PIN diodes in designated configurations. The radiation patterns at 3.6 GHz confirm the intended directional behavior:
State 1: Beam directed upward in the XZ plane (Fig. 12)
State 2: Beam directed rightward in the X0Y plane (Fig. 13)
State 3: Beam reoriented in the opposite (\(-90^\circ\)) direction (Fig. 14).
Table 4 summarizes the three beam states, which together provide broad hemispherical coverage.
State 1 provides a beam coverage of approximately \(\theta = \pm 57.5^\circ\) in the YZ-plane, corresponding to the upward direction.
State 2 covers approximately \(\phi = 128^\circ\) to \(235^\circ\) in the XY-plane, steering the beam toward the right side.
State 3 covers approximately \(\phi = \pm 60^\circ\) in the XY-plane, steering the beam toward the left side.
In terms of angular coverage, State 1 covers around 67% of the upper hemisphere, while the combination of States 2 and 3 covers approximately 67% of the azimuthal plane (XY-plane) hemisphere.
Figure 15 shows the global radiation coverage diagram corresponding to the combination of the three states of operation and the activation of the four Butler matrix ports.
Measurement results
To validate the simulation results and assess the practical performance of the proposed antenna system, a prototype integrating the four-element reconfigurable Vivaldi array and the \(4\times 4\) Butler matrix was fabricated and tested. The antenna elements were arranged with a half-wavelength spacing to ensure optimal coupling and phase alignment across the array. Photographs of the fabricated prototype are shown in Figs. 16 and 17, detailing the top and bottom layers with the slot layout, feeding network, and biasing lines. Radiation measurements were carried out in an anechoic chamber using a standard MVG far-field setup. Each operating state was tested individually by controlling the PIN diode states and exciting the appropriate Butler matrix input port.
The measured radiation patterns are presented in Figs. 18 to 20, corresponding to the three reconfigurable states:
-
State 1: Beam tilted upward, consistent with \(\theta = 0^\circ\).
-
State 2: Rightward beam, oriented near \(\varphi = 90^\circ\).
-
State 3: Beam directed leftward (opposite azimuthal direction).
Measured patterns closely matched simulated ones, validating the accuracy of the design. The experimental setup confirmed stable behavior within the 3.5-3.7 GHz range, and consistent beam switching across all configurations. Overall, the prototype achieved reliable hemispherical beam steering using a simple PIN-diode-based mechanism without requiring active phase shifters. Radiation measurements were carried out in an anechoic chamber using a standard MVG far-field setup.
Table 5 provides a detailed comparison between the proposed design and recent state-of-the-art reconfigurable antennas for sub-6 GHz and mmWave applications. The comparison encompasses antenna types, reconfiguration mechanisms, supported bandwidths, physical dimensions, realized gain, and efficiency (when available). Unlike most existing designs that provide planar or limited angular coverage, the proposed antenna achieves hemispherical beam switching (Figs. 18, 19, and 20), with coverage defined in terms of elevation (\(\theta\)) and azimuth (\(\phi\)) angles, measured at the -3 dB beamwidth. Specifically, the antenna provides:
-
Elevation coverage of approximately \(115^\circ\) (\(\theta \in [-57.5^\circ , +57.5^\circ\) for state 1])
-
Azimuthal coverage of approximately \(227^\circ\) (\(\varphi \in [-60^\circ , 60^\circ\) for state 3, and \(128^\circ\) to \(235^\circ\) for state 2])
In addition, it maintains a wide impedance bandwidth from 2.5 to 5 GHz, a compact form factor (70 \(\times\) 70 mm), a stable gain of approximately 4.7 dBi, and a radiation efficiency exceeding 85% across all configurations. These features highlight the novelty and performance advantages of the proposed system over conventional designs.
Conclusion
This study presents a compact 3D hemispherical reconfigurable antenna system specifically designed for sub-6 GHz 5G applications. By combining a four-element Vivaldi array with a passive Butler matrix and a simplified PIN diode-based control network, the system achieves reliable beam steering in three orthogonal directions. Both simulation and measurement results validate the system’s ability to maintain high directivity, broad angular coverage, and stable performance across its operating band. Looking forward, future work will focus on extending the beam steering capabilities toward full azimuthal coverage by increasing the number of ports and integrating additional array elements. Furthermore, the incorporation of artificial intelligence for real-time beam optimization and adaptive control strategies will be explored. This includes the use of lightweight machine learning models to predict optimal beam directions based on environmental parameters and user positioning. With its simple architecture, cost-effective implementation, and adaptability, the proposed system offers a promising foundation for next-generation reconfigurable antenna platforms supporting emerging 5G and beyond networks.
Data availability
All data generated or analysed during this study are included in this published article and its supplementary information files. In particular, the diode characteristics used in the design were based on the manufacturer’s datasheet, which is provided as supplementary material: https://cdn.macom.com/datasheets/MA4AGP907/MA4AGFCP910.pdf.
References
Li, Q., Niu, H., Papathanassiou, A. & Wu, G. 5g network capacity: Key elements and technologies. IEEE Veh. Technol. Mag. 9, 71–78 (2014).
Ilderem, V. 5g wireless communication: an inflection point. In IEEE International Solid-State Circuits Conference (ISSCC), 35–39 (2019).
Tawk, Y. & Christodoulou, C. A new reconfigurable antenna design for cognitive radio. IEEE Antennas Wirel. Propag. Lett. 8, 1378–1381 (2009).
Herzi, H. & Choubani, F. Frequency reconfigurable vivaldi antenna with switched resonators for wireless applications. Int. J. Adv. Comput. Sci. Appl. 10 (2019).
Awan, M. e. a. Design and realization of a frequency reconfigurable antenna with wide, dual, and single-band operations for compact sized wireless applications. Electronics 10 (2021).
Bernhard, J. Reconfigurable Antennas (Morgan & Claypool, 2007).
Zhang, S. e. a. A reconfigurable antenna with three ports for pattern diversity. IEEE Trans. Antennas Propag. 64, 1401–1407 (2016).
Cherif, A. e. a. Radiation beam width and beam direction electronic control of transparent and compact vivaldi antennas. Appl. Sci. 13, 7878 (2023).
Kumar, A. e. a. Compact 4x4 butler matrix design-based switch beamforming antenna array for 5g applications. SAGE Advance (2023).
Zhang, L. e. a. Beam-switching antennas using a butler matrix with a five-element array for 5g fr1 applications. Electronics 14 (2023).
Wang, D. e. a. Design and implementation of c-band large-power planar butler matrix beamforming network for satellite remote sensing. Sensors 24 (2024).
Smith, J. e. a. Design of a compact reconfigurable vivaldi antenna for sub-6 ghz 5g applications. IEEE Trans. Antennas Propag. 70 (2022).
Rahim, A. e. a. Development of a 4x4 butler matrix for beamforming in 3.5 ghz 5g networks. IEEE Access 9 (2021).
Tan, K. e. a. A reconfigurable vivaldi antenna with enhanced gain for 3.5 ghz applications. Microw. Opt. Technol. Lett. 62 (2020).
Zhao, F. e. a. Design and analysis of a compact butler matrix for sub-6 ghz beamforming. Int. J. Electron. Commun. 150 (2023).
Patel, S. e. a. Sub-6 ghz wideband reconfigurable antenna for beam steering applications in 5g terminals. IEEE Antennas Wirel. Propag. Lett. 21 (2022).
Lafond, O., Himdi, M. & Daniel, J. Thick slot coupled printed antennas arrays for a 60 ghz indoor communication system. Microw. Opt. Technol. Lett. 25, 105–108 (2001).
Babale, S. e. a. Single layered 4 x 4 butler matrix without phase-shifters and crossovers. IEEE Access 6, 77289–77298 (2018).
Ishfaq, M. e. a. Compact wide-angle scanning multibeam antenna array for v2x communications. IEEE Antennas Wirel. Propag. Lett. 20, 2141–2145 (2021).
https://cdn.macom.com/datasheets/MA4AGP907__MA4AGFCP910.pdf.
Wang, Z. & al. A low-profile electronically beam-switching antenna using reconfigurable meta-surface for 5g application. IEEE Trans. Antennas Propag. 67, 3820–3830 (2019).
Hussain, R. & al. A compact wideband reconfigurable antenna with pattern diversity for 5g sub-6 ghz applications. IEEE Access 9, 45678–45685 (2021).
Khalily, A. & al. Design of a reconfigurable directive antenna array for mmwave 5g beamforming applications. IEEE Access 5, 19105–19115 (2017).
Wang, Y. & al. Broadband reconfigurable antenna with switchable directional patterns. IEEE Antennas Wirel. Propag. Lett. 16, 2537–2540 (2017).
Antoniades, M. A. & al. Compact electronically switchable directional antenna for wireless sensor nodes. IEEE Antennas Wirel. Propag. Lett. 11, 1373–1376 (2012).
Acknowledgements
This work is supported by the European Union through the European Regional Development Fund (ERDF), the Ministry of Higher Education and Research, the Région Bretagne, the Département des Côtes d’Armor, and Saint-Brieuc Armor Agglomération, through the CPER Projects 2015-2020 MATECOM and SOPHIE/STIC & Ondes, as well as by the Ongoing Research Funding program (ORF-2025-482), King Saud University, Riyadh, Saudi Arabia.
Author information
Authors and Affiliations
Contributions
A.C. and S.D. and M.H. design, experimental measurements, data processing, and manuscript writing H.V. and A.A. design, data processing, and manuscript writing.
Corresponding author
Ethics declarations
Competing interests
The authors declare no competing interests.
Additional information
Publisher’s note
Springer Nature remains neutral with regard to jurisdictional claims in published maps and institutional affiliations.
Supplementary Information
Rights and permissions
Open Access This article is licensed under a Creative Commons Attribution-NonCommercial-NoDerivatives 4.0 International License, which permits any non-commercial use, sharing, distribution and reproduction in any medium or format, as long as you give appropriate credit to the original author(s) and the source, provide a link to the Creative Commons licence, and indicate if you modified the licensed material. You do not have permission under this licence to share adapted material derived from this article or parts of it. The images or other third party material in this article are included in the article’s Creative Commons licence, unless indicated otherwise in a credit line to the material. If material is not included in the article’s Creative Commons licence and your intended use is not permitted by statutory regulation or exceeds the permitted use, you will need to obtain permission directly from the copyright holder. To view a copy of this licence, visit http://creativecommons.org/licenses/by-nc-nd/4.0/.
About this article
Cite this article
Cherif, A., Dubois, S., Himdi, M. et al. A novel 3D hemispherical reconfigurable antenna with a switchable radiation pattern using Butler matrix. Sci Rep 15, 29457 (2025). https://doi.org/10.1038/s41598-025-14298-0
Received:
Accepted:
Published:
Version of record:
DOI: https://doi.org/10.1038/s41598-025-14298-0






















