Abstract
To address the problem of large deformation challenges encountered in the two entries of the working face during the extraction of “three-soft coal seam” in deep mines, taking the No. 1509 isolated working face in Shanyang Coal Mine as the engineering background, this study comprehensively employs laboratory experiments, field measurements, theoretical calculations, and FLAC3D numerical simulations, it analyzes the lithological causes of original support failure, reveals the deformation and failure laws of roadway surrounding rock before and after mining influence, obtains the relationship between the distribution characteristics of the loose circle and the support range of bolts and cables, and uncovers the large deformation mechanism of the two gate roads in the No. 1509 working face.The theory of “ultimate self-stabilizing equilibrium circle” of soft rock roadway is proposed, it is pointed out that in the treatment of soft rock roadway, the ' floor-two ribs-roof ' of the roadway should be regarded as a whole, and the principle of “controlling the ribs first rather than the roof, and controlling the floor first rather than the ribs, shoulder angles and rib feet as key zones” should be adhered to. This is to enhance the strength and stability of the overall “floor-ribs-roof” support and achieve the effect of “strengthening the floor to reinforce the ribs, and strengthening the ribs (shoulder) to reinforce the roof”. According to this theory, the reinforcement support scheme of two entries in 1509 working face is designed and implemented on site. The research indicates that the surrounding rock of the roadway exhibits low strength, with the roof and floor strata characterized by water-induced softening, weathering, and strong swelling properties. The uniaxial axis compressive strength of the surrounding rock ranges from 6.45 ~ 17.04 MPa, the water softening coefficient is 0.39 ~ 0.86, the clay mineral content in the roof and floor is 53.58–72.03%, and the rock sample brokes into flaky rocks after air drying for 2.5 hours. When not affected by mining activities, the roadway roof undergoes weathering and fragmentation, the ribs bulge out, and the floor softens and swells upon contact with water. After being influenced by mining, the original support fails rapidly. Within 50 meters ahead of the working face, the deformation speed of the roadway surrounding rock is the highest, causing comprehensive large-scale deformation in all directions, the deformation speed is slower between 50 and 120 meters ahead of the working face.Field measurements show that before the influence of mining, the loose circle development depth in the roadway sides and shoulders is relatively large, especially the maximum depth in the shoulder area, which exceeds the support range of bolts but does not reach the support range of cables. Under the original support conditions, both the bolts in the ribs and shoulders are in a failed state, requiring the advance support of long anchor cables to be supplemented.Based on the theory of “ultimate self-stabilizing equilibrium circle”, the length of the reinforcement anchor cables for the two ribs and shoulders is determined to be 5.5m, and the depth of the floor arch and the length of bolts are 0.7m and 2.4 m respectively. According to the FLAC3D numerical simulation results, after adopting the optimized support scheme, the range of the plastic zone in the roadway roof is reduced by 62% and in the two ribs is reduced by 57%, and the deep range of the plastic zone in the floor is reduced by 88%. After the construction of the test section, the deformation control effect of the roadway surrounding rock is remarkable. This study not only improves the safety and production efficiency of Shanyang Coal Mine, but also has important reference value for the support of soft rock roadway under similar engineering geological conditions.
Similar content being viewed by others
Introduction
The stability of the entry during the service period directly affects the safe mining production of the working face. Moreover, the support of the entry is the foundation and key to ensuring the safe and efficient mining of the working face.
Domestic and international scholars have conducted extensive research on the stability control of surrounding rock in soft rock roadways. Professor He Manchao from China University of Mining and Technology proposed the ‘Optimal Support Theory for Soft Rock Roadways’ for expansive and highly rheological soft rock. He pointed out that it is advisable to reasonably release and control the plastic deformation energy of soft rock, enabling the soft rock to enter the plastic state and controlling it to reach its maximum plastic bearing capacity1,2,3,4,5,6. Professor Lu Shiliang put forward the theory of using U-shaped steel supports to reinforce soft rock roadways with large deformations. He established the relationship between the support and the surrounding rock of soft rock roadways and provided the principles and methods for backfilling support behind the wall7,8,9,10,11,12,13. Regarding dynamic pressure soft rock roadways, Professor Dong Fangting proposed the theory of surrounding rock loose circle support. He determined that the main object of support is the broken expansion deformation during the development of the loose circle, and bolt support can be used in place of U-shaped steel support to control soft rock roadways14,15,16,17. Regarding the rheology of roadway surrounding rock, Professor Fan Qiuyan proposed that the key to surrounding rock control lies in keeping the surrounding rock in the elastic zone within the stable creep range. Meanwhile, a reasonable constant-resistance and shrinkage support should be designed to adapt to and control the surrounding rock entering the stable creep stage18,19,20,21. Wang Weijun investigated the formation and development patterns of the plastic zone in the roadway and its impact on roadway stability. He also studied the mechanism of bolt support and expounded on the internal relationship between support and surrounding rock deformation. Based on the butterfly failure theory, he put forward the surrounding rock control technology for deep roadways and applied it in engineering22,23,24,25,26,27,28. Professor Hou Chaojiong proposed the grouting reinforcement technology and the toe-reinforcing theory to control the deformation of surrounding rock for the support of weak and fractured surrounding rock29,30,31,32,33.
Regarding the three-soft coal seam entry, Professor Huang Qingxiang proposed the ultimate self-stable equilibrium arch theory and self-stable equilibrium circle theory for surrounding rock support. The theory posits that the plastic zone of the surrounding rock in a three-soft coal seam roadway is large, and the object of bolt and anchor cable support control is the surrounding rock within the ultimate equilibrium circle. It is necessary to consider ‘roof-ribs-floor’ as an integrated ring for support control. Moreover, Professor Huang put forward the construction technical principles of ‘early, strong, dense, and paste’ to enhance the quality of soft rock bolt and mesh support. As a result, the problems of strong deformation entry support in the three-soft coal seams of Chenghe Wangcun Coal Mine and Zhengzhou Coal Group, as well as the surrounding rock support in the fracture zone of South No.3 and South No.4 roadways of Taiping Coal Mine in Panzhihua34,35,36,37,38,39, were successfully resolved.
In the Shanyang Coal Mine of Shaanxi Chenghe Mining Co., Ltd., the deformation of the two ribs of the entry in the three-soft coal seam of the 1509 working face reached over 4000 mm. This entry is characterized by large deformation and strong floor heave. During the production process, it needs to be repaired multiple times, which seriously impacts the safe and efficient mining operations.
In this paper, the pattern of deformation and failure of the roadway surrounding rock before and after being affected by mining are determined through field measurements. The causes of support failure are analyzed using physical simulation, numerical calculations, and theoretical analysis. The large deformation mechanism of the two entries in the 1509 island working face is revealed, and a reasonable repair and support scheme is proposed. The field engineering test results show that the deformation of the roadway surrounding rock is effectively controlled, ensuring the safety and normal mining of the roadway.
Overview of working face and roadway
General situation of work face
The scale of Shanyang Coal Mine is 3.00 Mt/a, and the service life is 56.8a. The coal measure strata in the mine field are Taiyuan Formation of Upper Carboniferous and Shanxi Formation of Lower Permian, the main minable coal seam is No.5 coal seam, which is mined by fully mechanized mining method.
The average buried depth of No.5 coal seam is 435 m, the average recoverable thickness is 3.92 m, the dip angle of coal seam is 3o ~ 8o, the coal seam and its roof and floor are soft, which belongs to the typical three soft coal seam. The design length of two entries in 1509 working face is 902.38 m, the design section shape of roadway is rectangular, which is supported by anchor net cable, the construction specifications of roadway are 5 m wide, 3.8 m high and 19m2 broken area, the north and south ribs of the 1509 working face are 1511 and 1507 working face goafs, which are isolated island working faces, and the width of the section coal pillar is 20 m. The layout plane of 1509 and adjacent working face is shown in Fig. 1.
Layout plan of 1509 working face and adjacent working faces.
Lithology of roadway surrounding rock
The lithology of roof and floor of 5# coal seam in 1509 working face is mainly mudstone and siltstone. The roof of the roadway consists of the 4# coal seam, which has a thickness of 0.95 m at a depth of 1–6 m. In the floor, there is a 0.2 m coal line at the depth of 2 m and the limestone aquifer is located deeper within the floor. The columnar coal-bearing strata of the working face is shown in Fig. 2.
Histogram of coal measures strata of the 1509 working face.
Failure characteristics of roadway surrounding rock
The 1509 working face is an isolated working face, due to the influence of mining induced stress from both sides, the deformation of the both entries is very serious in the excavation stage. The two ribs of the roadway are squeezed inside, the roof is broken, the bolt and anchor cable are failed, the deformation of roof and ribs show the ‘wave-like’ characteristics. In some areas, U-shaped steel support must be used to strengthen the support. The floor heave is obvious, and the maximum floor heave is up to 1000 mm, which needs floor ripping from time to time.
After being affected by the mining of the working face, the roadway ribs continue to converge, and the entry ribs must be expanded. After the expansion repair, the roof has a large range of subsidence, showing a ‘net-like’ caving feature. Therefore, it is necessary to reinforcement support by use of monomer + π-beam + semi-circular wood, and steel mesh + steel belt + anchor cable. However, the reinforcement effect is not ideal. The deformation of roadway surrounding rock is shown in Fig. 3. The deformation sketch roadway is shown in Fig. 4.
Deformation form of entry surrounding rock. (a) roadway deformation during tunneling (b) roadway deformation during mining.
Deformation sketch of roadway surrounding rock. (a) track entry (b) belt entry.
Mechanical properties and their influence on the deformation and failure of the surrounding rock
Through field measurement, it was found that large deformation occurred during the excavation of the two entries in the 1509 working face. In order to analyze the mechanism of roadway support failure from the perspective of lithology, mechanical parameter determination, expansive mineral content analysis and roof weathering experiments were carried out in the laboratory.
Mechanical properties of roadway surrounding rock
Figure 5 is the mechanical experimental diagram of coal and rock samples in the two entries of 1509 working face, and Table 1 is the results of mechanical parameters. Due to the high degree of joint fracture development in the roadway surrounding rock, the integrity of rock mass is poor, and the rock samples taken on site are relatively fragmented. Therefore, the rock samples were prepared as non-standard samples, and the mechanical parameters were measured by soil pressure testing machine.
Mechanical experimental diagram of coal and rock samples from entries of 1509 working face. (a) uniaxial compression (b) uniaxial tension (c) uniaxial shear resistance.
It can be observed that the strength of the entry surrounding rock is generally low. Among them, the strength of the floor and the two ribs is the lowest, and the floor is easily softened by water. Therefore, it is necessary to implement waterproofing for the roadway floor.
Swelling property of roadway roof and floor rocks
Through the experiment, the average content of clay minerals in the roof of the two entries of 1509 working face is 53.58%, while the content of clay minerals in the floor is as high as 72.03%. Figure 6 shows the analysis and diffraction of the mineral composition of the roof and floor rock samples, and Table 2 presents the absolute content of the rock mineral composition of the roof and floor of the entries.
It can be observed that the roof and floor strata of Shanyang Coal Mine have obvious water softening and rheological properties, and have certain swelling expansibility. The clay content in the floor is higher resulting in obvious rheological properties. Therefore, the control of floor is one of the key aspects of roadway support.
Analysis and diffraction of the mineral composition of rock samples from roof and floor. (a) roadway roof (b) roadway rib.
Rock weathering of roadway roof
Through field measurement, during the excavation of the two entries of the 1509 working face, the roof strata were weathered rapidly after being exposed, forming flake-like uniform fragments. This led to the collapse of the shallow strata of the roadway roof and made it difficult to support. Figure 7 shows the broken roof of the two entries in the 1509 working face.
1509 working face two entries roof broken situation.
In order to determine the specific weathering time and pattern of roof rock samples, the rock samples wrer processed into rectangular blocks and immersed in water for 12 h. The changes of the test blocks before and after immersion in water were observed to provide a basis for support, as shown in Fig. 8.
The rock sample was soaked in water and taken out after 12 h. After standing 1.5 h, the sample surface was naturally air-dried and layered joint fissures emerged, furthermore the rock sample naturally split into two halves along the layered fissures. After 2.5 h, the cracks on both sides penetrated and multiple cracks appeared. With a light touch, the rock sample broke into flake blocks with uneven size along the layered fissures.
Weathering experiment of roadway roof rock sample. (a) after soaking in water (b) stand for 1.5 h. (c) stand for 2.5 h (d) after light touch.
Influence of mechanical properties of surrounding rock on roadway deformation
(1) The compressive strength of surrounding rock in the two entries of 1509 working face is relatively low. The average uniaxial compressive strength of siltstone in the roof is 17.04 MPa, the average uniaxial compressive strength of the 5# coal seam in the rib is 6.45 MPa, and the average uniaxial compressive strength of sandy mudstone in the floor is 6.88 MPa.
(2) The roof of the entries in 1509 working face has obvious water softening and rheological properties, along with certain expansibility. The water softening coefficient is 0.74, and the average clay mineral content is 53.58%. The montmorillonite content in the roadway floor is relatively high. Moreover, there is a limestone aquifer in the deep layer of the floor. This floor will continuously absorb water, undergo softening, and experience expansion deformation. The average water softening coefficient is 0.39, and the clay mineral content is as high as 72.03%.
(3) Due to the long-term exposure of the roadway roof to the air, it is easy to be weathered when encountering water, resulting in uneven contact and stress at the plate of the anchor cable. This easily leads to the failure of bolt support.
Field measurement of deformation and failure of roadway surrounding rock
Deformation pattern of roadway surrounding rock
(1) Deformation pattern of surrounding rock before mining influence.
Through field measurement, the Origin software is used to draw the deformation curve of the surrounding rock of the 1509 working face over 80 days, as shown in Fig. 9.
Deformation curve of the surrounding rock of the two entries in the 1509 working face over 80 days.
It can be seen from Fig. 9, the convergence speed of the roof to floor of the two entries in the 1509 working face is significantly higher than the convergence speed of the two ribs, and the convergence of the roof to floor is higher than the convergence of the two ribs. The maximum displacement of the roof and floor of the track entry in the 1509 working face is 1427 mm, the convergence speed is 17.8 mm/d, the maximum displacement of the two ribs is 398 mm, and the convergence speed of the two ribs is 5.0 mm/d; the maximum convergence of the roof to floor of the belt entry is 890 mm, and the convergence speed is 11.1 mm/d. The maximum convergence of the two ribs is 380 mm, and the convergence speed is 4.8 mm/d. Before the influence of mining, the convergence speed of the roof to floor of the roadway is 2.3–3.6 times that of the two ribs. Therefore, the roadway roof subsidence and floor heave are the main control objects.
Considering the actual situation, since the track entry was established two months earlier than the belt entry, its deformation amount is greater than that of the belt entry. However, there is no significant difference in the deformation speed of the two entries.
(2) The deformation pattern of surrounding rock after mining influence.
During the mining of the 1509 working face, six stations are set up within a range of 120 m in front of the coal face in the two entries for displacement monitoring. The deformation curve of surrounding rock at the advanced position of two entries in 1509 working face is shown in Fig. 10.
The deformation curve of surrounding rock ahead of the coalface of the two entries in 1509 working face. (a) track entry (b) belt entry.
It can be seen from Fig. 10, during the mining of 1509 working face, the convergence deformation of the two ribs of the two entries is basically the same as that of the roof to floor, and the amount of the roof subsidence is nearly the same as the amount of floor heave. The maximum displacement of the roof and floor of the track entry is 2187 mm, the displacement rate is 57.6%. The maximum convergence displacement of the two ribs is 1742 mm, and its displacement rate is 33.5%. The maximum subsidence of the roof is 1162 mm, and the maximum floor heave is 1025 mm. The maximum convergence of the roof and floor of the belt entry is 1968 mm, the convergence rate is 51.8%. The maximum convergence of two ribs is 2100 mm, the convergence rate is 38.5%. The maximum subsidence of the roof is 849 mm, and the maximum floor heave is 1119 mm.
In general, the deformation speed of the surrounding rock of the roadway within 50 m in front of the working face is obviously faster, and the deformation speed between 50 m and 120 m is relatively slow. The roof to floor convergence within 50 m in front of the track entry is 1078 mm, and the convergence between two ribs is 743 mm. The convergence of roof to floor ahead coalface from 50 m to 120 m is 52 mm, and the convergence of two ribs is 386 mm. The convergence of the roof to floor within 50 m in front of the belt entry is 563 mm, the convergence of the two ribs is 800 mm. The convergence of the roof and floor from 50 m to 120 m is 253 mm, and the convergence of the two ribs is 200 mm. It can be seen, during the influence of mining, the displacement of 50 m roadway in front of the working face is higher, and should be emphatically controlled.
(3) Deformation and failure pattern of surrounding rock before and after mining influence.
Before the mining influence of two entries in 1509 working face, the main deformation pattern is that the convergence and convergence speed of roadway roof to floor are much larger than those of two ribs. After the mining influence, the deformation of the roof to floor and the two ribs of the two entries increased significantly until they are basically steady. It can be observed that after the mining of the working face, the deformation speed of the two ribs is much larger than the speed of the roof to floor. The deformation pattern of the surrounding rock of the roadway is finally manifested as large-scale peripheral deformation, and the deformation of the roadway surrounding within 50 m ahead of the working face is the most severe.
Based on the above analysis, it can be seen that before the mining influence of the 1509 working face, the support of the roadway ribs should be strengthened to prevent rapid deformation of the ribs after mining, and after mining influence, the support of the roof and floor should be strengthened.
Development pattern of surrounding rock loose circle and bearing characteristics of full-section bolt and cable support system
Under the influence of mining stress, the surrounding rock loose circle in roadway is expanding, and the anchor cable gradually fails, and eventually leads to large deformation around the roadway. In order to explore the distribution of loose circle and working load of bolt and anchor cable, the loose circle is measured by borehole imaging, and the working load of anchor cable and bolt are measured by non-destructive monitor.
(1) Development characteristics of surrounding rock loose circle.
According to the measured results of borehole imaging, it can be concluded that the range of surrounding rock loose circle in two entries of 1509 working face is presented in Fig. 11.
Range of surrounding rock loose circle of roadway.
It can be seen from Fig. 11, the maximum depth of the surrounding rock loose circle of the roadway roof is 4.16 m, that of the two ribs is 2.87 m, that of the floor is 2.50 m, and that of the shoulder is 5.22 m. The loose range of the roadway shoulder is the largest. Therefore, it is necessary to reinforce the the roadway shoulder.
(2) Monitoring of bearing characteristics of the bolt and anchor cable.
1) Monitoring scheme.
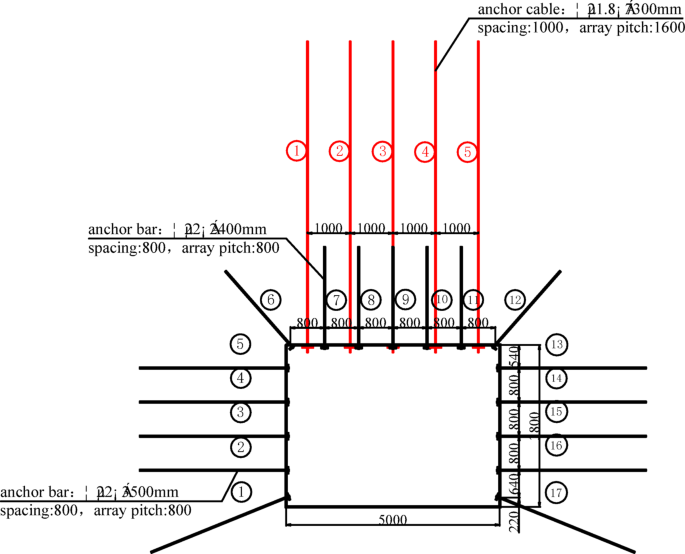
Six measurement stations are arranged in the two entries of 1509 working face, the position of the station is shown in Fig. 12. The conventional deformation sections are measured at points 1, 2 and 7. The sections with serious floor heave are measured at points 5 and 8. The shed support sections is measured at points 4 and 6, and the special section is measured at point 3. The non-destructive testing station for bearing load of bolts and anchor cables and the testing point numbering in roadway section is shown in Fig. 13.
1509 working face two along the groove anchor cable non-destructive monitoring position.
Non-destructive testing station for bolts and anchor cables in roadway section.
In the 1509 working face, the original support design for the two entries is as follows:
Roof bolts
The roadway roof bolts are Φ22 × 2400 mm left - handed non - longitudinal rebar bolts, installed with a support row - spacing of 800 mm×800 mm.
Roof anchor cables
The roof anchor cables are φ21.8 × 7300 mm steel strands, with a support row - spacing of 1000 mm×1600 mm.
Rib bolts
The rib bolts are Φ22 × 3500 mm left - handed non - longitudinal rebar bolts, and the support row - spacing is 800 mm×800 mm.
2) Analysis of monitoring data of bearing characteristics of bolt and anchor cable.
①Working load pattern of bolt.
Through field measurement, the monitoring results of the working load of the full-section bolt in the roadway are obtained, as shown in Fig. 14.
Working load of full-section bolt in roadway.
In Shanyang Coal Mine, the designed maximum load of the bolt is 183kN. It can be seen from Fig. 13 that the bolt load in two entries of 1509 working face presents a ‘bimodal’ distribution pattern. The minimum working load of the bolt is 107kN, the maximum working load is 332kN, and the average working load is 203.1kN.
According to the above analysis, it is evident that 50% of the bolts installed in the rib of the roadway exceed their designed maximum load, and 53% of the roof bolts exceed their designed maximum load. The working load of the rib bolts gradually increases from the bottom to the top of the rib, while the working load of the roof bolts is low in the middle and high at both ends. Among them, the working load of bolts at the shoulder is the largest, indicating that there is an obvious stress concentration in the roadway shoulder area, and the support of the shoulder area should be strengthened.
②Analysis of monitoring data of bearing characteristics of anchor cable.
The monitoring results of the working load of the full-section anchor cable in the roadway are obtained, as shown in Fig. 15.
Working load of roadway roof anchor cable.
The designed maximum load of anchor cable is 420KN. As shown in Fig. 15, it can be seen that the load of anchor cable in the roof of two entries in 1509 working face presents a ‘unimodal’ distribution, featuring a high value in the middle and low values on both ribs. The minimum working load is 109KN, the maximum working load is 265KN, and the average working load is 193.3KN. It indicates that the roof anchor cables are in normal working state, with the middle anchor cable bearing the of is the largest working load.
③Analysis of bearing pattern of bolt and anchor cable in roadway.
In summary, before the two entries of the 1509 working face are affected by mining, the minimum working load of the roadway full-section bolt is 83% of its designed maximum load, while the maximum working load is 1.87 times of the designed maximum load. Shoulder bolts exhibit the highest working load, and 60% of the rib bolts are overloaded, indicating premature failure. The working load of the roof anchor cables remains at 48% of their designed maximum load.
It can be conclusions that most rib bolts and all shoulder bolts are failed before mining influence, while roof anchor cables, though highly loaded, remained effective. So It is critical to reinforce the rib and shoulder by anchor cable support befor mining influence to address stress concentration and prevent entry support failure.
(3) Relationship between the development of loose circle and the working load of bolt and anchor cable.
According to the above analysis, it can be seen that the development depth of the loose circle in the rib and shoulder of the roadway is larger, and the depth in the shoulder is the largest. The development depth exceeds the range of bolt support, yet it does not reach the range of anchor cable support. In this situation, the bolts are in a failed state. Therefore, it is necessary to install long anchor cables on the ribs and shoulders of the roadway.
Theoretical analysis of “ultimate self-stabilizing equilibrium circle”
Crack propagation and deformation failure pattern of roadway surrounding rock
(1) Establishment of physical similarity model.
A physical similarity model was established for the conditions of the 1509 working face. The size of the similar model was 120 cm × 120 cm × 12 cm. Based on a geometric similarity ratio of 1:25, the roadway center was positioned at the horizontal midpoint of the model. The model roadway featured a width of 20 cm and a height of 16 cm. Two 5 t cylinders were used to apply loading above the model to simulate the stress environment both before and after the roadway was influenced by mining. The similar simulation model is shown in Fig. 16.
Physical similarity simulation model of roadway.
(2) Analysis of deformation and failure pattern of surrounding rock of roadway.
When the cylinder loading reaches the in-situ stress level (10.87 MPa), the model undergoes roadway excavation and support. After the model is sealed, staged loading is applied to the surrounding rock of the roadway. The crack propagation and deformation failure pattern of the surrounding rock of the roadway are illustrated in Fig. 17.
Crack propagation and deformation failure of roadway surrounding rock.
The crack propagation and deformation failure patterns of roadway surrounding rock are showed in Fig. 18. With the increase of the cylinder loading coefficient, the roadway surrounding rock exhibits progressive deformation in different degrees:
At 1.2× in-situ stress: Slight deformation occurs in the roof and floor. Separation cracks emerge in the floor and shoulder areas, while micro-cracks develop in the rib.
At 1.3× in-situ stress: Rib fractures propagate through, forming an “X-shaped” failure pattern, which leads to the relaxation and fall of the shoulder rock block.
At 1.4× in-situ stress: The roof develops a “collapse arch,” leading to failure of the bolt support system.
At 1.5× in-situ stress: Severe floor heave occurs, exacerbating rib cracks.
This induces roof bending deformation, causing the surrounding rock to exhibit large-scale deformation characterized by shallow damage and deep-seated displacement.
According to the above analysis, the floor-ribs-roof system collectively determines the roadway surrounding rock stability. Key findings include:
Crack-propagation coupling mechanism: The penetration of the cracks in the two ribs causes the formation of the roof caving arch, and floor heave exacerbates rib cracking, causing further expansion of the roof caving arch and deep-seated displacement of the surrounding rock in the roadway.
Support design principle for soft rock roadways: ① Adopt a circular support strategy with the priority: “control ribs before roof, control floor before ribs”. ② Critical optimization points are that original support designs lack sufficient depth for rib and floor reinforcement; reinforcement must address the full floor-ribs-roof system to prevent progressive failure.
(3) The ultimate self-stabilizing equilibrium circle in roadway surrounding rock.
After excavating the roadway in the original rock layer, the disruption of the original stress balance in the surrounding rock forms a tensile stress zone in the roof, floor, and even the two ribs of the roadway, leading to the formation of failure circles within a certain range. Specifically:
The roadway roof develops a self-stable equilibrium arch.
The two ribs form an ultimate equilibrium circle characterized by compression-shear failure.
The floor forms a tensile stress circle.
These three components are interrelated, collectively constituting the “ultimate self-stabilizing equilibrium circle”. Based on physical similarity simulation, the theoretical model of the “ultimate self-stabilizing equilibrium circle” has been established, as illustrated in Fig. 18.
The ultimate self-stable equilibrium circle in deformation and failure of roadway surrounding rock.
The ultimate self-stabilizing equilibrium circle in roadway support and theoretical analysis
When damage occurs in the roadway ribs, it is equivalent to an increase in the roadway’s equivalent width, which in turn leads to an increase in the height of the roof limit equilibrium arch. In the case of roadway floor heave, the damage depth of the ribs further increases, thereby causing a subsequent expansion in the height of the roof limit equilibrium arch. Eventually, the deformation and failure of the roadway’s roof-rib-floor system give rise to the formation of an ultimate self-stabilizing equilibrium circle. The rock mass within this “ultimate self-stabilizing equilibrium circle” constitutes the object and scope of roadway reinforcement.
The specific support principles are as follows:
Support design should be conducted based on the concept of mutual influence among the “floor-ribs- roof” to form an integrated ring-shaped support control system.
In consideration of the mutual influence relationship among the floor, ribs and roof, surrounding rock control should adhere to the principle of “controlling the ribs prior to the roof, and controlling the floor prior to the ribs”.
The two shoulders and rib feet of the roadway are identified as key support areas. Strengthening the support for roadway shoulders is conducive to both roof control and rib control.Strengthening the support for roadway rib feet is conducive to both rib control and floor control.During on-site support, special attention should be paid to the support at the junctions of “roof-rib (shoulder)” and “rib-floor (foot)”.
The theoretical model of the roadway’s ultimate self-stabilizing equilibrium circle is illustrated in Fig. 19.
Theoretical model of’ultimate self-stable equilibrium circle’in roadway.
The surrounding rock strength of the two entries of the 1509 working face is low, and the roof and floor are softened and expanded by water. Therefore, the “ultimate self-stabilizing equilibrium circle” theory considering the damage of the two ribs and the floor is used to calculate the reinforcement support parameters of the two entries.
(1)Depth of floor failure zone.
The width of the roadway l1 = 5.0 m, the height of the roadway h1 = 3.8 m, the internal friction angle of the floor rock φ2, and the calculation expression of the depth of the floor failure zone is as follows:
(2)The depth of the ultimate failure zone of the two ribs.
Under the condition of no support, the fracture surface of the roadway rib is approximately π/4-φ1/2 angle with the rib, and the calculation expression of the failure depth of the rib is as follows :
After the floor is destroyed, the equivalent height of the roadway becomes h2, and the failure depth of the rib is further increased, at this time, the calculation expression of the depth of the ultimate failure depth zone of the rib is as follows:
In the formula, a1 is the failure depth of the rib when the floor is not unstable, m; a2 is the failure depth of the rib after the instability of the floor, m; h1 is the original height of the roadway, m; h2 is the equivalent height of roadway after floor failure, m; l1 is the original width of the roadway, m; l2 is the equivalent width of the wall after failure, m;φ1 is the internal friction angle of the coal seam, (°);φ2 is the internal friction angle of the floor rock, (°).
(3)Roof ultimate equilibrium arch height.
Considering the failure depth of floor and two ribs, the equivalent width of roadway is l1 + 2a2, and the ultimate equilibrium arch height of roof is as follows :
In the formula, h is the ultimate equilibrium arch height of roadway roof, m; γ is the average bulk density of overburden rock, kN/m3; h is the buried depth of roadway, m; σt is the tensile strength of roof strata, MPa.
(4) Support parameter theoretical results.
The two entries of 1509 working face are 5 m wide and 3.8 m high. The tensile strength of the roof rock is 3.52 MPa, the internal friction angle of the coal seam is 32.8°, the internal friction angle of the floor rock is 39.5°, the average bulk density of the overburden rock is 25kN/m3, and the buried depth is 435 m. By substituting the above parameters into the formula (1)~(4), the maximum failure depth of the roadway floor is calculated to be 3.02 m, the ultimate failure depth of the rib is 3.24 m, and the ultimate equilibrium arch height of the roadway roof is 6.52 m. Considering the exposed length of anchor cable, taking the surplus coefficient of 1.1 ~ 1.2times, the length of reinforcing anchor cable in the rib and shoulder is 5.5 m, and the depth of inverted arch in the floor plate and the length of anchor cable are 0.7 m and 2.4 m.
Numerical simulation analysis
Model construction
Based on the optimized support parameters determined by the theory of’ultimate self-stable equilibrium circle’, a total of 8 anchor cables are added to the two ribs and shoulders of the roadway. The length of the anchor cable is 5.5 m, the floor plate is inverted arched and the floor plate bolt is set, the depth of the inverted arch is 0.7 m, and the length of the floor plate bolt is 2.4 m. Through FLAC3D numerical simulation analysis, the control effect of the surrounding rock of the two entries during the mining period of the 1509 island working face is analyzed after adopting the optimized support scheme, the original support and the optimized support scheme are compared through the displacement variation, stress distribution and plastic zone to determine the feasibility of the support scheme.
In order to verify the optimized support scheme after the mining influence of 1509 working face, FLAC3D numerical simulation was used to analyze the control effect of surrounding rock of two entries during the mining of 1509 island working face. The feasibility of the support scheme was determined by comparing the original support with the optimized support scheme through displacement variation, stress distribution and plastic zone.
Taking the cross-section surrounding rock of the shed section of the two entries of the 1509 working face as the simulation object, the FLAC3D numerical simulation model was established according to the geological conditions of the roadway. The buried depth of the two entries of the 1509 working face was simulated to be 435 m, the size of the numerical calculation model is X×Y×Z = 770 m×300 m×100 m, of which the length of the 1507 working face is 190 m, the length of the 1509 working face is 215 m, and the length of the 1511 working face is 220 m. The roadway section is rectangular, with a width of 5 m and a height of 3.8 m. The original rock stress applied to the upper part of the model is 9.12 MPa, the left and right boundaries are fixed in the x direction, the front and rear boundaries are fixed in the y direction, and the lower boundary is fixed in the z direction. The FLAC3D numerical model is shown in Fig. 20.Mechanical parameters of surrounding rock of roadway is shown in Table 3.
FLAC3D numerical simulation model.
Advance abutment stress of working face
After the 1509 working face advances to 200 m, it reaches full mining. The vertical stress distribution around the working face is shown in Fig. 18, and the advance abutment pressure of the surrounding rock at 3.5 m depth on the rib of the roadway is shown in Fig. 21.
The vertical stress distribution cloud around 1509 working face.
It can be seen from Fig. 21 that the peak value of advance abutment pressure in the middle of 1509 working face is 14.5 MPa, and the peak coefficient is about 1.34. The abutment pressure near the leading roadway at both ends of the working face is the largest, with a peak value of 16 MPa, which is located about 6 m in front of the working face, and the peak coefficient is 1.48.
Advanced abutment pressure cloud diagram of surrounding rock at 3.5 m depth on the rib of roadway.
It can be seen from Fig. 22 that the stress at the depth of 3.5 m on the rib of the roadway is the largest, the significant influence area of the working face is 60 m ahead, and the influence range of the inner entry is 120 m.
Comparison of original support and optimized support of roadway
The original support method of the roadway only considers the support of the roof and the ribs, while the support strength of the original ribs is insufficient, and the support of the roadway floor and shoulder is not considered. According to the theory of"ultimate self-stabilizing equilibrium circle”, the’floor-rib-roof’of the roadway is regarded as a whole, the floor inverted arch and anchor net support are increased, and the anchor cable support is strengthened at the two ribs and the shoulder angle of the roadway, so as to achieve the effect of’strengthen the floor to reinforce the ribs, strengthen the ribs (shoulder) to reinforce the roof ‘.
(1) Comparison of stress field of roadway surrounding rock.
The vertical stress of the surrounding rock of the original support and the optimized support roadway after the mining influence is compared, and the vertical stress cloud diagram is shown in Fig. 23.
Vertical stress cloud diagram.
1) The original support scheme : the maximum horizontal stress of the roadway roof reaches 9 MPa, which is located in the range of 2.5–3 m of the roof, the vertical stress concentration area of the two ribs is biased towards the middle and upper part of the rib, the vertical stress reaches 20 MPa, which is 1.85 times of the original rock stress, and the depth is about 1 m, the floor plate is mainly the tensile stress area, which is 0.5 MPa, and the tensile stress depth is 4 m.
2) Optimized support scheme : Compared with the original support scheme, the effective tensile stress zone is formed at the end of the roadway roof anchor cable, the extrusion stress zone of the roof anchor cable is increased by 81%, the stress distribution is more uniform, the extrusion stress zone of the shoulder anchor cable is increased by 1.6 times, the extrusion stress zone of the rib anchor cable is increased by 43%, and the tensile stress concentration area of the floor is reduced by 78%.
(2) Deformation comparison of roadway surrounding rock.
After the influence of mining, the vertical displacement and horizontal displacement of the surrounding rock of the original support and the optimized support roadway are compared. The vertical displacement cloud map is shown in Fig. 24, and the horizontal displacement cloud map is shown in Fig. 25.
Vertical displacement cloud diagram.
Horizontal displacement nephogram.
1) The original support scheme : the roof and floor of the roadway have significant vertical displacement, and the horizontal displacement of the rib and the foot of the rib is the largest. The maximum vertical displacement of the roadway roof is 75 cm, the floor heave reaches 100 cm, the maximum vertical displacement of the roof and floor is 175 cm, and the maximum horizontal displacement of the two ribs is 40 cm.Because the floor is not supported, the main deformation of the roadway is floor heave.
2) Optimized support scheme : Compared with the original support scheme, the vertical displacement of the roadway roof is reduced by 60%, which is 30 cm, the amount of floor heave is reduced by 73%, which is 23 cm, and the horizontal displacement of the two ribs is reduced by 50%, which is 20 cm. The deformation of the roadway is effectively controlled.
(3) Comparison of plastic zone of roadway surrounding rock.
Comparing the plastic zone of the surrounding rock of the original support and the optimized support roadway after the mining influence, the plastic zone of the surrounding rock of the roadway is shown in Fig. 26.
Plastic zone of roadway surrounding rock.
1) The original support scheme : there are both shear failure and tensile failure around the roadway. The maximum plastic zone depth of the roadway roof is 1.5 m, the maximum plastic zone depth of the two ribs is 2.8 m, and the maximum plastic zone depth of the floor is 4 m.
2) Optimized support scheme : the range of plastic zone of roadway roof is reduced by 62%, the maximum depth is 0.5 m, the range of plastic zone of two ribs is reduced by 57%, the maximum depth is 1 m, the range of plastic zone of floor is reduced by 88%, and the maximum depth is 0.9 m. It can be seen that the optimized support scheme works well.
Optimization support scheme and engineering practice effect
Optimization support scheme of two crossheadings in 1509 working face
According to the theoretical calculation results, the optimized support scheme of two entries in 1509 working face is determined as shown in Fig. 27. The optimized support parameters are as follows :
(1) Floor optimization support parameters.
Through the on-site drilling and borehole imaging measurement of the two entries, the development depth of the separation cracks in the floor of the two entries of the 1509 working face is 2.4 m, the floor is watered at a depth of 0.57 m, and the anti-arch depth is about 0.57 m.Considering that the floor is laid with 150 mm concrete, the anti-arch depth of the floor of the two entries is designed to be 0.7 m, and the metal mesh is laid on the floor, and the φ22mm floor bolt is designed. The length of the bolt is 2.4 m, and the row spacing is 1000 × 800 mm.
(2) Supporting parameters of rib reinforcement anchor cable.
The row spacing of anchor cable support is 1200 mm×1600 mm, and the ‘three-three’ arrangement is arranged. The upper one anchor cable is 700 mm away from the roof, and the direction is perpendicular to the coal wall. The middle one anchor cable is perpendicular to the coal wall, and the lower one anchor cable is 700 mm away from the floor, and the direction is obliquely downward 15°. Anchor cable material : φ21.8 mm, L = 5500 mm steel strand, supporting φ21.8 mm lock and spherical washer. The amount of anchoring agent : 1 branch of MSK2335 and 3 branches of MSZ2360 resin anchoring agent were used for anchoring, the diameter of the borehole was 30 mm, and the anchorage length was 1500 mm. The preload is not less than 250kN (40 MPa).
(3) Supporting parameters of shoulder reinforcing anchor cable.
In the roof near the shoulder angle of each additional 1 anchor cable, row spacing of 1600 mm, anchor cable from the rib of 150 mm, the direction of the oblique upward 45°. Anchor cable material :φ21.8 mm, L = 5500 mm steel strand, supporting φ21.8 mm lock and spherical washer. The amount of anchoring agent : 1 branch of MSK2335 and 3 branches of MSZ2360 resin anchoring agent were used for anchoring, the diameter of the borehole was 30 mm, and the anchorage length was 1500 mm. The preload is not less than 250kN (40 MPa).
Comparison of original support and optimized support scheme of roadway.
Analysis of engineering practice effect
The 50 m test section was constructed in two entries in front of 1509 working face, and the effect of the design scheme was tested, the displacement of roadway surface during mining was monitored by the cross point method of the middle waist line for 50 days, and the monitoring frequency was 5 days/time, a total of 10 times. Figure 28 is the deformation pattern of the two entry test section of 1509 working face, Fig. 29 is the deformation sketch of the two entries test section of 1509 working face, and Fig. 30 is the engineering practice effect of the two entry test section of 1509 working face.
1509 working face two entries test section deformation pattern. (a) track entry (b) belt entry.
1509 working face two entry test section deformation sketch. (a) track entry (b) belt entry.
It can be seen from Figs. 28 and 29 that during the 50-day monitoring period of the test section, the deformation of surrounding rock in the mining roadway of 1509 working face shows a slow growth trend. The maximum displacement of the top and floor of the track entry test section is 585 mm, compared with the original support, it is reduced by 1370 mm, the maximum floor heave is 430 mm, compared with the original support, it is reduced by 920 mm, and the maximum displacement of the two ribs is 617 mm, compared with the original support, it is reduced by 762 mm. The maximum displacement of the top and floor of the belt entry test section is 630 mm, compared with the original support, it is reduced by 1079 mm, the maximum floor heave is 480 mm, compared with the original support, it is reduced by 604 mm, and the maximum displacement of the two ribs is 682 mm, compared with the original support, it is reduced by 848 mm. The inverted arch of the floor is not invalid, and the deformation control effect of the surrounding rock of the roadway is remarkable.
1509 working face two entries test section engineering practice effect.
1509 working face two entries test section engineering practice effect is shown in Fig. 29.The engineering practice shows that strengthening the support of the roadway rib can effectively prevent the stress peak from transferring to the deep part of the surrounding rock, reduce the damage depth of the surrounding rock of the roadway rib, thereby reducing the damage range of the roof and floor strata, and ensure the overall stability of the surrounding rock of the roadway. It shows that when treating soft rock roadways, the roadway’floor-two ribs-roof’is regarded as a whole, and the whole ring support design is carried out according to the size of the balance circle of the surrounding rock of the roadway, and the principle of’ribs control first than roof, floor control first than ribs’should be adhered to.
Conclusion
(1) Through laboratory experiments, the reasons for the failure of the original support system of the two entries in 1509 working face are obtained. First, the compressive strength of the surrounding rock of the roadway is weak, the compressive strength of the roof is 17.04 MPa, the compressive strength of the rib is 6.45 MPa, and the compressive strength of the floor is 6.88 MPa; secondly, the roof and floor of the roadway have water softening and expansibility, the roof water softening coefficient is 0.74, the clay mineral content is 53.58%, the floor water softening coefficient is 0.39 on average, and the clay mineral content is as high as 72.03%. Thirdly, the roof of the roadway is easily weathered, which is one of the main reasons for the failure of roof support.
(2) According to the field displacement measurement, it is concluded that before the mining influence, the main deformation pattern of the roadway is that the roof and floor displacement and the approaching speed are much larger than the two ribs; after the influence of mining, the deformation speed of the two ribs is much larger than the convergence speed of the roof and floor, and the deformation characteristics of the surrounding rock of the roadway are finally manifested as the surrounding deformation, and the deformation of the surrounding rock of the roadway within 50 m in front of the working face is the most serious. Before the mining of the working face, the support of the two ribs should be strengthened to prevent the rapid deformation of the ribs after mining.
(3) According to the non-destructive testing of anchor cables on site, it can be seen that before the influence of mining, the load of surrounding rock bolts in the two entries of 1509 working face presents a ‘bimodal’ distribution, and the load of roof anchor cables presents a ‘unimodal’ distribution. The working load of the shoulder bolt is the largest, the half of the roof bolt is overloaded, and the working load of the anchor cable is only 48% of the maximum load. It can be seen that the load of the front shoulder bolt and the roof anchor cable is the largest under the influence of mining, and the shoulder anchor cable support needs to be reinforced in advance.
(4) Through physical similarity simulation, the pattern of crack propagation and deformation failure of roadway surrounding rock is obtained. The theory of “ultimate self-stabilizing equilibrium circle” is put forward, and it is pointed out that the object and scope of roadway reinforcement are the rock mass in the “ultimate self-stabilizing equilibrium circle”. The specific principle of support is: according to the idea of’floor-two ribs-roof’mutual influence, support design is carried out to form the whole ring control;'ribs control first than roof, floor control first than rib ‘.The two shoulders support upper control roof, lower control two ribs, two ribs of the foot support on the control of the two ribs, the lower control of the floor drum, the two shoulders and two feet of the roadway are the key areas of roadway support. On-site support should pay attention to the support of the’roof-rib (shoulders)‘and’rib-floor (feet)'joints area.
(5) The theoretical model of “ultimate self-stabilizing equilibrium circle” is established, through theoretical calculation, the parameters of the optimized support scheme are determined. The anti-arch depth of the floor plate of the two troughs is designed to be 0.7m, and the metal mesh is laid on the floor plate. The length of the floor bolt is 2400 mm, and the spacing between rows is 1000 × 800 mm, the length of the reinforcing anchor cable of the rib is 5500 mm, the spacing between the rows is 1200 mm×1600 mm, and the ‘three-three’ arrangement; the length of the shoulder reinforcing anchor cable is 5500 mm, the row spacing is 1600 mm, and the direction is obliquely upward 45 °.
(6) The optimization scheme is verified by numerical simulation. The deep range of the plastic zone of the roadway floor is reduced by 88%, the maximum depth is 0.9 m, the range of the plastic zone of the two ribs is reduced by 57%, the maximum depth is 1 m, the range of the plastic zone of the roof is reduced by 62%, and the maximum depth is 0.5 m.The effect of on-site construction is remarkable, the maximum displacement of the top and floor is reduced by 1225 mm compared with the original support, the floor heave is reduced by 762 mm, and the maximum displacement of the two ribs is reduced by 805 mm.
Data availability
The data used to support the findings of this study are available from the corresponding author upon request.
References
Man-chao, H. E. He-sheng, Y. Hong-wen, J . Theory and practice of bolt support in caol mines of China[M] (Science, 2004).
Man-chao, H.E. Progress and challenges of soft rock engineering in depth[J]. J. China Coal Soc. 39 (8), 1409–1417 (2014).
Man-chao, H. E. et al. Support principles of NPR bolts/cables and control techniques of large deformation.[J]. Chin. J. Rock Mechan. Eng. 35 (08), 1513–1529 (2016).
He Manchao, R. & Shulin, T. Disaster prevention and control methods for deep buried tunnels [J]. J. Eng. Geol. 30(06), 1777–1797 (2022).
Tao, Z. et al. Static tensile and anchorage shear mechanical properties of microscopic NPR anchor steel in underground engineering [J] Coal J. 47 (02), 683–694 (2022).
Sun X. et al. High prestress NPR coupling support technology for deep roadway engineering [J] J. Min. Sci. 8 (01), 50–65 (2023).
Shi-liang, L.U. Study on ground pressure behavior and applicability of roadway without coal pillar[J]. XU Zhou: Journal of China University of Mining and Technology, 1980 (4).
Shi-liang L.U. Ground pressure behavior of roadway without coal pillar protection[M] (BEI Jing: Coal Industry Publishing House, 1982).
Shi-liang L.U. and Yu-guang, G. Relationship between width of coal pillar and deformation of surrounding rock of Roadway[J]. J. China Univ. Min. Technol., 1991(04):4–10 .
Lin C., Lu, S. and Shi, Y. Study on supporting effect of bolt in soft roof of coal roadway [J] Coal J., (05): 482–485. (2000).
Lin, C., Lu, S. and Shi, Y. Study on the supporting effect of weak roof bolt in coal roadway [J] According Coal J., (05): 482–485. (2000).
Qi, T. Lu, S. and Gao, B. Mechanical properties of bolt in large deformation roadway [J] J. China Univ. Min. Technol., (05): 17–20. (2002).
Qi, T. and Lu S. Bolt element model and its application [J]. J. China Univ. Min. Technol., (05): 58–63. (2003).
Dong, F. Guo, Z. and Lan, B. The theory of supporting broken zone in surrounding rock[J] Journal of China University of Mining & Technology, 1991. (00). 66–73
Dong, F. Study on the basic theory of soft rock roadway support [J] Well Constr. Technol., (Z1): 40–44. (1991).
Dong, F. Song, H. and Guo, Z. Support theory of roadway surrounding rock loose Circle[J]. J. China Coal Soc. 19 (1), 21–32 (1994).
Dong, F. Theory and application technology of loose ring support for roadway surrounding Rock[M] (Coal Industry Publishing House, 2001).
Fan, Q. Control principle of soft rock rheological ground pressure[J].Chinese mining,1996,(04):47–52 .
Fan, Q. On the theoretical basis of soft rock support[J]. Underground space, 1999, (04):328–331 .
Fan, Q. Yang, K. and Wang, W. Study on creep mechanism of argillaceous soft rock[J]. Chin. J. Rock. Mech. Eng. 2010, 29(08):1555–1561 .
Fan, Q. Zhang, B. and Li, X. Study on shear creep test of expansive rock under different expansion states[J]. Chin. J. Rock. Mech. Eng. 2016, 35(S2): 3734–3746 .2015.1494.
Wang, W. and Hou, C. Optimization of supporting parameters of soft rock roadway and engineering practice [J] J. Rock. Mech. Eng., (05): 647–650. (2000).
Wang, W. and Hou, C. Stability analysis of coal pillar and floor in entry [ J ]. Geotech. Mech., (01): 75–78. (2003).
Wang, W. and Feng, T. Study on the mechanism of reinforcing two ribs to control the floor heave of deep roadway [J]. J. Rock. Mech. Eng., (05): 808–811. (2005).
Wang, W. Li, S. and Ouyang, G. Control technology and experimental study on surrounding rock of roadway in deep coal seam [J]. J. Rock. Mech. Eng., (10): 2102–2107. (2006).
Wang, W. Peng, G. and Huang, J. Study on high strength coupling support technology of roadway in high stress and extremely soft broken rock strata [. J. ] Coal J. 36 (02), 223–228 (2011).
Wang Weijun, Y. et al. Study on the stability control method of surrounding rock in deep large deformation roadway [. J. ] J. Coal. 41 (12), 2921–2931 (2016).
Wang, W. & Lei, F. Ma yujie, etc. Research on surrounding rock control technology of deep roadway based on butterfly failure theory [. J. ] Coal Sci. Technol. 51 (01), 157–167 (2023).
HOU Chao-jiong. Review of roadway control in soft surrounding rock under dynamic pressure[J]. J. Coal Sci. Engineering(China), (1): 1–7. (2003).
HOU Chao-jiong. Surrounding Rock Control of Roadway[M] (Xuzhou:China University of Mining and Technology, 2013).
HOU Chao-jiong. Key technologies for surrounding rock control in deep roadway[J]. J. China Univ. Min. Technol. 46 (5), 970–978 (2017).
HOU Chao-jiong. Effective approach for surrounding rock control in deep roadway[J]. J. China Univ. Min. Technol. 46 (3), 467–473 (2017).
Liu Yuwei, H. Qingxiang. Application of self-stabilizing invisible arch theory in surrounding rock control of soft rock roadway [. J. ] Coal Eng., (09): 81–83. (2011).
Huang, Q-x. and Liu, Y-w. Ultimate self stable arch theory in roadway support[J]. J. Min. Saf. Eng. 31 (3), 354–358 (2014).
Huang Qingxiang, W. Simulation study on bolt reinforcement mechanism of three soft coal seam roadway [. J. ] Coal Technol. 34 (01), 63–66 (2015).
Huang, Q-X. and Zheng, C. Theory of self stable ring in roadway support[J]. Rock. Soil. Mech. 37 (5), 1231–1236 (2016).
Huang Qingxiang, S. Analysis of self-stabilization balance circle of roadway surrounding rock in three-soft coal seam [. J. ] J. Xi ‘an Univ. Sci. Technol. 36 (03), 331–335 (2016).
Huang, Q-x. and Hao, G-q. Research on the floor failure range and its effects of entry[J]. J. Xian Univ. Sci. Technol. 38 (1), 51–58 (2018).
Huang, Q-x. Guo, Q. and Cao, J. Failure mechanism and support technology in soft rock large deformation roadway[J]. J. Xian Univ. Sci. Technol. 2019, 39(06):934 -941.2 019.0603.
Acknowledgements
This work was supported financially by the National Natural Science Foundation of China (Grant No. 52074211).
Author information
Authors and Affiliations
Contributions
Qing-xiang HUANG: Writing – review & editing, Supervision, Resources, Project administration, Funding acquisition, Conceptualization. Qiang GUO: Writing – review & editing, Writing – original draft, Visualization, Validation, Software, Methodology, Formal analysis, Data curation, Conceptualization. Fu-kui ZHANG: Writing – review & editing, Validation, Investigation. Jun XIAO: Investigation, Data curation. Yan-peng HE: Software, Investigation, Data curation. Fei Yan: Supervision, Resources, Project administration, Conceptualization.Yang-ping SHEN: Investigation.Guo-sheng REN: Investigation, Data curation.
Corresponding author
Ethics declarations
Competing interests
The authors declare no competing interests.
Additional information
Publisher’s note
Springer Nature remains neutral with regard to jurisdictional claims in published maps and institutional affiliations.
Rights and permissions
Open Access This article is licensed under a Creative Commons Attribution-NonCommercial-NoDerivatives 4.0 International License, which permits any non-commercial use, sharing, distribution and reproduction in any medium or format, as long as you give appropriate credit to the original author(s) and the source, provide a link to the Creative Commons licence, and indicate if you modified the licensed material. You do not have permission under this licence to share adapted material derived from this article or parts of it. The images or other third party material in this article are included in the article’s Creative Commons licence, unless indicated otherwise in a credit line to the material. If material is not included in the article’s Creative Commons licence and your intended use is not permitted by statutory regulation or exceeds the permitted use, you will need to obtain permission directly from the copyright holder. To view a copy of this licence, visit http://creativecommons.org/licenses/by-nc-nd/4.0/.
About this article
Cite this article
Huang, Qx., Guo, Q., Zhang, Fk. et al. Study on large deformation mechanism and surrounding rock control of entry in “three soft coal seam” of deep mine. Sci Rep 15, 31836 (2025). https://doi.org/10.1038/s41598-025-16703-0
Received:
Accepted:
Published:
Version of record:
DOI: https://doi.org/10.1038/s41598-025-16703-0
Keywords
This article is cited by
-
Composition characteristics of soft coal seams with large inclination angles and mining heights and the deformation of roadway surrounding rocks
Scientific Reports (2025)
-
Distribution Characteristics and Control Strategies for Plastic Zones Around Coal Mining Roadways Under Various Support Methods and Geological Conditions
Mining, Metallurgy & Exploration (2025)
































