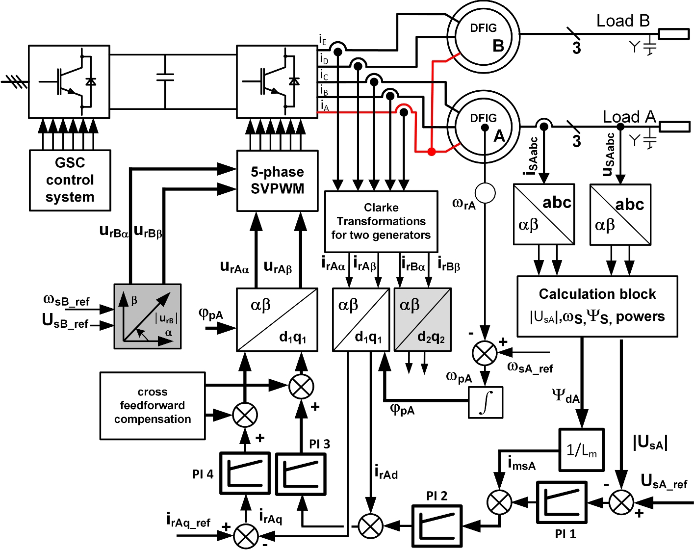
Fig. 7
From: A dual doubly-fed generator system supplied by a five-phase voltage inverter

Control scheme for the generator A and B.
From: A dual doubly-fed generator system supplied by a five-phase voltage inverter

Control scheme for the generator A and B.