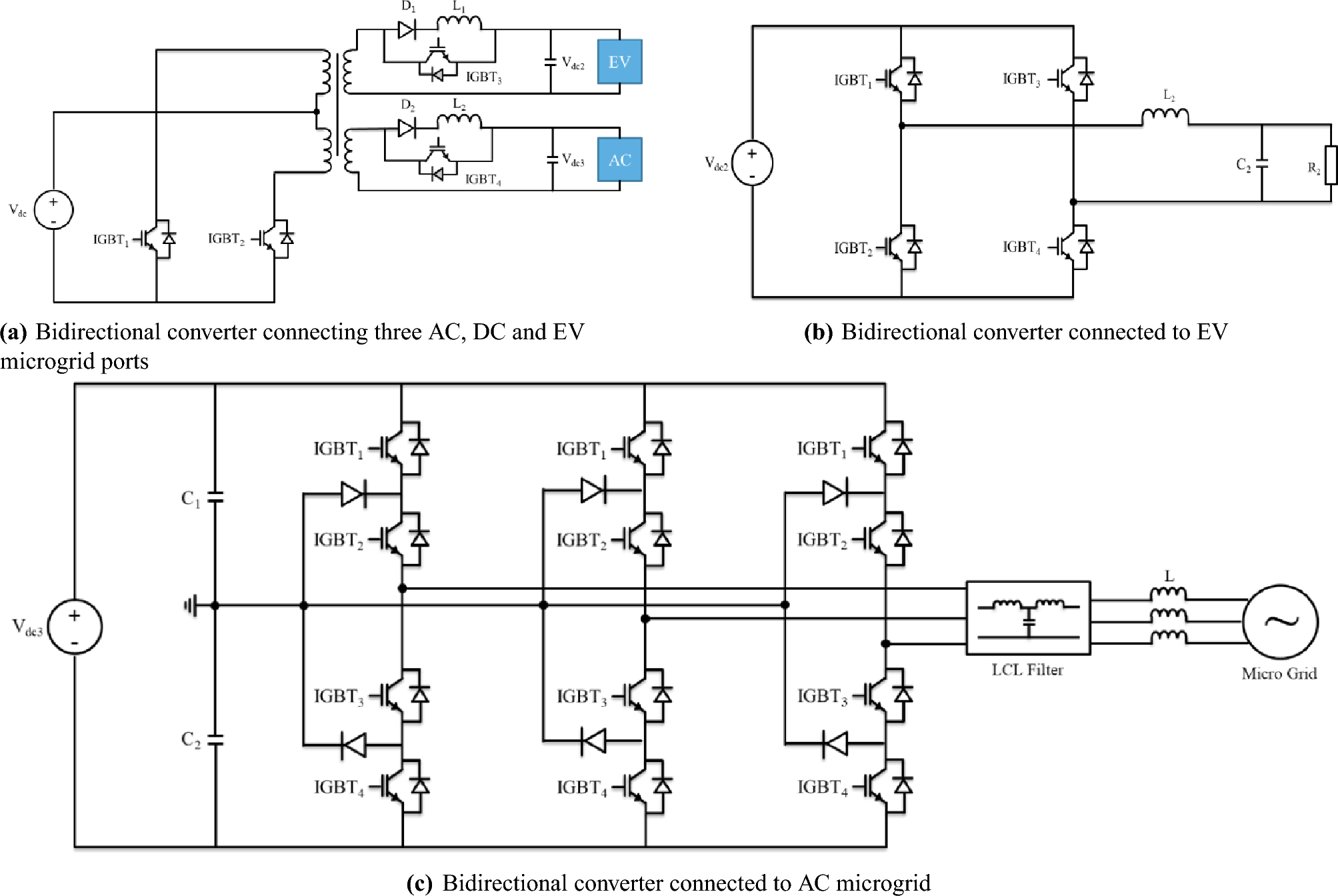
Fig. 2
From: New flexible bidirectional converter for electric vehicle substations connecting microgrids

Proposed converter circuit diagram.
From: New flexible bidirectional converter for electric vehicle substations connecting microgrids

Proposed converter circuit diagram.