Fig. 8
From: Explainable AI for post-hoc and pseudo-post-hoc predictive maintenance of governor valve actuators

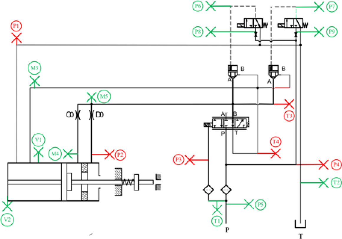
Hydraulic principle and sensor point layout diagram.
From: Explainable AI for post-hoc and pseudo-post-hoc predictive maintenance of governor valve actuators

Hydraulic principle and sensor point layout diagram.