Fig. 6
From: Reduced switch multiple active bridge DC-DC converter for modular solid-state transformers

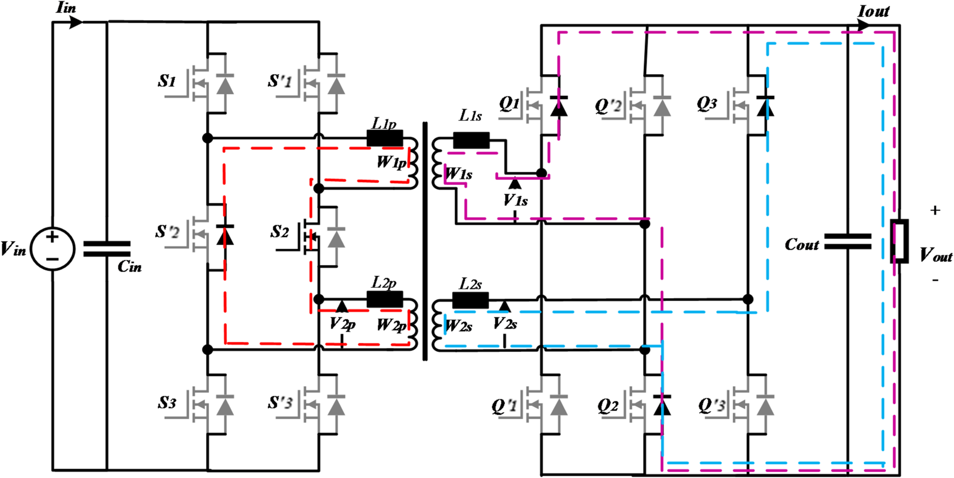
Configuration of converter during Interval II [DpTs– DsTs].
From: Reduced switch multiple active bridge DC-DC converter for modular solid-state transformers

Configuration of converter during Interval II [DpTs– DsTs].