Fig. 7
From: Reduced switch multiple active bridge DC-DC converter for modular solid-state transformers

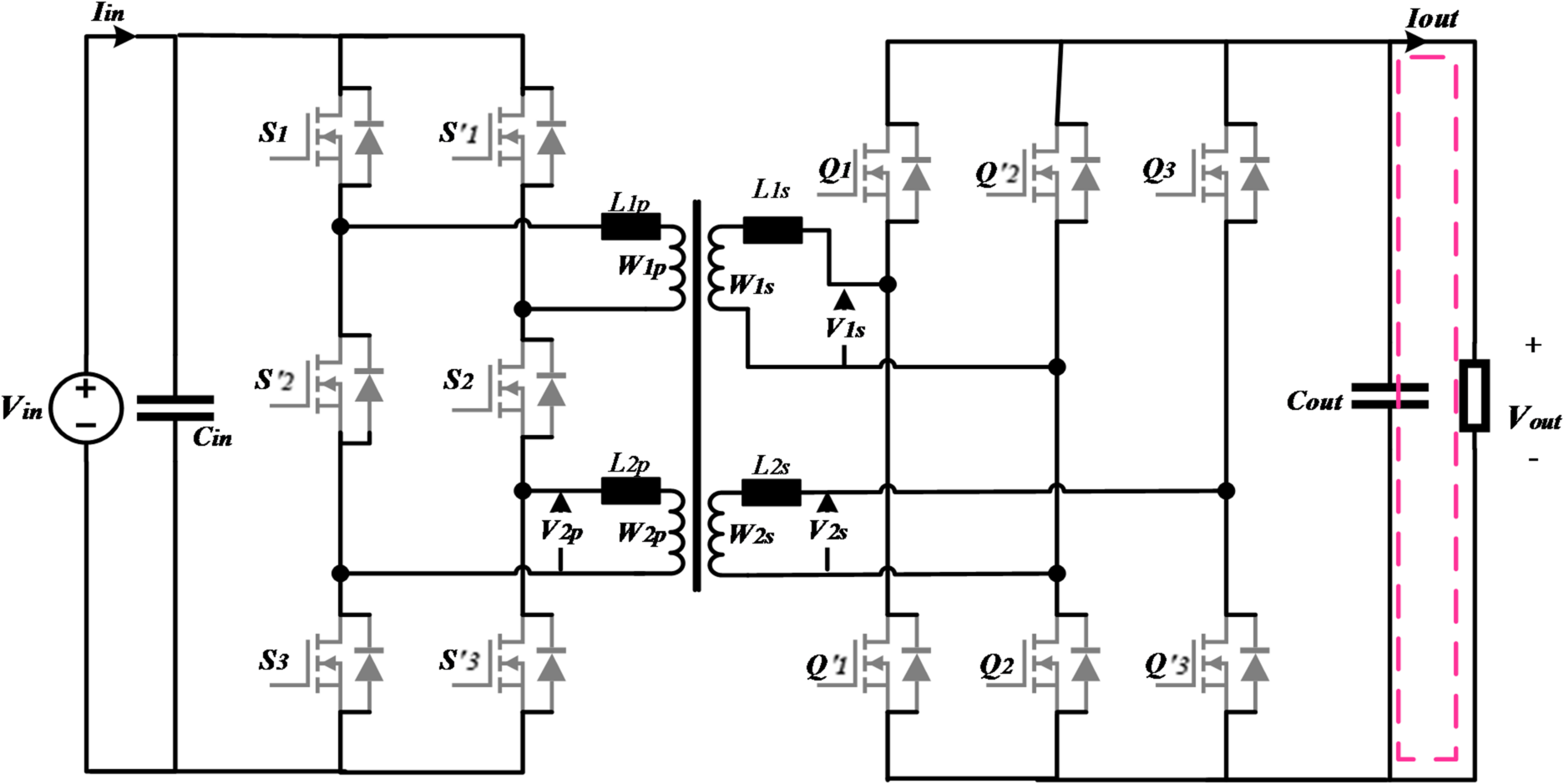
Configuration of converter during Interval III [DsTs–Ts/2].
From: Reduced switch multiple active bridge DC-DC converter for modular solid-state transformers

Configuration of converter during Interval III [DsTs–Ts/2].