Abstract
During rock blasting in tunnel excavation and mining, the presence of jointed fractures significantly affects the construction safety and stability of surrounding rock masses. To elucidate the effects of joints with different geometric configurations on the propagation behavior and attenuation mechanisms of blasting stress waves in rock masses, this study conducted similar material model tests to construct rock mass models containing parallel joints and X-shaped intersecting joints. Using Fast Fourier Transform and DIC image processing, a systematic comparative analysis was conducted on the effects of the two types of joint structures on the frequency-domain characteristics, attenuation properties, and strain–displacement fields of blasting waves. The results show that joint structures significantly alter the frequency-domain characteristics of blasting stress waves. Based on the concentration of stress wave energy in the low-frequency range (0–200 Hz) in the rock mass model, parallel joints lead to the formation of multiple resonance peaks at 1000–3500 Hz. In contrast, X-shaped intersecting joints induce broadband scattering effects, resulting in dispersed energy distribution across the frequency domain and smoother secondary resonance features. Vibrations in the parallel joint region attenuate slowly and persist for an approximately 12–15 ms longer duration on the basis of 10–20 ms. In the intersecting-jointed region, high-frequency oscillations and rapid attenuation are observed, with significantly stronger energy attenuation capacity compared to parallel joints. Highly concentrated strain occurs in the vicinity of intersecting-jointed fractures, and the markedly enhanced shear strain is prone to initiating crack propagation. This work provides experimental support for blast design under complex geological conditions.
Similar content being viewed by others
Introduction
Due to long-term geological tectonic processes, natural rock masses have developed networks of joints with varying scales and orientations1,2. These internal joint networks, as products of tectonic activity, exert a significant influence on the stability of the rock mass under disturbances such as blasting and train operation3,4,5. In engineering applications such as mining and tunnel excavation, the dynamic response of jointed rock masses under blasting loads is directly related to construction safety and the stability of surrounding rock masses6,7. With the advancement of deep-earth development strategies, the need for accurate prediction of rock mass dynamic behavior under complex geological conditions has become increasingly urgent, making this a core topic at the intersection of rock mechanics and blasting engineering.
As the fundamental elements characterizing rock mass discontinuity, joints significantly influence the frequency-domain characteristics, attenuation law, and energy dissipation mechanisms of stress waves5,8,9. Early research mainly focused on rock blasting in intact rock masses, with limited understanding of the effects induced by discontinuities. Subsequent theoretical studies, conducted both domestically and internationally, have analyzed joints in rocks and rock masses, revealing that joints at different scales affect stress wave propagation via different mechanisms. Substantial research has been conducted on stress wave transmission across single joints. Schoenberg (1980)10 modeled joint as linear slip interface with stress continuity and displacement discontinuity, and calculated the transmission and reflection coefficients of harmonic waves incident at arbitrary angles. When studying stress wave propagation induced by explosions, researchers found that high wave amplitudes can lead to nonlinear deformation behavior of joints11.
Similar material model tests and numerical simulations provide essential tools for investigating the blasting response of jointed rock masses. Joints exhibit persistent nonlinear deformation under both normal and shear loads12. Numerous studies have investigated how joint size and inclination angle affect the propagation of blasting stress waves and the development of joint-induced damage13,14,15. Researchers have conducted studies on joints oriented parallel, perpendicular, and at 45° to the wave propagation direction, and found that waves propagate fastest when traveling perpendicular to the joint orientation and slowest when traveling parallel to it16,17. Tao et al.18 conducted study on the impact of different joint inclinations on blasting fragmentation and draw the conclusion that approximately 45° is the most favorable condition for rock fragmentation under blasting. Li et al.19 quantitatively analyzed the interaction between obliquely incident blast waves and linearly elastic rock mass. They derived the wave propagation equations to evaluate the influence of wave transmission and reflection on joint stiffness.
Previous studies found that the morphology of joints played distinct roles in controlling stress wave behavior and crack propagation20,21. Shen et al.22 carried out red sandstone blasting experiments and PFC simulations, and revealed that narrow-spacing parallel joints lead to mixed Mode I/II crack propagation and significantly hinder crack extension, whereas wider spacing promotes pure Mode I propagation and results in a “double-peak” pattern of radial compressive stress. Fan et al.22 quantified the effects of multiple reflections between joints on wave propagation in layered composite rock masses. The results confirmed that indirect transmission caused by multiple reflections significantly affects stress wave propagation. This impact exhibits systematic variations dependent upon the incident wave frequency, joint stiffness and number, as well as the impedance contrast. Wang et al.23 studied dynamic performance and stress wave propagation characteristics of parallel jointed rock mass through SHPB technique. The research found that when the number of joints increased, the total energy absorbed by the joints exceeded that of the bedrock. Shen et al.24 investigated the propagation length and morphology of blasting-induced cracks between symmetric joints through combined laboratory testing and numerical simulations. Zhu et al.25 conducted a numerical study on the wave transmission capabilities of jointed rock masses in intersecting joint groups, and pointed out the significance of developing new engineering application empirical equations. The engineering significance of comparing parallel and intersecting joints lies in their distinct effects on the frequency-domain characteristics, attenuation behavior, and strain distribution of blasting stress waves. The energy absorption and distribution behavior of stress waves through these joint structures can directly affect the efficiency and safety of tunneling and excavation efforts. Understanding these differential behaviors is essential for optimizing blast design—such as explosive charge distribution and the timing of detonations—support systems, and vibration control in jointed rock masses26,27.
However, existing studies have primarily focused on simplified models with single joints or single joint sets. Systematic investigations into how different joint geometries—such as parallel joints versus X-shaped intersecting joints—modulate stress wave propagation mechanisms remain insufficient. Furthermore, many existing conclusions are drawn from numerical models or small-scale experiments and lack empirical validation through multi-parameter synchronous monitoring. In this study, similar material model experiments combined with multiple analytical approaches were employed to systematically investigate the influence of parallel and X-shaped intersecting joints on the frequency-domain characteristics, attenuation behavior, and strain-displacement fields of blasting stress waves. The findings can provide theoretical support for rock blasting design in complex jointed rock masses.
Physical modelling test
Laboratory model tests provide an effective means of integrating the stress conditions and structural characteristics of rock masses, thereby enabling the investigation into failure mechanisms and dynamic responses of engineering rock masses. It presents significant challenges when conducting laboratory tests on jointed rock masses, such as difficulties in obtaining uniformly jointed samples and the susceptibility of rock specimens to disturbance. Therefore, similar material model tests were employed to replicate the behavior of jointed rock masses under controlled conditions, with geometric and mechanical parameters appropriately simplified and scaled.
Test setup and instrumentation
The prototype for the model geometry was the rock mass surrounding the Damoshan Tunnel on National Highway G324 in China, where field reconnaissance revealed dominant joint sets and overlying sensitivity-controlled facilities requiring stringent vibration control. To facilitate the experiment, it was simplified on a reduced scale. To ensure engineering relevance and internal comparability across blasting conditions, all tests were conducted within a single large-scale similitude model. This single-model campaign eliminates specimen-to-specimen heterogeneity (e.g., curing variability, boundary stiffness mismatch), thereby allowing direct attribution of observed differences to joint rather than confounding factors.
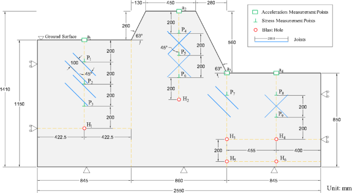
To obtain dynamic characteristics in the laboratory tests similar to those of the prototype rock mass, the material mix proportions for the similar material model were determined based on similarity theory. The model materials were designed according to the principles of mechanical similarity, using the physical and mechanical parameters of medium sandstone as the prototype. A geometric similarity ratio of 1:50 was adopted, with unit weight and stress similarity ratios of 1:1 and 1:50, respectively. The materials were prepared as specified in Table 1, with the compositions given in terms of mass fraction. The joint angle was set at 45° to maximize its sensitivity and representativeness in investigating mechanisms like stress wave attenuation and crack propagation9,18. Mica sheets were used as fillers for joint spaces as is commonly practiced28,29. The left and right sides and bottom surface of the model were rigidly constrained, while the top surface is unconstrained. The design of the experimental model is shown in Fig. 1.
Schematic diagram of the model test setup.
The data acquisition system included a DH8302 multi-channel dynamic signal analyzer and two types of sensors were synchronously connected. The first was the DH2009-20 earth pressure sensor (IEPE type), with a measurement range of 20 MPa and a resonant frequency of 50 kHz, used to capture the transient stress field generated by the blasting stress wave. The second was the 1A532E uniaxial acceleration sensor (piezoelectric IEPE type), with a frequency response range of 1–10 kHz and a measurement range of 10,000 g, used to record the vibration acceleration of rock mass particles. The sensor network included a total of 8 pressure measurement points (P₁–P₈) and 4 acceleration measurement points (a₁–a₄), which were deployed in a differentiated manner based on the spatial distribution characteristics of the joints, as illustrated in Fig. 1.
Rock Emulsion Explosive was used as the blast source, offering stable detonation velocity and moderate brisance, which was thus suitable for accurately simulating engineering rock blasting scenarios. The explosive charge mass was set at three energy levels—1 g, 3 g, and 5 g. Each charge was precisely weighed using a high-precision electronic balance (accuracy: 0.01 g) before being embedded at the designated blast point.
The dynamic observation system consisted of a high-speed camera, high-intensity LED array light source, and specialized analysis software. The main unit was equipped with a 12-bit SR-CMOS image sensor, capable of capturing at 6242 frames per second at full resolution (1280 × 800 pixels), and up to 680,000 frames per second at reduced resolution. In combination with a stabilized tripod platform and PCC (Particle Image Velocimetry) analysis software, this system could effectively record the rapid failure process of the model under blasting load, enabling quantitative characterization of the surface displacement and strain field of the model.
Model preparation and test procedures
During model preparation, a layered casting technique was employed to accurately replicate the complex joint network. Figure 2 illustrates the process of model fabrication and installation of testing equipment. A speckle pattern was applied to the model surface to facilitate Digital Image Correlation (DIC) analysis. The complete model setup is shown in Fig. 3.
Preparation of similitude material model and instrumentation.
Overview of the test setup.
Multiple test conditions were designed to facilitate comparative analysis among different control groups. Particular attention was given to the variations in blasting stress waves propagating through parallel and X-shaped intersecting discontinuous joints with the same dip angle (45°). The detailed test condition design is presented in Table 2.
Multiple test conditions were designed to systematically decouple the effects of joint geometry. Specifically, an energy ladder was applied to blastholes H1–H4 to investigate wave propagation characteristics across the two joint domains under varying energy inputs. H5 and H6 were set up as control groups that excluded the influence of distance with 1 g charge, which was selected to examine wave behavior in the absence of spurious macro-damage to the model. To ensure robustness and quantify experimental repeatability under identical boundary and material conditions, the 3 g charge test—which provides a clear and conservative response—was repeated for the two primary propagation paths (H1 and H2).
Once the model was prepared and the corresponding response sensors were embedded or installed, explosives of the designated charge mass were placed accordingly. At the corresponding blasthole locations, a detachable transparent acrylic plate was fixed to protect the imaging equipment from debris generated by rock–soil material ejection. The sensors and high-speed camera system were activated and prepared for recording. The explosive was then detonated, and measurements continued until residual vibrations subsided. Afterward, the acrylic plate was removed, the test site cleaned, and preparations made for the next detonation. All blasts were carried out independently and non-simultaneously, avoiding interference between blasts. Charges were tested in ascending mass order. This process was repeated until all planned blasting tests were completed.
Data analysis
The tests yielded a series of stress and acceleration data along with high-speed photographic records. The measured stress reflects the propagation law of the blasting stress wave and enables the quantification of input load. Acceleration monitoring directly characterizes vibration intensity. High-speed photography captures the evolution of surface strain and displacement, where strain reveals the local dynamic deformation of the medium or structure, and displacement monitoring intuitively reflects the overall deformation trend and macroscopic failure mode. These are key indicators in experimental studies of jointed rock mass under blasting. The data analysis process is shown in Fig. 4.
Data acquisition and processing flowchart.
Time-domain analysis was performed on the measured curves from the model tests. However, information such as frequency bandwidth and dominant frequency cannot be revealed in the time domain alone, and thus frequency spectrum analysis is required. By applying Fourier transform, the waveform is decomposed into a superposition of simple harmonic waves30, thereby converting the time-domain signal into a frequency-domain representation. Currently, widely used spectrum analysis methods include Discrete Fourier Transform (DFT) and Fast Fourier Transform (FFT)23. In this study, the acquired data signals were filtered and denoised, and then processed by the FFT method to obtain the frequency and amplitude of the harmonic components, based on which the frequency spectrum was plotted.
A high-speed dynamic analysis system was used for continuous tracking and recording, and the captured images were processed using DIC techniques. An undeformed reference image taken before blasting was selected, and the deformation was tracked by analyzing the variation in the random speckle patterns on the object surface before and after loading. Through image matching algorithms, the displacement vector field of each pixel or sub-region was calculated. Analysis of the spatial gradient of these displacement fields yielded the full-field strain distribution was obtained. The image data in this study were processed using the Ncorr software.
Interpretations of test results
Blasting signature wave in parallel and X-shaped intersecting-jointed rock mass model
The time-domain signals of the measured stress were converted into frequency-domain signals using the Fast Fourier Transform (FFT). The frequency spectra corresponding to the 3 g blasting charges at H1 and H2 were analyzed. The experiment focused on the measuring points located along the vertical axis of the blasting point, under the conditions of parallel joints and X-shaped intersecting joints. The results are shown in Fig. 5. The wavelength was calculated using the formula: \(\lambda {\text{=}}{v \mathord{\left/ {\vphantom {v f}} \right. \kern-0pt} f}\) (m), where v represents the wave velocity (550 m/s), and f is the frequency (Hz).
Frequency spectra curves of stress for variable-gram blasting across different types of joints.
To better evaluate the energy distribution across different frequency components, the data obtained from the Fast Fourier Transform (FFT) was subjected to additional processing. The squared amplitude of earth-pressure signal can be used to measure the energy. Therefore, the energy ratio of a specific frequency band was calculated by comparing the sum of the squared amplitudes within that band to the total energy, as defined by the following formula. The average results of two blasting for each hole are listed in Table 3.
where.
f — frequency (Hz);
P(f) — stress amplitude concerning frequency (KPa);
E — energy distribution (%).
The dominant energy of the stress waves measured at the model monitoring points was concentrated in the low-frequency range of 0–200 Hz compared with other frequency bands. At the monitoring point closest to the blasting point (e.g., passing through the intact rock mass), the low-frequency components were particularly strong, with a distinct dominant frequency peak in the range of 0–80 Hz, which aligns with the general observation that intact rock mass has a stronger capacity to conduct low-frequency waves31,32.
With increasing distance from the blasting point and an increasing number of joints traversed, the blasting stress wave exhibited an overall attenuation trend. However, the positions of the peak frequencies at each monitoring point remained largely consistent, indicating spatial consistency of the characteristic frequencies. At the same location, the resonance peaks during the two blasting events were basically identical, suggesting that the joints did not undergo significant damage as a result of repeated blasting. In Fig. 5, characteristic peaks appeared in the range of 1250–1950 Hz, corresponding to a half-wavelength of approximately 0.2 m. This frequency band exhibits relatively large values of energy, which is also shown in Table 4. When the half-wavelength approaches the spacing between the joints, partial reflection may enhance the relative concentration of energy33,34. When the wavelength is much smaller than the joint spacing—that is, for the subsequent high-frequency components—scattering dominates, causing the energy to decay sharply.
Propagation of the blasting stress wave through different joint configurations resulted in shifts in the resonance peak positions. In the parallel joints test group (Fig. 5 (a)(c)), the stress wave underwent multiple reflections between the joints, forming a resonant structure. This structure amplified the energy of the stress wave at specific frequencies, resulting in resonance peaks, and also gives rise to multiple secondary resonance peaks within the higher-frequency range of 1000–3500 Hz. In the X-shaped intersecting-joints test group (Fig. 5 (b)(d)), complex interference, scattering, and diffraction occurred, resulting in relatively smooth secondary resonance peaks. It makes the main peak ranging from 0 to 80 Hz more prominent.
Attenuation characteristics of blasting stress waves through parallel joints and X-shaped intersecting joints
Different forms of joints exhibit distinct attenuation characteristics for stress wave propagation. Figures 6 and 7 present the time-domain curves of soil pressure and the corresponding frequency-domain spectra under varying charge weights for different types of jointed rock masses.
Time-history curves of stress for variable-gram blasting across different types of joints.
Frequency spectra curves of stress for variable-gram blasting across different types of joints.
A comprehensive analysis of the time-domain and frequency-domain data reveals that both high-frequency and low-frequency components of the blasting stress wave undergo a certain degree of attenuation after propagating through parallel joints and X-shaped intersecting joints. As the vertical distance from the blast source increases, the dominant frequency band of the stress wave at each measurement point becomes progressively narrower, indicating that high-frequency components are significantly filtered out, and the energy carried by the stress wave continuously decreases. The frequency range and amplitude of the blasting stress wave vary under different joint conditions, reflecting the distinct attenuation effects induced by parallel and X-shaped intersecting joints during wave propagation.
The following formula was applied to compare the attenuation amplitude of the peak stress (maximum value) as it propagated upward through the joint from the nearest sensor. The results are summarized in Table 5.
where.
Pi — peak stress value of sensor i (Kpa);
Pj — peak stress value of sensor j (KPa);
Si−j — peak attenuation ratio from sensor i to j (%).
For parallel joints, as shown in figures Fig. 6 (a)(c) and Fig. 7 (a)(c), the stress wave exhibits relatively pronounced amplitude fluctuations, with residual high-frequency energy still retained in the time-domain waveform. A portion of the low-frequency energy is preserved as it passes through the parallel joint interfaces, and the wave is not fully attenuated after transmitting through the first set of joints. In contrast, the amplitude of the high-frequency band undergoes significant attenuation. For X-shaped intersecting joints, as illustrated in figures Fig. 6 (b)(d) and Fig. 7 (b)(d), the waveform duration is substantially shortened, and the wave amplitude across the full frequency band shows a rapid attenuation trend. Notably, the stress wave attenuation across the first set of joints can reach up to 90%. The experimental results under the conditions of Fig. 7 (e)(g) and (f)(h) are also consistent with the aforementioned findings. That is, under the same energy level, the amplitude of the stress wave is substantially smaller after passing through one set of intersecting joints compared to parallel joints. The former exhibits a much stronger filtering effect on low-frequency components than parallel joints.
This phenomenon may be attributed to the fact that parallel joints form a layered medium-like structure, where the stress wave undergoes multiple elastic reflections and transmissions between layers. Such a structure exhibits weaker attenuation for low-frequency waves (long wavelengths) and produces a low-frequency reflection superposition effect. After phase superposition, energy is relatively well preserved and not completely dissipated. The stress wave forms standing waves through repeated reflections at the interfaces, resulting in prolonged vibration duration. This is consistent with the conclusion regarding the frequency-dependent time delay35. The research results of Wang et al.23 and Cai and Zhao20 on the superimposed reflection of waves between parallel joints also provide evidence for the phenomenon. In contrast, X-shaped intersecting joints form a grid-like structure, causing the stress wave to undergo complex multiple scattering and diffraction at the intersections as the wavefront splits. This leads to energy dissipation in multiple directions. Such a structure increases the energy dissipation paths of the wave, especially suppressing the penetration ability of low-frequency waves. X-shaped intersecting joints exhibit a guiding effect on crack propagation, potentially directing crack development along the joint surfaces as mentioned in Sect.“Acceleration response of jointed rock mass model to blasting”. Local stress concentration at joint intersections may trigger microcrack propagation and frictional sliding, further dissipating energy. The presence of two sets of intersecting joints increases the number of scattering nodes, thereby markedly enhancing the attenuation efficiency across the entire frequency range.
The differential frequency-domain responses provide a basis for predicting the frequency characteristics of blast vibrations based on joint patterns. In engineering practice, potential structural resonance induced by low-frequency standing waves requires attention especially in area with dense parallel joints. Meanwhile, the dramatic attenuation across X-shaped intersecting joints suggests that if complete fragmentation is required, the energy loss should be compensated for by adjusting blasting parameters accordingly. In practical applications, it is imperative to conduct preliminary surveys of the geology and surrounding sensitive structures, so as to avoid inadequate blast design that may induce resonance damage or result in deviations from expected blasting outcomes.
Acceleration response of jointed rock mass model to blasting
Acceleration is a critical parameter for characterizing the dynamic response of the rock mass model to blasting. In this study, the acceleration data corresponding to each blasting point along the vertical axis under the 1 g charge condition were analyzed in terms of time-history and frequency spectrum curves, as shown in Figs. 8 and 9.
The acceleration time-history curves at all measuring points exhibit an attenuating oscillatory trend, characterized by a sharp initial impulse followed by a rapid decay phase, which typically completes within 10–20 ms. The frequency spectra exhibit a multi-peak distribution and demonstrate consistent filtering behavior in the ultra-high-frequency range, sharing an overall similar trend. Using distance from the blast center as a comparative standard, it is observed that differences in peak acceleration and frequency characteristics are not significant. Within the scale of this model and among joints of the same type, the propagation distance has a secondary influence compared to the joint structure itself.
Time-history curves of acceleration for 1 g charge blasts across different types of joints.
Frequency spectra curves of acceleration for 1 g charge blasts across different types of joints.
For the parallel joint test group (H1,H3, and H5), the waveforms are relatively smooth, and acceleration amplitudes are generally slightly lower than in the X-shaped intersecting joint group. However, vibration attenuation is slower, and the trailing wave exhibits prolonged duration and pronounced oscillatory continuity, approximately 12–15 ms longer than that observed in the X-shaped intersecting -jointed configuration. The dominant frequencies in the spectrum are concentrated in the low-frequency band (500–2000 Hz), with rapid attenuation of high-frequency components, resulting in energy being confined to a narrow frequency band. This phenomenon can be attributed to the continuous transmission paths formed by parallel joints, where the wave propagation path is relatively coherent and energy dissipation is reduced. When stress waves pass through parallel joints, the energy transfer efficiency is closely related to the spatial distribution of the joints. The regular arrangement of parallel joints reduces the rate of wave velocity attenuation, thereby extending the duration of vibration. Due to slower wave attenuation and prolonged vibration durations, vibration monitoring is crucial in areas with parallel joints, as longer vibration periods could lead to structural resonance and potential damage to surrounding structure.
In contrast, for the X-shaped intersecting-joint test group (H2, H4, and H6), the time-domain signals exhibit more intense fluctuations with significantly increased amplitudes, while the oscillation duration is relatively short and stabilizes quickly. The frequency spectra show prominent high-frequency components (2500–3500 Hz) with sharp spectral peaks, and the energy is distributed over a broader frequency bandwidth. The X-shaped intersecting joints provide complex reflective and scattering interfaces for the waves, generating high-frequency and intense oscillations. The energy transmission paths become more complex, leading to localized focusing and accelerated attenuation.
By comparing the stress curves and acceleration curves, it is evident that the jointed structure can absorb and dissipate a substantial portion of the blasting energy. When the blasting wave propagates into these regions, part of the energy is absorbed or scattered. Near the free surface, the remaining energy may be redistributed and concentrated due to wave reflection, interference, and other phenomena, resulting in localized energy accumulation and redistribution. For parallel joints, a layered medium is formed, where body waves undergo elastic reflection and transmission between the parallel interfaces, allowing the retention of body wave energy while surface waves are not sufficiently excited. In contrast, X-shaped intersecting joints induce multiple scattering events, causing the stress waves to diverge in all directions. The wavelets rapidly dissipate through mechanisms such as local microcrack friction and interfacial sliding along fracture surfaces, further diminishing the body wave energy along internal transmission paths. After multiple scattering and reflection, a portion of the residual energy may be converted and accumulated at the top surface, resulting in the concentration of surface wave energy. In regions where surface waves converge, if the phase difference satisfies the condition for constructive interference, the surface acceleration may be amplified. Conversely, if the phases are out of alignment, partial cancellation effects may occur at internal measuring points.
Crack development and failure after blasting
A series of strain field and displacement field images at corresponding positions were obtained using high-speed photography combined with DIC image processing techniques. Due to the limitations of the processing method, edge effects in the selected region, abrupt values at the extreme boundary, were disregarded. Figure 10 presents the displacement and strain profiles focusing on the 5 g explosive charge at blasthole H2. \(\:{\text{E}}_{\text{xx}}\), \(\:{\text{E}}_{\text{yy}}\) and \(\:{\text{E}}_{\text{x}\text{y}}\) represent the horizontal, vertical, and shear strains, respectively, while U and V denote the displacements in the horizontal and vertical directions.
Displacement and strain field of H2 with 5 g of explosives.
For the representative frames (ii)-(iv) extracted, the positions of joints are marked with thin lines and the red thick line highlights the areas with significant changes. (i) and (v) serve as strain/displacement field comparisons immediately before the blast and after a period of dissipation, respectively.
Observing over time-sequence, stress wave propagates outward from the blasthole, manifested by red or blue bands (colors contrasting with the surrounding strain/displacement state) spreading into the distance. Typically, the images show higher values nearer the blasthole, reflected by darker shading.
The strain field (\(\:{\text{E}}_{\text{xx}}\), \(\:{\text{E}}_{\text{yy}}\) and \(\:{\text{E}}_{\text{x}\text{y}}\)) undergoes changes near joints as waves propagate, with pronounced variations at intersection points. Such discontinuous strain bands provide evidence that joints obstruct the continuous transmission of strain. Refraction and reflection at the intersection of X-shaped intersecting joints may lead to a redistribution of energy. The multiple peak values in strain near the joints may also reflect repeated local energy release and overlapping amplification of the wave energy. The horizontal anomalies are presumed to be significantly influenced by the manually filled bedding layer. The shear strain \(\:{\text{E}}_{\text{x}\text{y}}\:\)significantly intensifies in the vicinity of the X-shaped intersecting joints, reflecting shear displacement concentration5, where joint surfaces may induce shear slip that potentially initiates crack propagation. This can be corroborated by subsequent evidence of surface cracks as shown in Fig. 11. Observing the horizontal displacement field U, slight discontinuities in displacement are observed near the joint surfaces, and the horizontal displacement field is segmented into several independent regions. The vertical displacement field V shows a clearly alternating distribution of negative and positive values, exhibiting an asymmetric vertical displacement pattern. This regionalized representation indicate that jointed fractures disrupt the propagation path of wave motion.
Surface failure after H2 with 5 g of explosives.
Figure 11 presents the damage and crack development following the 5 g charge detonation at hole H2. In the figure, the yellow lines indicate clearly identifiable cracks. It is observed that the main crack initiates near the blasthole and propagates laterally with a slight inclination. Numerous microcracks are concentrated around the jointed fractures, with more pronounced deepening observed at the intersection points. This behavior aligns with the general pattern of cracks propagating preferentially along weak structural surfaces such as joints23. Zhang et al.36 discovered through numerical simulation research that shear stress at the joint’s end initiates one certain kind of cracks that propagate along the blasthole and the direction of the joint tip. This is consistent with the shear concentration mentioned above and the test phenomenon of cracks. The strain concentration and crack initiation at the intersections of X-shaped joints identify these as critical failure-prone zones. It is necessary to consider reinforcement measures at the intersections37. Furthermore, owing to the guiding effect of joints on crack propagation, employing presplitting and related techniques to steer cracks along natural joint paths has tangible engineering significance38.
The experimental results align with the wave propagation theory, which suggests that joint interfaces lead to reduced wave velocity and energy attenuation. As a medium interface, the joints exert a critical influence on the propagation of blast waves and the distribution of strain. According to wave theory, when stress waves encounter joints with significant impedance contrasts, part of the wave energy is reflected and refracted. The strain tends to concentrate in the joint regions, showing high peak values and complex waveforms, whereas areas distant from the joints exhibit lower strain peaks and faster attenuation. These findings provide theoretical support for the stress measurement data analysis presented earlier. Propagating through jointed rock masses, stress waves experience attenuation and diffraction. The presence of X-shaped intersecting joints divides the blast wavefront into multiple sub-waves, leading to path deflection, multiple scattering events, energy partitioning, and wave path obstruction. The X-shaped intersecting joints form a “V”-shaped confinement structure, where the blasting waves overlap and induce localized stress concentration and energy focusing. Based on the color scale, the extreme values at distal locations account for only a few percent to less than 1% of the peak values, indicating a significant stress concentration effect. The two sets of intersecting joints subdivide the model into multiple subunits. During propagation, the blasting waves must traverse multiple joint interfaces. Each joint set causes partial reflection and energy dissipation, leading to local strain concentration at each joint interface. The propagation energy is further reduced upon reaching the second joint set.
Conclusions
In this study, a series of laboratory-scaled similarity physical model tests were conducted to investigate rock mass models containing parallel and X-shaped intersecting discontinuous joints, which were prepared using similar materials. Data regarding the stress field, vibration response, and surface deformation were obtained. By integrating Fourier Transformation analysis and Digital Image Correlation techniques, the propagation behavior and attenuation mechanisms of blasting stress waves in jointed rock masses with parallel and X-shaped intersecting joints were systematically revealed from a coupled time-frequency domain perspective. The main conclusions are as follows:
(1) Joint structures alter the frequency-domain characteristics of blasting stress waves. Joint geometries differentially modulate blast waves. Energy concentrate in low frequencies (0–200 Hz). Parallel joints generate multiple secondary resonance peaks at 1000–3500 Hz. However, X-shaped intersecting joints induce broadband scattering effects. Apart from dominant frequency peak at 0–80 Hz, the energy is dispersed across higher-frequency domains, and resonance peaks are relatively suppressed.
(2) X-shaped intersecting joints exhibit significantly stronger blast energy attenuation capacity than parallel joints. The grid-like structure, through multiple scattering and localized frictional sliding mechanisms, substantially enhances the energy dissipation efficiency across the full frequency spectrum, with particularly pronounced suppression of low-frequency waves. The stress wave attenuation across the first set of joints can reach up to 90%.
(3) Parallel joints prolong vibration of approximately 12–15 ms longer on the basis of 10–20 ms with slower attenuation, reflecting the continuity of wave propagation. Conversely, X-shaped intersecting joints exhibit rapid high-frequency oscillations, faster attenuation, an upward frequency shift (2500–3500 Hz), and less high-frequency suppression. The asymmetric structure increases spectral dispersion, and reflects the energy redistribution effect of complex interfaces.
(4) Analysis of the strain and displacement field confirms the dominant effect of joint configurations. The field is partitioned into independent units by the joint structure. Highly concentrated strain is observed near intersecting joints. The significantly enhanced shear strain is likely to initiate crack propagation and trigger further fracture development.
This study is based on scaled model tests and thus has not fully captured the scale effects of in-situ rock masses. Future research should integrate three-dimensional joint network quantification and in-situ monitoring and is expected to combine numerical simulation with on-site engineering to conduct more mechanistic study. More detailed guidance is also anticipated to be provided for engineering applications.
Data availability
The datasets used and/or analysed during the current study are available from the corresponding author on reasonable request.
References
Adler, P. M. & Thovert, J. F. Theory and applications of transport in porous media: fractures and fracture networks. Kluwer Academic Publishers: Dordrecht. 1007: 978 – 94. https://doi.org/10,1999,1007:978-94. (1999).
Ouillon, G., Castaing, C. & Sornette, D. Hierarchical geometry of faulting. J. Geophys. Res-Sol Ea. 101 (B3), 5477–5487. https://doi.org/10.1029/95JB02242 (1996).
Cheng, Y., Song, Z., Xu, Z., Yang, T. & Tian, X. Failure mechanism and infrared radiation characteristic of hard siltstone induced by stratification effect. J. Mountain Sci. 21 (3), 1058–1074. https://doi.org/10.1007/s11629-023-8444-4 (2024).
Dong, Q., Li, X., Jia, Y. & Sun, J. A numerical simulation of blasting stress wave propagation in a jointed rock mass under initial stresses. Appl. Sci-Basel. 11 (17). https://doi.org/10.3390/app11177873 (2021).
Meng, X. et al. Propagation characteristics of stress waves induced by underground blasting under the influence of rock-soil interfaces. J. Rock. Mech. Geotech. 17 (7), 4139–4159. https://doi.org/10.1016/j.jrmge.2025.01.023 (2025).
Deng, X. F. et al. Numerical study on tunnel damage subject to blast-induced shock wave in jointed rock masses. Tunn. Undergr. Space Technol. 43, 88–100. https://doi.org/10.1016/j.tust.2014.04.004 (2014).
Peng, S., Li, X., Gao, J. & Liang, L. Energy evolution and failure mechanism of tunnel dynamic unloading in deep rock mass abounding in closable minor joints. Tunn. Undergr. Space Technol. 154, 106132. https://doi.org/10.1016/j.tust.2024.106132 (2024).
Jiang, X., Xue, Y., Ren, X., Kong, F. & Liao, X. Dynamic response characteristics and damage calculation method of fractured rock mass under blasting disturbance. Int. J. Impact Eng. 192, 105036. https://doi.org/10.1016/j.ijimpeng.2024.105036 (2024).
Yu, C., Yue, H., Li, H., Xia, X. & Liu, B. Scale model test study of influence of joints on blasting vibration Attenuation. B Eng. Geol. Environ. 80 (1), 533–550. https://doi.org/10.1007/s10064-020-01944-2 (2021).
Schoenberg, M. Elastic wave behavior across linear slip interfaces. J. Acous Soc. Am. 68 (5), 1516–1521. https://doi.org/10.1121/1.385077 (1980).
Yan, Y., Li, J. & Li, X. Dynamic viscoelastic model for rock joints under compressive loading. Int. J. Rock. Mech. Min. Sci. 154. https://doi.org/10.1016/j.ijrmms.2022.105123 (2022).
Bandis, S. C., Lumsden, A. C. & Barton, N. R. Fundamrntals of rock joint deformation. Int. J. Rock. Mech. Min. Sci. 20 (6), 249–268. https://doi.org/10.1016/0148-9062(83)90595-8 (1983).
Song, F. J., Lu, C. P., Zhang, X. F., Guo, Y. & Yang, H. W. Damage mechanism and wave attenuation induced by blasting in jointed rock. Geofluids 2022. (2022). https://doi.org/10.1155/2022/6950335
Liang, X. et al. Visualization study on stress evolution and crack propagation of jointed rock mass under blasting load. Eng. Fract. Mech. 296. https://doi.org/10.1016/j.engfracmech.2023.109833 (2024).
Rong, H. et al. Numerical simulation of rock blasting under different in-situ stresses and joint conditions. PloS ONE. 19 (4), e0299258. https://doi.org/10.1371/journal.pone.0299258 (2024).
Hao, H., Wu, Y., Ma, G. & Zhou, Y. Characteristics of surface ground motions induced by blasts in jointed rock mass. Soil. Dyn. Earthq. Eng. 21 (2), 85–98. https://doi.org/10.1016/S0267-7261(00)00104-4 (2001).
Wu, Y. K., Hao, H., Zhou, Y. X. & Chong, K. Propagation characteristics of blast-induced shock waves in a jointed rock mass. Soil. Dyn. Earthq. Eng. 17 (6), 407–412. https://doi.org/10.1016/S0267-7261(98)00030-X (1998).
Tao, M., Cao, Z., Zhao, R., Liu, Y. & Li, X. Influence of filled joints with different inclination angles on rock blasting fragmentation. Explosion Shock Waves. 45 (6), 061432. https://doi.org/10.11883/bzycj-2024-0414 (2025). -1-061432-16.
Li, J., Ma, G. & Huang, X. Analysis of wave propagation through a filled rock joint. Rock. Mech. Rock. Eng. 43 (6), 789–798. https://doi.org/10.1007/s00603-009-0033-5 (2010).
Cai, J. G. & Zhao, J. Effects of multiple parallel fractures on apparent Attenuation of stress waves in rock masses. Int. J. Rock. Mech. Min. Sci. 37 (4), 661–682. https://doi.org/10.1016/S1365-1609(00)00013-7 (2000).
Cheng, Y. et al. Micro-cracking morphology and dynamic fracturing mechanism of natural brittle sandstone containing layer structure under compression. Constr. Build. Mater. 425, 136051. https://doi.org/10.1016/j.conbuildmat.2024.136051 (2024).
Fan, L. F., Shi, X. Y., Wang, M. & Jiang, F. Wave transmission in layered composite rock mass comprising parallel joints and different rock materials. Int. J. Rock. Mech. Min. Sci. 181. https://doi.org/10.1016/j.ijrmms.2024.105858 (2024).
Wang, Q. et al. Dynamic performance and stress wave propagation characteristics of parallel jointed rock mass using the SHPB technique. KSCE J. Civ. Eng. 27 (5), 2275–2286. https://doi.org/10.1007/s12205-023-1748-7 (2023).
Shen, Y. et al. Experiments and discrete element simulations on the influence of symmetrical forms of joints on the propagation of blasting cracks. Eng. Fract. Mech. 320. https://doi.org/10.1016/j.engfracmech.2025.111072 (2025).
Zhu, J. B., Deng, X. F., Zhao, X. B. & Zhao, J. A numerical study on wave transmission across multiple intersecting joint sets in rock masses with UDEC. Rock. Mech. Rock. Eng. 46 (6), 1429–1442. https://doi.org/10.1007/s00603-012-0352-9 (2013).
Blair, D. P. Approximate models of blast vibration in non-isotropic rock masses. Int. J. Rock. Mech. Min. Sci. 128, 104245. https://doi.org/10.1016/j.ijrmms.2020.104245 (2020).
Tian, X., Song, Z. & Wang, J. Study on the propagation law of tunnel blasting vibration in stratum and blasting vibration reduction technology. Soil. Dyn. Earthq. Eng. 126, 105813. https://doi.org/10.1016/j.soildyn.2019.105813 (2019).
Cao, R., Cao, P., Lin, H. & Fan, X. Experimental and numerical study of the failure process and energy mechanisms of rock-like materials containing cross un-persistent joints under uniaxial compression. PloS ONE. 12 (12), e0188646. https://doi.org/10.1371/journal.pone.0188646 (2017).
Lin, Q., Cao, P. & Cao, R. Experimental investigation of jointed rock breaking under a disc cutter with different confining stresses. C R Mec. 346 (9), 833–843. https://doi.org/10.1016/j.crme.2018.06.012 (2018).
Yang, W. K. et al. Bidirectional denoising method based on fast fourier transform analysis for TBM field penetration data. Tunn. Undergr. Space Technol. 158, 106436. https://doi.org/10.1016/j.tust.2025.106436 (2025).
Guo, J., Fei, H. & Yan, Y. Research and advances in the characteristics of Blast-Induced vibration frequencies. Build. (2075–5309). 15 (6). https://doi.org/10.3390/buildings15060892 (2025).
Aftabi, M., Motamedi, M. & Molladavoodi, H. A study on parameters influencing blast-induced frequency content and dominant frequency Attenuation. Shock Vibrat. 2022 (1), 4626536. https://doi.org/10.1155/2022/4626536 (2022).
Huang, X. et al. Stress wave propagation through rock joints filled with viscoelastic medium considering different water contents. Appl. Sci-Basel. 10 (14). https://doi.org/10.3390/app10144797 (2020).
Li, J., Zhao, X., Li, H., Chai, S. & Zhao, Q. Analytical study for stress wave interaction with rock joints having unequally close–open behavior. Rock. Mech. Rock. Eng. 49 (8), 3155–3164. https://doi.org/10.1007/s00603-016-0974-4 (2016).
Pyrak-Nolte, L. J., Myer, L. R. & Cook, N. G. Anisotropy in seismic velocities and amplitudes from multiple parallel fractures. J. Geophys. Res-Sol Ea. 95 (B7), 11345–11358. https://doi.org/10.1029/JB095iB07p11345 (1990).
Zhang, Y., Xu, M., Liu, S., Liu, F. & Wang, Q. Rate-dependent constitutive modelling blasting crack initiation and propagation in rock masses. Int. J. Coal Sci. Techn. 10 (1), 83. https://doi.org/10.1007/s40789-023-00633-1 (2023).
Cai, M. Principles of rock support in burst-prone ground. Tunn. Undergr. Space Technol. 36, 46–56. https://doi.org/10.1016/j.tust.2013.02.003 (2013).
Pomasoncco-Najarro, A. et al. Pre-split blasting design to reduce costs and improve safety in underground mining. Energy Rep. 8, 1208–1225. https://doi.org/10.1016/j.egyr.2022.07.109 (2022).
Funding
This study is funded by Department of Communication of Fujian Province, China (7921004060) and Fundamental Research Funds for the Central Universities (Grant No. RF1028623071, 2242024k30066).
Author information
Authors and Affiliations
Contributions
Junjun Ni, Yongfeng Deng: Conceptualization, Methodology, Supervision., Zuhua Deng: Investigation, Resources, Writing-Original Draft, Visualization. Tianqi Wei: Validation, Writing-Review & Editing, Visualization. Shaodan Wang, Daicheng Ye: Validation, Writing-Review & Editing.
Corresponding author
Ethics declarations
Competing interests
The authors declare no competing interests.
Additional information
Publisher’s note
Springer Nature remains neutral with regard to jurisdictional claims in published maps and institutional affiliations.
Rights and permissions
Open Access This article is licensed under a Creative Commons Attribution-NonCommercial-NoDerivatives 4.0 International License, which permits any non-commercial use, sharing, distribution and reproduction in any medium or format, as long as you give appropriate credit to the original author(s) and the source, provide a link to the Creative Commons licence, and indicate if you modified the licensed material. You do not have permission under this licence to share adapted material derived from this article or parts of it. The images or other third party material in this article are included in the article’s Creative Commons licence, unless indicated otherwise in a credit line to the material. If material is not included in the article’s Creative Commons licence and your intended use is not permitted by statutory regulation or exceeds the permitted use, you will need to obtain permission directly from the copyright holder. To view a copy of this licence, visit http://creativecommons.org/licenses/by-nc-nd/4.0/.
About this article
Cite this article
Deng, Z., Wang, S., Wei, T. et al. Physical modelling of propagation characteristics of blasting stress waves in rock masses with parallel and X-shaped intersecting joints. Sci Rep 15, 41607 (2025). https://doi.org/10.1038/s41598-025-25623-y
Received:
Accepted:
Published:
Version of record:
DOI: https://doi.org/10.1038/s41598-025-25623-y













