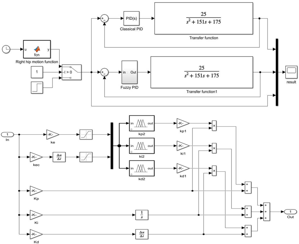
Fig. 25 | Scientific Reports