Abstract
Identifying the parameters of a solar photovoltaic (PV) model optimally, is necessary for simulation, performance assessment, and design verification. However, precise PV cell modelling is critical for design due to many critical factors, such as inherent nonlinearity, existing complexity, and a wide range of model parameters. Although different researchers have recently proposed several effective techniques for solar PV system parameter identification, it is still an interesting challenge for researchers to enhance the accuracy of the PV system modelling. With the above motivation, this article suggests a stage-specific mutation strategy for the proposed enhanced differential evolution (EDE) that adopts a better search process to arrive at optimal solutions by adaptively varying the mutation factor and crossover rate at different search stages. The optimal identification of PV systems is formulated as a single objective function. It appears in the form of the Root Mean Square Error (RMSE) between the PV model current from the experimental data and the current calculated using the identified parameters considering the parameter constraints (limits). The I-V (current-voltage) characteristics/data with identified parameters are validated with the experimental data to justify the proposed approach’s accuracy and efficacy for different cells and modules. Extensive simulation has been demonstrated considering two different PV cells (RTC France & PVM-752-GaAs) and three different PV modules (ND-R250A5, STM6 40/36 & STP6 120/36). The results obtained from the proposed EDE technique show Root Mean Square Errors (RMSE) of 7.730062e-4, 7.419648e-4, and 7.33228e-4 respectively, in parameter identification of RTC France PV cell models based on single, double, and triple diodes. Also, the RMSE involved in parameter identification of PVM-752-GaAs PV cell models based on single, double, and triple diodes are 1.59256e-4, 1.408989e-4, and 1.30181e-4, respectively. The parameters identification of ND-R250A5, STM6 40/36 and STP6 120/36 PV modules involve RMSE values of 7.697716e-3, 1.772095e-3, and 1.224258e-2, respectively. All these RMSE values obtained with proposed EDE are the least as compared to other well-accepted algorithms, thereby justifying its higher accuracy.
Similar content being viewed by others
Introduction
To ensure the proper functioning of a photovoltaic (PV) system, precise implementation of its model is the primary requirement. To design, simulate and evaluate the performance of a solar PV system, some essential parameters should be identified precisely. The required parameters for the complete modelling of the solar PV cells are the photon-generated current, the diode ideality factors, the shunt resistance, the series resistance and the diode saturation current1. Generally, for a given solar PV cell/module, these intrinsic parameters can be identified either by referring to the datasheet available with the manufacturers or by utilizing the experimental I-V data. However, both of them may not be available. Several procedures for extracting these parameters have been proposed previously. Analytical, numerical and meta-heuristic techniques are the three popular techniques substantially attempted recently2. Initially, an appropriate model is selected for identification. However, the precision of the parameters obtained from identification is an important aspect for the overall modelling, adequate sizing and performance assessment of solar PV systems. Apart from that, the primary data from the manufacturers are restricted very often. The data relating to Voc (open-circuit voltage), Isc (short circuit current), Impp and Vmpp (the maximum power point current and voltage respectively) considering standard test conditions, etc., are mainly provided. The exact parameters are not readily available, so the issue is prominent in developing appropriate modelling. In addition to this, in reality, the PV model parameters do get affected owing to variations in environmental conditions. So, the present model parameters may not replicate the real ones. To model the PV cells and modules accurately, it is still an open forum and urges for further research. This motivates the present study to formulate an adequate approach that can provide an optimal solution to the parameter identification problem applied in PV systems.
In the formulation of the identification of system parameters for the PV model, the analytical technique comprises solving a set of associated transcendental equations at important points of the I-V characteristics3. The main advantages in this case are a simpler approach, calculation time reduction, relatively accurate results, faster computation, etc. A fast and accurate analytical technique was suggested in4. It utilized the information from datasheet available from the manufacturers. Later, the authors in5 suggested an approach based on Lambert’s W-function, which is an improvised and exact analytical technique. Also, another analytical method utilizing Co-content function was suggested in6. Lately, analytical equations were solved by a method that was graphical7. It is found that, under normal weather conditions, the analytical methods perform reasonably better. However, the accuracy and consistency of the results are affected by the variations in the weather conditions. Apart from that, they are computationally less effective, and complexity increases as larger number of system parameters are required to be identified when applied to larger and more complex solar PV systems.
The numerical techniques in comparison to analytical methods, are more accurate in optimally computing the parameters. This is due to the consideration of all the points in the characteristic curve in the analysis. Initially, the numerical techniques based on Newton’s method and non-linear least squares was suggested in8 for estimating the five parameters of a PV cell. Subsequently a resistive-companion strategy9 was recommended and it yielded comparatively better results than the analytical ones. Later on, Newton-Raphson-based improvisation in identifying parameters was suggested for solar PV modules10,11. The major limitation of all the numerical-based techniques is the large computational time. In addition to the above, it is found that these techniques may lead to reduced accuracy in results, particularly in identifying a large number of solar PV parameters and presenting mere close approximations of the initial conditions. These techniques also depend on the prior system’s conditions and there is a higher probability that the solution may get caught at local minima.
In subsequent developments, evolutionary and stochastic-based techniques are extensively applied to handle the major cons in identifying the solar PV model parameters by applying numerical and analytical techniques. The following reasons made these techniques more popular: (1) they do not involve differentiation; (2) they do not have strict requirements of continuity; (3) they present simplicity of approach; (4) they do not involve the complex mathematical formulation of system objectives; (5) the flexibility to enhance the searching ability either by control factor variation or by a hybrid approach. This inspires to do further research to formulate a right approach based on evolutionary optimization techniques in comparison to the numerical and analytical methods.
In current scenario, parameter estimation techniques based on different meta-heuristics like Genetic algorithm (GA)12, Artificial bee swarm optimization(ABSO)13, Pattern search (PS)14, Particle swarm optimization (PSO)15, Bird mating optimizer (BMO)16, Mutative-scale parallel chaos optimization algorithm (MPCOA)17, Orthogonally-adapted gradient-based optimization (OLGBO)18, Genetic algorithm based on non-uniform mutation (GAMNU)19, Symmetric chaotic gradient-based optimizer (SC-GBO)20, Guaranteed convergence particle swarm optimization (GCPSO)21, Enhanced vibrating particles system (EVPS)22, Improved Grey wolf optimizer (IGWO)23, were developed and implemented for identifying the PV parameters. A General algebraic modelling system (GAMS) tool was suggested for PV parameter extraction in24. Subsequently, other improved techniques such as Chaotic-driven Tuna swarm optimizer (CTSO)25, Supply-demand-based optimization algorithm (SDOA)26, Tree growth algorithm (TGA)27, Supply-demand-based optimization (SDO)28, Hybrid successive discretisation algorithm (HSDA)29, Improved adaptive differential evolution (IADE)30, Marine-predator algorithm (MPA)31, Slime mould algorithm integrated Nelder-Mead simplex strategy and chaotic map (CNMSMA)32, New Hybrid33, Chaotic improved artificial bee colony (CIABC)34, Improved cuckoo search algorithm (IMCSA)35 etc., were also suggested. Moreover, Rao-2 and Rao-336 algorithms, Stochastic slime mould algorithm(SMA)37, Electric eel foraging optimizer (EEFO)38, Enhanced prairie dog optimizer(En-PDO)39, mountain gazelle optimizer (MGO)40, Arithmetic optimization algorithm (AOA)41 and Forensic-based investigation algorithm (FBIA)42 with improved performances were proposed for parameter identification. However, the major inferences that can be made are: Firstly, all the approaches are not free from the algorithm control factors, secondly, it is difficult to indicate one of them as the Universal best approach for all problems/applications43,44.
Hybrid techniques based on meta-heuristic techniques are very effective due to coordinated searching and reducing the limitations of one approach by the other45. Few hybrid approaches are successfully applied for solar PV parameters’ identification, such as Hybrid Firefly and Pattern Search Algorithms (HFAPS)46, Hybrid bee pollinator Flower pollination algorithm (BPFPA)47, Collaborative intelligence of different swarms48, Hybrid gazelle-Nelder–Mead (GOANM) algorithm49 and Hybrid mountain gazelle pattern search(MGPS) optimizer50. These techniques are recommended to deal with the inherent demerits of individual techniques, permit different combinations of individual techniques, and then appear as a competent technique to the identify the parameters of solar PV models. Nevertheless, these techniques’ performances are problem-dependent. Secondly, their accuracy, robustness, and convergence speed are regulated by the judicious selection of algorithm’s control factors. Out of these two possibilities, an enhanced meta-heuristic technique with adaptively adjusting control factors is chosen in this study.
Even though extensive research has been done recently, formulating a better PV parameter identification is still a difficult problem to resolve. Finding an enhanced process with better accuracy and robustness in the computation of parameter estimation of various PV models is indispensable. A meta-heuristic method based on Differential evolution(DE) optimization is adopted due to its many pros as follows: (1) it is a derivative-free algorithm; (2) flexibility in enhancing the performance by adjusting algorithm control factors; (3) capable of handling a variety of objective functions having different forms of convexity and continuity; (4) not many factors need to be adaptively varied for enhancing the performance at different stages of searching; (5) comparatively less probability of facing confinement to the local minima; (6) the approach is simple, and easy to implement, program, modify and hybridize with other methods without much complexity in design and formulation; (7) the final result and search strategy is independent of initial random solutions chosen indicating the consistency in arriving at the optimal result. However, the performance of DE can be enhanced by adaptively varying its control factors and this can also overcome its shortcomings like getting caught at local minima due to misleading effects of certain problem landscapes, less ability to drag the population over long-distances for searching in case the crowded population is contained within a smaller region of the search space, increased computational time when applied to complex multi-objective and higher dimensional problems and oscillation around optimum result due to wrong adjustment of step size etc51. These research gaps motivate the present study to formulate a better technique for solar PV parameter identification and testing under a wide variety of cases most desirable for real-time application.
In recent times it has been seen that by adaptively varying the control factors not only in case of DE but also in the case of other stochastic approaches, the efficacy of searching during the exploration and exploitation stages is substantially improved. Looking at the DE algorithm, it is evident that two primary factors mutation and crossover and two secondary factors initialization and selection along with the population size affect the performance mainly. In this study, EDE is suggested by considering a stage-specific mutation procedure of the conventional DE algorithm. To augment the overall performance and circumvent the confinement issues at local minima, the EDE is proposed with stage-based control factors (mutation factor, cross-over rate) to attain improved precision with quicker convergence, resulting in optimum parameter values. Secondly, this approach is applied extensively for solar PV system parameter identification considering different PV model configurations.
The key contributions made in this work are the following:
-
A modified technique of DE mentioned as EDE is articulated for identifying the parameters of various PV cells and modules.
-
Adaptive adjustment of the mutation factors and crossover rates is suggested for augmenting the explore and exploit abilities of the EDE during the search.
-
Several cases of simulation, statistical results are showcased and discussed to assess the performance of the proposed EDE technique.
-
Based on the values of root mean square error (RMSE), extensive results are presented to compare and validate that the proposed EDE technique has better accuracy and robust searching capability in comparison to other reported techniques.
The overall structure of the article is as follows: Section “Introduction” presents the background, motivation, and research gap and also highlights the study’s contribution. Following the brief introduction, Section “Description of different PV models and objective function formulation” presents a detailed description of the modelling of solar PV and the single objective formulation of the problem considering all the system parameters and related constraints. The conventional DE algorithm, the proposed EDE technique are briefly described, highlighting all the major modifications suggested along with the statistical performance in Section “Differential evolution technique for parameter identification”. The results of identification and simulation are illustrated and analysed in Section “Results and analysis”, followed by discussion in Section “Discussion” and concluding remarks in Section “Conclusion”.
Description of different PV models and objective function formulation
The electrical equivalent circuits along with their parameters are referred to as the PV cell and modules to be modelled. For accurate design, simulation and analysis, several reduced and complex models must be proposed. This section presents a brief description of different PV models with related parameters and the objective function formulation for the models.
PV cell model based on single diode (PVCMSD)
The single diode-based electrical equivalent circuit of the PV cell model is comprised of a photon-generated current source, an antiparallel diode, a series and a shunt resistor. Figure 1 demonstrates the above model10,21.
Electrical equivalent circuit of the PVCMSD.
The following equation is derived by application of Kirchoff’s current law(KCL) to Fig. 1:
where Icpg, Icd, and Icp. denote photon-generated current, the current flowing in the diode, and the current flowing in the shunt resistance Rp respectively. At the same time, I, V and Rse signify the PV cell current, the PV cell voltage, and the series resistance respectively.
The current through Rp is expressed as:
where Is, α, and Vt denote the saturation current of the diode, the diode ideality factor and the thermal voltage respectively. The existing relation can be expressed as follows:
where, T, q and kbm symbolize the cell/module temperature in K, the electron charge (1.60217 × 10−19) in C, and Boltzmann constant (1.38065 × 10−23) in J/K respectively.
Using Eqs. (1), (2) and (3) the PV cell current is calculated using Eq. (5) as:
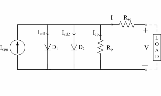
PV cell model based on double diode (PVCMDD)
The electric equivalent circuit of a PV cell model based on double diode comprises a photon-generated source of current, two diodes antiparallel to the current source, a series and a shunt resistor14,21. Figure 2 demonstrates the PVCMDD.
Electrical Equivalent circuit of the PVCMDD.
Application of KCL to the Fig. 2 results in the following equation:
where Icpg denotes photon generated current, Icd1 denotes the current flowing in diode D1, Icd2 denotes the current flowing in diode D2, Icp. denotes the current through shunt resistance Rp and I denotes the cell output current. Here, the current in diode D1 can be expressed as shown next in Eq. (7):
where, Is1 signifies the saturation current of diode D1, α1 signifies the ideality factor of diode D1. In the same manner, the current in diode D2 can be expressed as shown next in Eq. (8):
where Is2 signifies the saturation current of diode D2 and α2 signifies the ideality factor of diode D2. Therefore, the PV cell output current is given as:
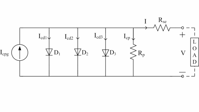
PV cell model based on triple diode (PVCMTD)
The equivalent electric circuit of the PV cell model based on triple diode is comprised of a photon-generated current source, three antiparallel type diodes, a series and a shunt resistor23,26,27 as demonstrated in Fig. 3.
Electrical Equivalent circuit of the PVCMTD.
Application of KCL to Fig. 3, gives the following equation:
where Icpg denotes photon generated current, Icd1 denotes the current flowing in diode D1, Icd2 denotes the current flowing in diode D2, Icd3 denotes the current flowing in diode D3, Icp. denotes the current through shunt resistance Rp and I denote the cell output current. The expressions for currents Icd1 and Icd2 are given by Eqs. (7) and (8) respectively in the Sect. 2.2.
In the same manner, the current in diode D3 can be expressed as shown below in Eq. (11):
where, Is3 signifies the saturation current of diode D3 and α3 signifies the ideality factor of diode D3 in Fig. 3.
The final PV cell output current is expressed by Eq. (12) as follows:
PV module model (PVMM)
Solar cells are connected in series or series-parallel combinations to form a PV module. The PV modules in this study are comprised of series combinations of Ns number of solar cells. If the PV module comprises single diode-based PV cells, then the output current of the module is given by Eq. (13) as:
where, V signifies voltage across the PV module. The Icpm implies the equivalent photon-generated current of the module while Ism signifies the equivalent saturation current of the diodes in the module, Rsem signifies the equivalent series resistance of the module and Rpm signifies the equivalent shunt resistance of the module. In addition, αm implies the ideality factor of the module and Vtm implies the thermal voltage of the module. The existing relation can be related between these factors as follows.
The module output current can be finally expressed as
Objective function formulation
The PV model parameter identification task is transformed into a single-objective optimization problem. This work’s single objective function (OF) is taken as the root mean square error (RMSE) between experimental and calculated (estimated) currents of the PV models under consideration. Therefore, the optimization problem can be formulated as follows:
Minimize
where, M denotes the number of experimental current-voltage data points of the PV model under inspection, k denotes the index of experimental data, ϑ denotes the parameter set of the PV model to be identified and \(\:{h}_{k}\left(\vartheta\:,V,I\right)\) signifies the current error function of the PV model. If the RMSE value is very small, it means that a better set of PV model parameters(ϑ) is identified. The aim is to minimize RMSE by using EDE in order to attain optimal parameters.
From each PV model, the current error function \(\:{h}_{k}\left(\vartheta\:,V,I\right)\) is obtained as follows:
-
For PVCMSD, ϑ = { Icpg, Is, α, Rp, Rse }.
-
For the PVCMDD, ϑ ={Icpg, Is1, Is2, α1, α2, Rp, Rse}.
-
For PVCMTD, ϑ ={Icpg, Is1, Is2, Is3, α1, α2, α3,Rp ,Rse},
-
For PVMM, ϑ = {Icpm, Ism, αm, Rpm, Rsem},
To obtain the estimated (calculated) current I for a PV model, the respective current error function \(\:{h}_{k}\left(\vartheta\:,V,I\right)=0\) is solved using Newton-Raphson’s method. In this method, the new value of the estimated current for a PV model is evaluated iteratively from its older estimate and its derivative, as shown in Eq. (21), until the condition |\(\:{h}_{k}\left(\vartheta\:,V,I\right)\)| <10−10 is fulfilled.
Here, Fig. 4 summarises the entire parameter identification process as adopted in the study.
The block-diagram of the parameter identification procedure using EDE.
Here, R.T.C. France silicon solar cells8 operating at 1000 W/m2 and 33° C and PVM-752-GaAs thin film cell28 operating at 1000 W/m2 and 39° C are taken into consideration for the parameter identification. For module parameter identification, polycrystalline modules of Sharp ND-R250A521 and STP6 120/3652 and monocrystalline module of STM6 40/3652 are considered. The I-V data points of the respective cells and modules retrieved from the experiment are considered for their parameter identification.
Differential evolution technique for parameter identification
In comparison to many other evolutionary-based approaches, the DE algorithm has proven its performance to arrive at optimal results in a wide variety of engineering applications53,54,55,56. The major factors that attract the DE for its extensive application are it can be applied successfully for multi-modal functions and single/multiple objectives-based problems preventing being trapped at a local minimum.
Overview of Differential evolution
The overview of the elementary operations of the DE algorithm is segregated into four phases and presented as follows.
Initialization phase
The initial population is randomly generated with dimension P X D. Each element xi, j in the initial population is randomly generated and initially subjected to the restrictions within the respective variable lower and upper limits i.e., \(x_{j}^{{lo}} \leqslant {x_{ij \leqslant }}x_{j}^{{up}}\). The population matrix with the predefined dimension is generated as follows:
where, i = 1,2,3,…., P referring to the population size and j = 1,2,3,…, D referring to the total number of variables to be optimized. After the initialization phase as discussed, the other three preliminary phases are followed sequentially as mutation, crossover and selection for the DE algorithm.
Mutation phase
During each generation ‘g’ and in this phase, a mutant vector \(V_{{ij}}^{g}\) is generated as presented in Eq. (23) by applying a mutation strategy to the current parent population \(X_{{ij}}^{g}\).
where \(X_{{best}}^{g}\) refers to the best vector solution selected according to the fitness value and objective during the generation ‘g’. The indices n1 and n2 are mutually exclusive integers in nature. These are selected from the set {1,2,3,4,…., P} subjected to the condition that n1 ≠ i, n2 ≠ i. \(F_{i}^{g}\) refers to the mutation factor that regulates the mutation process. It is selected within interval [0,1]. In the basic DE algorithm, \(F_{i}^{g}=F\) and it is considered to be a constant value.
Crossover phase
The trial vectors \(U_{{ij}}^{g}\) are generated during the crossover phase considering the mutant vector \(V_{{ij}}^{g}\) generated in the mutation phase as presented by Eq. (24).
where rand [0,1) refers to any number randomly chosen within the interval [0,1]. It is uniformly generated every time for i and j. The jrand refers to the randomly chosen integer within the boundary [1, D] for each i. The \(CR_{i}^{g}\) refers to the crossover rate. It regulates the crossover operation by doing an average fraction of vector components. In this stage according to the crossover factor value, proportionally the mutant vectors are inherited further. \(CR_{i}^{g}\) is generally chosen from the interval [0,1]. In the basic DE algorithm, \(CR_{i}^{g}\) = CR and it is taken to be a
constant value.
Selection phase
The selection process is conducted to select the better solution vectors according to the respective fitness value comparison between the \(\:{X}_{i,j}^{g}\) and \(\:{U}_{i,j}^{g}\) vectors. The selection is done according to the comparative fitness values computed from the objective function \(\:OF\) stated in Eq. (16). This operation can be presented as follows in Eq. (25).
where, \(\:{X}_{i}^{g+1}\:\)refers to the recently generated population vector and these vectors will be carried for the next generation following similar steps of the process from mutation to crossover to selection phase. Here, \(\:OF\left({U}_{i,j}^{g}\right)\) and \(\:OF\left({X}_{i,j}^{g}\right)\) refer to the target vector’s and the trial vectors’ objective function values respectively.
But these processes stop when the generation no ‘g’=gen_max. Herein, gen_max implies maximum generation count.
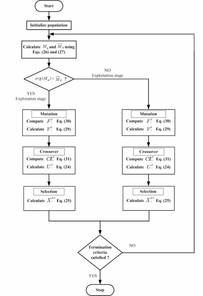
Proposed enhanced differential evolution (EDE) optimization technique
The improper setting of the dominant algorithm factors those having a critical role in the searching performance, may make the DE sensitive to the loss of diversity. This may lead to poor exploration and exploitation abilities57. In addition to this inappropriate mutation and crossover strategy may cause saturation in optimal searching due to either over exploration or may cause premature convergence due to overexploitation. Not regulating the control factors according to the existing position, may lead to oscillations near the optimal solution. In this, the various stages are determined and segregated accordingly. The stage-specific strategies of the mutation operation along with the adaptively changing/varying mutation factor and crossover rate are used to fetch the best output from the exploration and exploitation stages. Multiple mutation and crossover strategies can fetch better exploration and exploitation abilities58. The overall movement towards the optimum and best position in the generation ‘g’ and is given by
The value of \(\:{M}_{g}\) can be normalized according to the maximum \(\:{M}_{g\left(max\right)}\) and minimum \(\:{M}_{g\left(min\right)}\) values in the last five generations with respect to the present generation ‘g’ as follows:
The search stages are determined according to the following strategy:
The reason for the above strategy formulation is due to the large initial solution space and step size, which initially \(\:\stackrel{-}{{M}_{g}}\) will be larger than the average value of \(\:{M}_{g}\) in the last five consecutive generations. After a few generations pass, due to short step size and narrow solution space, \(\:\stackrel{-}{{M}_{g}}\) there will have lesser value or it will keep constant due to saturation. Secondly, it is justified to segregate different stages of solution space to formulate the search strategy. As the solution is nearer to the optimal position, there will be no transfer possibility at that stage. This avoids the possibility of oscillation near the optimal value and leads to rapid convergence58,59. The mutant individual \(\:{V}_{i,j}^{g}\) is computed by adopting different strategies for both the exploration and exploitation stages separately as follows:
The reason behind such a formulation is to adopt a larger step size to bring more diversity in the search that leads to a better exploration.
The mutation factor \(\:{F}_{i}^{g}\) and the crossover rate \(\:{CR}_{i}^{g}\) are adaptively computed during various stages of search in generation ‘g’ according to the strategy presented in59,60.
The idea behind such a formulation is that the mutation factor \(\:{F}_{i}^{g}\) values are high initially as larger step size is required during the exploration stage of search while lower values of crossover rate \(\:{CR}_{i}^{g}\) are needed initially to avoid confinement at local best values. But a smaller step size is required during the exploitation stage of the search, hence lesser values of \(\:{F}_{i}^{g}\) are needed, while higher crossover rates \(\:{CR}_{i}^{g}\) are needed to speed-up the convergence process. The flow-chart of suggested EDE technique is illustrated next in Fig. 5.
The flow-chart of EDE.
Here, gen_max = 1000, P = 10*D. The phases in basic DE also take place sequentially in EDE considering the stage-based modifications as stated in Eqs. (29)–(31). The termination criterion is the same as in basic DE. The ranges for the identification of PV cell and module parameters are presented in Tables 1 and 2 respectively.
Statistical performance analysis of EDE optimization technique
In order to justify the effectiveness of the proposed EDE, some benchmark test functions are considered for testing it and comparing its performance with the EEFO, MGO, AOA, FBIA and DE techniques. Here, Table 3 presents the description of the Benchmark test functions taken for the analysis.
The statistical performance analysis of the EDE technique from benchmark function tests over 30 independent runs is compared to those with EEFO, MGO, AOA, FBIA and DE techniques for a population size P = 60 and 100 generations. The minimum, maximum, mean and standard deviations for each function and each algorithm are provided in Table 4. From these values it is clear that EDE presents better performance.
From the results in Table 4, it is quite obvious that the proposed EDE performs much better in the Benchmark tests as compared to the recently proposed EEFO, MGO, AOA, FBIA and the original DE algorithms.
Also, the non-parametric method of Wilcoxon signed rank test is applied to (EDE, EEFO), (EDE, MGO), (EDE, AOA), (EDE, FBIA) and (EDE, DE) pairs for comparison and resulting p-values and h-values are determined. The comparative results from this test are presented in Table 5.
In Table 5, it is observed from the p-values and h-values obtained by pairwise comparisons of the algorithms in the Wilcoxon signed rank test that there is a significant difference in the performance of the EDE when compared to other techniques, including EEFO, MGO, AOA, FBIA, and original DE. As, the p-values are less than 0.05, it reflects that EDE is clearly the winner amongst the six.
Moreover, the updated convergence graphs of EDE, EEFO, MGO, FBIA and DE for the benchmark functions F1, F2, F3 and F4 are illustrated in the Fig. 6(a), (b), (c) and (d) respectively. It can be observed from Fig. 6 that EDE converges to optimal values at a faster rate as compared to EEFO, MGO, AOA, FBIA and original DE.
The convergence graphs of EDE, EEFO, MGO, FBIA and DE for different benchmark functions.
Results and analysis
The identified parameters and RMSE computed by the EDE proposed technique are compared with the respective values obtained by other techniques to justify the efficiency of the proposed EDE approach. All the simulation studies are carried out in MATLAB R2018b software.
Case study 1: results on RTC France
This section presents the parameter identification results for RTC France PVCMSD, PVCMDD and PVCMTD from its experimental I-V data8.
Identification of parameters of PVCMSD
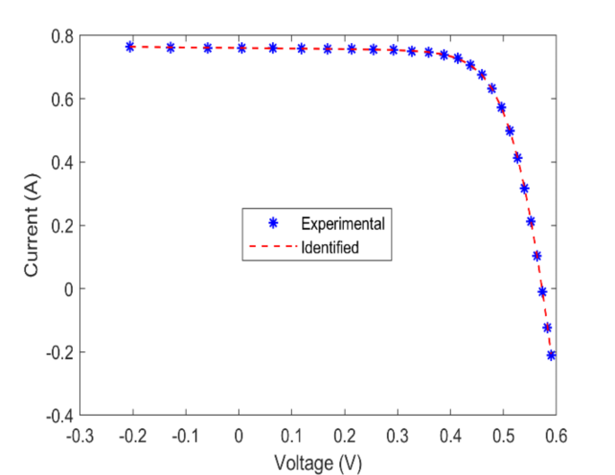
Here, the five parameters of the PVCMSD are identified. Around 60 independent runs are conducted and the optimal parameters for the solar PV model under consideration are identified. The parameters obtained by the EDE approach are compared to other techniques. The comparative results are tabulated in Table 6. It can be concluded that the parameters identified by the EDE technique result in an RMSE of 7.730062e-4, which is much lesser than the RMSE observed in other techniques such as ABSO, BMO, MPCOA and OLGBO.
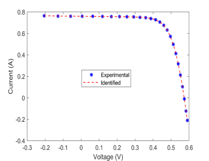
The obtained I-V characteristic of the PVCMSD using the identified parameters is shown in Fig. 7, along with the I-V characteristic monitored by using the experimental data. It is observed that both characteristics match each other closely, reflecting the proposed technique’s accuracy.
The experimental I-V characteristics and the I-V characteristics with identified parameters for PVCMSD.
In Fig. 8, the comparison between the graph of Individual absolute errors (IAE) in current using EDE technique and other techniques is reflected for each experimental data. The computed IAE values with EDE technique are lesser than the IAE values with other techniques at all indices of experimental data. Hence, the result reveals that the proposed technique’s accuracy is better than other techniques.
Comparison of IAE result with proposed and other techniques for PVCMSD.
Identification of parameters of PVCMDD
The section enumerates all the seven identified parameters of the PVCMDD. The optimal set of identified parameters is chosen from the results obtained by 60 independent runs. The parameters identified by the EDE technique and other techniques considered for comparison are summarised in Table 7.
The obtained RMSE in the identification of parameters through the application of the EDE approach is 7.419648e-4. It is lesser than the RMSE values in comparison to the obtained values by the application of ABSO, BMO, OLGBO and MPCOA. The I-V curves with identified parameters match exactly with the I-V curves obtained experimentally to each other very closely, as demonstrated in Fig. 9. This indicates that the EDE proposed procedure is capable of identifying the optimal parameters for the solar PV cell accurately. In addition to this, it can reproduce exactly the real I-V characteristics of the solar PV cell similar to experimental results, as depicted in Fig. 9.
The experimental I-V characteristics and the I-V characteristics with identified parameters for PVCMDD.
The IAE values acquired with the proposed technique are evaluated in comparison with the IAE values obtained by applying the other techniques based on the experimental data obtained. These are illustrated in Fig. 10. The IAE values at the 2nd, 3rd, 5th, 6th, 8th, 9th, 10th and 15th experimental data indices with EDE technique are slightly higher than the IAE with other techniques based on the 26 experiment data points undertaken in this study. On the other hand, the IAE values with the EDE technique are considerably lesser for the remaining data indices in comparison to other techniques considered in this study. The overall performance is enhanced in the case of the proposed EDE approach.
Comparison of IAE result with proposed and other techniques for PVCMDD.
Identification of parameters of PVCMTD
The nine parameters pertaining to the PVCMTD are identified in the present case. The optimal set of final identified parameters is attained from 60 independent runs. Table 8 enumerates the parameters identified by the EDE proposed technique and other techniques to present a comparative view.
It is noticed that the RMSE involved in the EDE technique is 7.33228e-4. It is lesser than the RMSE value observed in IGWO, OLGBO, SC-GBO and CTSO. Figure 11 illustrates the experimental I-V and I-V curves using identified parameters that almost match closely. From Fig. 11, it is noticeable that the EDE proposed algorithm can precisely identify the parameters of the solar PV cell accurately and replicate the real I-V characteristics.
The experimental I-V characteristics and the I-V characteristics with identified parameters for PVCMTD.
In Fig. 12, the IAE values computed using the proposed technique are evaluated by comparison with the IAE values found from the other techniques for each experimental data. The proposed technique results in slightly higher IAE values in the 1st, 14th and 19th experimental data compared to the IAE values with the other techniques. However, the IAE values with the proposed technique at the remaining data points are significantly lesser in comparison to those with other techniques considered in this study. From this, it can be inferred that the identification performance is enhanced substantially by applying the proposed EDE technique.
Comparison of IAE result with proposed and other techniques for PVCMTD.
Case study 2: results on PVM-752-GaAs
This section presents the results of identifying parameters for PVM-752-GaAs thin film PVCMSD, PVCMDD and PVCMTD from its experimental I-V data28.
Identification of parameters of PVCMSD
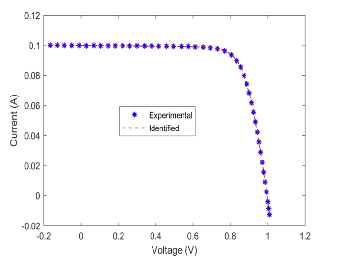
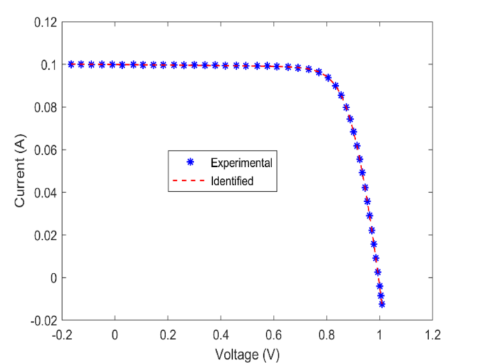
Here, the five parameters of the PVCMSD are identified. The optimal parameters for the solar PV model under consideration are chosen from conducting the 60 independent runs. Table 9 illustrates the comparison of the parameters identified by the EDE optimization technique and other techniques. It is detected that the parameters identified by the EDE technique result in an RMSE of 1.59256e-4. It is the least compared to the RMSE, resulting from the other identification techniques such as SDOA, TGA, SDO and HSDA.
The I-V characteristic of the PVCMSD using the identified parameters is showcased in Fig. 13, in addition to the I-V characteristic based on the experimental data. It is noticed that both characteristics match each other very closely. It shows the accuracy of the EDE technique.
The experimental I-V characteristics and the I-V characteristics with identified parameters for PVCMSD.
The IAE values acquired with the EDE technique are analysed in comparison to the IAE values using other techniques based on each experimental current data in Fig. 14. The IAE in current values at all the experimental data indices with the EDE technique are much lower than those IAE values with other techniques.
Comparison of IAE result with proposed and other techniques for PVCMSD.
Identification of parameters of PVCMDD
The seven parameters of the PVCMDD are identified here. The optimal set of identified parameters is selected from 60 independent runs. The PVCMDD parameters identified using the EDE technique and other techniques are presented in Table 10. The RMSE in identifying parameters by the EDE optimization technique is 1.408989e-4. This value is relatively lesser than the RMSE values obtained in SDOA, TGA, SDO and HSDA.
The I-V curve from the experimental data and the I-V curve with identified parameters match each other closely, as shown in Fig. 15. The proposed EDE can identify the optimal parameters of the solar PV cell accurately. Moreover, the real I-V characteristics can also be reproduced by the EDE optimization technique.
The experimental I-V characteristics and the I-V characteristics with identified parameters for PVCMDD.
In Fig. 16, the computed IAE values by the proposed EDE technique are evaluated by comparing them with the obtained IAE values from other techniques considered in each experimental data point. The IAE values in the case of all the experimental data indices in comparison to the proposed EDE technique are much lesser than those IAE with other techniques. Hence, the proposed EDE technique can enhance solar PV parameter identification performance.
Comparison of IAE result with proposed and other techniques for PVCMDD.
Identification of parameters of PVCMTD
The nine parameters pertaining to the PVCMTD are identified by utilizing the I-V experimental data of the PVM-752-GaAs PV cell. The optimal set of identified parameters is selected from the 60 independent runs. Table 11 summarises the parameters identified by the proposed technique and other techniques considered for comparison.
The RMSE in the estimation of parameters by the EDE approach is 1.30181e-4. It is smaller than the RMSE value estimated by the CNSMA, SDOA, TGA and MPA. The experiment and identification-based I-V curves obtained are very similar and substantially close. This is evident from Fig. 17. It can be concluded that the EDE algorithm can identify the optimal system parameters for the solar PV cell precisely. This method can be used to accurately reproduce the real-time I-V characteristics.
The I-V characteristics based on experimental data and the I-V characteristics with identified parameters for PVCMTD.
In Fig. 18, the comparison between the IAE values based on the EDE technique with the IAE values computed using other techniques considered in this study are illustrated for each experimental data. The IAE values with the EDE approach are observed to be substantially lesser than the IAE values computed using the other techniques. Hence, the proposed technique showcases improved accuracy and overall performance.
Comparison of IAE result with proposed and other techniques for PVCMTD.
Case study 3: results on ND-R250A5 PV module
The five parameters of the above polycrystalline PVMM are identified in the present section using its experimental I-V data21. Here, 60 independent runs are conducted to identify the optimal set of parameters for the module considered in this study. The comparison of the parameters extracted by the EDE technique and other techniques is made in Table 12. It is noticed that, the parameters identified by the EDE technique result in an RMSE of 7.697716e-3. It is the least compared to the RMSE resulting from other identification techniques such as EDE, GAMS, HSDA and GCPSO.
The experimental I-V and I-V curves with identified parameters are similar and close enough, as shown in Fig. 19. This indicates that the EDE algorithm can accurately identify the optimal PV cell parameters of the ND-R250A5 PVMM. This technique may be used to reproduce the real-time I-V characteristics for other applications and modelling purposes.
The experimental I-V and I-V characteristics with identified parameters for polycrystalline PVMM.
In Fig. 20, the IAE values acquired using the EDE technique are evaluated by comparing them to the IAE values computed using other recent techniques for each experimental data. The IAE values at the 20th and 21st indices with the EDE technique are a little higher than the IAE values with the other techniques out of the 36 experimental data indices. Nevertheless, at the remaining indices of the experimental data points, the IAE values resulting from the EDE approach are significantly lesser in comparison to those with other techniques. So, EDE can improve PV parameter identification performance with accuracy and robustness.
Comparison of IAE result with proposed and other techniques for polycrystalline PVMM.
Case study 4: results on STM6 40/36 PV module
This section identifies five parameters of the above monocrystalline PVMM from its experimental I-V data52. The optimal parameters set for the above module are selected from 60 independent runs. The comparison of the PV cell parameters identified by the EDE optimization approach and other techniques is tabulated in Table 13. The related system parameters identified using the EDE technique result in an RMSE of 1.772095e-3. It is the least as compared to the RMSE resulting from other identification techniques such as IMCSA, New Hybrid, Graphical and the technique implemented by Tong and Pora52.
The I-V characteristic of the STM6 40/36 PVMM using the identified parameters and the experimental I-V characteristic is shown in Fig. 21. It is noticed that both characteristics match each other very closely. It shows the accuracy of the proposed EDE technique.
The experimental I-V characteristics and the I-V characteristics with identified parameters for polycrystalline PVMM.
The IAE values attained with the EDE technique are evaluated by comparing the IAE values with the other techniques for each experimental current data and is illustrated in Fig. 22. It is found that the IAE values with the proposed EDE technique at the 3rd ,4th ,5th ,13th and 14th experimental data indices are slightly higher than those with the other techniques. However, for the remaining experimental data indices, the IAE values with the EDE technique are much lesser than the IAE with the other techniques. So, the proposed technique presents a better accuracy than the other mentioned techniques.
Comparison of IAE result with proposed and other techniques for monocrystalline PVMM.
Case study 5: results on STP6 120/36 PV module
The five parameters of the above polycrystalline PVMM are identified in the present section using its experimental I-V data52. The optimal parameters set for the above module are selected out of 60 independent runs. The comparison has been done between the parameters extracted by the EDE technique and other techniques considered and is tabulated in Table 14. It is noticed that the parameters identified by the proposed technique result in an RMSE of 1.224258e-2. This value is the lowest compared to the RMSE, resulting from other identification techniques such as IMCSA, CIABC, New Hybrid and the technique developed by Tong and Pora52.
The experimental I-V curve and I-V curve with identified parameters substantially close and almost overlap each other, as revealed by Fig. 23. Therefore, the EDE algorithm can find the optimal internal parameters of the STP6 120/36 PVMM accurately. Also, it may be used to regenerate the real-time I-V characteristics for other applications and modelling.
The I-V characteristic from the experiment and the I-V characteristic with identified parameters for polycrystalline PVMM.
In Fig. 24, the IAE values computed using the EDE technique are compared with the IAE values acquired from other techniques for each experimental data. With the proposed EDE technique, the IAE values at the 1st and 22nd experimental data indices are slightly higher than those IAE values with other techniques. Nevertheless, at the remaining data indices, the IAE values with EDE technique are substantially lesser in comparison to those in the other mentioned techniques. Hence, the overall performance is improved by the EDE technique.
Comparison of IAE result with proposed and other techniques for polycrystalline PVMM.
Discussion
The following critical analysis can be presented from the research work carried out in this article:
-
PV parameter identification has been done extensively by various methods in recent times. However, still it is an open forum for research due to the environmental factor impacts, system parameter variation due to internal operational factors and the degradation of parameter due to long-time operation/ageing. This makes PV parameter estimation more complex to solve for accurate results.
-
Hybrid techniques have recently been applied for PV parameter identification due to their mutually supporting ability and nullifying individual limitation features.
-
In this study, a single objective formulation is done. The PV parameter identification can be also formulated as a multi-objective optimization problem by considering various errors such as squared power errors at open circuit, short -circuit and at MPP etc.
-
With adaptively varying control factors or applying new strategy to compute the control factors of an optimization technique generally improves the searching ability both during exploration and exploitation stages. This research is one of the attempts in this direction to propose a novel algorithm by adaptively varying the mutation factor and crossover rates of basic DE technique. These modifications, improve the quality of the optimal solution, which can be inferred from the least RMSE values obtained in parameter identification; thereby presenting higher accuracy as compared to other well-established techniques.
Conclusion
The article proposes an EDE algorithm for the parameter identification of the equivalent circuits of the PVCMSD, PVCMDD, and PVCMTD of RTC France and PVM-752-Ga-As, two different types of solar cells. Also, the parameters for the equivalent circuits of PVMM for three different modules are identified, i.e., ND-R250A5, STM6 40/36 and STP6 120/36, by applying the proposed EDE technique. The critical inferences that can be pointed out from the obtained results are (1) The proposed approach EDE results in better searching during exploration and exploitation stages. The major reason is due to dynamically varying mutation and crossover factors that regulate the searching strategy in a better way; (2) The IAE graphs and RMSE values validate the proposed technique comparatively concerning other techniques. The results reflect that the proposed approach outperforms many other techniques in terms of accuracy and efficiency when applied to the cells and modules; (3) Considering the identified parameters, the simulated I-V characteristics closely match the experimental I-V characteristics of tested PV cells and modules. Graphical demonstrations and tabular results justify the proposed technique’s superior performance. The proposed technique can be accepted as a promising method for the identification of different PV cells and module parameters efficiently and accurately.
In real-time establishment and operation, many environmental factors particularly temperature and irradiance variations, dust, snowfall and shading act adversely on the power produced by the PV arrays. These factors need to be focussed in the study as they affect the performance of the identification algorithms. Future research could be directed towards developing an improved and hybrid technique for parameter identification with better exploration ability, lesser complexity and faster convergence. Finally, the objective functions’ nature and formulation significantly impact the technique’s performance to efficiently and accurately identify the parameters. The formulated objective function may be designed as a function of the difference between the experimental power and the power with identified parameters, i.e., root means square error in power. Therefore, this issue needs further research for the optimal solution.
Data availability
The datasets used and/or analysed during the current study available from the corresponding author on reasonable request.
References
Jordehi, A. R. Parameter estimation of solar photovoltaic (PV) cells: a review, renew. Sustain. Energy Rev. 61, 354–371 (2016).
Abbassi, R., Abbassi, A., Jemli, M. & Chebbi, S. Identification of unknown parameters of solar cell models: a comprehensive overview of available approaches, renew. Sustain. Energy Rev. 90, 453–474 (2018).
Toledo, F. J. & Blanes, J. M. Analytical and quasi-explicit four arbitrary point method for extraction of solar cell single-diode model parameters. Renew. Energy. 92, 346–356 (2016).
Cubas, J., Pindado, S. & Victoria, M. On the analytical approach for modeling photovoltaic systems behavior. J. Power Sources. 247, 467–474 (2014).
Jain, A., Sharma, S. & Kapoor, A. Solar cell array parameters using Lambert W-function. Sol Energy Mater. Sol Cells. 90(1), 25–31 (2006).
Ortiz-Conde, A., Sánchez, F. J. G. & Muci, J. New method to extract the model parameters of solar cells from the explicit analytic solutions of their illuminated I–V characteristics. Sol Energy Mater. Sol Cells 90(3), 352–361 (2006).
Bencherif, M. & Brahmi, N. Solar cell parameter identification using the three main points of the current–voltage characteristic. Int. J. Ambient Energy. 43(1), 3064–3084 (2022).
Easwarakhanthan, T., Bottin, J., Bouhouch, I. & Boutrit, C. Nonlinear minimization algorithm for determining the solar cell parameters with microcomputers. Int. J. Sol Energy. 4(1), 1–12 (1986).
Liu, S. & Dougal, R. A. Dynamic multiphysics model for solar array. IEEE Trans. Energy Convers. 17(2), 285–294 (2002).
Villalva, M. G., Gazoli, J. R. & Filho, E. R. Comprehensive approach to modeling and simulation of photovoltaic arrays. IEEE Trans. Power Electron. 24(5), 1198–1208 (2009).
Abdulrazzaq, A. K., Bognár, G. & Plesz, B. Accurate method for PV solar cells and modules parameters extraction using I–V curves. J. King Saud University-Engineering Sci. 34(1), 46–56 (2022).
Zagrouba, M., Sellami, A., Bouaïcha, M. & Ksouri, M. Identification of PV solar cells and modules parameters using the genetic algorithms: application to maximum power extraction. Sol Energy 84(5), 860–866 (2010).
Askarzadeh, A. & Rezazadeh, A. Artificial bee swarm optimization algorithm for parameters identification of solar cell models. Appl. Energy. 102, 943–949 (2013).
AlHajri, M. F., El-Naggar, K. M., AlRashidi, M. R. & Al-Othman, A. K. Optimal extraction of Solar Cell parameters using pattern search, renew. Energy 44, 238–245 (2012).
Soon, J. J. & Low, K. S. Photovoltaic model identification using particle swarm optimization with inverse barrier constraint. IEEE Trans. Power Electron. 27(9), 3975–3983 (2012).
Askarzadeh, A. & Rezazadeh, A. Extraction of maximum power point in solar cells using bird mating optimizer-based parameters identification approach. Sol. Energy 90, 123–133 (2013).
Yuan, X., Xiang, Y. & He, Y. Parameter extraction of solar cell models using mutative-scale parallel chaos optimization algorithm. Sol Energy. 108, 238–251 (2014).
Yu, S. et al. Solar photovoltaic model parameter estimation based on orthogonally-adapted gradient-based optimization. Optik 252, 168513 (2022).
Saadaoui, D., Elyaqouti, M., Assalaou, K. & Lidaighbi, S. Parameters optimization of solar PV cell/module using genetic algorithm based on non-uniform mutation. Energy Convers. Manag. 12, 100129 (2021).
Khelifa, M. A., Lekouaghet, B. & Boukabou, A. Symmetric chaotic gradient-based optimizer algorithm for efficient estimation of PV parameters. Optik 259, 168873 (2022).
Nunes, H. G. G., Pombo, J. A. N., Mariano, S. J. P. S., Calado, M. R. A. & De Souza, J. F. A new high performance method for determining the parameters of PV cells and modules based on guaranteed convergence particle swarm optimization. Appl. Energy. 211, 774–791 (2018).
Gnetchejo, P. J. et al. Enhanced vibrating particles system algorithm for parameters estimation of photovoltaic system. J. Power Energy Eng. 7(8), 1 (2019).
Ramadan, A. E., Kamel, S., Khurshaid, T., Oh, S. R. & Rhee, S. B. Parameter extraction of three diode solar photovoltaic model using improved grey wolf optimizer. Sustainability 13(12), p6963 (2021).
Gnetchejo, P. J. et al. Important notes on parameter estimation of solar photovoltaic cell. Energy Convers. Manag. 197, 111870 (2019).
Kumar, C. & Mary, D. M. A novel chaotic-driven tuna swarm optimizer with Newton-Raphson method for parameter identification of three-diode equivalent circuit model of solar photovoltaic cells/modules. Optik 264, 169379 (2022).
Shaheen, A. M., El-Seheimy, R. A., Xiong, G., Elattar, E. & Ginidi, A. R. Parameter identification of solar photovoltaic cell and module models via supply demand optimizer. Ain Shams Eng. J. 13(4), 101705 (2022).
Diab, A. A. Z. et al. Tree growth based optimization algorithm for parameter extraction of different models of photovoltaic cells and modules. IEEE Access. 8, 119668–119687 (2020).
Xiong, G., Zhang, J., Shi, D. & Yuan, X. Application of supply-demand-based optimization for parameter extraction of solar photovoltaic models. Complexity 2019, 1–22 (2019).
Cotfas, D. T., Deaconu, A. M. & Cotfas, P. A. Hybrid successive discretisation algorithm used to calculate parameters of the photovoltaic cells and panels for existing datasets. IET Renew. Power Gener. 15(15), 3661–3687 (2021).
Jiang, L. L., Maskell, D. L. & Patra, J. C. Parameter estimation of solar cells and modules using an improved adaptive differential evolution algorithm. Appl. Energy. 112, 185–193 (2013).
Rezk, H. & Abdelkareem, M. A. Optimal parameter identification of triple diode model for solar photovoltaic panel and cells. Energy Rep. 8, 1179–1188 (2022).
Liu, Y. et al. Boosting slime mould algorithm for parameter identification of photovoltaic models. Energy 234, 121164 (2021).
Lidaighbi, S. et al. A new hybrid method to estimate the single-diode model parameters of solar photovoltaic panel. Energy Convers. Manag : X. 15, 100234 (2022).
Oliva, D. et al. A chaotic improved artificial bee colony for parameter estimation of photovoltaic cells. Energies 10(7), 865 (2017).
Kang, T., Yao, J., Jin, M., Yang, S. & Duong, T. A novel improved cuckoo search algorithm for parameter estimation of photovoltaic (PV) models. Energies 11(5), 1060 (2018).
Premkumar, M., Babu, T. S., Umashankar, S. & Sowmya, R. A new metaphor-less algorithms for the photovoltaic cell parameter estimation. Optik 208, 164559 (2020).
Kumar, C., Raj, T. D., Premkumar, M. & Raj, T. D. A new stochastic slime mould optimization algorithm for the estimation of solar photovoltaic cell parameters. Optik 223, 165277 (2020).
Izci, D., Ekinci, S., Abualigah, L., Salman, M. & Rashdan, M. Parameter extraction of photovoltaic cell models using electric eel foraging optimizer. Front. Energy Res. 12, 1407125 (2024).
Izci, D., Ekinci, S. & Hussien, A. G. Efficient parameter extraction of photovoltaic models with a novel enhanced prairie dog optimization algorithm. Sci. Rep. 14, 7945 (2024).
Abbassi, R. et al. An accurate metaheuristic mountain gazelle optimizer for parameter estimation of single-and double-diode photovoltaic cell models. Mathematics 11(22), 4565 (2023).
Abbassi, A. et al. Improved arithmetic optimization algorithm for parameters extraction of photovoltaic solar cell single-diode model. Arab. J. Sci. Eng. 47(8), 10435–10451 (2022).
Shaheen, A. M., Ginidi, A. R., El-Sehiemy, R. A. & Ghoneim, S. S. A forensic-based investigation algorithm for parameter extraction of solar cell models. IEEE Access. 9, 1–20 (2020).
Abd, E. et al. Optimal parameters extracting fuel cell based gorilla troops optimizer. Fuel 332 : 126162. (2023).
Manoharan, P. et al. Parameter characterization of PEM fuel cell mathematical models using an orthogonal learning-based GOOSE algorithm. Sci. Rep. 14(1), 20979 (2024).
Premkumar, M. et al. A reliable optimization framework for parameter identification of single-diode solar photovoltaic model using weighted velocity‐guided grey wolf optimization algorithm and Lambert‐W function. IET Renew. Power Gener. 17(11), 2711–2732 (2023).
Beigi, A. M. & Maroosi, A. Parameter identification for solar cells and module using a hybrid Firefly and Pattern Search algorithms. Sol Energy 171, 435–446 (2018).
Ram, J. P., Babu, T. S., Dragicevic, T. & Rajasekar, N. A new hybrid bee pollinator flower pollination algorithm for solar PV parameter estimation. Energy Convers. Manag. 135, 463–476 (2017).
Nunes, H. G. G., Pombo, J. A. N., Bento, P. M. R., Mariano, S. J. P. S. & Calado, M. R. A. Collaborative swarm intelligence to estimate PV parameters. Energy Convers. Manag. 185, 866–890 (2019).
Ekinci, S., Izci, D. & Hussien, A. G. Comparative analysis of the hybrid gazelle-nelder–mead algorithm for parameter extraction and optimization of solar photovoltaic systems. IET Renew. Power Gener. 18(6), 959–978 (2024).
Izci, D. et al. A new modified version of mountain gazelle optimization for parameter extraction of photovoltaic models. Electr. Eng. 1–21 (2024).
Langdon, W. B. & Poli, R. Evolving problems to learn about particle swarm optimizers and other search algorithms. IEEE Trans. Evol. Comput. 11(5), 561–578 (2007).
Tong, N. T. & Pora, W. A parameter extraction technique exploiting intrinsic properties of solar cells. Appl. Energy 176, 104–115 (2016).
Fakhouri, H. N. et al. Hybrid four Vector Intelligent Metaheuristic with Differential Evolution for Structural single-objective. Eng. Optim. Algorithms 17(9), 417 (2024).
Zhang, X., Zhong, C. & Abualigah, L. Foreign exchange forecasting and portfolio optimization strategy based on hybrid-molecular differential evolution algorithms. Soft. Comput. 27(7), 3921–3939 (2023).
Chakraborty, S. et al. Differential evolution and its applications in image processing problems: a comprehensive review. Arch. Comput. Methods Eng. 30(2), 985–1040 (2023).
Chauhan, S., Govind, V., Kumar, A. & Laith, A. Conglomeration of reptile search algorithm and differential evolution algorithm for optimal designing of FIR filter. Circuits Syst. Signal Process. 42(5), 2986–3007 (2023).
Price, K. V. Differential evolution, in (eds Zelinka, I., Snášel, V. & Abraham, A.) Handbook of Optimization: from Classical to Modern Approach 187–214 (Springer, 2013).
Wang, L., Zhou, X., Xie, T., Liu, J. & Zhang, G. Adaptive differential evolution with information entropy-based mutation strategy. IEEE Access. 9, 146783–146796 (2021).
Yu, W. J. et al. Differential evolution with two-level parameter adaptation. IEEE Trans. Cybern. 44(7), 1080–1099 (2013).
Li, Y., Wang, S. & Yang, B. An improved differential evolution algorithm with dual mutation strategies collaboration. Expert Syst. Appl. 153, 113451 (2020).
Acknowledgements
This article has been produced with the financial support of the European Union under the REFRESH – Research Excellence For Region Sustainability and High-tech Industries project number CZ.10.03.01/00/22_003/0000048 via the Operational Programme Just Transition and paper was supported by the following project TN02000025 National Centre for Energy II. The authors would like to express their sincere gratitude to Stanislav Misak for his exceptional supervision, project administration, and overall guidance throughout the course of this project. His expertise and support were instrumental to its success.
Author information
Authors and Affiliations
Contributions
Shubhranshu Mohan Parida, Vivekananda Pattanaik, Subhasis Panda: Conceptualization, Methodology, Software, Visualization, Investigation, Writing- Original draft preparation. Pravat Kumar Rout, Binod Kumar Sahu: Data curation, Validation, Supervision, Resources, Writing - Review & Editing. Mohit Bajaj, Lukas Prokop, Vojtech Blazek: Project administration, Supervision, Resources, Writing - Review & Editing.
Corresponding author
Ethics declarations
Competing interests
The authors declare no competing interests.
Additional information
Publisher’s note
Springer Nature remains neutral with regard to jurisdictional claims in published maps and institutional affiliations.
Rights and permissions
Open Access This article is licensed under a Creative Commons Attribution-NonCommercial-NoDerivatives 4.0 International License, which permits any non-commercial use, sharing, distribution and reproduction in any medium or format, as long as you give appropriate credit to the original author(s) and the source, provide a link to the Creative Commons licence, and indicate if you modified the licensed material. You do not have permission under this licence to share adapted material derived from this article or parts of it. The images or other third party material in this article are included in the article’s Creative Commons licence, unless indicated otherwise in a credit line to the material. If material is not included in the article’s Creative Commons licence and your intended use is not permitted by statutory regulation or exceeds the permitted use, you will need to obtain permission directly from the copyright holder. To view a copy of this licence, visit http://creativecommons.org/licenses/by-nc-nd/4.0/.
About this article
Cite this article
Parida, S.M., Pattanaik, V., Panda, S. et al. Optimal parameter identification of photovoltaic systems based on enhanced differential evolution optimization technique. Sci Rep 15, 2124 (2025). https://doi.org/10.1038/s41598-025-85115-x
Received:
Accepted:
Published:
Version of record:
DOI: https://doi.org/10.1038/s41598-025-85115-x
Keywords
This article is cited by
-
Parameter extraction of photovoltaic cell/module models using starfish optimization algorithm with a secant-based objective function modification
Scientific Reports (2026)
-
Enhanced maximum power point tracking using hippopotamus optimization algorithm for grid-connected photovoltaic system
Scientific Reports (2026)
-
Robust Newton–Raphson method integrated improved Differential Evolution (RoNRIDE) algorithm for accurate PV parameter extraction: a multi-model and multi-condition benchmarking study
Journal of Computational Electronics (2026)
-
Research on Simplified Engineering Model and Parameter Sensitivity of Polycrystalline Silicon (AsGa) Photovoltaic Cells
Transactions on Electrical and Electronic Materials (2025)


























